Бестрансформаторный усилитель мощности звуковых частот
В данном курсовом проекте по дисциплине «Электронные цепи и приборы» производится расчет и выборка транзисторов для усилительного устройства, а также подвергнуть данное устройство детальной проработки.
В процессе выполнения курсового проекта необходимо составить принципиальную схему усилителя мощности звуковых частот (в ходе дальнейшего анализа - УМЗЧ), причем никаких ограничений на принципы ее построения и сложностей нет. Единственное условие – усилитель должен быть бестрансформаторным.
Используя приводимые расчетные соотношения и справочный материал , можно рассчитать несколько вариантов УМЗЧ без использования какой-либо другой литературы.
Выбор варианта задания на курсовое проектирование соответствует порядковому номеру студента в журнале группы.
Варианты задания на курсовое проектирование составлены в соответствии с требованиями ГОСТ.
При выполнении курсового проекта необходимо использовать справочную литературу, где приведены данные по основным параметрам резисторов, конденсаторов, диодов и транзисторов.
Среди возможных вариантов построения бестрансформаторных усилителей мощности наибольшее распространение получили усилители с использованием в двухтактном выходном каскаде эмиттерных повторителей на комплиментарных биполярных транзисторах (транзисторы структуры p-n-p и n-p-n с одинаковыми параметрами).
В различных модификациях усилителей используется дифференциальные каскады, операционные усилители. Наиболее высококачественные и мощные усилители работают от двух источников питания.
2) Исходные данные для проектирования
| Выходная мощность (Вт) | 6 |
| Нижняя рабочая частота (Гц) | 80 |
| Верхняя рабочая частота (кГц) | 8 |
| Нестабильность напряжения на выходе (D%) | 7 |
| Сопротивление нагрузки (Ом) | 16 |
| Напряжение источника питания (В) | 9 |
Внутреннее сопротивление источника сигнала (Rн, кОм) | 3 |
3) Общая теория и сведения.

Входной сигнал подается на предоконечный усилитель (УС) и затем через цепь создания начального смещения (СМ) на выходные эмиттерные повторители, работающие в режиме класса АВ. При использовании комплементарных транзисторов отпадает нужда в фазоинверсном каскаде. Параметры элементов цепи смещения обычно термозависимы, т.е. сама цепь является частью схемы термокомпенсации тока покоя выходного каскада. Далее сигнал через элемент связи (ЭС) в виде переходного конденсатора (если используется один источник питания) или непосредственно (если используются два источника питания) подается на звукопроизводящее устройство.
УМЗЧ – это усилитель, в котором обычно используются непосредственные связи между каскадами и нагрузкой, а в некоторых случаях используется и емкостная связь с нагрузкой. Для обеспечения высокой стабильности работы выходного каскада и улучшения качественных показателей усилителя он весь охватывается цепью отрицательной обратной связи (ООС). По этой причине для обеспечения устойчивости усилителя число каскадов обычно не превышает двух-трех.
В реальном усилителе могут включаться различные цепи коррекции. Для ознакомления с такими схемотехническими решениями необходимо проработать приведенную литературу.
Промышленностью освоен выпуск УМЗЧ на мощности до 20-50 Вт в виде интегральных схем, на дискретных элементах, а также в виде смешанных конструкций. Наиболее высококачественные усилители выполняются на дискретных элементах, поскольку в таком варианте легче удается подобрать выходные транзисторы с близкими параметрами, обеспечить оптимальный режим работы каскадов и использовать транзисторы с заметно большей граничной частотой
, чем транзисторы интегральных схем. Это, в свою очередь, позволяет применять и более глубокую ООС.
Существует несколько стандартных схемотехнических решений УМЗЧ. На рис.2 и рис.3 приведены две простейшие схемы усилителей мощности, имеющих один источник питания.
Транзистор VT1 (рис.2) включен по схеме с общим эмиттером (ОЭ). Каскад на основе VT1 охвачен местной последовательной ООС по току за счет падения напряжения сигнала на R4. Весь УМЗЧ, включая VT1, охвачен общей последовательной ООС по напряжению за счет R5, R4 и С1. Позднее будет показано, что сопротивление R5 много больше R4, а сопротивление С1 пренебрежимо мало. Коэффициент усиления каскада на VT1 незначителен, так как в каскаде действует ООС, а нагрузкой в основном является низкое входное сопротивление VT2.
Основное усиление обеспечивается за счет каскада на VT2, включенном по схеме с ОЭ. Его нагрузкой являются R7 и выходное сопротивление эмиттерного повторителя. За счет терморезистора R6 обеспечивается начальное смещение для эмиттерных повторителей (ЭП) на VT3 и VT4, которые поочередно работают почти от полного открывания до полного закрывания.
У ЭП коэффициент усиления по напряжению
.

Поэтому с целью наиболее полного использования напряжения питания VT2 работает также в режиме от почти полного открывания до почти полного закрывания. Однако и при этом оконечные транзисторы VT3 и VT4 недоиспользуются по напряжению питания и отдаваемой мощности, что снижает коэффициент полезного действия (КПД) усилительного каскада.
На рис.2 условно показаны осциллограммы для переменной составляющей сигнала в отдельных точках анализируемой схемы. При поступлении первого положительного полупериода сигнала на VT3 и VT4 ток VT3 увеличивается, а ток VT4 уменьшается. Импульсный выходной ток VT3
(штрих-пунктир) проходит через С2 и сопротивление нагрузки
. Конденсатор заряжается до напряжения Ео/2. Полярность указана на схеме. Во время второго отрицательного полупериода сигнала С2 разряжается через открытый транзистор VT4 и нагрузку импульсом тока
~.
Для наиболее полного использования напряжения источника питания в режиме покоя напряжение в точке А должно быть равным 0,5Ео. Его стабильность зависит от глубины общей ООС по постоянному току. Поэтому выход усилителя непосредственно соединяется с первым каскадом через R5.
Глубина ООС по переменному току определяется заданным коэффициентом усиления, коэффициентом нелинейных и частотных искажений, нестабильностью напряжения на выходе. Коэффициент передачи цепи ООС по переменному току задается подбором сопротивлений резисторов R4 и R5. В этом случае емкость конденсатора С1 должна выбираться такой, чтобы его сопротивление на нижней рабочей частоте было бы много меньше сопротивления R4.
Схема усилителя проста, но всегда имеет место спад амплитудно-частотной характеристики (АЧХ) в области нижних частот за счет С2 и есть некоторая асимметрия плеч выходного сигнала. Ток покоя VT4 несколько больше тока VT3. Через транзистор VT4 протекает и ток покоя VT1 (штриховая линия на рис.2). Еще один недостаток состоит в том, что расчетная величина сопротивления резистора R7 оказывается достаточно малой, поскольку она однозначно определяется режимами работы VT2, VT4 по постоянному току. Напряжение в точке В равно (
) = 0,5Ео, а ток покоя VT2 определяется амплитудой выходного тока ЭП и током, протекающим через R7. Амплитуды сигналов возбуждения VT3 и VT4 несколько отличны за счет падения напряжения сигнала на R7.
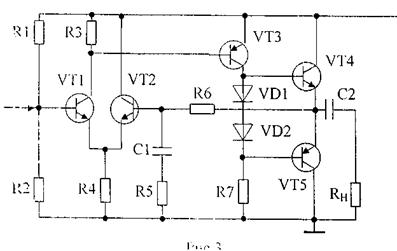
Несколько лучшими показателями отличается более сложный усилитель, схема которого представлена на рис.3. Принцип ее работы аналогичен. Остановимся лишь на отличиях.
Первое отличие состоит в том, что в качестве элемента схемы термокомпенсации тока покоя вместо терморезистора R6 (см. рис.2) используются диоды VD1 и VD2. Они крепятся непосредственно на радиатор одного из выходных транзисторов. При увеличении температуры диода его вольт-амперная характеристика (ВАХ) смещается влево примерно на уровень 2,2 мВ/°С (рис.4).

Рис.3
Токи покоя баз транзисторов VT4 и VT5 в несколько десятков раз меньше тока покоя коллектора VT3. Поэтому ток диода можно считать практически постоянным, величина которого определяется режимом работы транзистора VT3. В случае повышения температуры радиаторов транзисторов VT4 и VT5 падение напряжения ни диоде уменьшается
(см.рис.4). Соответственно призакрываются выходные транзисторы. По причине схожести изменения ВАХ диода и входной характеристики транзистора последнее решение оказывается более эффективным, чем использование терморезистора.
Считается, что в первом каскаде используется дифференциальный каскад. Это не совсем так, хотя графическое сходство имеется. В данном случае проще полагать, что на эмиттер транзистора VT1 также, как и в схеме представленной на рис.2. Подается сигнал по цепи общей ООС, но через эмиттерный повторитель, собранный на VT2. т.е. в цепь ООС включен активный элемент. Ток покоя VT1 протекает через R4, а не через выходной транзистор. В этом случае улучшается симметрия плеч выходного каскада.

Рис.4
В различных модификациях усилителей используются дифференциальные каскады, операционные усилители и т.д. Конкретные схемные решения для таких усилителей будут рассмотрены в следующем разделе данного пособия.
Наиболее высококачественные и мощные усилители работают от двух источников питания. На рис.5 приведен фрагмент схемы выходного каскада такого класса. В режиме покоя через транзисторы протекает малый ток
.
Поскольку точка С подсоединена к корпусу, то потенциал точки А относительно корпуса буден равен нулю. Постоянный ток через нагрузку не протекает. Таким образом нет необходимости в использовании какого-либо элемента связи между выходным каскадом и нагрузкой.

Расчет УМЗЧ
Принципиальная схема наиболее простого и часто применяемого бестрансформатор- ного УМЗЧ с одним источником питания приведена на рис.6. Принцип ее работы и методика расчета описаны практически во всех учебниках. Однако следует обратить внимание на три обстоятельства. Существенный недостаток усилителя состоит в том, что ток покоя транзистора VT2, который может измеряться десятками миллиампер, протекает через нагрузку
. Это не всегда допустимо. Второе замечание связано с описанием принципа действия каскада на основе транзистора VT2. В литературе можно встретить утверждение о том, что каскад на основе VT2 работает с использованием "вольт добавки". Необходимо сделать некоторые пояснения.

Рис.6
Выходной каскад - эмиттерный повторитель (ЭП) на комплементарных транзисторах VT3 и VT4 с параллельным возбуждением, работающий в режиме класса АВ. Его коэффициент усиления по напряжению близок к единице. Поэтому для обеспечения в нагрузке максимальной мощности в идеале на выходной каскад надо подавать сигнал с амплитудой 0,5Ео. Таким образом, транзистор VT2 должен предельно использоваться по напряжению от полного открывания (
) до полного запирания (режим отсечки), в режиме покоя потенциал его коллектора относительно корпуса равен - 0,5Ео. Реально это значение больше с учетом падения напряжения
. Поэтому в цепь эмиттера нельзя включать резистор для стабилизации тока покоя.
Каскад на VT2 работает, в режиме класса А. Ток покоя VT2
должен быть заметно больше амплитуды базового тока выходных транзисторов. Если бы резистор R7 был подключен непосредственно к корпусу, то R7=0,5Ео/
. Величина сопротивления R7 оказывается достаточно малой, т.е. коэффициент усиления каскада на VT2 также невелик.
В режиме покоя конденсатор С4 заряжен до напряжения 0,5Ео. Его емкость выбирается столь большой, что за период сигнала это напряжение практически не меняется. Тогда при полном открывании VT4 по отношению к VT2 ,VT3 и их нагрузкам С4 и Eо оказываются включенными последовательно, т.е. общее напряжение источника питания составляет порядка 1,5Ео. Таким образом удается увеличить амплитуду входного и, следовательно, выходного сигнала.
При отключении нагрузки для обеспечения возможности настройки усилителя ставится резистор R10 (R10 ~ 40
).
Экономичный режим работы такого выходного каскада достигается за счет правильного выбора напряжения смещения. Часто приходится ставить резистор, изображенный на рис.6 пунктиром.
Более совершенная схема УМЗЧ, лишенная некоторых указанных выше недостатков, представлена на рис.7. Чувствительный элемент схемы термокомпенсации тока покоя выходного каскада выполнен в виде транзистора VT3, который размещается непосредственно на радиаторе выходного транзистора. При увеличении температуры происходит смещение его выходных характеристик и увеличение
, вследствие чего падение напряжения на VT3 уменьшается, т.е. уменьшается смещение на выходных транзисторах. Эта схема термокомпенсации работает в несколько раз эффективнее чем при использовании одного диода (см. рис.6). С помощью переменного резистора R8 оказывается очень удобно устанавливать ток покоя оконечного каскада.
Нагрузкой транзистора VT2 теперь уже не является резистор, а генератор стабильного тока (ГСТ) на транзисторе VT4 с элементами термокомпенсации тока покоя в виде диодов VD1, VD2 и выходное сопротивление оконечного каскада. Сопротивление VТ4 для постоянного тока много меньше, чем для переменного. На рис.8 для примера приведено семейство выходных характеристик транзистора, на котором отмечена точка покоя при
В,
мА. Тогда внутреннее сопротивление VT4 для постоянного тока составит
. Для переменного тока
, где
и
– достаточно малые приращения напряжения и тока. В конкретном случае
. В рассмотренном примере не учтен резистор R10. За счет него незначительно увеличивается сопротивление нагрузки VT4 по постоянному току и существенно по переменному. За счет R10 будет действовать местная ООС по току, существенно увеличивающая выходное сопротивление VT4, т.е. сопротивление нагрузки VT2.
Сопротивление резисторов R11 и R12 составляют десятые доли Ома. Они ставятся не только для некоторого симметрирования плеч выходного каскада за счет введения местной ООС, но и несколько ограничивают ток VT5, VT6 при перегрузке каскада.


Стабильность потенциала в точке соединения резисторов R11 и R12, равного 0,5Ео, увеличивается при охвате всего усилителя по постоянному току через резистор R6 ООС по напряжению (последовательная по входу). Глубина ООС по переменному току задается резисторами R5, R6.
Описанная схема УМЗЧ широко применяется в усилителях, работающих от одного источника питания. Можно предложить следующий примерный порядок ее расчета.
4) Расчет выходного каскада УМЗЧ
По заданным мощности в нагрузке Рн и сопротивлению нагрузки Rн и определяются амплитуды напряжения и тока:
Umn=
2Pн Rн, Umn=
2*6*16=13,856(В)
Imn= Umn/ Rн=13,856/16=0,866(А)
Сопротивление резисторов Rэ=R11+R12 в цепи эмиттеров выбирается много меньше Rн(иначе сильно падает КПД).
Пусть:
Rэ=0,05 Rн , Rэ=0,05*16=0,8(Ом)
Рассчитывается напряжение источника питания :
Е0≥2(I(Rэ+ Rн)+1.5Uнас) , Е0≥2(0.866(0.8+16)+1.5*1.5) ≥ 33.5976
где Uнас - напряжение насыщения транзистора , которое для кремниевых транзисторов составляет порядка 1В, а 1,5- коэффициент запаса.
Окончательно величина Е0 выбирается согласно ряду ГОСТа в сторону большего номинала.
Тогда напряжение покоя и рассеиваемая мощность на выходных транзисторах будут равны:
Uк=0,5Е0; Uк=0,5*33.5976=16.7988(В)
Рк=0,101 U2к/ Rн, Рк=0,101*(16.7988)2/16=1,781(Вт)
Выбор транзистора производится при соблюдении следующих условий:
Ркmax≥1.3 Рк; Ркmax≥1,3*1,781=2,3(Вт)
UКЭmax≥1.2Е0; UКЭmax>=1.2*33,5976=40,3171(В)
IKmax≥1.2 Imn; IKmax≥1.2*0,866=1,0392(А)
fh21К≈ fh21Э≥(3…5)fв; fh21К≈ fh21Э≥ (24…40)
где Ркmax ,UКЭmax,IKmax, fh21Киfh21Э- соответственно предельная рассеиваемая на коллекторе мощность, предельные напряжения коллектор-эмиттер и ток коллектора , верхняя граничная частота транзистора в схеме включения с общим эмиттером и общим коллектором , а fв- верхняя рабочая частота сигнала.
Иногда в справочниках вместо частоты fh21Э, указывается частота fh21Били fТ. fh21Б-это предельная частота коэффициента передачи тока h21Бв схеме с общей базой , т.е. частота на которой этот коэффициент уменьшается до уровня 0,7 по сравнению с областью нижних частот.
После того, как было произведено часть расчетов, происходит выборка транзистора по полученным параметрам, из выше приведенных формул. В моем случае подходит германиевый транзистор: ГТ403, для которого h21Э=30.
Частота fТ- граничная частота транзистора в схеме с общим эмиттером при которой h21Э=1.
Взаимосвязь между названными частотами определяется с помощью следующих выражений:
fh21Э* h21Э≈ fh21Б≈1,3 fТ
h21Э=
h21Эmax*h21Эmin
h21Э – статический коэффициент передачи тока в схеме с ОЭ , h21Эmaxи h21Эmin - справочные параметры : пределы технологического разброса.
В других случаях в справочниках указывается величина модуля коэффициента передачи тока на определенной частоте f.Тогда можно воспользоваться выражением:
fТ≈│ h21Э │* f.
При прочих равных условиях выходные транзисторы желательно выбирать с большим -h21Э.
Максимально возможная отдаваемая в нагрузку мощность:
Рн.max=(UК-Uнас)2Rн/(Rн+RЭ)2
Рн.max=(16,7988-1,5)2*16/(16+0,8)2=13,27(Вт)
Ток покоя окончательного каскада, ток покоя базы и амплитуда базового тока:
Ik5=0.05Imn; Ik5=0.05*0,866=0,0433(А)
IB5=Iкз/h21Э
IBm5=1.1 Imn/ h21Э; IBm5=1,1*0,866/30=0,031(А)
Коэффициент усиления и входное сопротивление оконечного каскада:
К3=КЭН=(1+ h21Э)R11/r1Б+(1+ h21Э)(rэ+ Rэ+Rн)
r1Б-можно пренебречь , R11= Rэ=0,8(Ом)
rэ=0,026π/ Imn =0,026*3,14/0,866=0,09(Ом)- среднее сопротивление эмиттера для транзистора , работающего в режиме класса В.
К3=КЭН=(1+30)*0,8/(1+30)(0,09+0,8+16)=0,047
Rвх.эп= r1Б+(1+ h21Э)(rэ+ Rэ+Rн)=523,59(Ом)
Амплитуда входного сигнала :
Uмвв3=Uмн/ К3=13,856/0,047=294,8(В)
Расчет площади радиатора при необходимости производится согласно рекомендациям приведенными в следующих разделах.
5) Расчет предоконечного каскада УМЗЧ
Каскад на транзисторе VT2 в режиме класса А и его ток покоя должен превышать амплитуду базового тока выходного каскада:
Ik2 =1,3IBm5=1,3*0,031=0,0403(А)
Рк2=0,5Ik2 Е0=0,5*0,0403*33,5976=0,6769(Вт)
Для предоконечного каскада желательно выбрать транзистор с возможно большим коэффициентом передачи по току, соблюдая условия
Ркmax≥1.3 Рк; Ркmax≥1,3*1,781=2,3(Вт)
UКЭmax≥1.2Е0; UКЭmax>=1.2*33,5976=40,3171(В)
IKmax≥1.2 Imn; IKmax≥1.2*0,866=1,0392(А)
fh21К≈ fh21Э≥(3…5)fв; fh21К≈ fh21Э≥ (24…40)
Вновь, после проведенного ряда расчетов, произвожу выборку транзисторов VT2 и VT4
и по полученным параметрам подходит транзистор ГТ402Д, h21ЭVT4=30.
Входная емкость VT2 заметно шунтирует сопротивление нагрузки. С целью уменьшения искажений в области верхних частот следует:
fh21Э≥(50…100) fв
При прочих равных условиях для рассчитываемого каскада надо выбрать транзистор с меньшим выходным сопротивлением с целью уменьшения искажений в области верхних частот , возникающих из-за большой входной емкости выходного каскада.
В качестве термокомпенсирующего элемента используется транзистор VT3, работающий в режиме эмиттерного повторителя .Можно использовать маломощный транзистор с подходящими частотными свойствами и наибольшим значением параметра fh21Э.Падение напряжения на нем составляет около 1В ,а рассеиваемая мощность не превышает долей милливатта .Для этих целей вполне подходит транзистор класса КТ3102.
Требование по частоте для транзисторов VT2 и VT3 аналогичны , но выходное сопротивление VT4 должно быть во много раз больше входного сопротивления выходного каскада. С этой целью вводится ООС путем включения резистора R10.Проще всего в качестве VT2 и VT4 выбирать комплементарную пару.
Прежде чем приступить к расчету параметров каскада на VT2 , необходимо определить сопротивление его нагрузки по переменному току. В первую очередь следует рассчитать выходное сопротивление транзистора VT4.
Для стабилизации тока покоя VT4 ток через R7 должен заметно превышать ток через его базу ,т.е.:
IR7≥(3…5) Ik2/ fh21эvt4
R7=U7/ I7= Е0-2UvD/ I7=33,6-4,5/0,51=57(Ом)
В качестве термокомпенсирующих диодов можно использовать почти все кремневые диоды (у германиевых диодов разброс параметров гораздо больше).Например, можно выбрать КД503….КД510 , причем падение постоянного напряжения при включении их в прямом направлении составляет примерно 0,65 В при токах 1….5 мА. Тогда с учетом падения напряжения на переходе база-эмиттер VT4 можно принять:
UR10=2UvD- UБЭVT4=0,5(В)
R10= UR10/ Ik2=0,5/0,04=12,5(Ом)
Рассматривая VT4 как усилительный прибор , включенный по схеме с разделенной нагрузкой , можно рассчитать коэффициент передачи ОС-В1.
В1= R10/ RVT4≈, В1=12,5/40,5=0,3
Коэффициент усиления без ООС:
КвхVT4= h21ЭRвхVT4≈/ RвхVT4 =30*40,5/64,64=18,8
RвхVT4= r1Б+ rэ (1+ h21Э)=1,2+0,65(1+30)=64,64(Ом)
rэ=0,026/ Ik2=0,026/0,0403=0,65(Ом)
rэ- сопротивление эмиттера транзистора , работающего в режиме класса А.
Сопротивление базы r1Брассчитываетсяпо справочным параметрам:
r1Б=τк/Ск=1,2
где τк- постоянная времени цепи обратной связи , а Ск – емкость коллекторного перехода.
С учетом ООС сопротивление переменному току для VT4 составит:
RвыхООСVT4=Rвых(1+ В1 КVT4)=150*103(1+0,3*18,8)=996*103(Ом)
Сопротивление нагрузки по переменному току для VT2 составит:
RVT2= RвхЭП RвыхООСVT4/ RвхЭП +RвыхООСVT4=40,5*150*103/40,5+150*103=31,5(Ом)
Целесообразно выбрать ток делителя IД2 ,заметно меньшеIk2, но
IД2≥(3…5) IБ2 , IД2≥0,3(А)
Как указывалось выше UКЭVT3 ≈1В,тогда
R8+ R9= UКЭVT3/ IД2=1/0,3=3,3(Ом)
Для обеспечения возможности значительного изменения режима работы VT3 целесообразно выбрать
R8= (R8 +R9)/3 и R9=2 (R8 +R9)/3
Соответственно получим: R8 =0,75(Ом),R8=1,5(Ом)
Входное сопротивление VT2 рассчитывается по формуле:
RвхVT2= r1Б+ (1+ h21Э)*0.026/ Ik2=1.2+(1+30)*0.026/0.04=20.9(Ом)
6) Расчет каскада предварительного усилителя.
Ток покоя VT1 выбирается согласно: RвыхООСVT4=Rвых(1+ В1 КVT4)
Если его величина измеряется долями миллиамперметра ,то следует принять Ik1=2…3мА При малых токах частотные свойства кремниевых транзисторов существенно ухудшаются
Тип транзистора выбирается аналогично VT2 .Подойдет любой маломощный транзистор с высоким значением коэффициента передачи по току , например КТ3102Б.
Для обеспечения необходимого тока покоя VT2 следует падать смещение UБЭ Ориентировочно можно принять :
UБЭ 0,7…0,9 В
Режим работы VT1 и VT2 обеспечивается подбора сопротивлений резисторов R1 иR2 .
Резистор R6 частично шунтирует нагрузку усилителя. Следует выполнять условие
R6≥100 Rн, R6≥100*16=1600(Ом)
Тогда можно рассчитать потенциал эмиттера VT1 ,ток базового делителя и составляющие его резисторы :
UЭVT1=0,5 Е0+ Ik2 R6,0,5*33,6+2,3*10-3*1600=20,48(В)
=10/30=0,3(А)
=2+0,7/0,3=9(Ом)
=(33,6-2-0,7)/0,3=103(Ом)
7) Расчет цепи отрицательной обратной связи.
В задании оговорена нестабильность напряжения на выходе каскада усилителя D,т.е. величина относительного изменения амплитуды сигнала при обрыве нагрузки
D=Rвых/ Rн, где Rвых- выходное сопротивление усилителя.
Необходимо выполнить условие :![]()
Выходное сопротивление эмиттерного повторителя :
.
При введенной ООС :
≈300/1+4=60(Ом)
Где К=К1 *К2 *К3ООС- общий коэффициент усиления усилителя без ООС.
К1=UКЭVT1/ UБЭVT1=9/0,65=13,8
К2= fh21э/ RвхVT2* Rвых=30/20,9*40,5=58,13
К3ООС= К3/1+β К3=0,05/(1+4)*0,05=0,05
Из этого следует: К=13,8*58,13*0,05=39,3
Коэффициент передачи цепи ОС:
≥60-0,64/0,64*77.6=1,2
RвыхОГ=60/1+1,239,3=1,2(Ом)
=1,2*1800/1+1,2=981,8(Ом)
Глубина общей ООС:
=1+1,2*39,3=48,6
Если сопротивление резистора R5 измеряется единицами Ом ,то следует увеличить R6 или В2 .
Реальный коэффициент усиления усилителя
=39,3/50=0,786
С искажением АЧХ можно не считаться ,если выполняется условие:
=50/3,14*40*981,8=0,0004(Ф)
8) Расчет разделительных конденсаторов.
Остались нерассчитанными резисторы R1 иR2 и конденсатор С1 .Для этого недостаточно исходных данных.С целью увеличения входного сопротивления первого каскада можно выбрать:
=103/4=25,75(Ом),
2*103/4=51,5(Ом);
Для расчета С1надо задаться коэффициентами фильтрации. Пусть Ф=10,тогда:
=(100-1)/2*3,14*100*25,75=4,05(Ф)
Где fн=100 - частота пульсаций (Гц).
9) Заключение о результатах проектирования.
В результате всех проделанных и проведенных расчетов были найдены транзисторы, на основе которых будет в следующих пунктах курсового проекта приведена принципиальная электрическая схема спроектированного усилителя с перечнем элементов согласно ГОСТу, а также печатная плата разработанного устройства.
Основной целью данной курсовой работы стало изучение методов расчёта мощных многокаскадных усилителей. В работе эта задача была успешно решена:
- Освоенные теоретические навыки позволяют на данном этапе обучения спроектировать несложные усилители мощности;
- Применение глубоких отрицательных обратных связей позволяет улучшить параметры усилителя до необходимой величины;
- Полученные в работе данные не сильно расходятся с полученными при макетировании и испытании подобных усилителей.
Можно также отметить, что практически достигнут требуемый коэффициент гармоник и коэффициент усиления. Некоторое расхождение появилось по двум причинам: в усилителе не были применены глубокие отрицательные обратные связи, выбранный режим не позволяет достичь требуемой величины коэффициента гармоник.
Выйти из сложившейся ситуации можно также двумя способами: применить ООС, либо сместить рабочую точку выходных транзисторов ближе к режиму А.
Каждый из этих способов обладает недостатками: используя первый – уменьшается коэффициент усиления, второй – увеличивается потребляемый в холостом ходу ток.
В зависимости от предъявляемых к радиоаппаратуре требований можно использовать любой метод. Однако не следует забывать о недостатках и учитывать их при проектировании усилителей.
10).Список использованной литературы
1. Андреев Ф.Ф. Электронные устройства автоматики. Москва, «Машиностроение», 1978г
2. Петухов В. М. Транзисторы и их зарубежные аналоги. Том 1, 2, Москва, «РадиоСофт», 2004г
3. Цыкина А.В. Усилители. Москва, «Связь», 1972 г
4. Лавриненко В.Ю. Справочник по полупроводниковым приборам. Киев, «Техника», 1984г
5. Гершунский Б.С. Справочник по расчету электронных схем. Киев, «Высшая школа», 1983г
6. Виноградов Ю.В. Основы электронной и полупроводниковой техники. Москва, «Энергия», 1972 г.
7. Цыкин Г.С.Усилительные устройства .-М.: Радио и связь ,1971. 368 с
8. Остапенко Г.С. Усилительные устройства .-М.:Радио и связь ,1989. 400 с
9. Войшивилло Г.В. Усилительные устройства .-М.: Радио и связь ,1983.264 с
