Замок кодово-сенсорный
Цифровые измерительные приборы (ЦИП) - это многопредельные, универсальные приборы, предназначенные для измерения различных электрических величин: переменного и постоянного тока и напряжения, ёмкости, индуктивности, временных параметров сигнала (частоты, периода, длительности импульсов) и регистрации формы сигнала, его спектра.
В цифровых измерительных приборах входная измеряемая аналоговая (непрерывная) величина автоматически преобразуется в соответствующую дискретную величину с последующим представлением результата измерения в цифровой форме.
По принципу действия и конструктивному исполнению цифровые приборы разделяют на электромеханические и электронные. Электромеханические приборы имеют высокую точность, но малую скорость измерений. В электронных приборах используется современная база электроники.
Несмотря на схемные и конструктивные особенности, принцип построения цифровых приборов одинаков (см. рис. 1).

Рис. 1. Структурная схема цифрового прибора
Измеряемая величина X поступает на входное устройство прибора ВУ, где происходит масштабное преобразование. С входного устройства сигнал поступает на аналого-цифровой преобразователь АЦП, где аналоговый сигнал преобразуется в соответствующий код, который отображается в виде числового значения на цифровом отсчетном устройстве ЦОУ. Для получения всех управляющих сигналов в цифровом приборе предусмотрено устройство управления (УУ) (на рис. 1 не показано).
Входное устройство цифрового прибора устроено аналогично электронному прибору, а в некоторых конструкциях на его входе используется фильтр для исключения помех. (4,83)
В зависимости от принципа аналого-цифрового преобразования (АЦП) цифровые измерительные приборы разделяют на устройства прямого преобразования и компенсационные (с уравновешивающим преобразованием).
Основными элементами ЦИП являются триггеры (электронное устройство с двумя устойчивыми состояниями), дешифраторы (преобразователь кода с одним основанием в код с другим основанием) и знаковые индикаторы (преобразователь
электрического сигнала в световой). Несколько знаковых индикаторов образуют цифровое отсчетное устройство. К наиболее важным характеристикам ЦИП относятся: разрешающая способность, входное сопротивление, быстродействие, точность, помехозащищенность. Разрешающая способность ЦИП определяется изменением цифрового отсчета, приходящегося на единицу младшего разряда. Входное сопротивление ЦИП характеризует мощность, потребляемую им от объекта измерения. Быстродействие ЦИП оценивается числом измерений в секунду. Точность измерений ЦИП отражает близость их результатов к истинному значению измеряемой величины. Класс точности ЦИП определяется пределом допускаемой относительной погрешности

где c, u, d - постоянные числа, характеризующие класс точности ЦИП соответственно в конце и начале диапазона;
Хк - конечное значение диапазона. Класс точности обозначается в виде дроби c/d, например класс 0,02/0,01.
Помехоустойчивость ЦИП определяется степенью подавления помех на его входе и характеризуется коэффициентом подавления помех
K=20lg(Enoм /U0),
где ЕП0М- амплитудное значение помехи на входе прибора; U0 - эквивалентное входное постоянное напряжение, вызывающее такое же изменение показаний прибора, что и ЕПОМ.
Достоинства: высокая чувствительность (по напряжению постоянного тока 1 нВ, по напряжению переменного тока 1 мкВ, по постоянному току 1 нА, по переменному току 5 мкА, по сопротивлению постоянному току 10 мкОм, по частоте от долей Гц). Высокая точность измерения (ЦИП подразделяют на восемь классов точности: 0,005; 0,01; 0,02; 0,05; 0,1; 0,2; 0,5; 1,0). Удобство и объективность отсчета и регистрации; возможность дистанционной передачи результата измерения в виде кодовых сигналов без потери точности; возможность сочетания ЦИП с вычислительными машинами и другими автоматическими устройствами, высокая помехозащищенность.
Недостатки: сложность устройств и, следовательно, высокая их стоимость, невысокая надежность.
Основные усилия разработчиков направлены на повышение надежности и создание ЦИП с расширенными функциональными возможностями, обеспечивающих максимум эксплуатационных удобств, что связано с широким применением микроэлектроники и микропроцессорной техники.
1. КОНЦЕПЦИЯ ПОСТРОЕНИЯ «ИНТЕЛЛЕКТУАЛЬНЫХ» ЗДАНИЙ
На сегодняшний день всё большее распространение получает термин «интеллектуальное здание» - то здание, оснащенное средствами автоматического контроля над всеми системами жизнеобеспечения. Комплекс жизнеобеспечения интеллектуального здания образуют следующие системы:
- защиты от проникновения с подсистемами: защиты периметра, контроля доступа в здание или отдельные помещения (кодовые замки, домофоны) и обнаружения незаконного проникновения внутрь и перемещения по зданию (различного рода сенсоры);
- внешнего и внутреннего видеонаблюдения (видеокамеры, видеосерверы);
- противопожарная (пожарные датчики, автоматические разбрызгиватели);
- контроля за расходом воды и электроэнергии (управляемые счетчики, предназначенные не только для визуального контроля, но и для передачи измеренных параметров на вышестоящий уровень АСУ;
- информационная (обеспечивает доступ к сетевым ресурсам);
- управления силовым оборудованием и освещением (освещение внутри здания, внешняя подсветка, лифты);
- климатического контроля и вентиляции;
- телефонная, с выходом в городскую телефонную сеть
и прочее специфическое оборудование, не влияющее на безопасность и функционирование здания.
Контроль над работой систем может быть распределенным или централизованным. Так, вахтер или местная охрана могут управлять системами видеонаблюдения, контроля доступа и защиты от проникновения; ответственный за пожарную безопасность - противопожарной системой, а администратор локальной сети - доступом пользователей сети здания к внешним и внутренним информационным ресурсам, например Интернету.
«Интеллектуальное» здание от автоматизированного отличается, главным образом, возможностью программировать управляющие системы таким образом, чтобы реакция на события внутри периметра здания происходила по заранее определенному сценарию. Любая из подсистем такого здания либо функционирует полностью автономно, фиксируя свои действия в журнале событий, либо оперативно взаимодействует с оператором, запрашивая у него подтверждение действий. (5)
Все системы жизнеобеспечения могут охватываться единой кабельной структурой, либо каждая из них будет построена на своих кабелях. Общей средой передачи информации может служить, например, коммутируемая сеть Ethernet. Однако надежность системы в целом в этом случае будет ниже, так как при повреждении кабельной проводки нарушается функционирование всех систем, подключенных к данному сегменту кабеля. Как правило, создается шесть независимых кабельных структур (информационная сеть здания - обычно Ethernet; замкнутая петля пожарной системы 2x2 провода; замкнутая петля системы защиты от проникновения; замкнутая петля сервисных служб - контроль освещения, расхода электроэнергии, воды; сеть передачи информации от системы видеонаблюдения; телефонная сеть здания.
В некоторых случаях на небольших или имеющих универсальный пожарно-охранный контроллер объектах может использоваться одна и та же кабельная проводка для противопожарной и охранной систем.
Система видеонаблюдения может быть совмещена с информационной сетью здания. В этом случае для ограничения доступа к видеоданным коммутаторы локальной сети здания (центральный и этажные коммутаторы, если таковые имеются) должны иметь функцию виртуальных локальных сетей (VLAN). Однако отдельные видеокамеры могут предоставляться для совместной эксплуатации.
В связи с бурным развитием IP-телефонии и новыми интеграционными возможностями телефонная сеть здания также иногда, особенно в офисах, объединяется с информационной сетью. Ведущие производители телекоммуникационного оборудования уже выпустили в продажу устройства, подобные телефонам, но подключающиеся к локальной сети.
Системы управления домовой автоматикой (СУДА), к которым можно отнести пожарную систему, охранную систему и сервисные службы, функционируют на всех уровнях модели открытых систем по единым принципам.
На физическом и канальном уровне СУДА представляет собой один или несколько сегментов, разделенных функционально и физически (территориально).
Важно отметить, что идеология построения «интеллектуальных» зданий может быть использована при проектировании систем управления жизнеобеспечением различных строений: жилых, офисных или промышленных.
Описанная структура представляет собой наиболее общий случай системы управления зданием. Конкретная реализация идеологии «интеллектуального здания» в значительной мере зависит от требований заказчика.
Однако подобного рода разработки требуют не только больших временных затрат, но и финансовых вливаний. Разрабатываемый кодово-сенсорный замок в какой-то степени позволяет не допускать бесконтрольного посещения какого-либо объекта.
2. ВЫБОР И ОБОСНОВАНИЕ СТРУКТУРНОЙ СХЕМЫ
2.1. Источник питания
Структурная схема источника питания представлена на рис. 2.1.

Рис. 2.1. Структурная схема блока питания
ПТ – понижающий трансформатор. Устанавливает уровень требуемого выходного напряжения. Снижает электробезопасность источника питания и потребителя.
ВБ – выпрямительный блок. Используют элементы (в основном полупроводниковые диоды) обладающие вентельными свойствами, то есть односторонней проводимостью. Преобразуют синусоидальное напряжение в пульсирующее однополярное, которое содержит в своем составе постоянную составляющую, первую и высшую гармонические составляющие.
СФ – сглаживающий фильтр. Предназначен для уменьшения пульсации выпрямленного напряжения.
С – стабилизатор напряжения. Исключает влияние внешних и внутренних факторов на стабильность выходного напряжения (колебание входного напряжения, температуры, влажности, «старения» элементов).
Н – нагрузка. Может носить активный, емкостной или индуктивный характер, который существенно влияет на работу источника питания.
2.2. Кодово-сенсорный замок.

Рис. 2.2. Структурная схема замка
СП – сенсорная панель. Служит для набора правильной комбинации кода, чтобы открыть замок.
ИП – источник питания. Предназначен для питания замка.
П – преобразователь. Основное его предназначение – преобразование правильной последовательности кода, набираемой на сенсорной панели в сигнал для срабатывания реле.
Р – реле. Используется для приведения в движение при правильном наборе кода запорного механизма.
ЗМ – запорный механизм. Служит для закрытия и открытия двери.
3. ВЫБОР И ОБОСНОВАНИЕ ПРИНЦИПИАЛЬНОЙ СХЕМЫ
3.1. Источник питания.
Для большинства цифровых устройств необходим источник питания. При большом потреблении мощности использование как источника гальванических батарей неэкономично. В этом случае постоянное напряжение получают путём трансформирования и выпрямления напряжения сети. Для этой цели в данной приборе используем (см. приложение ФИРЭ.ИИТ.КП602916/с.003) двухполупериодный выпрямитель со средней точкой трансформатора.
К достоинствам можно отнести - используются обе половины переменного напряжения. При этом вырабатывается пульсирующее колебание, в котором отсутствующие в однополупериодной схеме полуволны инвертируются и появляются между положительными полуволнами. Коэффициент пульсации составляет 0,67, для сравнения коэффициент пульсации однополупериодного выпрямителя 1,57.
Чтобы уменьшить пульсации, на выходе выпрямителя, в схему включаем сглаживающий Г - образный RC - фильтр.
Коэффициент сглаживания показывает, во сколько раз фильтр уменьшает пульсации выпрямленного напряжения.
,
где
,
,
,
- коэффициенты пульсаций и амплитудные значения напряжения на входе и выходе фильтра.

Схемы стабилизации используются во многих, но не во всех источниках питания. Для обеспечения устойчивости выходного напряжения постоянного тока в условиях изменяющейся нагрузки, колебаниях напряжения в сети используем стабилизатор в виде интегральной микросхемы.
Включим в схему резистор R1 являющимся датчиком тока в схеме защиты от перегрузок.
На выходе схемы установим конденсатор С2, служащий для снижения уровня пульсаций выходного напряжения, а так же повышения устойчивости стабилизатора.
С помощью переменного резистора R5 можно будет производить более точную регулировку выходного напряжения.
3.2. Кодово-сенсорныйзамок
Для приведения в действие исполнительного механизма замка достаточно в определенной последовательности дотронуться пальцем сенсоров Е2...Е5. При этом необходимо касаться во время набора кода сенсора Е1 либо пар сенсоров: Е2, Е1; ЕЗ, Е1; Е4, Е1; Е5, Е1. При касании сенсоров Е2, Е1 положительное напряжение через цепь Rl, VD1, сопротивление кожи, VD2, R2 поступит на вход элемента DD1.1. В результате триггер DD3.1 установится в «единичное» состояние и подготовит элемент DD5.2. В связи с этим после касания сенсоров ЕЗ, Е1 триггер DD3.2 также установится в «единичное» состояние.
Аналогично касание сенсоров El, E4 и El, E5 приведет к установке в «единичное» состояние соответственно триггеры DD4.1 и DD4.2. Уровень логической 1 на прямом выходе триггера DD4.2 открывает ключ VT1, и реле К1 своими контакторами включает исполнительный механизм замка. В данном устройстве элементы DD6.1...DD6.3 служат для сброса всех триггеров при нарушении последовательности набора. Для этой же цели служат сенсоры Е6...Е10, при касании к любому из них все триггеры обнуляются.
Цепь R12, С6 играет двойную роль. Она предотвращает ложное срабатывание замка при включении питания (устанавливает триггеры в «нулевое» состояние) и обеспечивает включение исполнительного механизма на определенное время, задаваемое постоянной времени цепи R12, Сб. Этого времени должно быть достаточно для того, чтобы засов замка, связанный с сердечником электромагнита, приготовился защелкнуться. Помещение закрывают, захлопывая двери, аналогично некоторым типам механических замков. Цепь Rl3, C7 предотвращает возможный сброс триггера DD4.2 при включении электромагнита, поскольку замок и электромагнит имеют общее питание.
Устройство собрано на микросхемах КМОП структуры, поэтому характеризуется малым потреблением электроэнергии. В проектируемом кодовом замке используем микросхемы К561ЛА7, К561ЛА9, К561ЛЕ5, К561ТМ2.
В основе всех цифровых микросхем КМОП находятся элементы И, И, ИЛИ и коммутативный ключ. С помощью КК реализуются выходы с третьим состоянии очень большого выходного импеданса Z (практически разомкнуто). Полевые транзисторы можно соединять последовательно «столбиком», поэтому элементы И, ИЛИ строятся по разным схемам.
Для КМОП принято, чтобы 1 отображалась высоким уровнем, а 0 – низким.
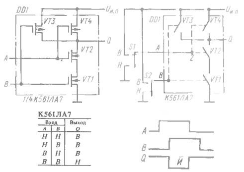
Один двухвходовый канал И из микросхемы К561ЛА7 (см. рис. 3.2.) содержит четыре разноканальных полевых транзистора: VT1 и VT2 – n, а VT3, VT4 – p –канальные. На эквивалентной ключевой схеме выходы А и В получают четыре возможных логических сигнала от переключателей S1 и S2.
Рис. 3.2. Принцип действия микросхемы К561ЛА7
Если последовательно перебрать все комбинации напряжений высоких и низких уровней, поступающих на входы А и В от S1 и S2, и рассмотреть уровни на выходе Q, получим таблицу состояний инвертора И. Когда от S1 и S2 на входы А и В поданы напряжения высокого уровня В, n – каналы транзисторов VT1 и VT2 будут замкнуты, а каналы VT3 и VT4 разомкнуты. На выходе Q окажется напряжение низкого уровня Н. Если на вход А или В поступает хотя бы один низкий уровень, один из каналов VT3 или VT4 оказывается замкнутым и на выходе Q появляется напряжение высокого уровня. В результате вертикальная колонка данных на выходе соответствует функции И. Если на входы А и В подать два положительных импульса, сигнал на выходе Q будет соответствовать площади их совпадения (но с инверсией).
Устройство базового элемента ИЛИ (это один канал микросхемы К561ЛЕ5), как бы обратное по сравнению с элементом И: здесь параллельно соединены n – канальные и последовательно p – канальные транзисторы. На эквивалентной схеме (см. рис.) только совпадение низких входных уровней на входах А и В даст высокий уровень на выходе Q, так как в этот момент замыкаются оба верхних p – канальных транзистора VT1 и VT2. Присутствие хотя бы одного высокого уровня В на входах А, В означает замыкание одного из параллельных n – канальных транзисторов VT3, VT4.

Рис. 3.3. Устройство микросхемы К561ЛЕ5.
Состояние выхода Q в зависимости от уровней, последовательно поступающих от переключателей S1 и S2, дают столбик данных, соответствующих функции ИЛИ. Осциллограмма отклика на выходе ИЛИ показывает, что длительность действия инвертированного сигнала на выходе Q соответствует времени действия обоих входных сигналов.
Кроме указанных на схеме микросхем можно также применить ИМС серий К564, К561. Конденсаторы С1...С5 типа KM, C6...C8 типа К5О-16, , резисторы - МЛТ-0,25.
В качестве реле К1 используется реле РЭС59 (паспорт ХП4.500.021.01) с характеристиками Rном = 130 Ом, Iср = 11 мА, Iош = 1 мА, Uраб = 2.1…2.7 В и временными параметрами tср = 20 мс и tот = 12 мс.
Кодонабиратель представляет собой прямоугольную пластину из изолирующего материала, на которой размещены 10 сенсоров. Если длина соединительных проводов между кодонабирателем и корпусом замка имеет значительную длину (более 300 мм), то для повышения помехоустойчивости их желательно экранировать.
Собранный замок практически не требует налаживания. Может лишь возникнуть необходимость в более точном подборе величин резисторов R12, R13. Для смены кода кодонабиратель соединяют с замком через переключатель.
4. РАСЧЁТНАЯ ЧАСТЬ.
4.1. Блок питания.
Определим значение тока через вторичную обмотку трансформатора по формуле:
, где
Iн – максимальный ток нагрузки, 0,5 А.
Необходимо определить номинальную мощность:
, где (7)
U2 – напряжение на вторичной обмотке, В;
I2 – максимальный ток через вторичную обмотку трансформатора, А.
Действующие значения напряжений на вторичных обмотках трансформатора
![]()
Мощность же на вторичных обмотках находится по формуле
![]()
Коэффициент использования трансформатора составляет Ктр = 0,674. Имеем

Pн – номинальная мощность, Вт.
Pтр – мощность трансформатора, Вт
Найдём коэффициент трансформации по формуле

Рассчитаем необходимую площадь сечения сердечника магнитопровода
![]()
Подсчитаем число витков первичной и вторичной обмотках по формуле


где U1, U2 – напряжения на первичной и вторичной обмотках соответственно.
S – площадь сечения магнитопровода, см2.
Необходимо найти диаметр проводов обмоток трансформатора по формуле:
, где
I – ток через обмотку, мА.
Получаем диаметр провода равный 0,6 мм.
После этого можно приступить к подбору трансформаторного железа и провода, изготовлению каркаса и выполнению обмоток. Но следует иметь в виду, что Ш – образные трансформаторные пластины имеют неодинаковую площадь окна, поэтому нужно проверять, подойдут ли выбранные пластины для трансформатора.(7)
Для этого мощность трансформатора умножим на 50, получится необходимая площадь окна:
![]()
Полученное переменное напряжение и ток необходимо выпрямить.
По закону Ома определим сопротивление нагрузки

Преобразование переменного тока в постоянный производится при помощи полупроводниковых диодов.
Ток через диоды составляет

Выбираем два диода КД202Г, который обеспечивает выпрямленный ток Iпр = 3,5 А, выдерживающий обратное напряжение 70 В, прямое падение напряжения Uпр = 0,9 В, обратный ток Iобр = 0,8 мА, порог выпрямления Епор = 0,35 В.
Прямое сопротивление вентиля

Для сглаживания пульсаций, остающихся после выпрямления, используются схемы фильтрации. В схеме используем Г – образный RC фильтр.
Найдём напряжение на входе фильтра
![]()
Определим сопротивление электрического фильтра по формуле:
![]()
Ёмкость конденсатора, входящего в состав фильтра находим как
, где
f – частота сети, 50 Гц.
m – отношение частоты пульсаций основной гармоники к частоте сети, 2.
Rф – сопротивление электрического фильтра.
Rн – сопротивление нагрузки.

В качестве интегрального стабилизатора для фиксации напряжения питания ДА1 выбираем К142ЕН1 с параметрами: Uвх = 15…30 В, Uвых = 3…12 В, максимальный пропускаемый ток Imax = 0,1 А, максимальная рассеиваемая мощность Pmax = 0,8 Вт, коэффициент нестабильности напряжения по выходу микросхемы Кнс= 0,5.
Выходной ток микросхемы ДА1 не соответствует заданному и для его повышения устанавливаем последовательно с нагрузкой регулирующий транзистор VТ1 c n – p – n проводимостью.
Ток транзистора определяем как
где
Iвн– ток, потребляемый схемой стабилизатора, составляет 0,006 А.
Определим минимальное напряжение на входе стабилизатора. Оно должно быть:
, где
Uп – амплитуда пульсаций на входе стабилизатора;
Uкэ min – минимальное падение напряжения на открытом транзисторе, 2 В.
![]()
Получаем
U01 min³ 9 + 2 + 1,1 = 12,1 В
Найдём номинальное входное напряжение на стабилизаторе по формуле:
,
где ![]()

Максимальная рассеиваемая мощность на транзисторе можно рассчитать как
![]()
По найденным значениям выбираем транзистор КТ827А со следующими параметрами Uк э max = 100В, Iк max = 20 A, Pkmax = 125Вт, h21 э min= 850, h21 э max= 18000.
Определим ток базы транзистора по формуле

что значительно меньше допустимого тока нагрузки микросхемы ДА1 – 0,05 А.
Чтобы транзистор при номинальном токе нагрузки был закрыт и не влиял на работу стабилизатора, а открывался лишь при Iн = Iпор, пороговый ток должен заметно отличаться от номинального значения.
![]()
Сопротивление R1 определяет напряжение на эмиттерном переходе транзистора. Это напряжение пропорционально току нагрузки, поскольку резистор R3 включен последовательно с ней

Устанавливаем самодельный проволочный резистор из манганина.
Отношение R2/R3 выбираем таким, чтобы при номинальном токе нагрузки напряжение между выводами микросхемы 10 и 11 было близким к нулю.
U10-11 = UR1 + Uбэ1 - UR2 = UR3 - Uвых» 0
Принимаем R3 = 2,4 кОм
UR1 = Iн * R1 = 0,5 * 0,45 = 0,23 В
Uбэ1 = 0,5 В
UR2 = UR1 + Uбэ1 = 0,23 + 0,5 = 0,73 В
Ток делителя R2, R3

Выходной конденсатор С2 также как и С1 повышает устойчивость стабилизатора и уменьшает пульсации на выходе. Изготовитель микросхемы К142ЕН1 рекомендует ёмкость конденсатора С1 = 0,1 мкФ. Подобную ёмкость можно использовать и для конденсатора С2. Тип конденсаторов К73 – 24.
5. ЗАПОРНЫЕ УСТРОЙСТВА
Запорное устройство, выполнение на базе соленоида. Рассчитано оно на рабочее напряжение. Представление о конструкции запирающего устройства дает его сборочный чертеж (в разрезе), показанный на рисунке 3. Характерная особенность запорного устройства - минимальная постоянная сила тяги (около 3 кг) при номинальном напряжении источника питания обмотки соленоида. Это достигнуто применением соленоида с конусным плунжером при минимальном зазоре магнитной цепи. Конструкция длинно-ходового соленоида позволяет получить практически постоянную силу тяги на всем пути плунжера. Оставлять на длительное время плунжер втянутым (обмотка под напряжением) не рекомендуется, так как соленоид потребляет значительный ток - около 1 А. Поэтому, чтобы он не перегревался, после открытия двери электронную часть кодового замка необходимо привести в исходное состояние. Применяемые запирающие устройства имеют, как правило, сходную механическую конструкцию и принцип действия.

Рис. 5.1. Запорное устройство:
1 — стопорный винт плунжера; 2 — переходник; 3 — гайка поджимная; 4 — хвостовик; 5 — конический упор; 6 — пружина; 7 — стакан; 8 — плунжер; 9 — латунная трубка (толщина стенки не более 0,5 мм); 10 — обмотка соленоида; 11 — втулка; 12 — корпус; 13 — накладка
6. РАЗРАБОТКА И МЕТОД ИЗГОТОВЛЕНИЯ ПЕЧАТНЫХ ПЛАТ
В процессе изготовления плата подвергается действию химических реагентов: при больших размерах платы, возможно, ее коробление.
Размеры и очертания печатных проводников и элементов, контактных площадок, монтажных и контактных отверстий и тому подобное на чертежах печатных плат указывают с помощью координатной сетки в прямоугольной системе координат. Правила выполнения чертежей печатных плат (ГОСТ 2.417-68) предусматривается также нанесение координатной сетки в полярной системе координат и указание размеров при помощи размерных выносных линий. Допускается комбинированный способ нанесения размеров.
По ГОСТ 10317-72 шаг координатной сетки в двух взаимно перпендикулярных направлениях должен равняться 2,5мм. Для особо малогабаритной аппаратуры, а так же в исключительных, технически обоснованных, случаях применение дополнительного шага 1,25мм.
Схемные детали и печатные проводники размещают на координатной сетке в соответствии с принципиальной схемой. При этом необходимо более экономно использовать площадь платы и избегать пересечения схемой.
Элементы, имеющие большие габариты следует размещать вне платы, а соединение осуществлять монтажным проводом. Все навесные детали обычно располагают с одной стороны платы, а печатные проводники – на другой. На сторону печатных проводников не должны выходить за крепежные детали, так как с этой стороны выполняется пайка. В ряде случаев целесообразно применить двухсторонний монтаж. Конденсаторы, резисторы, перемычки и другие навесные детали располагают параллельно координатной сетке. Расстояние между корпусами параллельно расположенных деталей должно быть не менее 1мм, а расстояние по торцу – не менее 1,5мм. Центры отверстий для установки навесных деталей располагают в точках пересечения координатной сетки.
Конструирование печатной платы начинают с разработки эскиза, который выполняют в увеличенном масштабе (2:1, 4:1 и т.д.). Для всех элементов, входящих в схему, изготовляют в том же масштабе шаблоны из картона и размешают на поле чертежа. После выбора лучшего варианта их расположения, наносят соединительные проводники. Печатные проводники расположенные на другой стороне платы, показывают штриховыми линиями.
Затем составляют чертеж печатной платы. В узлах координатной сетки показывают окружности, соответствующие местам установки навесных навесных элементов.
На изображении печатной платы проводники, экраны, контактные площадки и другие печатные элементы штрихуют. Проводники, ширина которых на чертеже
менее 2мм., изображают сплошной утолщенной линией, равной примерно двум толщинам контурной. Контактные площадки, примыкающие к проводникам, изображены сплошной утолщенной линией, не штрихуют.
Наносим краской, лаком или специальным маркером позитивный рисунок схемы проводников. Последующим травлением в растворе хлорного железа удаляется медь с незащищенных участков, и на диэлектрике получается требуемая электрическая схема проводников.
Подготовка поверхности заготовки к нанесению рисунка заключается в очистке поверхности фольги. Зачистку целесообразно выполнять латунными или капроновыми щетками.
Химический метод при сравнительно простом технологическом процессе обеспечивают высокую прочность сцепления проводников с основанием, равномерную толщину проводников и их высокую электропроводность. В настоящее время химический метод является основными при изготовлении односторонних печатных плат. Недостатки этого метода необходимость в металлических втулках при двухстороннем монтаже и непроизводительный расход меди.
Все детали замка, кроме кодонабирателя, исполнительного механизма и блока питания, смонтированы на печатной плате из двухстороннего фольгированного текстолита размером 90x55 мм (см. приложение ФИРЭ.ИИТ.КП602916/с.002). После сборки плату устанавливают в металлическом корпусе - экране.
ЛИТЕРАТУРА
1. В. М. Пестриков Домашний электрик и не только…Изд. Нит. – Издание 4-е
2. В. Л. Шило Популярные микросхемы КМОП Справочник., М.: «Ягуар» - 1993
3. Горячева Г. А., Добромыслов Е. Р. Конденсаторы: Справочник. – М.: Радио и связь, 1984
4. Раннев Г. Г. Методы и средства измерений: М.: Издательский центр «Академия», 2003
5. http//www.biolock.ru
6. Калашников В. И., Нефедов С. В., Путилин А. Б. Информационно-измерительная техника и технологии: учеб. для вузов. – М.: Высш. шк., 2002
7. http://www.gelezo.com
