Проектирование многопустотной железобетонной плиты перекрытия
1. РАЗБИВКА БАЛОЧНОЙ КЛЕТКИ И ВЫБОР ОПТИМАЛЬНОГО ВАРИАНТА
1.1 Исходные данные для проектирования
Здание больницы шестиэтажное с неполным железобетонным каркасом с кирпичными стенами. Расстояние в свету между стенами 18x21,4 м. Высота этажа 3,6 м. Нормативная нагрузка 3,8 кН/м2, в том числе длительная нагрузка 1,8 кН/м2 (1, прил. 1). Коэффициент надежности по нагрузке γf=1,3 (2, п. 3.7). Коэффициент надежности по назначению здания γп =1,0 (1, прил. 6). Плиты многопустотные с круглыми пустотами.
Таблица 1 – Характеристики элементов
| Сборная плита | Ригель | Колонна | Фундамент | |
| Класс бетона | В25 | В20 | В25 | В20 |
| Класс арматуры | АIV | AIII | AIII | AIII |
1.2 Варианты разбивки балочной клетки
Первый вариант – балки расположены вдоль помещения (рис. 1.1). Характеристики варианта: плиты 6,00х1,20 – 10 шт., 6,00х1,50 – 14шт., 6,30х1,20 – 5 шт., 6,30х1,50 – 7шт.; связевые плиты 6,00х2,20 – 4 шт., 6,3х2,2 – 2 шт.; пролет балок (по осям колонн) 7,40 м.
Второй вариант – балки расположены поперек помещения (рис. 1.2). Характеристики варианта: плиты 5,40х1,20 – 32 шт., 5,40х1,50 – 4шт., 5,40х2,20 – 4 шт.; связевые плиты 5,40х2,20 – 8 шт.; пролеты балок (по осям колонн) 5,4 м.

Рисунок 1.1. Расположение балок вдоль помещения

Рис.1.2. - Расположение балок поперек помещения
1.3 Расчет вариантов
Для сравнения вариантов по расходу железобетона, необходимо определить требуемые размеры балок перекрытия в обоих вариантах при одинаковом коэффициенте армирования. Экономическое значение этого коэффициента для балок равно μэ = 1,2 – 1,8 %.
1.3.1 Сбор нагрузок на 1 м2 перекрытия
Нормативную нагрузку от собственного веса пола принимаем по (1, прил. 2): керамический пол – 1,2 кН/м2. Собственный вес плиты принимаем по (1, прил. 3): плита с круглыми пустотами - 2,5 кН/м2. Сбор нагрузки на 1 м2 перекрытия представлен в табличной форме (табл. 1.1).
Таблица 1.1 - Сбор нагрузок на перекрытие
| Нагрузка | Нормативная нагрузка, кН/м2 | γf | Расчетная Нагрузка, кН/м2 |
| Постоянная | |||
| Керамическая плитка | 0,3 | 1,1 | 0,33 |
Слой цементного раствора 0,03х22кН/м3 | 0,66 | 1,3 | 0,85 |
| Звукоизоляция | 0,24 | 1,2 | 0,28 |
| Многопустотная плита с круглыми пустотами | 2,5 | 1,1 | 2,75 |
Итого γn=1 | 3.70 | 4,21 | |
| Временная | 3.8 | 1,2 | 4.56 |
| в том числе длительная | 1.8 | 1.2 | 2.16 |
| кратковременная | 2.0 | 1,2 | 2.4 |
| Полная | 7.5 | 8.77 | |
| в том числе постоянная и длительная | 5.5 | - | |
| кратковременная | 2.0 | – |
1.3.2 Расчет первого варианта
Назначение предварительных размеров балки. Высота:
![]()
7,4м=0,925…0,616 м.
Принимаем h = 0,7 м. Ширина:
м.
Принимаем b = 0,3 м.
Собственный вес 1 погонного метра балки равен:
Qb = b h γ = 0,3 x 0,70 x 25 = 5,25кН/м,
где γ =25 кН/м3 – удельный вес бетона.
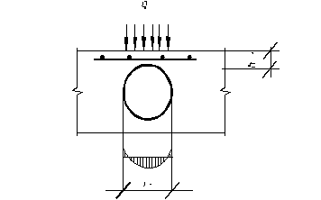
Расчетная нагрузка на погонный метр балки (рис. 1.3) равна:
8,77+5,25х1,1= 59,05 кН/м.

Рис. 1.3 - Нагрузка на погонный метр балки.
Момент в первом пролёте:
![]()
во втором пролете:
![]()
Принимаем μэ = 1,5 %. Тогда:
![]()
где
МПа (3, табл. 22);
МПа (3, табл. 13); γb2=0,9 (3, табл. 15)
Определяем значение h0:
(3, формула (25))
где
(2, формула (26))
Так как
(0,528 < 0,628), то
;
=0,47 м.
и h = h0 + a = 0,47+0,055=0,525 м. Принимаем h = 0,55 м.
1.3.3 Расчет второго варианта
Оставим как и в первом варианте, предварительные размеры балки 0,3х0,70м. Тогда:
Расчетная нагрузка на погонный метр балки равна:
8,77+5,25х1,1=52,69 кН/м.
Момент в пролёте:
;
Принимая μэ = 1,5 %, имеем:
,
,
;
=0,38 м.
h=h0+a=0,38+0,055=0,435 м. Принимаем h = 0,45 м.
1.4 Сравнение вариантов
Поскольку расход железобетона на плиты остается постоянным для обоих вариантов (перекрывается одинаковая площадь), сравнение производится по расходу железобетона на балки и колонны (пределах этажа). Размер сечения колонны принимается 0,25 м.
Данные по сравнению вариантов сведены в таблицу 1.2.
№ вар-та | Наименование деталей | Кол-во штук | Сечение м2 | Длина м | Расход железобетона, м3 |
| 1 | Балки крайние | 4 | 0,3 х 0,55 | 7 | 4,62 |
| Балки средние | 2 | 0,3 х 0,55 | 7,4 | 2,442 | |
| Колонны | 4 | 0,3 х 0,3 | 3,60 | 0,9 | |
| Плиты | 42 | – | – | – | |
| Итого | – | – | – | 7,962 | |
| 2 | Балки крайние | 6 | 0,3 х 0,45 | 6 | 4,86 |
| Балки средние | 3 | 0,3 х 0,45 | 6 | 2,43 | |
| Колонны | 6 | 0,3 х 0,3 | 3,6 | 1,35 | |
| Плиты | 48 | – | – | – | |
| Итого | – | – | 8,38 | ||
Таблица 1.2 - Сравнение вариантов
Вывод: По расходу железобетона и количеству деталей принимаем 1-й вариант.
2 РАСЧЕТ ПРЕДВАРИТЕЛЬНО НАПРЯЖЕННОЙ ПЛИТЫ С КРУГЛЫМИ ПУСТОТАМИ
2.1 Исходные данные, характеристики материалов и технология изготовления плиты
Пролет плиты – 6,3 м.
Ширина плиты – 1,5 м.
Ширина балок – 0,3 м.
Класс бетона – В25.
Расчетное сопротивление бетона RB = 14,5 МПа (3, табл. 13),
RBt = 1,05 МПа (3, табл. 13).
Сопротивление бетона при расчете по 2-ой группе предельных состояний: RB,ser = 18,5 МПа (3, табл. 12), RBt,ser = 1,6 МПа (3, табл. 12). Модуль деформации бетона ЕB = 27000 МПа (3, табл. 18). Класс предварительно напрягаемой арматуры А-IV.
Сопротивление напрягаемой арматуры: RSP=510 МПа и RSС=450 МПа (3, табл. 22), RS,SER=590 МПа (3, табл. 19). Модуль деформации ES=190000 МПа (3, табл. 29). Класс ненапрягаемой арматуры Вр-I. Влажность воздуха окружающей среды менее 75% - γb2=0,9 (3, табл. 15). Формирование плит на металлическом поддоне с теплообработкой – в тоннельных камерах. Натяжение арматуры – на упорах электротермическим способом.
Нагрузка на 1 м2 плиты приведена в таблице 1.1.
2.2 Назначение основных размеров плиты
Расчетный пролет (крайняя плита):
м
Высота плиты:
,
где k = 8 ... 10 (пустотные плиты); qn – нормативная продолжительная нагрузка (постоянная и длительная) в кН/м2; Vn – нормативная кратковременная нагрузка в кН/м2.
м.
Принимаем hn = 0,25 м.
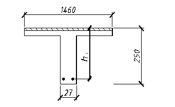
Основные размеры поперечного сечения плиты (назначены по рекомендациям (1, прил. 3)) показаны на рис. 2.1.
Проверка: 7 х 170 + 6 х 30 + 2 х 60=1490 мм.

Рис. 2.1 Поперечное сечение плиты
2.3 Расчет по 1-ой группе предельных состояний
2.3.1 Расчет полки плиты на изгиб
Для расчета выделяют полосу плиты шириной в один метр. Сбор нагрузок на полку плиты приведён в таблице 1.3.
Таблица 1.3 Загружение полки плиты
Наименование нагрузок | qn кН/м | gf | q кН/м |
| Вес пола (см. табл. 1) | 1,2 | - | 1,46 |
| Вес полки (0,03´25) | 0,75 | 1,1 | 0,825 |
| 3. Временная нагрузка | 3,8 | 1,2 | 4,56 |
Итого ´ gn | 5,75 | 6,845 |
Изгибающий момент (рисунок 2.2):
кНм

Рис. 2.2 - Схема работы полки плиты
Полезная высота сечения при расположении арматуры в середине полки:
м.
Подбор сечения арматуры:
![]()
![]()
м2.
Принимаем минимальную сварную сетку по ГОСТ 8478-8 (4, приложение VII)
(Аs=0,65 см2).
2.3.2 Предварительный подбор сечения продольной арматуры
Изгибающий момент в середине пролета:
кНм.
В расчетах по предельным состояниям первой группы расчетная толщина сжатой полки приведенного таврового сечения (рис. 2.3) принимается равной фактическому значению (
). Ширина полки bf’, вводимой в расчет, принимается равной всей ширине верхней полки плиты, так как имеет место:
(3, п.3.16). Ширина ребра b=1,46 - 7´0,17 = 0,27 м.

Рис. 2.3 - Сжатая полка сечения плиты
Предположим, что нейтральная ось проходит в пределах полки (I случай), то есть
(1, 3.3).

где
см
![]()
см, подтверждается 1-ый случай расчета.
Для вычисления коэффициента условия работы gsb по формуле
, (3, 27)
принимаем предварительно xR=0,55. Для арматуры класса A-IV коэффициент h=1,2 (3, п.3.13). Тогда
Принимаем gsb=1,2.
Требуемое сечение арматуры равно:
![]()
Принимаем 6Æ10A-IV (Asp=4,74 см2) (прил. 4). Размещение арматуры приведено на рисунке 2.4.

Рис. 2.4 - Размещение рабочей арматуры.
2.3.3 Определение характеристик приведённого сечения
Заменяем пустоты равновеликими по площади и моментам инерции прямоугольниками. При круглых пустотах диаметрами d сторона квадратного отверстия равна: hred=0,9d=0,9´17=15,3 см.
Толщина полок, приведенного сечения hf = hf’=(25-15,3)´0,5=4,85 см.
Ширина ребра 146-7´15,3=38,9 см (рисунок 2.4).
(3, п. 4.5)
![]()

Рис. 2.4. Приведенное сечение плиты
Приведенная площадь сечения:
![]()
м2.
Приведенный статический момент относительно нижней грани сечения:
![]()
м3.
Положение центра тяжести приведенного сечения:
м.
Приведенный момент инерции:
![]()

Момент сопротивления по нижней зоне
м3,
то же по верхней зоне
м3.
2.3.4 Назначение величины предварительного напряжения арматуры
Для арматуры должны выполняться условия:
и
(3, 1)
где значение допустимых отклонений Р при электротермическом способе принимается (3, п.1.23):
МПа (3, 2). Тогда
МПа,
МПа.
Принимаем ssp =500 МПа.
2.3.5 Определение потерь предварительного напряжения
Первые потери (
):
1. От релаксации напряжений арматуры. При электротермическом натяжении стержневой арматуры:
s1=0,03ssp=0,03´500=15 МПа (3, поз.1 табл.5).
2. От температурного перепада потери не учитываются, так как форма с изделием подогревается в тоннельной камере до одинаковой температуры.
3. От обмятия анкеров. При электротермическом способе натяжения в расчете не учитывается
(3, табл.5, поз.3).
4. От сил трения арматуры. При натяжении на упоры и отсутствии огибающих приспособлений не учитываются
(3, табл.5, поз.4).
5. От деформации стальной формы. При электротермическом способе натяжения в расчете не учитываются
(3, табл.5, поз.5).
6. От быстронатекающей ползучести бетона (3, табл.5, поз.6). Напряжения в бетоне на уровне центра тяжести предварительно напряженной арматуры sbp равны
МПа, (4, п.33)
где
м,
кН,
МПа.
Передаточная прочность бетона Rbp для арматуры A-IV назначается по (3, п.2.6) из условия Rbp³ 11 МПа, Rbp³ 0,5B25 =12,5 МПа.
Принимаем Rbp=12,5 МПа.
.
Так как
, то
МПа
Суммарные первые потери
МПа.
Вторые потери:
7. От усадки бетона (3, табл.5, поз.8). Для В25 < В35 и при тепловой обработке изделия при атмосферном давлении s8=35 МПа.
8. От ползучести бетона (3, табл.5, поз.9).
МПа,
где
кН
Так как sbp/Rbp=2,28/12,5=0,182 < 0,75, то
МПа,
где a = 0,85 - при тепловой обработке бетона.
Суммарные вторые потери slos2 = 23,25 + 35 = 58,25 МПа.
Общие потери slos=slos1 + slos2 =22,42 + 58,25 =80,67 МПа. В соответствии с (3, п.1.2.5) принимаем slos = 100 МПа.
2.3.6 Проверка прочности бетона в стадии обжатия
Напряжения в бетоне на уровне крайнего сжатого волокна после отпуска арматуры равны (2, п.1.29):
![]()
МПа (4, п.36)
Т.к. неравенство
(3, табл.7, п.1.29) выполняется, прочность бетона в стадии обжатия обеспечена.
2.3.7 Определение коэффициента точности натяжения арматуры
Коэффициент точности натяжения арматуры gsp определяется по формуле:
. (3, 6)
При электротермическом способе натяжения
, (3, 7)
где np =6 –число стержней напряженной арматуры
тогда gsp = 1 ± 0,12.
2.3.8 Проверка принятого сечения предварительно напряженной арматуры
Ранее было принято xR = 0,55. Необходимо уточнить значения коэффициента xR и площади сечения арматуры Asp.
Коэффициент xR определяем по формуле:
(3, 25 и 69)
где
МПа,
- с учетом полных потерь; при неавтоматизированном электротермическом натяжении арматуры Δ
(3, п.3.28);
![]()
ssc,u= 500 МПа (3, п.3.12).
Поскольку полученное значение совпадает со значением, принятым в п.2.3.2 xR=0,55, то перерасчет арматуры не требуется.
.
2.3.9 Расчет прочности плиты по сечению наклонному к продольной оси по поперечной силе
Расчетная поперечная сила на опоре равна:
кН.
Влияние свесов сжатых полок (при 7 отверстиях, с учетом
)

(3, 77)
Влияние усилия обжатия продольной предварительно напряженной арматуры
, (3, 78)
где
МПа.
Вычисляем
. Принимаем 1,5,
Вычисляем
=
кН.
Так как
кН, то поперечная арматура по расчету не требуется и она ставится конструктивно (3, п.5.27). На приопорных участках длиной
=6,3/4=1,575 м необходимо установить 4 каркаса Æ4Вр-I с шагом
см (рисунок 2.5). В середине пролета поперечная арматура не требуется.

Рис. 2.5 - Распределение поперечной арматуры.
2.3.10 Проверка прочности по сжатой полосе между наклонными трещинами
Расчет производится по формуле:
![]()
кН (3, 72)
где
,
,
=4х0,126х10-4=0,504х10-4м2 – площадь поперечной арматуры.
(3, 74),
где β =0,1 для тяжелого бетона
Условие выполняется, прочность между наклонными трещинами обеспечивается.
2.3.11 Расчет плиты в стадии изготовления
При распалубке и снятии изделия с формы подъемными петлями плита работает, как консольная балка (рис. 2.6). Вылет консоли lc=0,4 м. Изгибающий момент от собственного веса плиты в основании консоли с учетом коэффициента динамичности kd=1,4 (3, п.1.13) равен:
кНм.

Рис. 2.6 - Работа плиты при распалубке
Напряжение в напрягаемой арматуре в сжатой зоне равно:
МПа (3, п.3.14), где при расчете элементов в стадии обжатия ssc,u=330 МПа (3, п.3.12); ssp’ определяется с учетом потерь до обжатия с коэффициентом gsp > 1 (3, п.3.14), то есть
(2.3.7). Таким образом, после обжатия бетона в арматуре остаются растягивающие напряжения.
Усилие предварительного напряжения рассматривается как внешняя сила:
кН.
Изгибающий момент в консоли относительно верхней арматуры
кНм,
Вычисляем ![]()
и
,![]()
где Rb определяется по классу бетона (3, табл.13) равной отпускной прочности Rbp=12,5 МПа; gb8=1,2 (3, табл.15, поз.8).
Требуемое сечение арматуры в верхней зоне плиты, как для внецентренно сжатого элемента:
.
Оставляем ранее принятую арматурную сетку (п.2.3.1).
2.4 Расчет плиты по 2-ой группе предельных состояний
2.4.1.Проверка на образование начальных трещин в сжатой зоне при эксплуатационных нагрузках в стадии изготовления
После освобождения арматуры на упорах под действием силы обжатия Р1 плита изгибается, и в верхней зоне могут возникнуть начальные трещины.
Трещины не возникнут, если удовлетворится условие:
(3, 124),
где момент от внешних сил (собственного веса):
кНм,
Момент силы Р1 относительно ядровой точки, наиболее удаленной от растянутой (верхней) зоны:
кНм,
где Р1=226,32 кН (п.2.3.5);
=0,096 м (п. 2.3.5).
Расстояние до нижней ядровой точки
м; (3, 132)
коэффициент
>1, (3, 145)
максимальное напряжение в сжатом бетоне от внешних сил и сил предварительного напряжения (нижняя зона):
![]()
.
Принимаем j = 1,0.
Определим упруго пластический момент сопротивления
по упрощенной формуле: ![]()
При
и
имеем g = 1,5 (1, прил.5), тогда
м3.
,
6,7896 - 18,6 = -11,81 < 21728
=21,73
где
МПа при отпускной прочности бетона Rbp =12,5 МПа (3, табл.13).
Т.к. неравенство выполняется, то начальные трещины не возникают.
Необходимо также проверить появление начальных трещин в местах установки подъемных петель:
Поскольку Mq=0,42 кНм (п.2.3.11),
![]()
кНм (3, 125), начальные трещины не возникают.
2.4.2 Расчет нормальных сечений на образование трещин при эксплуатационной нагрузке
Изгибающий момент от внешних нагрузок (3, п.4.5) при gf = 1
кНм,
в том числе от длительно действующих нагрузок
кНм
Момент сил обжатия относительно верхней ядровой точки равен:
![]()
кНм, (3, 129)
где Р2 = 189,36 кН (п.2.3.9).
Расстояние до верхней ядровой точки
м (3, 132)
![]()
Принимаем j = 1, (3, 135)
sb - максимальные напряжения в сжатой зоне бетона (верхней)

Упругопластический момент сопротивления относительно нижней растянутой зоны равен:
м3.
Проверка образования трещин производится из условия:
(3, 124),
где
кНм (3, 125).
Так как условие (3, 124) удовлетворяется при длительной части нагрузки
(39 < 61,82), и при полной нагрузке (53,18< 61,82), в элементе трещины не возникают.
2.4.3 Расчет наклонных сечений на образование трещин
Расчет производится в сечении у грани опоры плиты (I-I) и на расстоянии длины зоны передачи напряжений в сечении (2-2) (рис. 2.7). (3, п.4.11)
Длина зоны передачи напряжений равна:
м, (3, 11)

![]()
Рис. 2.7 - Определение напряжения в арматуре.
где
и
(3, табл.28)
МПа (с учетом потерь поз. 1-5) (3,табл.5);
(3, п.2.6).
Определение нормальных напряжений в бетоне от внешней нагрузки и усилия предварительного обжатия на уровне центра тяжести приведенного сечения (У=0): в сечении 2-2
МПа,
в сечении 1-1
МПа,
Определение касательных напряжений в бетоне от внешней нагрузки:
МПа,
кН,

![]()
Значение главных напряжений (растягивающих smt и сжимающих smc) в бетоне: в сечении 2-2
МПа,
МПа,
МПа.
В сечении 1-1:
МПа,
МПа,
МПа.
Определение коэффициента влияния двухосного сложного напряженного состояния на прочность бетона:
в сечении 2-2
; (3, 142)
где a = 0,01 для тяжелого бетона. Принимаем gb4=1, (3, 142),
в сечении 1-1

Принимаем gb4 = 1.
Проверка образования трещин наклонных к продольной оси элемента производится из условия
(3, 141)
В сечении 1-1:
МПа
МПа - трещин нет.
В сечении 2-2:
МПа
МПа - трещин нет.
2.4.4 Определение прогиба плиты при отсутствии трещин в растянутой зоне
Определение кривизны от кратковременной нагрузки (2,0 кН/м2) (3, 4.24)
1/м, (3, 156)
где изгибающий момент от временной нагрузки:
кНм,
jb1 = 0,85 - коэффициент, учитывающий влияние кратковременной ползучести бетона.
Опре
