Проектирование оснований и фундаментов восьмиэтажного жилого дома
Московский Государственный
Строительный Университет
Кафедра: « Механики грунтов, оснований и фундаментов»
Проектирование оснований и фундаментов восьмиэтажного жилого дома
Выполнил: студент группы ПГС – 4 – 8
Крылов А.С.
Принял: Дорошкевич Н.М.
Москва 1999
Вводная часть
В курсовом проекте необходимо запроектировать фундаменты под жилое 8-ти этажное здание с подвалом, несущими конструкциями которого являются колонны сечением 40*40 см.
В проекте необходимо:
- определить физико-механические свойства грунтов строительной площадки и выполнить инженерно-геологический разрез по исходным данным;
- установить нагрузки для расчёта оснований фундаментов по первому и второму предельному состоянию;
- разработать конструктивную схему фундамента мелкого заложения, уточнить величину расчётного сопротивления основания по принятым размерам фундамента, определить предварительные размеры фундамента;
- определить модуль общей деформации по результатам компрессионных и штамповых испытаний;
- выполнить расчет осадок фундаментов и сравнить полученные данные с предельно допустимыми осадками для выбранного варианта фундамента;
- разработать схему свайного фундамента и произвести его расчет;
- произвести технико-экономический расчёт по выбору вариантов фундаментов;
- разработать схемы производства работ по устройству фундаментов.
Оценка инженерно-геологических условий площадки строительства в г. Воронеж
На рисунке показан инженерно-геологический разрез, построенный по данным инженерно-геологических изысканий (по заданию).
1. Определение характеристик грунта
Грунт№1: Скважина 1
(насыпь неслежавшаяся)
![]()
Грунт№2: Скважина 1
(глинистый грунт)
Определяем тип грунта:
грунт: суглинок.
Определяем разновидность грунта:
суглинки полутвердые
Определяем коэффициент пористости:
![]()
По интерполяции определяем
![]()
Грунт№3: Скважина 1 ![]()
Определяем тип грунта:
грунт: суглинок.
Определяем разновидность грунта:
![]()
суглинки текучепластичные
Определяем коэффициент пористости:
![]()
По интерполяции определяем
![]()
Грунт№4: Скважина 2 ![]()
Определяем тип грунта:
Песок мелкий (
); состав:![]()
![]()
Определяем разновидность грунта:
;
вид песчаного грунта: песок плотный
![]()
Определяем разновидность грунта по степени влажности:
![]()
Принимаем
; по влажности песок насыщенный водой ![]()
По СНиП определяем
![]()
Грунт№5: Скважина 2 ![]()
Определяем тип грунта:
грунт: глина.
Определяем разновидность грунта:
глины полутвердые.
Определяем коэффициент пористости:
![]()
По интерполяции определяем
![]()
2. Определение расчетной нагрузки при проектировании столбчатого фундамента 8 - и этажного жилого дома с подвалом
Нормативные нагрузки от веса сооружения:
- постоянная.
- временная.
При наличии подвала постоянная и временная нагрузки увеличиваются. Нормативные нагрузки от веса перекрытия над подвалом:
![]()
![]()
Расчетная нагрузка, действующая по обрезу фундамента для здания с подвалом:
![]()
где
-коэффициенты перегрузок, применяемые для расчета фундаментов по 2 группе предельных состояний по деформациям в соответствии с п.10 СНиПа 2-6-74.
![]()
Для расчета устойчивости по 1 группе предельных состояний в соответствии с пп. 2.2; 3.7; 5.7 СНиПа 2-6-7-74.
![]()
- коэффициент сочетания постоянных и временных нагрузок, применяемых в соответствии с п.1.12 СНиПа 2-6-7-74.
![]()
Колонна А:
Расчетная нагрузка, действующая по обрезу фундамента для расчета по 2 группе предельных состояний, для колонны А равна
![]()
Расчетная нагрузка, действующая по обрезу фундамента для расчета по 1 группе предельных состояний, для колонны А равна
.
Колонна Б:
Расчетная нагрузка, действующая по обрезу фундамента для расчета по 2 группе предельных состояний, для колонны Б равна
![]()
Расчетная нагрузка, действующая по обрезу фундамента для расчета по 1 группе предельных состояний, для колонны Б равна
.
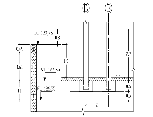
3. Определение глубины заложения столбчатого фундамента под колонну 8-и этажного здания с подвалом
Относительная отметка пола подвала –2.7м. Отметка пола 1-го этажа на 0.80м. выше планировочной отметки, т.е. высота цокольной части здания
Расчетная среднесуточная температура воздуха в помещении, примыкающем к наружным фундаментам +100С. Место строительства – город Воронеж.
Грунтовые условия строительной площадки: с поверхности до глубины 0,79 м.- растительный слой; ниже – до глубины 2,39 м суглинок полутвердый с показателем текучести
, далее, до глубины 5,19 м. – суглинок текучепластичный с показателем текучести
. Уровень подземных вод WL находится на глубине 2,50 м.
Определяем глубину заложения фундамента исходя из конструктивных особенностей здания. В зданиях с подвалом заглубление подошвы фундаментов:
![]()
,
где
- размер от чистого пола подвала до пола 1-го этажа;
- величина заглубления подошвы фундамента от низа пола подвала;
- высота цокольной части здания;
- высота принятой конструкции пола подвала.
![]()
Определяем расчетную глубину сезонного промерзания для суглинков в районе строительства (г. Воронеж):
,
где
- величина нормативной глубины сезонного промерзания, определяемая по СниПу2.02.01-83 , пп. 2.26 и 2.27;
- коэффициент, учитывающий влияние теплового режима сооружения, принимаемый: для наружных фундаментов отапливаемых сооружений по таблице1 СНиПа 2.02.01-83
Определяем нормативную глубину промерзания:
,
где
- безразмерный коэффициент, численно равный сумме абсолютных значений среднемесячных отрицательных температур за зиму в данном районе (гор. Воронеж).
-величина, зависящая от вида грунта (грунт – суглинок текучепластичный ) в соответствии с п.2.27 СНиПа 2.02.01-83.
Окончательно принимаем глубину заложения фундамента 2,6 м
4. Определение ширины подошвы столбчатого фундамента мелкого заложения на естественном основании для жилого здания с подвалом
Для колонны А:
Запроектируем фундамент под колонну 8-и этажного жилого здания с подвалом. Расчетная нагрузка, действующая на колонну
. Длина здания
, высота
. Отметка пола подвала – 2.7м. Глубина заложения подошвы фундамента
. Отметка пола 1-го этажа на 80 см выше планировочной отметки.
Материал основания: суглинок текучепластичный
,
,
,
, ![]()
Определяем ориентировочную ширину подошвы ленточного фундамента:
,
где
- расчетная нагрузка от массы сооружения на 1 пог.м.
значение расчетного сопротивления грунта песчаной подушки.
осредненный удельный вес стеновых блоков фундамента и грунта.
глубина заложения фундамента.

Полученная щирина подошвы столбчатого фундамента
является предварительной, т.к. ширина определена исходя из табличного значения расчетного сопротивления основания. По этому размеру приняв типовую фундаментную подушку ФЛ 32.12 (2 штуки 3,2*2,4), находим уточненное значение расчетного сопротивления грунта основания:

где
- коэффициенты условий работы грунтового основания и здания во взаимодействии с основанием, определяемые по таблице 3 СНиПа 2.02.01-83.
– коэффициент надежности приняый равным 1 т.к. прочностные
характеристики грунта
заданны в проекте, по результатам непосредственных испытаний грунтов на строй. площадке.
![]()
- коэффициенты, принимаемые по таблице 4 СНиПа 2.02.01-83 в зависимости от расчетного значения угла внутреннего трения
грунта, находящегося непосредственно под подошвой фундамента.
- коэффициент, при
.
- глубина заложения фундамента от уровня планировки срезкой или подсыпкой.
![]()
- осредненное расчетное значение удельного веса грунтов, залегающих выше отметки заложения подошвы фундамента (при наличии подземных вод) определяется с учетом взвешивающего действия воды), кН/м3.
где
,
,
- мощности выше лежащих слоев.
- расчетное значение удельного веса грунта, залегающего непосредственно под подошвой фундамента.
- расчетное значение удельного сцепления грунта, залегающего непосредственно под подошвой фундамента.
, - приведенная глубина заложения наружных и внутренних фундаментов от пола подвала.
где
- толщина слоя грунта от отметки подошвы фундамента до отметки низа пола подвала.
- толщина конструкций пола подвала.
- расчетное значение удельного веса материала конструкций пола подвала.
- расстояние от уровня планировки до пола подвала
Т.к полученное расчетное сопротивление основания не существенно отличается от
, то дальнейшее уточнение принятой ранее ширины фундамента не производим.
Проверяем фактическое среднее давление под подошвой фундамента. Общий объем фундамента, грунта на его уступах и пола подвала:
![]()
объем самого фундамента
![]()
объем грунта на обрезах фундамента
![]()
Удельный вес конструктивных элементов фундамента принимаем равным 24 кН/м3
Вес одного фундамента
![]()
Удельный вес грунта обратной засыпки принимаем равным 10,63 кН/м3
![]()
Проверяем среднее давление, действующее под подошвой фундамента при b=2,4 и заданных нагрузках:
,
![]()
Согласно СНиПу 2.02.01-83 п.2.41 среднее давление на основание под подошвой фундамента P не должно превышать расчетного сопротивления основания R более чем на 20%. Определим разницу между R и P:
<20%
Следовательно, ширина подошвы столбчатого фундамента запроектирована достаточно экономично.
Колонна Б:
Запроектируем фундамент под внутреннюю колонну 8-и этажного жилого здания с подвалом. Расчетная нагрузка, действующая на колонну
. Длина здания
, высота
. Отметка пола подвала – 2.7м. Глубина заложения подошвы фундамента
. Отметка пола 1-го этажа на 80 см выше планировочной отметки.
Материал основания: суглинок текучепластичный
,
,
,
,
.
Определяем ориентировочную ширину подошвы ленточного фундамента:
,
где
- расчетная нагрузка от массы сооружения на 1 пог.м.
значение расчетного сопротивления грунта песчаной подушки.
осредненный удельный вес стеновых блоков фундамента и грунта.
глубина заложения фундамента.
![]() |
Полученная щирина подошвы столбчатого фундамента

где
- коэффициенты условий работы грунтового основания и здания во взаимодействии с основанием, определяемые по таблице 3 СНиПа 2.02.01-83.
– коэффициент надежности приняый равным 1 т.к. прочностные
характеристики грунта
заданны в проекте, по результатам непосредственных испытаний грунтов на строй. площадке.
- коэффициенты, принимаемые по таблице 4 СНиПа 2.02.01-83 в зависимости от расчетного значения угла внутреннего трения
грунта, находящегося непосредственно под подошвой фундамента.
- коэффициент, при
.
- глубина заложения фундамента от уровня планировки срезкой или подсыпкой.
![]()
- осредненное расчетное значение удельного веса грунтов, залегающих выше отметки заложения подошвы фундамента (при наличии подземных вод ) определяется с учетом взвешивающего действия воды), кН/м3.
где
,
,
- мощности выше лежащих слоев.
- расчетное значение удельного веса грунта, залегающего непосредственно под подошвой фундамента.
- расчетное значение удельного сцепления грунта, залегающего непосредственно под подошвой фундамента.

- приведенная глубина заложения наружных и внутренних фундаментов от пола подвала.
где
- толщина слоя грунта от отметки подошвы фундамента до отметки низа пола подвала.
- толщина конструкций пола подвала.
- расчетное значение удельного веса материала конструкций пола подвала.
- расстояние от уровня планировки до пола подвала
Т.к полученное расчетное сопротивление основания не существенно отличается от
, то дальнейшее уточнение принятой ранее ширины фундамента не производим.
Проверяем фактическое среднее давление под подошвой фундамента. Общий объем фундамента, грунта на его уступах и пола подвала:
![]()
объем самого фундамента
![]()
объем грунта на обрезах фундамента
![]()
Удельный вес конструктивных элементов фундамента принимаем равным 24 кН/м3
Вес одного фундамента
![]()
Удельный вес грунта обратной засыпки принимаем равным 10,63 кН/м3
![]()
Проверяем среднее давление, действующее под подошвой фундамента при
и заданных нагрузках:
,
![]()
Согласно СНиПу 2.02.01-83 п.2.41 среднее давление на основание под подошвой фундамента P не должно превышать расчетного сопротивления основания R более чем на 20%.
Определим разницу между R и P:
<20%
Следовательно, ширина подошвы столбчатого фундамента запроектирована достаточно экономично.
5. Определение модуля общей деформации Eoпо результатам компрессионных и штамповых испытаний
Модули деформации E0 определяются для всех слоев в грунте, входящих в сжимаемую толщу Hc . Материалом для определения модулей являются результаты лабораторных либо полевых испытаний каждого слоя, которые приводятся в задании.
По данным строятся графики зависимости:
1) Коэффициента пористости от давления – компрессионная кривая.
2) Осадки от давления – график испытаний пробной статической нагрузкой
Кроме данных об испытаниях грунтов необходима графическая схема с напластованием грунтов и эпюрами
.
Компрессионные свойства грунтов:
Скважина 1
Глубина ![]()
Размер штампа d=27.7
| P, кПа | S |
| 0 | 0 |
| 50 | 0,87 |
| 100 | 1,75 |
| 150 | 2,62 |
| 200 | 3,50 |
| 250 | 5,02 |
| 300 | 8,41 |
| 350 | 14,20 |

По результатам штамповых испытаний строим график зависимости осадки от давления под штампом.
Для слоя V :
![]()
Значения
в соответствии с графиком равны:
![]()
Таким образом,
![]()
Скважина 1
Глубина ![]()
Размер штампа d=27.7
| P, кПа | S |
| 0,0 | 0,00 |
| 50 | 0,51 |
| 100 | 1,00 |
| 150 | 1,53 |
| 200 | 2,02 |
| 250 | 2,51 |
| 300 | 3,06 |
| 350 | 3,62 |
| 400 | 4,40 |

