Трехфазные электротехнические устройства
План
1. Трехфазные электротехнические устройства
2. Соединение источника энергии и приемника по схеме звезда
3. Соединение источника энергии и приемника по схеме треугольник
4. Активная и реактивная и полная мощности трехфазной симметричной системы
5. Сравнение условий работы трехфазных цепей при различных соединениях фаз приемника
6. Измерение активной мощности трехфазной системы
7. Симметричная трехфазная цепь с несколькими приемниками
8. Несимметричный режим трехфазной цепи
1. Трехфазные электротехнические устройства
Трехфазная цепь является частным случаем многофазных электрических систем, представляющих собой совокупность электрических цепей, в которых действуют ЭДС одинаковой частоты, сдвинутые по фазе относительно друг друга на определенный угол. Отметим, что обычно эти ЭДС, в первую очередь в силовой энергетике, синусоидальны. Однако, в современных электромеханических системах, где для управления исполнительными двигателями используются преобразователи частоты, система напряжений в общем случае является несинусоидальной. Каждую из частей многофазной системы, характеризующуюся одинаковым током, называют фазой, т.е. фаза – это участок цепи, относящийся к соответствующей обмотке генератора или трансформатора, линии и нагрузке.
Таким образом, понятие «фаза» имеет в электротехнике два различных значения:
· фаза как аргумент синусоидально изменяющейся величины;
· фаза как составная часть многофазной электрической системы.
Разработка многофазных систем была обусловлена исторически. Исследования в данной области были вызваны требованиями развивающегося производства, а успехам в развитии многофазных систем способствовали открытия в физике электрических и магнитных явлений.
Важнейшей предпосылкой разработки многофазных электрических систем явилось открытие явления вращающегося магнитного поля (Г.Феррарис и Н.Тесла, 1888 г.). Первые электрические двигатели были двухфазными, но они имели невысокие рабочие характеристики. Наиболее рациональной и перспективной оказалась трехфазная система, основные преимущества которой будут рассмотрены далее. Большой вклад в разработку трехфазных систем внес выдающийся русский ученый-электротехник М.О.Доливо-Добровольский, создавший трехфазные асинхронные двигатели, трансформаторы, предложивший трех- и четырехпроводные цепи, в связи с чем по праву считающийся основоположником трехфазных систем.

Источником трехфазного напряжения является трехфазный генератор, на статоре которого (см. рис. 1) размещена трехфазная обмотка. Фазы этой обмотки располагаются таким образом, чтобы их магнитные оси были сдвинуты в пространстве друг относительно друга на
эл. рад. На рис. 1 каждая фаза статора условно показана в виде одного витка. Начала обмоток принято обозначать заглавными буквами А,В,С, а концы- соответственно прописными x,y,z. ЭДС в неподвижных обмотках статора индуцируются в результате пересечения их витков магнитным полем, создаваемым током обмотки возбуждения вращающегося ротора (на рис. 1 ротор условно изображен в виде постоянного магнита, что используется на практике при относительно небольших мощностях). При вращении ротора с равномерной скоростью в обмотках фаз статора индуцируются периодически изменяющиеся синусоидальные ЭДС одинаковой частоты и амплитуды, но отличающиеся вследствие пространственного сдвига друг от друга по фазе на
рад. (см. рис. 2).
Трехфазные системы в настоящее время получили наибольшее распространение. На трехфазном токе работают все крупные электростанции и потребители, что связано с рядом преимуществ трехфазных цепей перед однофазными, важнейшими из которых являются:
- экономичность передачи электроэнергии на большие расстояния;
- самым надежным и экономичным, удовлетворяющим требованиям промышленного электропривода является асинхронный двигатель с короткозамкнутым ротором;
- возможность получения с помощью неподвижных обмоток вращающегося магнитного поля, на чем основана работа синхронного и асинхронного двигателей, а также ряда других электротехнических устройств;
- уравновешенность симметричных трехфазных систем.
Для рассмотрения важнейшего свойства уравновешенности трехфазной системы, которое будет доказано далее, введем понятие симметрии многофазной системы.
Система ЭДС (напряжений, токов и т.д.) называется симметричной, если она состоит из m одинаковых по модулю векторов ЭДС (напряжений, токов и т.д.), сдвинутых по фазе друг относительно друга на одинаковый угол
. В частности векторная диаграмма для симметричной системы ЭДС, соответствующей трехфазной системе синусоид на рис. 2, представлена на рис. 3.

Рис.3 Рис.4
Из несимметричных систем наибольший практический интерес представляет двухфазная система с 90-градусным сдвигом фаз (см. рис. 4).
Все симметричные трех- и m-фазные (m>3) системы, а также двухфазная система являются уравновешенными. Это означает, что хотя в отдельных фазах мгновенная мощность пульсирует (см. рис. 5,а), изменяя за время одного периода не только величину, но в общем случае и знак, суммарная мгновенная мощность всех фаз остается величиной постоянной в течение всего периода синусоидальной ЭДС (см. рис. 5,б).
Уравновешенность имеет важнейшее практическое значение. Если бы суммарная мгновенная мощность пульсировала, то на валу между турбиной и генератором действовал бы пульсирующий момент. Такая переменная механическая нагрузка вредно отражалась бы на энергогенерирующей установке, сокращая срок ее службы. Эти же соображения относятся и к многофазным электродвигателям.

Если симметрия нарушается (двухфазная система Тесла в силу своей специфики в расчет не принимается), то нарушается и уравновешенность. Поэтому в энергетике строго следят за тем, чтобы нагрузка генератора оставалась симметричной.
2. Соединение источника энергии и приемника по схеме звезда
Трехфазный генератор (трансформатор) имеет три выходные обмотки, одинаковые по числу витков, но развивающие ЭДС, сдвинутые по фазе на 1200. Можно было бы использовать систему, в которой фазы обмотки генератора не были бы гальванически соединены друг с другом. Это так называемая несвязная система. В этом случае каждую фазу генератора необходимо соединять с приемником двумя проводами, т.е. будет иметь место шестипроводная линия, что неэкономично. В этой связи подобные системы не получили широкого применения на практике.
Для уменьшения количества проводов в линии фазы генератора гальванически связывают между собой. Различают два вида соединений: в звезду и в треугольник. В свою очередь при соединении в звезду система может быть трех- и четырехпроводной.
Соединение в звезду
На рис. 6 приведена трехфазная система при соединении фаз генератора и нагрузки в звезду. Здесь провода АА’, ВВ’ и СС’ – линейные провода.

Линейным называется провод, соединяющий начала фаз обмотки генератора и приемника. Точка, в которой концы фаз соединяются в общий узел, называется нейтральной (на рис. 6 N и N’ – соответственно нейтральные точки генератора и нагрузки).
Провод, соединяющий нейтральные точки генератора и приемника, называется нейтральным (на рис. 6 показан пунктиром). Трехфазная система при соединении в звезду без нейтрального провода называется трехпроводной, с нейтральным проводом – четырехпроводной.
Все величины, относящиеся к фазам, носят название фазных переменных, к линии - линейных. Как видно из схемы на рис. 6, при соединении в звезду линейные токи
и
равны соответствующим фазным токам. При наличии нейтрального провода ток в нейтральном проводе
.
Если система фазных токов симметрична, то
. Следовательно, если бы симметрия токов была гарантирована, то нейтральный провод был бы не нужен. Как будет показано далее, нейтральный провод обеспечивает поддержание симметрии напряжений на нагрузке при несимметрии самой нагрузки.
Поскольку напряжение на источнике противоположно направлению его ЭДС, фазные напряжения генератора (см. рис. 6) действуют от точек А,В и С к нейтральной точке N;
- фазные напряжения нагрузки.
Линейные напряжения действуют между линейными проводами. В соответствии со вторым законом Кирхгофа для линейных напряжений можно записать
; (1)
; (2)
. (3)
Отметим, что всегда
- как сумма напряжений по замкнутому контуру.
На рис. 7 представлена векторная диаграмма для симметричной системы напряжений. Как показывает ее анализ (лучи фазных напряжений образуют стороны равнобедренных треугольников с углами при основании, равными 300), в этом случае
(4)

Обычно при расчетах принимается
. Тогда для случая прямого чередования фаз
,
(при обратном чередовании фаз фазовые сдвиги у
и
меняются местами). С учетом этого на основании соотношений (1) …(3) могут быть определены комплексы линейных напряжений. Однако при симметрии напряжений эти величины легко определяются непосредственно из векторной диаграммы на рис. 7. Направляя вещественную ось системы координат по вектору
(его начальная фаза равна нулю), отсчитываем фазовые сдвиги линейных напряжений по отношению к этой оси, а их модули определяем в соответствии с (4). Так для линейных напряжений
и
получаем:
;
.
3. Соединение источника энергии и приемника по схеме треугольник
В связи с тем, что значительная часть приемников, включаемых в трехфазные цепи, бывает несимметричной, очень важно на практике, например, в схемах с осветительными приборами, обеспечивать независимость режимов работы отдельных фаз. Кроме четырехпроводной, подобными свойствами обладают и трехпроводные цепи при соединении фаз приемника в треугольник. Но в треугольник также можно соединить и фазы генератора (см. рис. 8).

Для симметричной системы ЭДС имеем
.
Таким образом, при отсутствии нагрузки в фазах генератора в схеме на рис. 8 токи будут равны нулю. Однако, если поменять местами начало и конец любой из фаз, то
и в треугольнике будет протекать ток короткого замыкания. Следовательно, для треугольника нужно строго соблюдать порядок соединения фаз: начало одной фазы соединяется с концом другой.
Схема соединения фаз генератора и приемника в треугольник представлена на рис. 9.
Очевидно, что при соединении в треугольник линейные напряжения равны соответствующим фазным. По первому закону Кирхгофа связь между линейными и фазными токами приемника определяется соотношениями
![]()

Аналогично можно выразить линейные токи через фазные токи генератора.
На рис. 10 представлена векторная диаграмма симметричной системы линейных и фазных токов. Ее анализ показывает, что при симметрии токов
. (5)

Помимо рассмотренных соединений «звезда - звезда» и «треугольник - треугольник» на практике также применяются схемы «звезда - треугольник» и «треугольник - звезда».
4. Активная и реактивная и полная мощности трехфазной симметричной системы
Активной мощностью трехфазной системы называется сумма активных мощностей всех фаз источника энергии, равная сумме активных мощностей всех фаз приемника.
В симметричной трехфазной системе, т.е. системе с симметричными генератором и приемником, при любой схеме их соединений для каждой фазы мощности источника энергии приемника одинаковые. В этом случае P=3Pф и для каждой из фаз справедлива формула активной мощности синусоидального тока:
Pф = Uф Iф cos
,
где
- угол сдвига фаз между фазными напряжением и током.
В общем случае реактивной мощностью трехфазной системы называется сумма реактивной мощности всех фаз источника энергии, равная сумме реактивных мощностей всех фаз приемника. Реактивная мощность симметрична трехфазной системе по
Q = 3Qф =3Uф Iф sin
,
или после замены действующих значений фазных тока и напряжения линейными.
Q = v3 Uл Iл sin
.
Комплексной мощностью трехфазной системы называется сумма комплексных мощностей фаз источника энергии, равная сумме комплексных мощностей всех фаз приемника.
Полная мощность симметричной трехфазной системы
S = v3 Uл Iл .
5. Сравнение условий работы трехфазных цепей при различных соединениях фаз приемника
Схема соединения трехфазного приемника не зависит от схемы соединения трехфазного генератора. Соединение фаз приемника по схеме треугольник часто переключается на соединение по схеме звезда для изменения тока и мощности, например для уменьшения пусковых токов трехфазной двигателей, изменения температуры трехфазных электрических печей и т.д.
При соединенияя приемника по схеме звезда между действующими значениями фазных и линейных токов и напряжений справедливы соотношения
Iϕγ=Uϕγ/zϕ=Iлγ; Uϕγ = Uл/√3,
из которых следует, что
Iлγ= Uл/√3zϕ.
При соединение приемника по схеме треугольник между действующими значениями фазных и линейных токов и напряжений справедливы соотношения
IϕΔ=UϕΔ/ zϕ=IлΔ/√3; UϕΔ = Uл,
Из которых следует
IлΔ=√3Uл/zϕ.
6. Измерение активной мощности трехфазной системы
При симметричной нагрузке трехфазной системы для измерения мощности пользуются одним однофазным ваттметром, включенным по схеме, показанной на рис. 232 (а — для соединения звездой; б — для соединения треугольником). По последовательной обмотке ваттметра в этом случае протекает фазный ток, а параллельная обмотка включена на фазное напряжение. Поэтому ваттметр покажет мощность одной фазы. Для получения мощности трехфазной системы нужно показание однофазного ваттметра умножить на три.
При несимметричной нагрузке в четырехпроводиой сети трехфазного тока для измерения мощности применяется схема трех ваттметров (рис. 233). Каждый однофазный ваттметр измеряет мощность одной фазы. Для получения мощности трехфазной системы необходимо взять сумму показаний трех ваттметров.
При переменной нагрузке трудно получить одновременный отсчет показаний трех ваттметров.

Кроме того, три однофазных ваттметра занимают много места. Поэтому часто применяют один трехэлементный трехфазный ваттметр, представляющий собой соединение в одном приборе трех однофазных ваттметров. У трехэлементного электродинамического ваттметра три подвижные параллельные катушки насажены на одну ось, связанную со стрелкой, и общий момент, полученный в результате сложения механических усилий каждой катушки, будет пропорционален мощности, потребляемой в трехфазной сети. В других конструкциях подвижные катушки, расположенные в разных местах, связаны между собой гибкими лентами и передают суммарное усилие на ось со стрелкой.

Активную мощность трехфазной сети при равномерной нагрузке можно определить при помощи трех приборов: амперметра, вольтметра и фазометра — по формуле
![]()
где U и I — линейные напряжения,
j — Угол сдвига между фазным напряжением и током.
Мощность трехпроводной трехфазной сети при любой нагрузке (равномерной или неравномерной) независимо от способа соединения потребителей (звездой или треугольником) может быть измерена по схеме двух ваттметров.
По первому закону Кирхгофа, сумма мгновенных значений токов всех трех фаз равна нулю:
![]()
Откуда
![]()
Мгновенная мощность трехфазной системы будет
![]()
где u с индексами — мгновенные значения фазных напряжений.

Подставляя в последнее выражение значение тока i2, получим
![]()
![]()
Полученное уравнение показывает, что один из ваттметров надо включить так, чтобы по его токовой катушке протекал ток первой фазы, а катушка напряжения находилась бы под разностью напряжений первой и второй фаз; другой ваттметр следует включить так, чтобы по его токовой катушке протекал ток третьей фазы, а катушка напряжения находилась бы под разностью напряжений третьей и второй фаз.
Сложив показания обоих ваттметров, получим мощность всех трех фаз.
На рис. 234, а — в показаны три варианта для схемы двух ваттметров.
На схемах видно, что последовательные обмотки ваттметров включают в любые два линейных провода сети. Начала параллельных обмоток каждого ваттметра подключаются к тому же проводу, в который включена последовательная обмотка ваттметра. Концы параллельных обмоток подключаются к третьему линейному проводу.
При симметричной активной нагрузке и соs j = 1 показания ваттметров равны между собой. При соs j, не равном единице, показания ваттметров не будут равны. При соs j, равном 0,5, один из ваттметров покажет нуль. При соs j меньшем 0,5, стрелка этого прибора начнет отклоняться влево. Чтобы получить показание прибора, необходимо переключить концы его последовательной или параллельной обмотки.
Для измерения активной мощности трехфазной системы по показаниям двух ваттметров нужно складывать их показания или вычитать из показания одного ваттметра показание другого ваттметра, которое было отрицательным. Схема измерения мощности двумя ваттметрами с помощью измерительных трансформаторов напряжения и тока дана на рис. 235.

Удобнее измерять мощность при помощи трехфазного ваттметра, в котором совмещены два прибора, включенные по схеме двух ваттметров и действующие на одну общую ось, с которой связана стрелка. В приборах электродинамической и ферродинамической системы две подвижные катушки, расположенные на одной оси или связанные гибкими лентами, вращают одну ось. В приборах индукционной системы два элемента вращают два диска, сидящие на одной оси, или два элемента действуют на один диск. Схема включения двухэлементного трехфазного ваттметра дана на рис. 236.

В сетях высокого напряжения трехфазный ваттметр включается при помощи измерительных трансформаторов напряжения и тока.
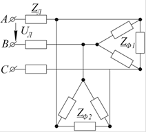
7. Симметричная трехфазная цепь с несколькими приемниками
Расчет трехфазной цепи в симметричном режиме сводится к расчету одной фазы и проводится аналогично расчету обычной цепи синусоидального тока.

Дано: - линейное напряжение; UЛ
ZЛ - сопротивление линии;
ZФ1 - фазное сопротивление нагрузки 1;
ZФ2 - фазное сопротивление нагрузки 2.
Последовательность расчета:
1. Сопротивление двух треугольников, соединенных параллельно, необходимо заменить эк-вивалентным треугольником с сопротивлением фаз:

2. Полученный эквивалентный треугольник следует заменить эквивалентной звездой с сопротивлением фаз:

3. Определяют фазные сопротивления эквивалентной звезды с учетом ZЛ:

4. Дальнейший расчет не требует применения комплексного метода. Достаточно определить действующее значение линейного тока

затем найти действующие значения фазного напряжения эквивалентной звезды приемника
![]()
и линейного напряжения приемника
![]()
Действующие значения фазных токов приемников определяются по закону Ома:

8. Несимметричный режим трехфазной цепи
Несимметричный режим в трехфазной системе имеет место, если нарушается хотя бы одно из условий симметрии фазных ЭДС источника —
и равенства сопротивлений фаз приемника ZA = ZB = ZC.

Рис. 1
При соединении фаз приемника звездой и наличии нейтрального провода (рис. 1) в общем случае несимметричного режима ток в нейтральном проводе I0 отличен от нуля и существует напряжение между нейтралями приемника и источника U0'0. В связи с этим расчет токов нельзя проводить изолированно по фазам, как в симметричном режиме.
Для расчета рассматриваемой цепи удобнее всего воспользоваться методом узловых напряжений, так как в схеме содержатся всего лишь два узла. Для единственного узлового напряжения имеем уравнение
,
из которого непосредственно находим напряжение между нейтральными точками:
.
Для токов в цепи найдем далее
и аналогично для
и
, а
. Отсюда следует, что токи во всех трех фазах несимметричной системы взаимозависимы, т. е. изменение сопротивления одной из фаз ведет к изменению тока и в остальных фазах, так как при этом изменяется напряжение U0'0.
Полученная формула относится также и к цепи с изолированной нейтралью, для перехода к которой следует положить лишь Y0 = 0. Фазные токи в этом случае определяют по тем же формулам, что и выше.
Значения тока в несимметричной нагрузке, соединенной треугольником, при заданных фазных ЭДС можно рассчитывать с помощью преобразования треугольника ZAB, ZBC, ZCA в звезду, сопротивления фаз которой выражаются формулами:

В результате задача расчета цепи сводится к только что рассмотренной. Такое преобразование позволяет одновременно учесть и сопротивления линейных проводов ZA', ZB', ZC' , которые после преобразования оказываются включенными последовательно с фазами образовавшейся звезды ZA, ZB, ZC, изображенной на рис. 10.3 штриховыми линиями.
По этой же общей схеме рассматривают и случай, когда в несимметричной системе заданы линейные ЭДС
,
и
. При этом для схемы соединения звездой с изолированной нейтралью (см. рис. 10.4 при Y0 = 0) в качестве опорного узла 0' для вычисления напряжения фазы С приемника возьмем, например, вывод С генератора. В результате получим непосредственно
![]()
Аналогично, осуществляя круговую перестановку индексов, запишем:
![]()
Токи в фазах получим, умножая фазные напряжения
на соответствующие проводимости YA, B, C.
При наличии нескольких несимметричных нагрузок с различным способом соединения фаз следует воспользоваться последовательным преобразованием звезды в треугольник и обратно и эквивалентными преобразованиями параллельно или последовательно соединенных участков.
