Система смазки двигателя КамаЗ
Оглавление
1.Введение.
2.Система смазки двигателя КамаЗ.
2.1 Работа масляного насоса.
2.2 Работа масляного фильтра.
2.3 Устройство системы смазки.
2.4 Работа системы смазки.
3.Общие характеристики системы смазки.
3.1 Схема системы смазки.
3.2 Схема масляного насоса.
3.3 Схема полнопоточного фильтра очистки масла.
3.4 Схема центробежного масляного фильтра.
4.Основные составляющие системы смазки.
4.1 Масляный насос.
4.2 Масляный фильтр.
4.3 Термоклапан.
4.4 Водомасляный теплообменник.
4.5 Система вентиляции картера.
5.Общие указания и предупреждения.
6.Меры безопасности.
7.Список литературы.
1.Введение
Между отдельными деталями двигателя, поверхности которых перемещаются одна относительно другой, возникает сила, препятствующая этому перемещению, называемая силой трения.
Сила трения зависит от точности обработки соприкасающихся поверхностей, давления и скорости относительного перемещения. На преодоление сил трения затрачивается часть мощности двигателя; помимо этого трение приводит к износу деталей и их нагреву. Уменьшение сил трения достигается улучшением качества обработки поверхности, применением антифрикционных сплавов, шариковых и роликовых подшипников. Одним из наиболее эффективных способов уменьшения сил трения является смазка.
Смазка, находящаяся между трущимися поверхностями, разделяет их, заменяя непосредственное трение деталей трением слоев смазки между собой. Помимо этого, масло охлаждает смазываемые детали и уносит твердые частицы между ними.
Недостаточная подача масла вызывает потерю мощности, усиленный износ, перегрев и даже расплавление подшипников, заклинивание поршней и прекращение работы двигателя.
При чрезмерной подаче часть масла попадает в камеру сгорания, отчего увеличивается отложение нагара, и ухудшаются условия работы свечей зажигания.
Норма расхода масел составляет: для карбюраторных двигателей 2,4% от нормы расхода топлива, для дизельных двигателей -^-3,2 %.
В зависимости от размещения и условий работы деталей масло может подаваться под давлением, разбрызгиванием и самотеком. В автомобильных двигателях применяются все три способа подвода масла, при этом к наиболее нагруженным деталям масло поступает под давлением, к другим — разбрызгиванием и самотеком.
Для хранения, подвода, очистки и охлаждения масла применяют ряд приборов, маслопроводов и каналов, образующих систему смазки.
2. Система смазки двигателя автомобиля КамАЗ
Из поддона масло через маслоприемник засасывается двумя секциями масляного насоса. Через канал в правой стенке масло из нагнетальной секции насоса подается в корпус полнопоточного фильтра, где оно очищается, проходя через два фильтрующих элемента, и поступает в главную масляную магистраль. Из главной масляной магистрали масло по каналам в перегородках блока подводится к коренным подшипникам коленчатого вала, к подшипникам распределительного вала, втулкам коромысел и по каналу в штангах клапанов — к толкателям. К шатунным подшипникам коленчатого вала масло подается по каналам в коленчатом валу. Масло, снимаемое со стенок цилиндров маслосъемным кольцом, через отверстия в канавке кольца и сверления в поршне отводится внутрь его и смазывает опоры поршневого пальца в бобышках поршня и верхней головки шатуна. Из канала в задней стенке блока масло поступает под давлением по трубке к подшипникам компрессора. Из канала в передней стенке блока — для смазки подшипников топливного насоса высокого давления. Из главной масляной магистрали масло под давлением подается к термосиловому датчику, который расположен в переднем торце блока и управляет работой гидромуфты привода вентилятора в зависимости от температуры жидкости в системе охлаждения.
Масло из радиаторной секции насоса поступает к фильтру центробежной очистки и, проходя через радиатор, сливается в поддон. При закрытом кране включения масляного радиатора масло из центрифуги сливается в поддон картера через сливной клапан.
Для создания наилучших условий смазки в системе должно поддерживаться определенное давление, контроль за которым осуществляют при помощи указателей или контрольных ламп, принцип действия которых описан в разделе «Электрооборудование».
Давление масла в системе смазки прогретого двигателя при скорости движения 40 км/ч на прямой передаче должно быть для ЗИЛ-130 0,2 ... 0,4 МПа. При работе двигателя на малой частоте вращения коленчатого вала давление может снижаться до 0,05 МПа. На двигателе ЗМЗ-53 при скорости 50 км/ч на прямой передаче давление масла должно быть не менее 0,25 МПа. Давление масла в системе смазки прогретого двигателя автомобиля КамАЗ при частоте вращения коленчатого вала 2600 мин-1 должно быть 0,45 ... 0,5 МПа, а при 600 мин-1 — не менее 0,1 МПа.
Вместимость системы смазки двигателей ЗИЛ-130— 8,5 л, ЗМЗ — 8 л, КамАЗ — 23 л.
Масло выпускается из системы через сливное отверстие поддона картера, закрываемое пробкой.
2.1Работа масляного насоса
Масляный насос служит для создания необходимого давления в системе смазки. Насос состоит из корпуса, внутри которого расположены две пары шестерен. Две шестерни насажены неподвижно на приводном валике, а другие две — свободно на оси. Приводной валик приводится в действие от косозубой шестерни на распределительном валу (ЗИЛ-130, ЗМЗ-53) или от шестерни на переднем конце коленчатого вала (КамАЗ-740). При вращении шестерен насоса их зубья захватывают масло у входного отверстия, проносят у стенок корпуса и выдавливают в выходное отверстие.
В двигателе ЗИЛ-130 верхняя секция насоса подает масло в систему смазки и фильтр центробежной очистки, нижняя — к масляному радиатору.
В двигателе ЗМЗ-53 верхняя секция подает масло для смазки двигателя, а нижняя — в фильтр центробежной очистки. Как в двигателе ЗИЛ-130, так и в ЗМЗ-53 масляный насос расположен снаружи двигателя. В двигателе автомобиля КамАЗ масляный насос расположен внутри картера.
Масло поступает к масляному насосу через маслоприемник с сетчатым фильтром.
В изучаемых двигателях маслоприемник состоит из корпуса и сетки.
2.2 Работа масляного фильтра
Масляные фильтры. Качество масла в двигателе не остается постоянным, так как масло засоряется мелкой металлической пылью, появляющейся в результате износа деталей, частицами нагара, образовывающегося в результате сгорания его на стенках цилиндров. При высокой температуре деталей масло коксуется, образуются смолы и лакообразные продукты. Все эти примеси являются вредными и для их удаления применяются масляные фильтры.
Фильтр центробежной очистки масла. На изучаемых двигателях установлен фильтр центробежной очистки с реактивным приводом. Фильтр (рис. 31) состоит из корпуса с осью, где на подшипнике размещен ротор с колпаком. Снизу ротора размещены два жиклера с отверстиями, направленными в разные стороны, и фильтрующая сетка. Колпак закреплен на оси ротора при помощи гайки и закрыт сверху неподвижным кожухом с барашковой гайкой. Ротор вращается под действием струй масла, выбрасываемого под давлением через два жиклера. В двигателе КамАЗ-740 он приводится во вращение реактивной струей масла, вытекающей из сопла оси ротора.
Масло поступает в полую ось ротора, а затем внутрь колпака. При вращении ротора тяжелые частицы, загрязняющие масло, отбрасываются на стенки колпака, на которых и оседают. Далее масло проходит через сетку, очищается и выбрасывается из жиклеров, стекая в поддон картера.
На автомобиле КамАЗ устанавливается помимо фильтра центробежной очистки полнопроточный фильтр с двумя сменными фильтрующими элементами, масса которых состоит из древесной муки на пульвербакелитовой связке.
Масляный радиатор. В жаркое время года и при эксплуатации автомобиля в тяжелых дорожных условиях температура масла настолько повышается, что оно становится очень жидким и давление в системе смазки падает.
Для охлаждения масла и предотвращения его разжижения в систему смазки двигателей включен масляный радиатор, который состоит из двух бачков и горизонтальных трубок, расположенных между ними.
Для увеличения поверхности охлаждения и повышения жесткости радиатора трубки скреплены металлическими ребрами. На автомобиле ЗИЛ-130 масляный радиатор выполнен в виде трубчатого змеевика с оребрением для увеличения поверхности теплоотдачи.
Масляный радиатор оказывает сравнительно небольшое сопротивление прохождению масла, в результате чего давление в системе может снизиться и подача масла к трущимся поверхностям уменьшиться.
Для предотвращения этого явления масляный радиатор двигателя включается краном, перед которым установлен предохранительный клапан, перекрывающий доступ масла в радиатор при понижении давления в системе ниже 0,1 МПа.
В двигателе ЗИЛ-130 масло поступает из нижней секции насоса и при выключении радиатора все масло через перепускной клапан, расположенный в крышке насоса, попадает во всасывающую полость насоса, минуя радиатор.
В системе смазки двигателей автомобилей все масло, прошедшее через радиатор, попадает в поддон картера.
В непрогретом двигателе давление в системе смазки может настолько возрасти, что вызовет разрушение каналов системы смазки. Для предотвращения разрушения масляных магистралей при повышенном давлении и обеспечения нормальной подачи масла при износе деталей в системе предусмотрен редукционный клапан.
Редукционный клапан верхней секции насоса двигателя.^МЗ-53 расположен в передней части блока цилиндров с правой стороны, а клапан нижней секции расположен в корпусе самого насоса. В двигателе ЗИЛ-130 редукционный клапан верхней секции насоса расположен в чугунной прокладке между верхней и нижней секцией насоса. На заводах редукционный клапан регулирует на давление 0,2 ... 0,4 МПа и в процессе эксплуатации его обычно не регулируют.
В каждой секции масляного насоса двигателя автомобиля КамАЗ имеются предохранительные клапаны, отрегулированные на давление 0,8 ... 0,85 МПа. В корпусе нагнетательной секции размещен дифференциальный клапан, ограничивающий давление в главной магистрали в пределах 0,4 ... 0,45 МПа.
В случае засорения полнопоточного фильтра со сменными фильтрующими элементами масло будет поступать в главную магистраль через перепускной клапан, установленный в фильтре.
В корпусе центробежного фильтра двигателя автомобиля КамАЗ установлены два клапана, один — перепускной, ограничивающий максимальное давление перед центрифугой до 0,65 МПа, другой — предохранительный, отрегулированный на давление 0,05 ... 0,07 МПа.
Маслопроводы выполнены в виде латунных или прорезиненных трубок, соединяющих отдельные участки системы смазки и каналов, высверленных в блоке цилиндров, коленчатом валу, шатунах, осях коромысла, в коромыслах, корпусах фильтров и др.
Маслоналивные патрубки расположены сверху или сбоку двигателя и соединены с поддоном картера непосредственно через маслоналивную трубу. Маслоналивные патрубки имеют воздушные фильтры.
Контроль над уровнем масла в двигателе осуществляют масломерной линейкой, имеющей отметки «0» и «Полно». Необходимо следить, чтобы уровень масла был у отметки «Полно».
Вентиляция картера двигателя. В картере работающего двигателя через зазоры между зеркалом цилиндра и кольцами проникают пары топлива и отработавшие газы. Пары топлива конденсируются и разжижают смазку, а отработавшие газы, содержащие в себе пары воды сернистые соединения, также отрицательно влияют на качество масла и уменьшают срок его службы. Удаляют прорвавшиеся в картер пары топлива и газы при помощи системы вентиляции картера.
В двигателе ЗИЛ-130 применена принудительная вентиляция картера. Чистый воздух попадает в картер двигателя через воздушный фильтр, объединенный с маслоналивным патрубком. Из патрубка воздух попадает в картер распределительных шестерен и в картер двигателя. Отсасываемый воздух проходит через уловитель, где отделяются частицы масла, затем через клапан и трубку попадает в центральную часть впускного трубопровода.
При работе двигателя с прикрытым дросселем под действием большого разрежения на впускном трубопроводе клапан поднимается, верхняя ступенчатая часть клапана входит в отверстие штуцера и уменьшает проходное сечение канала. Это сделано для того, чтобы уменьшить подсос постороннего воздуха и дать возможность двигателю устойчиво работать на холостом ходу. При работе с полностью открытым дросселем разрежение во впускном трубопроводе падает, и клапан под действием собственного веса опускается вниз, открывая полностью проходное сечение канала.
В двигателе ЗМЗ-53 система вентиляции открытая, вытяжная. Воздух поступает через сетчатый воздушный фильтр маслоналивной горловины, проходит в коробку распределительных шестерен и картер двигателя. Из картера двигателя отработавшие газы отсасываются в полость между рядами цилиндров и впускным трубопроводом и через фильтр попадают в вытяжную трубу с косым срезом. При движении автомобиля у косого среза трубки создается разрежение, благодаря которому и отсасываются отработавшие газы в атмосферу.
В двигателе автомобиля КамАЗ система вентиляции картера открытая, без отсоса газов. Картерные газы проходят через специальный сапун-уловитель, расположенный на картере маховика, где отделяются частицы масла от вытесняемых газов.
Система смазывания двигателя должна обеспечивать бесперебойную подачу масла к трущимся поверхностям с целью снижения потерь мощности на трение, уменьшения износа деталей, защиты их от коррозии, отвода тепла и продукта износа от трущихся деталей. От исправного состояния системы смазывания в значительной степени зависит надежность работы двигателя. В зависимости от условий и режима работы того или иного механизма применяют различные сорта и виды смазок. Применяемые для смазки двигателей масла должны обладать определенной вязкостью, не должны содержать механических примесей, воды, кислот и щелочей. Для автомобильных двигателей применяют комбинированную систему смазывания. В зависимости от размещения и условий работы деталей масло подается или под давлением, или разбрызгиванием, или самотеком. К деталям, испытывающим большую нагрузку, масло подается под давлением, к остальным деталям - разбрызгиванием или самотеком.
2.3 Устройство системы смазки
В систему смазывания входят следующие приборы и агрегаты для хранения, подвода, очистки и охлаждения масла: поддон картера двигателя, маслозаборник, масляный фильтр грубой очистки, масляный фильтр тонкой очистки, масляный насос, маслопровод, масляный радиатор, контрольно-измерительные приборы и датчики.
2.4 Работа системы смазки
Масло из поддона через маслоприемник с сетчатым фильтром поступает в секции масляного насоса.Из нагнетающей секции масло через канал подается в полнопроточный фильтр, а оттуда в главную масляную магистраль. Далее по каналам в блоке и головках цилиндров масло под давлением подается к деталям КШМ и ГРМ, топливному насосу высокого давления (ТНВД) и компрессору. К шатунным подшипникам масло подается по каналу коленчатого вала от ближайшей к ним коренной шейки. Опоры штанг и толкателей газораспределительного механизма омываются пульсирующей струей, а остальные детали смазываются разбрызгиванием масла или самотеком.
Снимаемое со стенок цилиндра маслосъемными кольцами масло отводится через сверления в поршневых канавках в глубь поршня и смазывает опоры поршневого пальца в верхней головке шатуна и бобышках поршня. Из главной смазочной магистрали масло под давлением подается к термосиловому датчику, а при открытом кране включения гидромуфты подается в саму гидромуфту. Из радиаторной секции масляного насоса масло подается к фильтру тонкой очистки и через открытый кран включения масляного радиатора - в сам радиатор. Из радиатора масло подается в поддон картера двигателя. Если кран включения масляного радиатора закрыт, то из центрифуги (фильтр центробежной очистки) масло поступает в поддон через сливной клапан.
Система смазки двигателя комбинированная, с мокрым картером. Масло под давлением подается к коренным и шатунным подшипникам коленчатого вала, к подшипникам распределительного вала, втулкам коромысел, к подшипникам топливного насоса высокого давления и компрессора. Предусмотрена пульсирующая подача масла к верхним сферическим опорам штанг толкателей.
3.Общие характеристики системы смазки
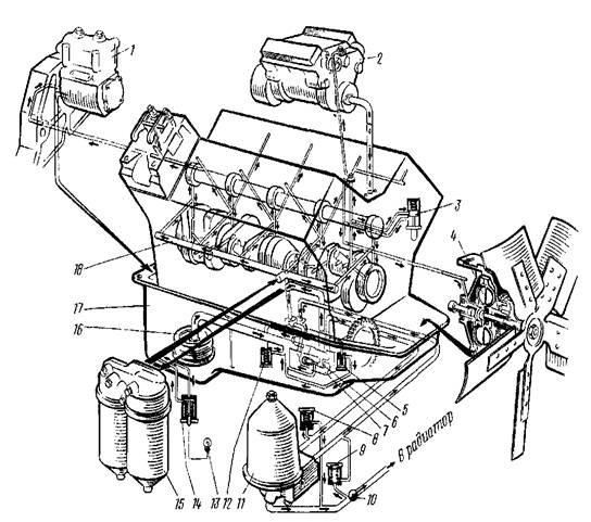
3.1 Схема системы смазки

1—компрессор; 2—топливный насос высокого давления; 3—выключатель гидромуфты; 4—гидромуфта; 5, 12—предохранительные клапаны; 6—клапан системы смазки; 7—насос масляный; 8—перепускной клапан центробежного фильтра; 9—сливной клапан центробежного фильтра; 10—кран включения масляного радиатора; 11—центробежный фильтр; 13—лампа сигнализатора засоренности фильтра очистки масла; 14—перепускной клапан полнопоточного фильтра; 15—полнопроточный фильтр очистки масла; 16—маслоприемник; 17—картер; 18—главная магистраль
Из картера 17 масло через маслоприемник входит в нагнетающую и радиаторную секции масляного насоса 7. Из нагнетающей секции через канал в правой стенке блока масла идет в полнопроточный фильтр 15, где оно очищается двумя фильтрующими элементами. Затем масло поступает в главную магистраль 18, откуда по каналам в блоке и головках цилиндра оно подается к коренным подшипникам коленчатого вала, подшипникам распределительного вала, втулкам коромысел и верхним наконечникам штанг толкателей.
К шатунным подшипникам коленчатого вала масло подается по отверстиям внутри вала от коренных шеек. Масло, снимаемое со стенок цилиндра маслосъемным кольцом, отводится в поршень и смазывает опоры поршневого пальца в бобышках и подшипник верхней головки шатуна. Через каналы в задней стенке блока цилиндров и картере маховика масло под давлением поступает к подшипникам компрессора 1, а через каналы в передней стенке блока — к подшипникам топливного насоса высокого давления 2.
Предусмотрен отбор масла из главной магистрали к выключателю 3 гидромуфты, который установлен на переднем торце блока и управляет работой гидромуфты 4 привода вентилятора. Из радиаторной секции масло поступает к центробежному фильтру 11, из него в радиатор и затем сливается в картер. При закрытом кране 10 масло из центробежного фильтра через сливной клапан 9 сливается в картер двигателя, минуя радиатор. Остальные детали и узлы двигателя смазываются разбрызгиванием и масляным туманом.
Масляный насос. Начиная с двигателя, № 611898 устанавливаются, насосы с валиком 8 увеличенного диаметра до 16 мм, ведомая шестерня 6 закреплена на валике гайкой. Ширина зубчатого венца шестерни увеличена до 10,5 мм. В зацеплении шестерни привода масляного насоса при его установке введена регулировка зазора, который должен быть равным 0,15—0,35 мм. На заводе зазор регулируется установкой, при необходимости, стальной прокладки между корпусом насоса и блоком цилиндров закреплен на нижней плоскости блока цилиндров. Нагнетающая секция насоса подает масло в главную магистраль двигателя, радиаторная секция — в центробежный фильтр и радиатор. В корпусах секций 1 и 5 (рис. 12) установлены предохранительные клапаны 11 к 18, отрегулированные на давление открытия 8.5— 9,5 кгс/см2 и предназначенные для ограничения максимального давления на выходе из секций насоса, и клапан 14 системы смазки, срабатывающий при давлении 4,0—4,5 кгс/см2 и предназначенный для ограничения давления в главной магистрали двигателя.
3.2 Схема масляного насоса

1—корпус радиаторной секции;2—ведущая шестерня радиаторной секции; 3—проставка;4— ведущая шестерня нагнетающей секции 5—корпус нагнетающей секции; 6—ведомая шестерня привода насоса;7—шпонка;8—валик ведущих шестерен; 9—ведомая шестерня нагнетающей секции; 10—ведомая шестерня радиаторной секции;11—предохранительный клапан радиаторной секции; 12. 15,17— пружины клапанов;13, 16—пробки клапанов; 14—клапан системы смазки; 18--предохранительный клапан нагнетающей секции
Полнопоточный фильтр очистки масла, установленный на правой стороне блока цилиндров, состоит из корпуса 19 (рис. 13), колпаков 24 и двух фильтрующих элементов 23. Начиная с 1980 г. двигатели КамАЗ выпускаются только с бумажными фнльтроэлементами очистки масла 740.1012040-10. Фильтро - элементы 740.1012040 из древесной муки (ранее выпускавшиеся для двигателей КамАЗ) или применяемые в двигателях ЯМЗ-240 фильтроэлементы 240-1017040 можно устанавливать только в крайних случаях, преимущественно в теплое время года. Категорически запрещается использование фильтроэлементов 204-1117040, которые применяются в двигателях ЯМЗ-240 для очистки топлива и не рассчитаны для работы в масляных фильтрах.
3.3 Схема полнопоточного фильтра очистки масла

1—стержень; 2—стопорное кольцо; 3—шайба; 4—уплотнительное кольцо; 5—пружина колпака; 6—уплотнительная чашка; 7—шайба; 8—пружина перепускного клапана; 9—винт сигнализатора; 10—пробка перепускного клапана; 11, 18, 20, 26—прокладки; 12—регулировочная шайба; 13—корпус сигнализатора; 14—подвижной контакт сигнализатора; 15—пружина контакта сигнализатора; 16—перепускной клапан; 17—пробка; 19— корпус фильтра; 21—втулка корпуса; 22—уплотнительное кольцо; 23—фильтрующий элемент; 24—колпак; 25—сливная пробка.
Однако использование бумажных фильтроэлементов очистки масла еще не гарантирует полной его очистки. Даже при незначительном попадании воды в масло и при несоблюдении правил эксплуатации двигателя (работа на повышенном и особенно пониженном тепловом режиме, применение несоответствующего сорта масла и др.) предельное засорение элементов масляного фильтра может наступить раньше установленного срока. В этом случае фильтр длительное время работает с открытым перепускным клапаном 16, что зачастую приводит к задиру и провороту вкладышей коленчатого вала.
Для определения момента предельного засорения элементов в конструкции фильтра предусмотрен сигнализатор засоренности, совмещенный с перепускным клапаном. Контакты сигнализатора замыкаются при открытии перепускного клапана.
С 1980 г. на щитке приборов автомобилей КамАЗ устанавливается красная сигнальная лампочка, соединенная с клеммой сигнализатора Загорается она при открытии перепускного клапана фильтра очистки масла.
Фильтр центробежный масляный с активно-реактивным приводом ротора установлен на передней крышке блока цилиндров с правой стороны двигателя. Ротор 3 (рис. 14) в сборе с колпаком 2 приводится во вращение струей масла, вытекающей из щели-сопла в оси 11 ротора, а также реактивными силами, возникающими при выходе масла из ротора в канал оси через тангенциальные сопла.
3.4 Схема центробежного масляного фильтра

1—корпус; 2—колпак ротора; 3— ротор; 4—колпак фильтра; 5- -гайка крепления колпака ротора; 6—упорный шарикоподшипник, 7—упорная шайба; 8—гайка крепления ротора: 9 - гайка крепления колпака фильтра; 10 верхняя втулка ротора; 11—ось ротора; 12—экран; 13—нижняя втулка ротора; 14—палец стопора; 15—пластина стопора; 16—пружина стопора; 17—трубка отвода масла
При работе двигателя масло из радиаторной секции насоса под давлением подается в фильтр, обеспечивая вращение его ротора. Под действием центробежных сил механические частицы отбрасываются к стенкам колпака ротора и задерживаются, а очищенное масло через отверстие в оси ротора и трубку 17 поступает в воздушно-масляный радиатор или через сливной клапан в корпусе фильтра, Отрегулированный на давление 0,5— 0,7 кгс/см2 в картер двигателя. Перепускной клапан, установленный в корпусе фильтра и отрегулированный на давление 6,0— 6,5 кгс/см2, ограничивает максимальное давление перед центрифугой. Во избежание нарушения балансировки при обслуживании фильтра на роторе и колпаке нанесены метки, которые необходимо совмещать при сборке.
Картер масляный — стальной, штампованный, закреплен на нижней плоскости блока цилиндров болтами. Между картером и блоком установлена резино-пробковая прокладка для обеспечения герметичности соединения. Для предотвращения быстрого перетекания масла при разгоне и торможении автомобиля в картер вварена перегородка. В нижней части картера имеется сливная пробка.
Воздушно-масляный радиатор — трубчато-пластинчатый, двухрядный, установлен перед радиатором системы охлаждения двигателя. Начиная с I квартала 1986 г. на автомобили устанавливается масляный радиатор из оребренной алюминиевой трубки. Масляный радиатор должен быть постоянно включен. Для ускорения прогрева двигателя при пуске зимой радиатор следует отключить (закрытием крана на корпусе центробежного масляного фильтра). После прогрева двигателя кран открыть.
4.Основные составляющие системы смазки
4.1 МАСЛЯНЫЙ НАСОС
закреплен на нижней плоскости блока цилиндров. Ведущее зубчатое колесо напрессовано на передний конец коленчатого вала и имеет 64 зуба, ведомое 52, то есть передаточное отношение 0,8125. Зазор в зацеплении приводных зубчатых колес регулируется прокладками, устанавливаемыми между привалочными плоскостями насоса и блока, который должен быть 0,15-0,35 мм, момент затяжки болтов крепления масляного насоса к блоку должен быть 49-68,6 Н.м (5-7 кгс. м). Масляный насос шестеренчатый, односекционный. Содержит корпус, крышку и шестерни. В крышке расположен клапан смазочной системы , с пружиной .
4.2 МАСЛЯНЫЙ ФИЛЬТР
закреплен на правой стороне блока цилиндров, состоит из корпуса, двух колпаков, в которых установлены полнопоточный и частично-поточный фильтроэлементы. Колпаки на резьбе вворачиваются в корпус. Уплотнение колпаков в корпусе осуществляются кольцами. В корпусе фильтра также расположен перепускной клапан и термоклапан включения водомасляного теплообменника. Очистка масла в фильтре комбинированная.
Через полнопоточный фильтроэлемент проходит основной поток масла перед поступлением к потребителям, тонкость очистки масла от примесей при этом составляет 40 мкм. Через частично - поточный фильтроэлемент проходит 3-5 л/мин, где удаляются примеси размерами более 5 мкм. Из частично-поточного элемента масло сливается в картер. При такой схеме достигается высокая степень очистки масла от примесей.
4.3 ТЕРМОКЛАПАН
включения водомасляного теплообменника состоит из подпружиненного поршня с термосиловым датчиком . При температуре ниже 93С поршень находится в верхнем положении и основная часть потока масла, минуя теплообменник, поступает в двигатель. При достижении температуры масла (95+2)С омывающего термосиловой датчик , активная масса, находящаяся в баллоне, начинает плавиться и, увеличиваясь в объеме, перемещает шток датчика и поршень . При температуре масла (110+2)С поршень разобщает полости в фильтре до и после теплообменника и весь поток масла идет через теплообменник. При превышении температуры масла выше 111_.С срабатывает датчик температуры и на щитке приборов загорится сигнальная лампочка.
4.4 ВОДОМАСЛЯНЫЙ ТЕПЛООБМЕННИК
(рис. Фильтр масляный с теплообменником) установлен на масляном фильтре, кожухотрубного типа, сборный. Внутри трубок проходит охлаждающая жидкость из системы охлаждения двигателя, снаружи - масло. Со стороны масла трубки имеют оребрение в виде охлаждающих пластин. Поток масла в теплообменнике четыре раза пересекает трубки с водой, чем достигается высокая эффективность охлаждения масла. На двигатели 740.11-240 и 740.14-300 устанавливаются разные теплообменники, которые отличаются длиной. МАСЛЯНЫЙ КАРТЕР штампованный, крепится к блоку цилиндров через резинопробковую прокладку. Момент затяжки болтов крепления картера 14-17,8 Н.м (1,4-1,8 кгс. м).
4.5 СИСТЕМА ВЕНТИЛЯЦИИ КАРТЕРА
(см. рисунок) открытая, циклонного типа. Картерные газы отводятся из штанговой полости второго цилиндра, через угольник 1, в котором установлен завихритель. При работе двигателя картерные газы проходят через завихритель, получают винтовое движение за счет действия центробежных сил капли масла, содержащиеся в газах, отбрасываются к стенке трубы 4 и через трубку 6 сливаются обратно в картер. Очищенные картерные газы выбрасываются в атмосферу.
5.ОБЩИЕ УКАЗАНИЯ И ПРЕДУПРЕЖДЕНИЯ
Перед эксплуатацией двигателя нужно внимательно изучить настоящее Руководство и в дальнейшем соблюдать изложенные в нем рекомендации.
1. Исправная работа двигателя и длительный срок его службы находятся в прямой зависимости от культуры эксплуатации, поэтому необходимо внимательно относится к проведению всех регламентных работ, предусмотренных настоящим Руководством.
2. Для обеспечения безупречной работы двигателя следует применять запасные части только изготовления. Установку различного оборудования и механизмов на двигатель КамАЗ 740 следует согласовать с разработчиком и держателем конструкторской документации. В противном случае двигатель КамАЗ 740 не подлежит гарантийному обслуживанию.
3. Следует помнить, что для начального периода эксплуатации нового двигателя установлен пробег 1000 км или наработка 50 моточасов в стационарных условиях.
4. При эксплуатации двигателя необходимо применять марки топлив, смазочных и эксплуатационных материалов в соответствии с настоящим руководством (см. приложения 1-7).
5. При загорании сигнализатора аварийного падения давления в смазочной системе двигателя, необходимо остановить двигатель КамАЗ 740, найти и устранить неисправность.
6. Для предотвращения возникновения трещин в бобышках блока под болты крепления головок цилиндров необходимо предохранять резьбовые отверстия от попадания жидкости или загрязнений при разборке двигателя и, особенно перед установкой головок цилиндров.
7. Необходимо следить за температурой жидкости в системе охлаждения двигателя: при загорании сигнализатора аварийного перегрева жидкости надо остановить двигатель КамАЗ 740, найти и устранить неисправность.
8. При появлении неисправностей, связанных с утечкой охлаждающей жидкости, допускается кратковременное использование воды в системе охлаждения до устранения неисправностей. 9. Завод сохраняет за собой право в дальнейшем совершенствовать конструкцию двигателя без предварительного предупреждения потребителей.
6.МЕРЫ БЕЗОПАСНОСТИ
1. Все неисправности, обнаруженные при осмотре двигателя, должны быть устранены.
2. Не разрешается прогревать двигатель КамАЗ 740 в закрытых помещениях с плохой вентиляцией.
3. Следует помнить, что охлаждающая жидкость Тосол, применяемая в системе охлаждения двигателя ядовита: обращаться с ней надо осторожно во избежание отравления при попадании внутрь организма. Пары охлаждающей жидкости взрывоопасны.
4. Двигатель необходимо содержать в чистоте и исправности, так КамАЗ 740 сливание двигателя и течь топлива могут явиться причиной возникновения пожара.
5. Нельзя производить смазку и очистку работающего двигателя.
6. В случае воспламенения дизельного топлива пламя следует засыпать землей, песком или накрыть его войлоком или брезентом, использовать огнетушитель. Категорически запрещается заливать горящее топливо водой.
7.Сисок литературы
1. Машков Е.А. Техническое обслуживание и ремонт автомобилей КамАЗ-5320, 53211, 53212, 53213, 5410, 54112, 55111, 55102/Иллюстрированное издание-Издательство «Третий Рим», 1997-88с.
2. Осыко В.В. и др. Устройство и эксплуатация автомобиля КамАЗ-4310:Учебное пособие / Осыков В.В., Петриченко И.Я., Алленов Ю.А., Цветков В.Н., Лысов М.А.-М.: Патриот, 1991.-351 с.
3. Роговцев В.Л. и др. Устройство и эксплуатация автотранспортных средств: Учебник водителя / Роговцев В.Л., Пузанков А.Г., Олдфильд В.Д.-М.: Транспорт, 1989.-432 с.
4. Румянцев С.И. и др. Техническое обслуживание и ремонт автомобилей: Учебник для ПТУ / С.И. Румянцев, А.Ф. Синельников, Ю.Л. Штоль.-М.: Машиностроение, 1989.-272 с.
5. Устройство, техническое обслуживание и ремонт автомобилей: Учеб./Ю.И. Боровских, Ю.В. Буралев, К.А. Морозов, В.М. Никифоров, А.И. Фешенко - М.: Высшая школа; Издательский центр «Академия», 1997.-528с..

