Синтез управляющего автомата модели LEGO транспортной тележки и моделирование ее движения
Кубанский государственный технологический университет
Кафедра автоматизации технологических процессов
Задание на контрольную работу
По дисциплине “Автоматизированное управление дискретными процессами” для студентов заочной формы обучения специальности 21.01 — “Автоматика и управление в технических системах” на тему: “Синтез управляющего автомата модели LEGO — “транспортная тележка” и моделирование её движения вдоль трассы”

Выдано:
Аспирантом каф. АПП 06.09.99 /Напылов Р.Н./
студенту гр. ____________ /____________/
Краснодар 1999
1Исходные данные
1.1Управляемый процесс — движение модели LEGO транспортной тележки вдоль заданной траектории в виде белой полосы. Ориентация тележки относительно трассы регулируется датчиками контраста.
1.2Условная схема транспортной тележки приводится на рисунке 1.1. Тележка движется за счёт заднего привода, создающего постоянное тягловое усилие
. Вращение переднего колеса тележки осуществляется с помощью реверсивного поворотного двигателя, отрабатывающего с постоянной угловой скоростью
, где
— угол поворота переднего колеса (рисунок 1.1)
1.3Транспортная тележка, как объект управления имеет систему дискретных входных и выходных сигналов, структурно представленную на рисунке 1.2. Кодировка указанных сигналов следующая:
Таблица 1.1 – Кодировка управляющих сигналов
Разряд сигнала
X
Управляющее действие
X0
1 – двигатель тележки включен
0 – двигатель тележки выключен
X1
1 – поворотный двигатель отрабатывает влево
0 – двигатель влево не отрабатывает
X2
1 – поворотный двигатель отрабатывает вправо
0 – двигатель вправо не отрабатывает
Таблица 1.2 – Кодировка выходных сигналов
Разряд сигнала
Y
Событие
Y0
1 – левый датчик над светлой точкой трассы
0 – левый датчик над тёмной точкой трассы
Y1
1 – правый датчик над светлой точкой трассы
0 – правый датчик над тёмной точкой трассы
Д — датчики контраста;
ц — центр масс тележки;
— вектор тяглового усилия двигателя;
— вектор приведенной силы трения;
— вектор реакции трассы (опоры) на переднее колесо;
— центростремительная реакция трассы;
— упрощенная габаритная определяющая;
— расстояние между датчиками контраста.
Рисунок 1.1 – Динамическая схема транспортной тележки

— трёхразрядный управляющий сигнал;
— двухразрядный выходной сигнал.
Рисунок 1.2 – Структурная схема управления транспортной тележкой

Сигналы Y используются в качестве обратной связи управляющего автомата. По изменению этих сигналов возможно судить о текущем положении тележки относительно белой полосы трассы. Сигналы X вырабатываются управляющим автоматом в зависимости от поведения во времени сигналов Y так, что бы обеспечить совпадение траекторий движения тележки и трассы.
1.4Решение о подачи питания на задний привод тележки и, расположенный на ней, управляющий автомат принимает внешний оператор. Поэтому, исходным состоянием тележки является активность двигателя привода. В этом случае задача управляющего автомата состоит только в обеспечении движения тележки вдоль трассы.
1.5Допущения, делаемые при рассмотрении управляемой тележки в динамике:
тягловое усилие
постоянное;приведённая сила трения
пропорциональна линейной скорости движения тележки;сила трения
, подменяющая реакцию
в момент, когда
(переднее колесо проскальзывает), постоянна и пропорциональна массе тележки;сила трения
, подменяющая реакцию
в момент, когда
(тележку заносит), также постоянна и пропорциональна массе тележки;масса тележки
и её момент инерции
относительно центра масс связаны зависимостью:
, как если бы вся масса тележки была сосредоточена в стержне
(рисунок 1.1).
2Основное задание
2.1Сформировать модель управляющего автомата в форме таблицы переходов и выходов автомата Милли, предварительно составив список его возможных состояний и перекодировав входной алфавит автомата во множество многозначной логики (Y - четырёхзначное);
2.2Минимизировать, в случае возможности, таблицу переходов и выходов автомата Милли;
2.3Составить алгебрологические выражения функции переходов и функции выходов минимизированного автомата, используя только двоичное представление входных и выходных сигналов;
2.4Минимизировать полученные функции;
2.5По минимизированным логическим функциям зарисовать цифровую схему управляющего автомата (стандарт условного графического изображения логических элементов — Российский).
3Дополнительное задание
Вывести модель динамики транспортной тележки. Положение центра масс тележки в плоской системе координат задавать вектором положения
. Положение точки приложения силы тяги привода задавать вектором
.
4Список источников
4.1Юдицкий С.А., Магергут В.Э. Логическое управление дискретными процессами. Модели, анализ, синтез. — М.: Машиностроение, 1987. — 176 c.
4.2Кузнецов О.П., Адельсон-Вольский Г.М. Дискретная математика для инженеров. — М.: Энергоатомиздат, 1987. — 450 c.
4.3Шварце Х., Хольцгрефе Г.-В. Использование компьютеров в регулировании и управлении: Пер. с нем.—М.: Энергоатомиздат, 1990. — 176 с.: ил.
4.4Каган Б.М., Сташин В.В. Основы проектирования микропроцессорных устройств автоматики. — М.: Энергоатомиздат, 1987. — 304 c.
4.5Мишель Ж., Лоржо К., Эспью Б., Программируемые контроллеры. — Пер. c французского А.П. Сизова — М.: Машиностроение, 1986.
4.6Микропроцессоры: В 3-х кн. Кн. 2. Средства сопряжения. Контролирующее и информационно-управляющие системы: Учеб. Для втузов/В.Д. Вернер, Н.В. Воробьёв, А.В. Горячев и др.; Под ред. Л.Н. Преснухина. — М.: Высш. шк., 1986. — 383 c.: ил.
4.7Фиртич В. Применение микропроцессоров в системах управления: Пер. с нем. — М.: Мир, 1984,—464 c., ил.
5Решение основного задания
5.1Выходной алфавит транспортной тележки является входным алфавитом управляющего автомата Y. Для возможности применения теории конечных автоматов перекодируем его во множество четырёх знаков в соответствии с таблицей 5.1.
Таблица 5.1 – Кодировка входного алфавита управляющего автомата
Y0 | Y1 | Y |
0 0 1 1 | 0 1 0 1 | 0 1 2 3 |
5.2При определении возможных состояний управляющего автомата будем руководствоваться правилом: — допустимо введение избыточных состояний, которые при последующей минимизации автомата исключаются; недопустим пропуск необходимого состояния, который уменьшает адаптированность автомата к внешним ситуациям.
Перечень возможных состояний автомата, отождествлённых с ситуационными событиями транспортной тележки, приводится ниже.
Таблица 5.2 – Перечень состояний управляющего автомата транспортной тележки
Код
состояния SОписание состояния 0
1
2
3
Исходное состояние неуправляемого движения;
Поворот вправо (поворотный двигатель непрерывно отрабатывает вправо);
Поворот влево (поворотный двигатель непрерывно отрабатывает влево);
Конфликт поворотов.
5.3Для возможности формирования математической модели управляющего автомата рассмотрим описательный алгоритм управления транспортной тележки по состояниям:
В исходном состоянии тележка непрерывно движется под действием привода. Ни один из датчиков контраста не находится над белой полосой трассы. Поворотный двигатель остановлен;
При возникновении белой полосы под левым датчиком контраста включается поворотный двигатель на отработку влево. Привод отключается и далее следует движение по инерции, что уменьшает вероятность заноса тележки;
Как только левый датчик контраста “сходит” с белой полосы поворотный двигатель останавливается в текущем состоянии, а привод вновь запускается;
При возникновении белой полосы под правым датчиком — поведение транспортной тележки аналогично;
Возникновение белой полосы под правым и левым датчиком свидетельствует о том, что тележка движется перпендикулярно трассе. Это сбойная ситуация, при которой следует отключение привода и блокировка управляющего автомата. Нормальный ход работы автомата может быть восстановлен только “сбросом”.
5.4Поскольку управляющий сигнал имеет три разряда, то для составления модели автомата Милли необходимо построить три таблицы переходов и выходов. Указанные таблицы, эквивалентные описательному алгоритму управления, приводятся ниже.
Таблица 5.3 – Таблицы переходов и выходов управляющего автомата
Код Si | Для X0 | Для X1 | Для X2 | |||||||||
| y | y | y | ||||||||||
| 0 | 1 | 2 | 3 | 0 | 1 | 2 | 3 | 0 | 1 | 2 | 3 | |
| 0 |
|
|
|
|
|
|
|
|
|
|
|
|
Код Si | Для X0 | Для X1 | Для X2 | |||||||||
| y | y | y | ||||||||||
| 0 | 1 | 2 | 3 | 0 | 1 | 2 | 3 | 0 | 1 | 2 | 3 | |
| 1 |
|
|
|
|
|
|
|
|
|
|
|
|
| 2 |
|
|
|
|
|
|
|
|
|
|
|
|
| 3 |
|
|
|
|
|
|
|
|
|
|
|
|
5.5Как видно, состояния S0, S1, S2 явно эквивалентны, причём для каждого из выходов X. Представляется возможным эти эквивалентные состояния обозначить одним состоянием S0 – состояние управления тележкой. В этом случае, состояние блокировки S3 удобно переобозначить как S1 – состояние блокировки автомата. В результате получаем модель несократимого автомата Милли.
Таблица 5.4 – Таблицы переходов и выходов несократимого автомата
Код Si | Для X0 | Для X1 | Для X2 | |||||||||
| y | y | y | ||||||||||
| 0 | 1 | 2 | 3 | 0 | 1 | 2 | 3 | 0 | 1 | 2 | 3 | |
| 0 |
|
|
|
|
|
|
|
|
|
|
|
|
| 1 |
|
|
|
|
|
|
|
|
|
|
|
|
5.6Учитывая, что код состояния полученной модели описывается одноразрядным сигналом S, а также учитывая кодировку входных сигналов Y (табл. 5.1), составим таблицу истинности комбинационной схемы автомата, непосредственно по таблице 5.4 и введя обозначения: S(j) — текущий сигнал состояния, S(j+1) — сигнал состояний на следующем такте автомата.
Судя по таблице 5.5, минимизации поддаётся только функция переходов
. Минимизируем её методом карт Карно (см. рис. 5.1).
Таблица 5.5 – Таблица истинности комбинационной схемы автомата
S(j) 0 0 0 0 1 1 1 1 Y0
0 0 1 1 0 0 1 1 Y1
0 1 0 1 0 1 0 1 S(j+1) 0 0 0 1 1 1 1 1 X0
1 0 0 0 0 0 0 0 X1
0 0 1 0 0 0 0 0 X2
0 1 0 0 0 0 0 0
Рисунок 5.1 – Минимизация функции переходов методом карт Карно

5.7Теперь можно записать логические выражения для комбинационной схемы автомата.
Функция переходов:
. (5.1)
Функции выходов в СДНФ по таблице истинности:
. (5.2)
Для удобства реализации комбинационной схемы представим рассматриваемые функции в базисе “ИЛИ-НЕ”:
. (5.3)
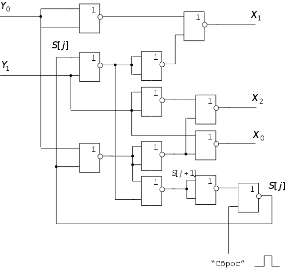
5.8На основе системы (5.3), окончательно получаем цифровую схему реализации управляющего автомата транспортной тележки, представленную на рисунке 5.2.
Особенностью полученной схемы является то, что она не содержит элементы памяти и задержки и, соответственно, не является тактируемой. Такой вариант реализации возможен для автоматов с двумя состояниями, одно из которых является абсолютно устойчивым. В нашем случае состояние блокировки есть абсолютно устойчивое состояние. Если комбинационная схема сформируем это состояние, то за счёт обратной связи по линии S запрещается реакция выходов X на изменение входных сигналов Y. Выход из этого устойчивого состояния возможен только принудительным обнулением линии S единичным уровнем на линии “Сброс”. Конфликтных “Состязаний” в рассматриваемом автомате не возникает.

Рисунок 5.2 – Цифровая схема управляющего автомата транспортной тележки
6Решение дополнительного задания
6.1Действующая на тележку в динамике система сил раскладывается на результирующую силу, приложенную к центру масс тележки
и вращающий момент
, относительно того же центра масс.
6.2Как видно из рисунка 1.1 вращающий момент определяется только силой реакции опоры переднего колеса
—
, (6.1)
— угол поворота переднего колеса.
Зная из рисунка, что
, (6.2)
получим:
. (6.3)
Положительные значения вращающего момента соответствуют повороту тележки влево, отрицательные — вправо.
6.3Результирующая сила, действующая на центр масс тележки, определяется векторной суммой всех сил на рисунке 1.1:
. (6.4)
Для нашего случая важно знать направление действия силы
, которое зависит от направлений и величин составляющих рассматриваемой суммы. В свою очередь направления составляющих рассматриваются относительно положения габаритной определяющей, которое характеризуется единичным вектором:
, (6.5)
— вектор, задающий координаты центра масс тележки;
— вектор, задающий координаты точки приложения силы тяги
;
— габаритная определяющая транспортной тележки.
6.4Вектор
представляется в базисе вектора
следующим образом:
, (6.6)
— единичный вектор, ортогональный вектору
,или
. (6.7)
Если
имеет координаты
, то
имеет координаты
. Тогда вектор
, выраженный в базисе Декартовой системы координат, имеет вид:
, (6.8)
— матрица (оператор) поворота вектора
на угол
.
Теперь, используя выражение (6.2), окончательно найдём, что
. (6.9)
6.5Из рисунка 1.1 очевидным образом вытекают выражения для векторов силы тяги и приведённой силы трения, а именно:
, (6.10)
. (6.11)
6.6Центростремительная реакция трассы
определяется произведением массы тележки и нормальной составляющей ускорения её центра масс, возникающей при закруглении траектории движения:
, (6.12)
— центростремительное ускорение.
Если траектория движения центра масс задаётся вектором
, то
, (6.13)
— вектор скорости центра масс;
— вектор полного ускорения;
— оператор скалярного произведения векторов.
Это физический факт. Вывод его опускаем.
6.7Центр масс тележки смещается под действием результирующей силы
, при этом справедливо:
. (6.14)
6.8Точка приложения силы тяги смещается под действием вращающего момента
, за счёт которого ей придаётся угловое ускорение
:
, (6.15)
— момент инерции тележки относительно центра масс.
Зная угловое ускорение можно найти тангенциальное
в скалярной форме:
,
а затем и в векторной:
, (6.16)
— векторная скорость изменения ориентации габаритной определяющей.
С другой стороны, — вектор тангенциального ускорения может быть выражен через полное ускорение вектора
:
, (6.17)
— вектор полного ускорения изменения ориентации габаритной определяющей;
В результате имеем связь:
. (6.18)
6.9Учитывая, что приведённая сила трения пропорциональна модулю скорости центра масс:
, (6.19)
— коэффициент трения,
на основании всех найденных зависимостей путём исключения неизвестных нетрудно получить систему дифференциальных уравнений, являющуюся моделью динамики транспортной тележки в векторной форме. Записать эту систему в одну строчку проблематично, поэтому ограничимся указанием того, что первое дифференциальное уравнение системы строится на основе выражений: (6.3), (6.4), (6.5), (6.9), (6.10), (6.11), (6.13), (6.14), (6.19), а второе на основе: (6.3), (6.5), (6.18) Решением первого уравнения является зависимость траектории центра масс тележки от времени, решением второго — ориентация во времени вектора
.
Полученная система не имеет аналитического решения и поэтому должна решаться численно при любой зависимости от времени угла поворота
и четырёх начальных условиях типа:
, (6.20)
которые показывают, что в нулевой момент времени центр масс тележки находится в начале координат, скорость тележки равна нулю (и поступательная и вращательная), тележка сориентирована вертикально по оси
.
Для более детального учёта свойств транспортной тележки в динамики выражения векторов реакций трассы должны быть заменены на выражения с условиями сравнений в соответствии с допущениями, сформулированными в задании контрольной работы.













