Организация движения поездов на отделении дороги
В единой транспортной системе страны, обеспечивающей потребности народного хозяйства и населения в перевозках, важная роль принадлежит железнодорожному транспорту. На железные дороги приходится около 80% грузовых и 40% пассажирских перевозок. Ведущее положение железнодорожного транспорта объясняется такими качествами, как обеспечение массовых перевозок любых грузов на дальние расстояния, сравнительно низкая себестоимость, массовость, регулярность, надёжность и быстрота перевозок, повсеместность расположения сети, возможность работы независимо от времени года и климатических условий.
Кроме всего этого железнодорожный транспорт имеет ещё ряд технико-экономических особенностей, которые имеют большое значение для развития народного хозяйства:
w Возможность прокладки на любой сухопутной территории;
w Осуществление перевозок на огромных пространствах;
w Возможность перевозки негабаритных грузов;
w Реализация больших скоростей движения при относительно высокой степени безопасности;
w Большая маневренность в использовании вагонного парка, изменении направлений вагонопотоков в обход повреждённых или загруженных участков;
w Наименьшее отрицательное воздействие на окружающую среду;
w Большая значимость во внешнеэкономических связях и в деле обороны страны;
Несмотря на преимущества железнодорожного транспорта, он постоянно совершенствуется. Одно из основных направлений совершенствования работы железнодорожного транспорта является рассмотрение проекта Стратегической программы развития компании ОАО "РЖД", которое состоялось 10 июня 2004 года. В этом проекте выделяется пять стратегических задач, которые и будут являться основными направлениями совершенствования:
· Увеличение "масштаба" транспортного бизнеса;
· Повышение производственно-экономической эффективности;
· Повышение качества работы и безопасности перевозок;
· Глубокая интеграция в Евроазиатскую транспортную систему;
· Повышение финансовой устойчивости;
Совершенствование, повышение долгосрочной эффективности и финансовой устойчивости ОАО "РЖД", улучшение качества предоставляемых услуг, увеличение масштаба транспортного производства и интеграция России в Евроазиатскую транспортную систему невозможно без дальнейшего развития инфраструктуры железных дорог, модернизации технических средств, централизации управления эксплуатационной деятельностью, внедрения современных технологий.
Одним из самых ценных преимуществ высокоскоростного движения на направлениях сети железных дорог является экономия времени на перемещение грузов и пассажиров. Кроме того, здесь обеспечены высокий уровень комфорта и заданная степень безопасности пассажира. Все эти показатели напрямую зависят от графика движения поездов. График движения поездов является основой организации всей перевозочной работы на железнодорожном транспорте. График организует работу всех подразделений в единое целое. На его основе согласовывается деятельность железных дорог с предприятиями – грузоотправителями и грузополучателями, определяются показатели использования вагонов и локомотивов, осуществляется своевременная и безопасная перевозка пассажиров. Соблюдение графика движения поездов и предупреждение его нарушений является главным условием для всех работников, связанных с организацией движения.
К графику движения поездов предъявляются следующие требования:
· Обеспечение выполнения плана перевозок грузов и пассажиров прокладкой на каждом участке определённого числа пассажирских и грузовых поездов;
· Обеспечение безопасности движения поездов соблюдением перегонных времён хода поездов, станционных и межпоездных интервалов, норм стоянок поездов для технических и коммерческих операций, установленных требований при приёме и отправлении поездов и производстве маневровой работы и т.д.
· Наиболее эффективное использование пропускной и провозной способности участков и перерабатывающей способности станций, которое достигается рациональной прокладкой поездов на графике, правильным чередованием подвода к станциям транзитных и разборочных поездов;
· Высокопроизводительное использование подвижного состава с помощью чёткого согласования графиков движения поездов и оборота локомотивов на смежных участках, на междудорожных и пограничных стыках и применения прогрессивных методов эксплуатации;
· Соблюдение установленной продолжительности работы локомотивных и поездных бригад организацией на направлении пунктов подмены бригад;
· Предоставление возможности выполнения работ по текущему содержанию пути, сооружений, устройств электроснабжения, СЦБ и связи выделением в графике технологических "окон" продолжительностью 60-120 мин.
1. Технико-эксплуатационная характеристика участков отделения
В состав данного отделения входит три участка. Участок Д – Е: двухпутный, оборудован автоблокировкой. Участок Е – К: однопутный, оборудован полуавтоматической блокировкой. Участок Е – Ж: однопутный, оборудован полуавтоматической блокировкой.
На всех участках применяется электровозная тяга. По участкам отделения проследуют пассажирские и пригородные поезда. Размеры пассажирского движения: на участке Д – Е в нечётном направлении 2 скорых, 2 пассажирских, 2 пригородных. В чётном направлении 2 скорых, 2 пассажирских, 2 пригородных поезда; на участке Е – К в нечётном направлении 1 скорый, 1 пассажирский, 1 пригородный поезд. В чётном направлении 1 скорый, 1 пассажирский, 1 пригородный поезд; на участке Е – Ж в нечётном направлении 1 скорый, 1 пассажирский, 1 пригородный поезд. В чётном направлении 1 скорый, 1 пассажирский, 1 пригородный поезд.
В грузовом движении: на участке Д – Е в нечётном направлении проходит 20 сквозных, 8 участковых, 1 сборный поезд. В чётном 20 сквозных, 9 участковых, 1 сборный поезд; на участке Е – К в нечётном направлении 10 сквозных, 3 участковых, 1 сборный поезд. В чётном направлении 10 сквозных, 4 участковых, 1 сборный поезд; на участке Е – Ж в нечётном направлении 10 сквозных, 3 участковых, 1 сборный поезд. В чётном направлении 10 сквозных, 3 участковых, 1 сборный поезд.
На участке Е – К в нечётном направлении ежесуточно грузится в нечётном направлении 39 вагонов, в чётном направлении 39 вагонов, выгружается в нечётном направлении 33 вагона, в чётном направлении 42 вагона;
На станции Е для обслуживания пассажирские скорые и пассажирские поезда стоят по 10 мин. На промежуточных станциях участков пассажирские поезда для обслуживания пассажиров имеют стоянки по 2 мин, а пригородные поезда по 1 мин.
Пригородные поезда на станции оборота для обслуживания пассажиров и смены кабины управления локомотивной бригады имеют стоянки по 10 мин. Грузовые поезда на станции Е для смены локомотива, локомотивной бригады, технического и коммерческого осмотра составов имеют стоянки по 30 мин. Сборные поезда на промежуточных станциях для прицепки и отцепки вагонов имеют стоянки – 45 мин, при прицепке или отцепке – 30 мин, на опорных промежуточных станциях – 25 мин.
2. Расчёт станционных и межпоездных интервалов
2.1 Расчёт станционного интервала неодновременного прибытия
Исходные данные:
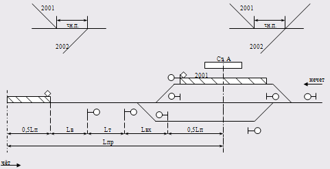
- длина входной горловины, Lвх = 800 м;
- длина тормозного пути, Lм = 1100 м;
- длина поезда, Lп = 800 м;
- средняя скорость движения на однопутном участке, Vср = 55 км/ч;
- длина блок-участков: Lбл’ = 2500 м, Lбл’’ = 2000 м, Lбл’’’ = 2300 м;
Станционным интервалом неодновременного прибытия называется минимальное время с момента прибытия на станцию одного поезда до момента прибытия или проследования через станцию поезда встречного направления.



![]()
Lпр = 800 + 1100 + 800 = 2700 м

Принимаем интервал неодновременного прибытия – 4 мин.
2.2 Расчёт станционного интервала скрещения
Станционным интервалом скрещения называется минимальное время с момента прибытия или проследования через станцию одного поезда до момента отправления на освободившийся перегон.


Принимаем станционный интервал скрещения – 1 мин.
2.3 Расчёт станционного интервала попутного следования
Интервалом попутного следования называется минимальное время с момента прибытия или проследования поезда через соседнюю станцию до момента отправления или проследования через данную станцию поезда попутного следования.




Принимаем станционный интервал попутного следования – 4 мин.
2.4 Расчёт интервала между поездами в пакете при АБ
Пакетом называется 2 и более поездов, следующих друг за другом с разграничением времени блок-участками или блок-постами.

При разграничении поездов тремя блок-участками, интервал между поездами в пакете определяется по формуле:

![]()

При разграничении поездов двумя блок-участками, интервал между поездами в пакете определяется по формуле:

![]()
3. Расчёт пропускной способности участков отделения
Вычерчиваем схему однопутного участка Е – К, наносим на неё наименование раздельных пунктов и перегонные времена хода грузовых поездов

Труднейшим перегоном участка Е – К является перегон С – Т с максимальным временем хода пары поездов.
Выбираем оптимальную схему пропуска поездов по труднейшему перегону, для этого рассматриваем 4 возможные схемы пропуска, для каждой схемы подсчитываем период графика. Оптимальной схемой является схема, где период графика минимальный.
1. Сходу на труднейший перегон

Тпер = tх’ + tх’’ + 2tн.п. + 2tз = 20 + 21 + 2×4 + 2×1 = 51 мин;
где tх’ и tх’’ – время хода по перегону Т – С и С – Т;
tн.п. и tз – интервал неодновременного прибытия и время на замедление;
2. Сходу с труднейшего перегона

Тпер = tх’’ + tх’ + 2tс + 2tр = 21 + 20 + 2×1 + 2×4 = 47 мин;
3. Нечётные поезда пропускаются сходу через оба раздельных пункта

Тпер = tх’ + tх’’ + tс + tр + tз + tн.п.= 20 + 21 + 1 + 2 + 1 + 4 = 49 мин;
4. Чётные поезда пропускаются сходу через оба раздельных пункта

Тпер = tх’’ + tс + tх’ + tр + tз + tн.п = 21 + 1 + 20 + 2 + 1 + 4 = 49 мин;
Самой оптимальной схемой пропуска является схема пропуска поездов сходу с труднейшего перегона, т.к. период графика является минимальным.
Намечаем порядок пропуска поездов по всем перегонам однопутного участка, начиная с труднейшего перегона.
ТперЕ-п = tх’ + tн.п. + tх’’ + tс + tр + tз + tз = 15 + 4 + 16 + 1 + 2 + 2 = 40 мин;
Тперп-р = tр + 2tс + tх’ + tх’’ + tр = 1 + 4 + 17 + 17 + 1 = 40 мин;
Тперр-с = 2tн.п. + tх’ + tх’’ + 2tз = 8 + 16 + 17 + 2 = 43 мин;
Тперс-т = tх’ + tс + tх’’ + tс + 2tр = 21 + 1 + 20 + 1 + 4 = 47 мин;
Тперт-ш = tн.п. + tх’ + tн.п. + tх’’ + 2tз = 4 + 16 + 4 + 18 + 2 = 44 мин;
Тперш-щ = tх’ + tс + tх’’ + tс + 2tр = 17 + 1 + 16 + 1 + 4 = 39 мин;
Тперщ-К = tх’’ + tн.п. + tх’ + tс + tр + 2tз = 16 + 4 + 17 + 1 + 4 =42 мин;
Рассчитываем пропускную способность участка:

где Ттех – продолжительность технологического окна (60 мин);
aн – коэффициент надёжности технических устройств для одного пути aн – 0,96, для двухпутного aн – 0,92;
k – количество поездов в периоде;
Тпер – продолжительность периода;
1440 – суточный бюджет времени;
![]()
![]()
![]()

![]()
![]()
![]()

Пропускная способность перегона при непараллельном графике определяется по формуле:
Nгр = Nmax - eпс × Nпс - eпр× Nпр – (eсб – 1) × Nсб – (eуск– 1) × Nуск;
где Nmax – пропускная способность участка при параллельном графике;
e - коэффициент съёма грузовых поездов;
N – число пар поездов пассажирских, пригородных, сборных, ускоренных;
Принимаем:
Nпс = 2 пары Nпр = 1 пара Nсб = 1 пара | eпс = 1,4 eпр = 1,4 eсб = 1,8 |
