Реконструкция электрической части подстанции 3510 кВ 48П "Петрозаводская птицефабрика"
Министерство образования Российской Федерации
Карельский региональный институт управления, экономики и права
ПетрГУ при Правительстве Республики Карелия
РЕКОНСТРУКЦИЯ ЭЛЕКТРИЧЕСКОЙ ЧАСТИ ПОДСТАНЦИИ 35/10 кВ 48П «Петрозаводская птицефабрика»
ДИПЛОМНЫЙ ПРОЕКТ
Выполнил студент
группы ЭП-2
Технический факультет
по специальности: «Энергообеспечение
предприятий»
Легостаев Андрей Сергеевич
Научный руководитель
Рыбаков Виктор Иванович
Петрозаводск 2003 год
Реферат
Объект проектирования
Подстанция номер 48П «Петрозаводская птицефабрика».
Обоснование темы проекта
С ростом нагрузок сельскохозяйственных потребителей (Петрозаводская птицефабрика, кооператив «Кукко») и развитием камне- и деревоперерабатывающих предприятий, а также в связи с тем, что на Петрозаводской птицефабрике намечается строительство новых и восстановление старых цехов, настоящий проект предусматривает замену физически и морально устаревшего оборудования (масляных выключателей на элегазовые и вакуумные), а также замену трансформаторов марки ТМН-6300/35 на трансформаторы большей мощности для надежного и бесперебойного электроснабжения потребителей.
Цель работы
Выполнить проект реконструкции электрической части подстанции номер 48П «Петрозаводская птицефабрика» города Петрозаводска. Для чего необходимо разработать проект модернизации подстанции в соответствии с заданными условиями. В процессе проектирования, дипломант должен выполнить необходимые расчёты и произвести выбор оборудования в соответствии с расчётами. В процессе проектирования выбираются новое оборудование, решаются вопросы организации ремонтных работ, охраны труда, пожарной безопасности и экологии. В экономическом разделе производится экономическая сравнительная оценка базового и проектного варианта объекта, рассчитывается число обслуживающего персонала, определяются эксплуатационные расходы.
Методы решения разрабатываемых вопросов
В процессе проектирования используются каталоги на современное отечественное оборудование, действующие решения и циркуляры. Отправными документами являются «Правила устройства электроустановок», «Правила технической эксплуатации электрических станций и сетей Российской федерации», «Межотраслевые Правила по охране труда (Правила безопасности) при эксплуатации электроустановок», «Правила пожарной безопасности на энергетических объектах».
Элементы новизны
- замена масляных выключателей на элегазовые и вакуумные выключатели;
- замена силовых трансформаторов на трансформаторы большей мощности.
содержание
1 Анализ существующего оборудования
1.1 Краткое описание и назначение объекта
2 Выбор силового оборудования
2.1 Выбор силовых трансформаторов
2.1.1 Расчет мощности трансформаторов Т-1 и Т-2 с учетом коэффициента перегрузки
2.2 Выбор схемы собственных нужд подстанции
2.2.1 Выбор комплектной трансформаторной подстанции собственных нужд
2.2.1.1 Расчет полной мощности потребителей собственных нужд
2.3 Расчет токов короткого замыкания
2.3.1 Расчет параметров схемы замещения
2.3.2 Расчет тока короткого замыкания в точке К1
2.3.3 Определение тока короткого замыкания в точке К1 при включенном секционном выключателе 35 кВ
2.3.4 Расчет тока короткого замыкания в точке К2
2.3.5 Определение тока короткого замыкания в точке К3 при включенном секционном выключателе 10 кВ
2.4 Выбор электрических аппаратов и токоведущих частей для заданных цепей
2.4.1 Выбор выключателей для цепей 35 и 10 кВ
2.4.1.1 Выбор выключателей в цепи трансформатора на стороне 35 кВ
2.4.1.2 Выбор секционного выключателя в цепи линий 35 кВ
2.4.1.3 Выбор выключателей в цепи трансформатора на стороне 10 кВ
2.4.1.4 Выбор выключателей в цепи линий 10 кВ
2.4.1.5 Выбор секционного выключателя в цепи линий 10 кВ
2.4.2 Выбор разъединителей для цепей 35 кВ
2.4.2.1 Выбор разъединителей в цепи линий и секционного выключателя 35 кВ.28
2.4.2.2 Выбор разъединителей в цепи трансформатора на стороне 35 кВ
2.4.3 Выбор трансформаторов напряжения для цепей 35 и 10 кВ
2.4.3.1 Выбор трансформаторов напряжения для цепи 35 кВ
2.4.3.2 Выбор трансформаторов напряжения для цепи 10 кВ
2.4.3.3 Выбор предохранителей в цепи трансформатора напряжения 10 кВ
2.4.4 Выбор трансформаторов тока для цепей 35 и 10 кВ
2.4.4.1 Выбор трансформаторов тока для цепи выключателя трансформатора 35 кВ
2.4.4.2 Выбор трансформаторов тока для цепи секционного выключателя 35 кВ
2.4.4.3 Выбор трансформаторов тока для цепи выключателя трансформатора 10 кВ
2.4.4.4 Выбор трансформаторов тока для цепи секционного выключателя 10 кВ
2.4.4.5 Выбор трансформаторов тока в цепи линий 10 кВ
2.4.5 Выбор шин на сторонах 35 и 10 кВ
2.4.5.1 Выбор шин на напряжении 35 кВ
2.4.5.2 Выбор шин в цепи трансформатора на стороне 10 кВ
2.4.6 Выбор опорных изоляторов в цепи трансформатора на стороне 10 кВ
2.4.7 Выбор проходных изоляторов на стороне 10 кВ
2.5 Выбор рода оперативного тока
2.6 Расчет заземляющего устройства
3 Основные показатели использования подстанции
3.1 Определение основных показателей производственной мощности подстанции
3.1.1 Определение установленной мощности подстанции
3.1.2 Определение рабочей мощности подстанции
3.1.3 Определение длительности времени эксплуатационной готовности подстанции
3.1.4 Расчет предполагаемого фактического времени работы подстанции
3.1.5 Определение фактической передачи электроэнергии подстанцией за год
3.1.6 Определение коэффициента экстенсивного использования мощности подстанции
3.1.7 Определение коэффициента интенсивного использования мощности подстанции
4 Анализ организации ремонта оборудования
4.1 Организация ремонта действующего оборудования
4.2 Приемо-сдаточные и профилактические испытания оборудования
5 Охрана труда и безопасность жизнедеятельности людей
5.1 Основные понятия и определения
5.2 Основные технические и организационные мероприятия по безопасному проведению работ в действующих электроустановках
6 Охрана окружающей среды
7 Экономический анализ объекта
7.1 Расчет капитальных затрат
7.2 Расчет издержек на передачу электроэнергии
7.2.1 Расчет издержек на амортизацию основных фондов
7.2.2 Расчет издержек на ремонт и эксплуатацию
7.2.3 Расчет издержек на заработную плату
7.2.4 Расчет прочих издержек
7.3 Выбор и расчет показателей экономической эффективности модернизации подстанции 48 «Петрозаводская птицефабрика»
7.3.1 Определение коэффициента приведения капитальных вложений и ежегодных затрат
7.3.2 Расчет приведенных затрат по сравниваемым вариантам передачи электроэнергии
7.4 Расчет условной годовой экономии
7.5 Обоснование экономической эффективности нового проекта
Заключение
Список использованных источников
Введение
Особенности электрической энергии предопределили ее роль, как важнейшего рычага научно-технической революции во всех отраслях народного хозяйства.
Эту особую энергетическую роль электричество приобрело благодаря таким характерным особенностям, как высокие потребительские свойства, простота преобразования в другие формы энергии, способность передачи на большие расстояния. Все это сделало электроэнергию удобной для использования в быту, в производственных технологиях, на транспорте, в средствах связи и других сферах. Электричество стало инфраструктурной энергетической категорией, важнейшей формой обеспечения жизни на Земле.
Эволюция человечества на современном этапе его развития возложила на электричество роль ключевого преобразованного энергоносителя в удовлетворении энергетических потребностей человека.
Как известно производительность общественного труда – решающий фактор возникновения нового общественного строя.
Электрическая энергия через увеличение электровооруженности труда оказывает решающее значение, во-первых, на его производительность, во-вторых, на изменение характера труда.
Электрифицированные машины и механизмы не только способствуют росту производительности труда, но и обеспечивают перерастание физического труда в разновидность труда умственного. Электрическая энергия, обладая гибкостью, позволяет настолько автоматизировать процесс производства, чтобы вывести из него человека и превратить его в контролера за ходом этого процесса.
На базе электрической энергии созданы и будут создаваться новые процессы производства и материалы, обладающие высокими качествами. алюминий, титан, высококачественная сталь и многие другие материалы, без которых не мыслим технический прогресс, созданы с помощью электрической энергии.
Электрификация процессов производства в промышленности, сельском хозяйстве на транспорте и в быту не только преобразует, механизирует и автоматизирует труд, но и создает наиболее комфортные условия.
Электричество в процессах производства относится к наиболее чистым видам энергии, без выброса в атмосферу вредных продуктов. Оно совершенствует процесс производства от замены привода машин до создания комплекса механизированных систем. Завершающим этапом, который обеспечит максимальную производительность общественного труда, бедует создание самонастраивающихся и саморегулирующихся кибернетических процессов производства.
Основные научные разработки и исследования в сфере энергетики будут направлены на обоснование путей и методов дальнейшей электрификации страны вместе с темпами и пропорциями развития народного хозяйства, дальнейшего развития Единой Энергетической Системы России, на повышение технического уровня теплоэнергетики и, наконец, снижения негативного воздействия энергетики на окружающую природную среду.
Для обеспечения нормальной работы электрической системы и всех входящих в нее элементов требуется строгое соблюдение определенных технических правил, они заключаются прежде всего в объединении всех генерирующих источников единой электрической связью, которая обеспечивает синхронную работу между собой отдельных агрегатов и всех входящих в энергосистему электрических станций. Параллельная работа электростанций на общие электрические сети может быть обеспечена линиями электропередач, рассчитанными на пропуск необходимых мощностей. Нарушение этого основного технологического правила может привести к расстройству параллельной работы электростанций и как следствие дезорганизация электроснабжения потребителей.
Устойчивая работа энергосистемы обеспечивается наличием в ней резервов электрических мощностей. Резерв мощности необходим для того, чтобы покрывать возникающую дополнительную потребность в электроэнергии и не допускать перегрузки энергетических агрегатов.
Обычно в энергосистемах создают два вида резервов: мобильный - для покрытия текущих колебаний нагрузок, которые происходят в течение суток и общий для покрытия изменения сезонной части нагрузок или замещения оборудования, выводимого в ремонт.
1 Анализ существующего оборудования
1.1 Краткое описание и назначение объекта
Подстанция номер 48П «Петрозаводская птицефабрика» расположена в Республике Карелия, в городе Петрозаводске и находится на балансе и в эксплуатации филиала Южно-Карельских электрических сетей открытого акционерного общества «Карелэнерго».
На подстанции установлены два трансформатора типа ТМН-6300/35/10. Электроснабжение подстанции осуществляется по двум воздушным линиям напряжением 35 кВ со стороны подстанции номер 2 «Древлянка» и со стороны подстанции номер 69 "Станкозавод". Открытое распределительное устройство 35 кВ выполнено по схеме «Мостик с выключателем в перемычке и выключателями в цепях трансформаторов».
Закрытое распределительное устройство 10 кВ выполнено на десять линейных присоединений, а именно:
Ø на Петрозаводскую птицефабрику, модульную котельную, кооператив «Кукко», камне- и деревоперерабатывающие предприятия – шесть ячеек;
Ø резерв – четыре ячейки.
Подстанция предназначена для электроснабжения Петрозаводской птицефабрики, модульной котельной муниципального унитарного предприятия «Тепловые сети», кооператива «Кукко» и так далее города Петрозаводска на напряжении 10 кВ.
С ростом нагрузок сельскохозяйственных потребителей (Петрозаводская птицефабрика, кооператив «Кукко») и развитием камне- и деревоперерабатывающих предприятий, а также в связи с тем, что на Петрозаводской птицефабрике намечается строительство новых и восстановление старых цехов, настоящий проект предусматривает замену физически и морально устаревшего оборудования (масляных выключателей на элегазовые и вакуумные), а также замену трансформаторов марки ТМН-6300/35 на трансформаторы большей мощности для надежного и бесперебойного электроснабжения потребителей.
В зоне электроснабжения расположены потребители I (Петрозаводская птицефабрика), II (модульная котельная муниципального унитарного предприятия «Тепловые сети») и III категорий по надежности электроснабжения.
2 выбор силового оборудования
2.1 Выбор силовых трансформаторов
В соответствии с планами перспективного развития Петрозаводской птицефабрики намечается строительство новых цехов. Указанный потребитель относится к I категории по надежности электроснабжения.
Подсчет нагрузок произведен согласно графиков летнего и зимнего максимумов, произведенных за расчетный период.
Нагрузки прочих потребителей определены по заявкам организаций, с учетом существующих нагрузок и планов развития.
За расчетный период принято 5 лет от года предполагаемой модернизации.
Результаты подсчета нагрузок на расчетный период приведены в таблице 2.1.
Таблица 2.1 – Расчетные нагрузки для подстанции 48П «Петрозаводская птицефабрика» на планируемый период
| Наименование потребителей | Расчетная нагрузка на шинах 0,4 кВ ТП-10/0,4 кВ, кВА | Коэффициент одновременности, К0 (3) | Расчетная нагрузка на шинах 10 кВ подстанции 35/10 кВ, кВА |
| Петрозаводская птицефабрика | 5000 | 0,7 | 3500 |
| Новые цеха | 3000 | 0,8 | 2400 |
| Модульная котельная | 900 | 0,8 | 720 |
| Камне- и деревоперерабатывающие предприятия | 4000 | 0,8 | 3200 |
| Кооператив «Кукко» | 1500 | 0,8 | 1200 |
| Прочие | 4580 | 0,65 | 2980 |
| Итого | 14000 |
Силовые трансформаторы выбираются по справочнику, исходя из мощности потребителей и классов требуемых напряжений. Для определения полной мощности потребителя (S) необходимо знать их активную (P) и реактивную (Q) мощности. Согласно исходных данных полная мощность потребителей, питающихся от сети 10 кВ равна 14 МВА.
2.1.1 Расчет мощности трансформаторов Т-1 и Т-2 с учетом коэффициента перегрузки
Мощность трансформаторов определяется по формуле:
(2.1)
где SТ – мощность трансформатора, кВА;
S – полная мощность потребителей, кВА, принимается S = 14000 кВА;
КП – коэффициент перегрузки трансформатора (К = 1,4)
![]()
Из справочника выбирается два трансформатора типа ТД-10000/35/10 с автоматическим регулированием напряжения под нагрузкой (3).
Характеристики трансформатора приводятся в таблице 2.2.
Таблица 2.2 – Характеристики трансформатора ТД-10000/35/10
| Тип трансформатора | Uном, кВ | ΔP, кВт | Uк | Iхх | ||
| ВН | НН | ΔPх | ΔPк | % | % | |
| ТД-10000/35/10 | 38,5 | 10,5 | 14,5 | 65 | 7,5 | 0,8 |
2.2 Выбор схемы собственных нужд подстанции
Приемники собственных нужд подстанций по степени ответственности делятся на 3 группы:
1 группа – приемники, отключение которых приводит к нарушению нормального режима эксплуатации, к частичному или полному отключению или к авариям с повреждением основного оборудования. Для питания электроприемников первой категории необходимо иметь два источника питания с автоматическим включением резерва.
2 группа – приемники, отключение которых допустимо на 20-40 минут для подстанций с дежурным персоналом или до приезда обслуживающего персонала, если дежурного на подстанции нет. Восстановление питания у приемников этой группы осуществляется вручную.
3 группа – приемники, отключение которых допустимо на более длительное время.
По режиму включения в работу электроприемники собственных нужд подстанций разделяются (рисунок 2.1):
Ø постоянно включенные в сеть (в том числе цепи управления и релейной защиты);
Ø включенные периодически (в зависимости от температуры наружного воздуха);
Ø включенные во время ремонтов.

1. Обогрев приводов выключателей трансформатора и секционного выключателя 35 кВ.
2. Освещение открытого распределительного устройства 35 кВ.
3. Освещение, обогрев закрытого распределительного устройства 10 кВ.
4. Освещение, обогрев монтерского пункта.
5. Подзарядно-зарядный агрегат.
6. Подогрев шкафов электромагнитных приводов, шкафов зажимов.
7. Обдув Т-1.
8. Обдув Т-2.
Рисунок 2.1 – Схема собственных нужд подстанции номер 48П «Петрозаводская птицефабрика»
2.2.1 Выбор комплектной трансформаторной подстанции собственных нужд
Выбор комплектной трансформаторной подстанции заключается в выборе трансформатора на собственные нужды.
Трансформатор собственных нужд выбирается исходя из нагрузки потребителей собственных нужд.
Нагрузки потребителей собственных нужд подстанции номер 48П «Петрозаводская птицефабрика» приведены в таблице 2.3.
Таблица 2.3 – Нагрузки потребителей собственных нужд подстанции
| Вид потребителей | Установленная мощность | Cos φ | tg φ | Нагрузка | ||
| Единицы | ||||||
| кВт × количество | Всего, кВт | P, кВт | Q, кВr | |||
| Подогрев шкафов зажимов, шкафов электромагнитных приводов. | 0,6 × 3 | 1,8 | 1 | 0 | 1,8 | - |
| Отопление и освещение ЗРУ-10 кВ. | - | 14 | 1 | 0 | 14 | - |
| Отопление и освещение монтерского пункта | - | 3 | 1 | 0 | 3 | - |
| Подзарядно-зарядный агрегат ВАЗП. | 2 × 15 | 30 | 1 | 0 | 30 | - |
| Охлаждение трансформатора ТД-10000 | 1,5 х 2 | 3 | 0,85 | 0,62 | 2,6 | 1,9 |
| ИТОГО: | 51,4 | 1,9 |
2.2.1.1 Расчет полной мощности потребителей собственных нужд
Полная мощность потребителей собственных нужд определяется по формуле:
(2.2)
где S – полная мощность потребителей собственных нужд, кВА;
КС - коэффициент спроса, принимается равным 0,8 (3);
P - активная нагрузка потребителей собственных нужд, кВт;
Q - реактивная нагрузка потребителей собственных нужд, кВr.
![]()
По каталогу выбирается комплектная трансформаторная подстанция с трансформатором мощностью 63 кВА.
Оборудование трансформаторной подстанции типа КТП-63-81:
Ø трансформатор типа ТМ-63/10;
Ø разъединитель типа РЛНД-10/20;
Ø предохранители типа ПКТ-10.
На подстанции устанавливаются две трансформаторные подстанции выбранного типа.
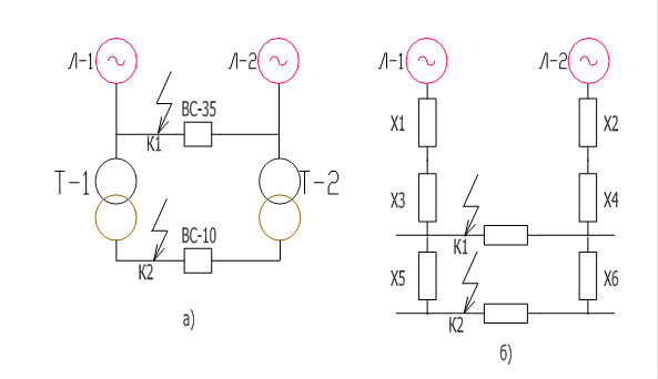
2.3 Расчет токов короткого замыкания
Расчет токов короткого замыкания производится с целью (рисунок 2.2):
Ø выбора электрического оборудования;
Ø выбора и расчета устройств релейной защиты и некоторых видов автоматики.

Рисунок 2.2 – а) Расчетная схема; б) Схема замещения.
Параметры оборудования и эквиваленты системы:
Ø система: сопротивление системы X1=X2=15,59 Ом, мощность системы SC принимается раной ∞.
Ø линии передач: Л-60П провод марки АС–95 X0=0,391 Ом/км, r0=0,33 Ом/км, протяженность линии L1= 1,89 км; Л-65П провод марки АС–120 X0=0,361 Ом/км, r0=0,27 Ом/км, протяженность линии L2= 6 км.
Ø подстанция: трансформаторы Т-1 и Т-2 типа ТД-10000/35/10, UК = 7,5 %
2.3.1 Расчет параметров схемы замещения
Сопротивление линии определяется по формуле:
(2.3)
где Xл – сопротивление линии, Ом;
r0 – активное сопротивление линии, Ом/км;
x0 – индуктивное сопротивление линии, Ом/км;
L – протяженность линии, км.
![]()
![]()
Сопротивление двухобмоточного трансформатора рассчитывается по формуле:
(2.4)
где XТ – сопротивление двухобмоточного трансформатора, Ом;
UК - напряжение короткого замыкания трансформатора, %;
UВН – номинальное напряжение обмотки высокого напряжения, кВ;
SН – номинальная мощность трансформатора, МВА.
![]()
2.3.2 Расчет тока короткого замыкания в точке К1
Трехфазный ток короткого замыкания рассчитывается по формуле:
(2.5)
где I′′(3) – трехфазный ток короткого замыкания, кА;
ЕС – ЭДС системы, кВ;
XЭ – эквивалентное сопротивление, Ом.
ЭДС системы рассчитывается по формуле:
(2.6)
![]()
Для определения эквивалентного сопротивления необходимо последовательно сложить сопротивления X1 и X3; X2 и X4, а затем параллельно.
![]()
![]()
Полученные результаты ЕС и XЭ подставляются в формулу (2.5):
![]()
Определение ударного тока короткого замыкания в точке К1 производится по формуле:
(2.7)
где КУ - ударный коэффициент, принимается равный 1,61.
![]()
2.3.3 Определение тока короткого замыкания при включенном секционном выключателе 35 кВ
Полученные результаты складываются параллельно:
![]()
Ток короткого замыкания в максимальном режиме определяется по формуле (2.5):
![]()
Ударный ток короткого замыкания в точке К1 в максимальном режиме определяется по формуле (2.6):
![]()
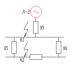
В результате преобразования схема приобретает вид (рисунок 2.3):

Рисунок 2.3 – Схема замещения.
2.3.4 Расчет тока короткого замыкания в точке К2
Для расчета тока короткого замыкания в точке К2 необходимо последовательно сложить сопротивления Х7 и Х5:
![]()
Полученные результаты ЕС и X10 подставляются в формулу (3.5):
![]()
Истинное значение тока короткого замыкания в точке К2 определяется приведением его к напряжению 10 кВ по формуле:
(2.8)
![]()
Определение ударного тока короткого замыкания в точке К2 производится по формуле (2.7), ударный коэффициент КУ принимается равным 1,8 для системы связанной со сборными шинами 10 кВ через трансформатор единичной мощности:
![]()
2.3.5 Определение тока короткого замыкания в точке К2 при включенном секционном выключателе 10 кВ
Полученные значения Х8 и Х6 складываются последовательно:
![]()
Параллельно складываются Х10 и Х11:
![]()
Ток короткого замыкания в максимальном режиме для точки К2 определяется по формуле (2.5):
![]()
Истинное значение тока короткого замыкания определяется приведением его к напряжению 10 кВ по формуле (2.8):
![]()
Ударный ток короткого замыкания в максимальном режиме для точки К2 определяется по формуле (2.8):
![]()
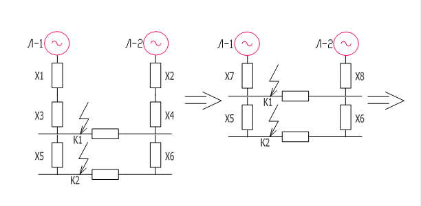
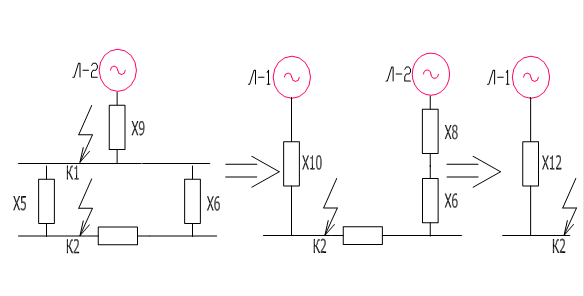
Этапы преобразования схемы замещения приведены на рисунке 2.4.


Рисунок 2.4 – Этапы преобразования схемы замещения
Полученные результаты токов трехфазного короткого замыкания в точках К1, К2 приведены в таблице 2.4.
Таблица 2.4 – Расчетные токи трехфазного короткого замыкания.
| Место короткого замыкания | Трехфазное минимальное короткое замыкание | Трехфазное максимальное короткое замыкание | ||
