Расчёт устойчивости электрических систем
Устойчивость применительно к электрической системе – это способность её вернуться к исходному или новому установившемуся состоянию, после устранения возмущающего действия, без возникновения несинхронного вращения роторов генераторов системы. Если величена возмущающего действия мала, то говорят о статической устойчивости . При значительном возмущении в системе, например, при коротком замыкании, говорят о динамической устойчивости.
Аварии, связанные с нарушением устойчивости параллельной работы в электрических системах, являются наиболее тяжёлыми, влекущими за собой расстройство электроснабжения больших районов и городов. Проблема устойчивости наложила большой отпечаток на схемы коммутации , режимы работы и параметры оборудования и автоматики электрических систем.
На устойчивую параллельную работу станций непосредственное влияние оказывают также переходные процессы в узлах нагрузки , т. е. в приёмниках электроэнергии , включающих синхронные и асинхронные двигатели. Во время переходных процессов при пусках, самозапусках двигателей, резких колебаниях на валу и т.д. напряжение на шинах узла нагрузки может изменяться по величине и фазе выше допустимых пределов. В ряде случаев это может оказывать значительное влияние на режим работы системы электроснабжения в целом. Поэтому при проектировании и эксплуатации электроэнергетических установок потребителями вопросам режимов работы узлов нагрузок, как и вопросам устойчивости электрических систем, должно уделяться большое внимание.
ИСХОДНЫЕ ДАННЫЕ
Расчётная схема сети представлена на рисунке 1.
Исходные данные сети представлены в таблице 1.
Таблица 1
Электростанция: Рст=3х160=480МВт | Рном=160МВт, cosj=0,85, Uном=18кВ, Хd=2,3о.е, Х¢d=0,33о.е, Х2=0,27о.е, |
Трансформатор Т: Sном=3х200=600МВ*А |
|
Автотрансформатор АТ: АОДЦТН-3х167000/500/220 | nтв-с= 500/230, nтв-н=500/10,5, Uквн=35% , Uксн=21,5% , Uквс=11%, Uкв=12,5% , Uкс=0%, Uкн=22,75%, Хв=61,1Ом, Хс=0 , Хн=113,5Ом.
|
| Система | Uc=505кВ, Рс=220МВт, cosj=0,94, Sc=220/0,94=234,04МВ*А, sinj=0,341. |
| ЛЭП | Uном=220кВ,
|
| Нагрузка | Sн=66+j23,95 , cos |

Рисунок 1 – Исходная схема.
1 Расчёт установившегося режима
Расчёт схемы замещения производится в относительных единицах.
Базисные условия :
=565 МВ*А , (задались мощностью электростанции) ;
=500 кВ .
Базисные напряжения ступеней 220кВ , 18кВ , кВ :

Мощность передаваемая в систему, о. е.:

Мощность нагрузки, о. е. :

Сопротивление генератора на схеме замещения представляется в зависимости от схемы АРВ.
Сопротивление генератора при различных режимах, о. е. :

Сопротивление обратной последовательности генератора, о. е. :

Cопротивление трансформаторов, о. е.:

Сопротивление автотрансформатора, о. е.:

Сопротивление линии, о. е.:

Зарядная мощность линии, о. е.:

Мощности холостого хода трансформаторов и автотрансформаторов, о. е. :

Напряжение системы, о. е. :

При составлении схемы замещения активными сопротивлениями ЛЭП, трансформаторов , автотрансформаторов и генераторов пренебрегаем, так как они малы .
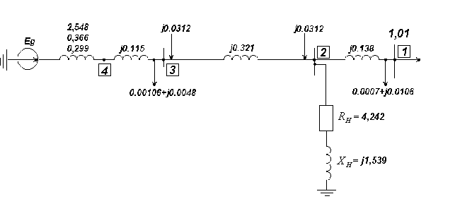
Схема замещения установившегося режима показана на рисунке 2.

Рисунок 2.
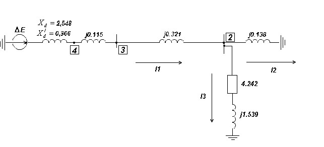
Схема замещения установившегося режима с расчётными данными показана на рисунке 3.

Рисунок 3.
Для определения сопротивления нагрузки рассчитывается напряжение в узле 2, для этого рассчитываются мощности конца и начала участка 2-1:

Напряжение в узлах рассчитываются по формуле, о. е. :

Сопротивление нагрузки, о. е. :

Мощности конца и начала участка 3-2 находятся аналогично, как на участке 2-1 :

Напряжение в узле 3, о. е. :
![]()
Мощности конца и начала участка 4-3:

Напряжение на зажимах генератора, о. е. :![]()
![]()
Угол между векторами Uго и Uс:
![]()
ЭДС за синхронным сопротивлением генератора, о. е. :
![]()
![]()
Угол между синхронной ЭДС и напряжением системы :
![]()
Переходная ЭДС генератора, о. е. :

Угол между переходной ЭДС и напряжением системы :
![]()
Проекция переходной ЭДС на ось q , о. е. :

2.Определение взаимных и собственных проводимостей при различных системах возбуждения
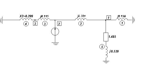
Расчётная схема для определения проводимостей представлена на рисунке 4. Из схемы исключены поперечные схемы проводимостей в силу их малого влияния на результат и существенного усложнения решения.

Рисунок 4 –Расчетная схема для определения проводимостей.
Взаимные и собственные проводимости при различных системах возбуждения определяются методом единичного тока:

Собственная проводимость , о.е. :

Взаимная проводимость, о.е. :

Угол собственных потерь:
![]()
Угол взаимных потерь:
![]()
Результаты расчётов записаны в таблице2.
Таблица2-Результаты расчёта проводимостей для различных АРВ.
| Вид АРВ |
|
|
|
|
|
|
| Без АРВ | 2,548 | -0,087+j3,157 | 0,32 | 0,072 | 0,317 | -1,579 |
| АРВ п. д. | 0,366 | -0,023+j0,952 | 1,061 | 0,242 | 1,05 | -1,402 |
| АРВ с. д. | 0 | -0,013+j0,583 | 1,733 | 0,390 | 1,715 | -1,254 |
Составляющие тока генератора по осям d, q и суммарный ток генератора, о.е. :
![]()
![]()
![]()
![]()
![]()
![]()
Векторная диаграмма нормального режима работы синхронного генератора представлена на рисунке 5.
![]()
Масштаб: для Е- 1см =0,2о.е. , для I – 1см = 0,1 о.е.
+j ![]()
q
Eq

![]()
![]()
Еq
![]()
![]()
![]()
![]()
Uг



![]()
![]()
+1
![]()
Uс
Iг
![]()
Id
Iq
d
Рисунок 5- Векторная диаграмма
3. Определение коэффициента запаса статической устойчивости.
3.1 По действительному пределу передаваемой мощности, когда генератор ЭС не имеет АРВ
При исследованиях статической устойчивости с помощью практических критериев не учитывают нелинейность характеристик намагничивания генераторов и трансформаторов, пренебрегают их токами намагничивания. Кроме того, принимается упрощающее допущение о постоянстве ЭДС генераторов в исследуемых установившихся режимах. В основе этого допущения лежит эквивалентное представление синхронного генератора в виде постоянной ЭДС, приложенной за соответствующим индуктивным сопротивлением.
Мощности генератора, о.е. :
![]()
![]()
![]()
![]()
![]()
Изменение активной и реактивной мощности в зависимости от угла d представлено в таблице 3.
Таблица 3 – Зависимость Рг и Qг от d.
| d | Pг | Qг |
| 0 | 0,021 | 0,882 |
| 30 | 0,372 | 0,987 |
| 60 | 0,623 | 1,252 |
| 90 | 0,708 | 1,607 |
| 120 | 0,603 | 1,958 |
| 150 | 0,338 | 2,209 |
| 180 | -0,017 | 2,294 |
Коэффициент запаса статической устойчивости генератора без АРВ, %:

График изменения Рг=f(d) представлен на рисунке 6, Qг=f(d) на рисунке 7 :
3.2 По действительному пределу передаваемой мощности , когда генератор ЭС имеет АРВ пропорционального действия
Мощность генератора, о.е. :
![]()
![]()
Таблица 4 – Зависимость Рг от d
| d | Pг |
| 0 | 0,0402 |
| 30 | 0,707 |
| 60 | 1,186 |
| 90 | 1,350 |
| 120 | 1,154 |
| 150 | 0,650 |
| 180 | -0,026 |
Коэффициент запаса генератора с АРВ п.д., %:

График изменения Рг=f(d) представлен на рисунке 6.
3.3 По действительному пределу передаваемой мощности, когда генератор ЭС имеет АРВ сильного действия
Мощность генератора, о.е. :
![]()
![]()
Таблица 5 – Зависимость Рг от d
| d | Pг |
| 0 | 0.0585 |
| 30 | 1.036 |
| 60 | 1.740 |
| 90 | 1.982 |
| 120 | 1.697 |
| 150 | 0.961 |
| 180 | -0,028 |
Коэффициент запаса генератора с АРВ с.д., % :

График изменения Рг=(d) представлен на рисунке 6.
![]()
![]()
![]()
![]()
![]()
![]()
![]()
Рг2,0

![]()
безАРВ
![]()
АРВп.д
![]()
1,0 АРВс.д
![]() | |||
Ро
![]()
0
30 60 90 120 150 180
Рисунок 6 – Графики изменения Рг=f(d) для различных АРВ
![]()
![]()
![]()
![]()
![]()
![]()
![]()
Qг
2.5

2.0
![]()
1.5
![]()
1.0
![]()
0.5
![]()
0
30 60 90 120 150 180
Рисунок 7 – Графики изменения Qг =f(d)
Расчёт коэффициента запаса статической устойчивости для режима максимальных нагрузок для всех видов АРВ показал , что коэффициент запаса статической больше допустимого предельного значения 20 %. Таким образом , систему в данных случаях можно считать устойчивой, Анализируя системы возбуждения генератора можно заметить , что с увеличением скорости регулирования возбуждения , растёт предел передаваемой мощности, а значит и коэффициент запаса статической устойчивости.
4. Расчёт динамической устойчивости системы
4.1 Расчёт предельного времени отключения линии при двухфазном к.з. при условии ![]()
Определяются собственные и взаимные проводимости схем замещения нормального, аварийного и послеаварийного режимов. Генератор замещяется переходным сопротивлением . Аварийный режим – режим в течение всего короткого замыкания до момента его отключения. Для данного режима в схему замещения нормального режима в точку к.з. включается шунт. Сопротивление этого шунта определяется по формуле:
,
где -
- эквивалентное сопротивление нулевой последовательности относительно точки к.з.
-
- эквивалентное сопротивление обратной последовательности.
Схема замещения обратной последовательности представлена на рисунке 8. Генератор замещения сопротивлением
. Сопротивление обратной последовательности нагрузки принимается равным
.
Схема замещения нулевой последовательности представлена на рисунке 9. В данной схеме сопротивления линий равны
. Генератор не учитывается из-за того, что расположен за обмоткой трансформатора, соединенной в треугольник, за который точки нулевой последовательности не выходят.
Рисунок 8 – Схема замещения обратной последовательности.
Рисунок 9 – Схема замещения нулевой последовательности.
После эквивалентирования схем получим :
Х2=0,0024+j0,217 о.е.
Хо=j0,104 о.е.
Сопротивление шунта, о.е. :
![]()
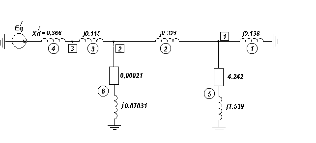
Схема для расчёта проводимостей аварийного режима представлена на рисунке 10.
Рисунок 10 – Схема замещения аварийного режима.
Проводимости рассчитываются аналогично расчёту , приведённому выше, т.е. методом единичного тока:

Активная мощность генератора в аварийном режиме, о.е. :
![]()
![]()
![]()
Результаты расчёта активной мощности генератора в аварийном режиме для различных углов представлены в таблице 6.
Таблица 6 – Зависимость Рг от d
| d | Pг |
| 0 | 0,0018 |
| 30 | 0,161 |
| 60 | 0,277 |
| 90 | 0,319 |
| 120 | 0,276 |
| 150 | 0,159 |
| 180 | 0,0004 |
В послеаварийном режиме сопротивление линии увеличивается в 2 раза. Схема замещения для расчёта проводимостей послеаварийного режима представлена на рисунке 11.

Рисунок 11 – Схема замещения послеаварийного режима.
Проводимости послеаварийного режима :

Активная мощность генератора в послеаварийном режиме, о.е. :
![]()
![]()
![]()
Результаты расчёта активной мощности генератора в послеаварийном режиме для различных углов представлены в таблице 7.
Таблица 7 – Зависимость Рг от d
| d | Pг |
| 0 | 0,029 |
| 30 | 0,517 |
| 60 | 0,867 |
| 90 | 0,986 |
| 120 | 0,842 |
| 150 | 0,473 |
| 180 | -0,021 |
Графики изменения Рг=(d) в нормальном, аварийном и послеаварийном режимах представлены на рисунке 12.
![]()
![]()
![]()
![]()
![]()
![]()
![]()
Рг2,0
![]()
ав.реж.

п/ав.реж.
![]()
1,0 нор.реж.
![]() | |||
Ро
![]()
0
30 60 90 120 150 180
Рисунок 12 – Графики изменения Рг=f(d) для различных режимов.
Косинус предельного угла отключения, о.е. :


Предельный угол отключения равен 99,56 градусов.
5. Определение предельного времени отключения методом последовательных интервалов
Постоянная инерции генератора, с :

Постоянная инерции турбины, с :

Постоянная инерции агрегата, с :

Приращение угла на первом интервале (t=0.05) , в градусах:

![]()
Угол в конце первого интервала, в градусах:
![]()
В дальнейшем расчёт производится по следующим формулам :

Расчёты представлены в таблице 8.
Таблица 8 – Расчёт предельного времени отключения методом последовательных интервалов.
|
|
|
|
|
| 0 | 0 | 0 | 0 | |
| 0,15 | 0,160 | 0,229 | 12,14 | 41,975 |
| 0,2 | 0,214 | 0,245 | 16,075 | 58,05 |
| 0,25 | 0,271 |


