Расчет линейных электрических цепей переменного тока
2 Расчёт разветвлённой цепи с помощью векторных диаграмм
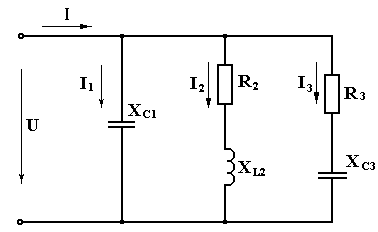
Присоединяем заданные приёмники параллельно к источнику напряжения. Это значит, что цепь состоит из трех ветвей, для которых напряжение источника является общим. Схема цепи показана на рисунке 3.
Расчёт параллельной цепи выполняем по активным и реактивным составляющим токов.

Рисунок 3
Этот метод предусматривает использование схемы замещения с последовательным соединением элементов. В данном случае три параллельные ветви рассматриваются как три отдельные неразветвлённые цепи, подключенные к одному источнику с напряжением U. Поэтому в начале расчёта определяем полные сопротивления ветвей:
Z1 = Хс1 = 65 Ом.
Z2 =
=
= 57.7 Ом.
Z3 =
= 60.5 Ом.
Углы сдвига фаз между напряжениями и токами в ветвях определяются также по синусу (или тангенсу):
Sinφ1 = -1; j1 = - 90°;Cosφ1 = 0
Sinφ2 = XL2 / Z2 = 56 / 57.7 = O.9705; j2 = 76.05°; Cosφ2 = 0.241.
Sinφ3 = - XC3/Z3= - 23/60.5= - 0.38; φ3 = - 22.34°; Cosφ3 = 0.9249.
Затем можно определять токи в ветвях по закону Ома:
I1 = U / Z1 =300 / 65 = 4.62 А.
I2 = U / Z2 = 300 / 57.7 = 5.2 А.
I3 = U / Z3 = 300 / 60.5 = 4.96 А.
Для определения тока в неразветвлённой части цепи нужно знать активные и реактивные составляющие токов в ветвях и неразветвленной части цепи:
Ip1 = I1*Sinj1= 4.62*(- 1) = - 4.62 A.
Ia2 = I2 * Cosφ2 = 5.2 * 0,241 = 1.25 A;
Ip2 = I2 * Sinφ2 = 5.2 * 0,9705 = 5.05 A;
Ia3 = I3*Cosj3 = 4.96*0.9249 = 4.59 A.
Ip3 = I3*Sinj3 = 4.96*(- 0.38) = - 1.88 A.
Активная и реактивная составляющие тока в неразветвлённой части цепи:
Ia = Ia2 + Ia3 = 1.25+4.59 = 5.84 A.
Ip = Ip1 + Ip2 + Ip3 = - 4.62+5.05 – 1.88 = - 1.45 A.
Полный ток в неразветвлённой части цепи:
I =
=
= 6.02 A.
Угол сдвига фаз на входе цепи:
Sinφ = IP / I = - 1.45/6.02 = - 0.2409; φ = -13.940; Cosφ = 0.9706.
Активные, реактивные и полные мощности ветвей:
QC1 = I12 *XC1= 4.622 *65 = 1387 вар.
S1 = U*I1 = 300*4.62 = 1387 B*A.
P2 = I22 * R2 = 5.22* 14 = 379 Вт.
QL2 = I22 * XL2 = 5.22 * 56 =1514 вар.
S2 = U * I2 = 300 * 5.2 =1560 В*А.
P3 = I32*R3 = 4.962*56 = 1378 Bт
QC3 = I32 * XC3 = 4.962 * 23 =566 вар.
S2 = U * I2 = 300 *4.96 = 1488 В*А
Активные, реактивные и полные мощности всей цепи:
P = P2 + P3 = 379 + 1378 =1757 Вт.
Q = - QC1 + QL2 - QC3 = - 1387 +1514 -566 = - 439 вар.
S =
=
= 1811 В*А, или
S = U * I = 300*6.02 = 1806 В*А.
P = S * Cosφ = 1806 * 0,9706 = 1753 Вт.
Q = S * Sinφ = 1806*(- 0.2404) = - 434 вар.
Для построения векторной диаграммы задаёмся масштабами напряжений MU = 25 В/см и токов MI = 0.5 А/см. Векторную диаграмму начинаем строить с вектора напряжения, который откладываем вдоль горизонтальной положительной оси. Векторная диаграмма токов строится с учётом того, что активные токи Ia2 и Ia3 совпадают по фазе с напряжением, поэтому их векторы параллельны вектору напряжения; реактивный индуктивный ток Ip2 отстает по фазе от напряжения, и его вектор строим под углом 900 к вектору напряжения в сторону отставания; реактивные емкостные токи Ip1 и Ip3 опережают по фазе напряжение, и их векторы строим под углом 90° к вектору напряжения в сторону опережения. Вектор тока в неразветвлённой части цепи строим с начала построения в конец вектора емкостного тока Ip3. Векторная диаграмма построена на рисунке 4.
Ia2


MI= 0,5 А/см
МU= 25 В/см
I2
I1=Ip1 Ip2
OIa U
![]()
Ia3
![]()
I3 Ip3 Ip
I
Рисунок 4
3 Расчёт сложных цепей переменного тока символическим методом
Электрическая схема цепи и комплексная схема замещения представлены на рисунке 5а и б соответственно.

Рисунок 5
Намечаем в независимых контурах заданной цепи, как показано на рисунке 5б, контурные токи IK1 и IK2 – некоторые расчётные комплексные величины, которые одинаковы для всех ветвей выбранных контуров. Направления контурных токов принимаются произвольно. Для определения контурных токов составляем два уравнения по второму закону Кирхгофа:
IK1*(Z1 + Z2) – IK2*Z2 = E2
- IK1*Z2+IK2*(Z2+Z3)= E3 - E2
Подставляем данные в систему:
IK1*(- j65+14+j56) – IK2*(14+j56) = 230
-IK1*(14+j56) +IK2 *(14+j56+56 – j23) = j240-230
IK1*(14-j9) – IK2*(14+j56) = 230
-IK1*(14+j56) + IK2*(70+j33) = -230+ j240
Решаем систему с помощью определителей. Определитель системы:
=1277-j168+2940– j1568=4217-j1736
Частные определители :
=
= 16100+j7590–16660-j9520= -560–j1930.
=-1060+j5430+3220+j12880 = 2160+j18310
Определяем контурные токи:
IK1 =
=
= 0.0476-j0.438 A.
IK2 =
=
= - 1.09+ j3.89 A.
Действительные токи в ветвях цепи определяем как результат наложения контурных токов:
I1 = IK1 = 0.0476 – j0.438 = 0.441
A
I2 = IK1-IK2 = 0.0476.- j0.438+1.09- j3.89 = 1.14 – j4.33 = 4.48
A
I3 = IK2 = -1.09 + j3.89 = 4.04
A.
Составляем уравнение баланса мощностей в заданной электрической цепи. Определяем комплексные мощности источников:
SE2 = E2*
=230(1.14+j4.33) = 262+j996=1030
B*A
SE23= E3*
= j240*(-1.09 – j3.89) = 912 – j262 = 949
B*A
Определяем комплексные мощности приёмников электрической энергии:
S1 = I12*Z1 =0.4412*( – j65) = – j12.6 =12.6
B*A
S2 = I22*Z2 = 4.482*(14+j56) = 281+j1124=1159
B*A
S3 = I32*Z3 = 4.042*(56 – j23) = 914– j375 =988
B*A.
Уравнение баланса комплексных мощностей!
SЕ1 + SE2 = S1 + S2 + S3;
262+j996+912-j262 = – j12.6+281+j1124+914– j375
1174+ j734 @ 1182+ j749; 1385
@ 1400 ![]()
Относительная и угловая погрешности незначительны.
Для построения векторной диаграммы задаёмся масштабами токов MI = 0.25 А/см и ЭДС ME = 50 В/см. Векторная диаграмма в комплексной плоскости построена на рисунке 6.
4 Расчёт трёхфазной цепи при соединении приемника в звезду
Схема заданной цепи изображена на рисунке 7.
Определяем систему фазных напряжений генератора. Фазное напряжение:
UФ = Uл/
= 380/1,73=220 В.
Комплексные фазные напряжения генератора:
UA = UФ = 220 B
UB = UAe-j120 = 220e-j120 = –110 – j191 B
UC = UAej120 = 220ej120 = –110 + j191 B
Определяем полные проводимости фаз приёмника:
YA =
= j0,01538 См.
YB =
= 0.0042-j0.0168 См.
YC =
= 0.0153+j0.00628Cм.
YN=
=
= j0.03125 См.

Рисунок 7
Узловым напряжением является в данном случае напряжение смещения нейтрали, которое определяется по формуле:
UN=
![]()
![]()
= (j3.38-3.67+j1.05-2.88+j2.23)/(0.05075+j0.00486) = (-6.55+j6.66)/(0.0195+j0.03611)= 67+j218 = 228
B.
Определяем фазные напряжения на нагрузке:
UA/ = UA – UN = 220- (67+j218) = 153-j218 = 266
B.
UB/ = UB – UN = (–110-j191) - (67+j218) = -177-j409 =446
B.
UC/ = UC–UN=(–110+j191) - (67+j218) = -177 – j27 = 179
B.
Определяем токи в фазах нагрузки:
IA = UA/*YA = (153-j218)*(j0.01538) = 3.35+j2.35 = 4.1
A.
IB = UB/*YB = (-177-j409)*(0.0042-j0.0168) = -7.61+j1.26 =7.72
A.
IC=UC/*YC= (-177 – j27)*(0.0153+j0.00628)=- 2,53–j1,52= 2,96
A.
IN= UN*YN = (67+j218)*j0.03125 = - 6,8 + j2,09 = 7,12*![]()
Проверяем правильность определения токов по первому закону Кирхгофа для точки N’:
IA + IB + IC =IN
3.35+j2.35 -7.61+j1.26 - 2,53 – j1,52 @ - 6,8 + j2,09;
- 6,79+j2.09 @ - 6,8 + j2,09.
Определяем комплексные мощности фаз и всей цепи:
SA = IA2 * Z1 = 4,12*(-j65) = -j1092=1092
B*A.
SB = IB2 * Z2 = 7,722*(14+j56) = 834+j3338 =3440
B*A
SC = IC2 * Z3 = 2,962*(56-j23) = 491 – j 202 = 530
B*A.
S= SA + SB + SC = -j1092+ 834+j3338+ 491 – j 202 = 1325+j2044 =
= 2436
B*A.
Для построения векторной диаграммы задаёмся масштабами токов MI = 1 А/см и напряжений MU = 40 B/см. Векторная диаграмма на комплексной плоскости построена на рисунке 8.
5 Расчёт трёхфазной цепи при соединении приёмника в треугольник
Схема заданной цепи изображена на рисунке 9

Рисунок 9.
В данном случае линейные напряжения генератора являются фазными
напряжениями нагрузки:
UAB = UЛ = 380 В.
UBC = 380
= -190-j329 B.
UCA = 380
= -190+j329 B.
Определяем систему фазных токов нагрузки:
IAB =
=
= j5,85 = 5,85
A
IBC =
=
= -6,32+j1,81 = 6,58
A![]()
ICA =
=
= -4,96+j3,83 = 6,27
A
Систему линейных токов определяем из соотношений:
IA = IAB – ICA = j5,85+4,96-j3,83 = 4,96+j2,02 = 5,36
A
IB = IBC – IAB = -6,32+j1,81-j5,85 = -6,32-j4,04 = 7,5
A
IC = ICA – IBC = -4,96+j3,83+6,32-j1,81 = 1,36+j1,92 =2,35
A
Определяем мощности фаз приемника:
SAB=IAB2*Z1 = 5,852*(-j65) = -j2224 = 2224
B*A.
SBC = IBC2*Z2 = 6,582*(14+j56) = 606+j2425 = 2499
B*A.
SCA = ICA2*Z3 = 6,272*(56 – j23) =2201– j904 = 2380*
B*A.
Определяем мощность трехфазной нагрузки:
SAB+SBC +SCA = -j2224+606+j2425+2201– j904 =2807 – j703 =
= 2894
B*A. ![]()
Для построения векторной диаграммы задаёмся масштабами токов MI =1 A/см и напряжений MU = 50A/см. Векторная диаграмма построена на рисунке 10.
6 Расчёт неразветвлённой цепи с несинусоидальными напряжениями и токами
Составляем схему заданной цепи, подключая последовательно соединённые приёмники к источнику несинусоидального напряжения, под действием которого в цепи возникает ток с мгновенным значением
i=7Sin(wt+130)+1,2Sin(2wt-860)+0,4Sin3wt A, который на схеме замещения представляем как последовательно соединённые три источника переменного напряжения u1, u2 и u3 c разными частотами (рисунок 11)
Величины сопротивлений заданы для частоты первой гармоники:
XC11 = 18 Ом, R2 = 23 Ом, XL21 = 14 Ом, R3 = 12 Ом, XC31 = 62 Ом. Поскольку напряжения источников имеют разные частоты, то и реактивные сопротивления для них будут иметь разные величины. Активные сопротивления считаем от частоты не зависящими. Поэтому расчёт ведём методом наложения, то есть отдельно для каждой гармоники.
. 
Рисунок 11.
Первая гармоника
Определяем активное и реактивное сопротивления всей цепи:
R = R2 + R3 = 14+56 = 70 Ом. X1 = -XC11+ XL21- XC31 = - 65+56–23 =
= -32 Ом.
Полное сопротивление цепи:
Z1 =
=
= 76,7 Ом.
Амплитудные значения напряжения и тока:
Im1 = 7 A, Um1 = Im1*Z1= 7*76.7 =537 B.
Действующие значения напряжения и тока:
U1 = Um1 /
= 537 / 1,41 = 381 B.
I1 = Im1 /
= 7 / 1,41 = 4.96 A.
Угол сдвига фаз между напряжением и током определяем по синусу:
Sinφ1 = X1/Z1 = -32/76.7 = - 0.4172. j1= - 24.66°, Cosφ1=0.9088.
Активная и реактивная мощности первой гармоники:
P1 = I12 * R = 4.962 * 70 =1722 Вт.
Начальная фаза тока определяется из соотношения:
φ1 = yU1 – yI1, отсюда yU1 =yI1 + j1 = 13°- 24.66°= - 11.66°
Мгновенное значение напряжения первой гармоники
u1= Um1 * Sin (ωt + yU1) = 537 * Sin (ωt – 11.66°) B.
Вторая гармоника.
Для остальных гармоник напряжения расчёты приводим без дополнительных разъяснений.
X2= XC11/ 2 + XL21* 2 - XC31 / 2 = -65/ 2 + 56* 2 - 23 / 2 = 68 Ом.
Z2=
=
=97.6 Ом,
Im2=1.2 A, Um2= Im2 *Z2=1.2*97.6 =117 B.
U2= Um2/
=117 / 1,41 = 83 B.I2= Im2/
= 1.2 / 1,41 = 0.85 A.
Sin φ2= X2/ Z2= 68/97.6= 0,6967.j2 = 44.16°, Cos φ2 = 0,7173.
P2 = I22 * R2 = 0.852 *70 = 51 Вт.
yU2 =yI2 + j2 = -86°+ 44.16°= - 41.9°
u2= Um2 * Sin (2ωt + yU2) = 117 * Sin (2ωt – 41.9°) B.
Третья гармоника
X3= XC11 /3 + XL11* 3 – XC31 / 3 = - 65 / 3 + 56* 3 - 23 / 3 =139 Ом.
Z3 =
= 156 Ом. Im3 =0.4 A, Um3 = Im3 *Z3 =0.4 *156 =
= 62.4 B.
U3= Um3/
=62.4/
= 44.3 B. I3 = Im3/
= 0.4 / 1,41 = 0.28 A.
Sin φ3 = X3 / Z3 =139 /156 = 0,891. j3 = 63°. Cos φ3 = 0,454.
P3 = I32 * R = 0.282 *70 = 0.5 Вт.
yU3 =yI3 + j3 = 63°.
u3= Um3 * Sin (3ωt + yU3) =44.3 * Sin (3ωt +63°) B.
Определяем действующие значения тока и напряжения:
I =
=
= 5.04 A.
U =
=
= 559 B.
Активная и реактивная мощности цепи:
P = P1+P2+P3=1722+51+0.5=1774 Вт.
Средневзвешенный коэффициент мощности цепи:
Cos Х = Р / (U * I) = 1774/ (559 *5.04) = 0,6296.
Уравнение мгновенных значений напряжения между зажимами цепи:
u=u1+u2+u3=537 * Sin (ωt – 11.66°)+117 * Sin (2ωt – 41.9°)+
+44.3 * Sin (3ωt +63°) B.
Литература
1. Ф.Е. Евдокимов. Теоретические основы электротехники. - М. “Высшая школа “,1981 г.
2. В.С. Попов. Теоретическая электротехника. – М. “Энергия”,
1978 г.
3. Ю.В. Буртаев, П. И. Овсянников. Теоретические основы электротехники.– М. “Энергоатомиздат”, 1984 г.
4. Л.А. Частоедов. Электротехника. - М. “Высшая школа”, 1984 г.
5. М.Ю. Зайчик. Сборник задач и упражнений по теоретической электротехнике. – М. “Энергоатомиздат” , 1988 г.
