Разработка ветроэнергетической установки
Интерес к проблемам использования возобновляемых источников энергии (ВИЭ) связан с увеличением масштабов потребления ископаемого топлива.
В настоящее время запасы органического топлива истощаются и его использование во все возрастающих объемах ведет к загрязнению окружающей среды стало всеобщим. Выделение углекислого газа, приводящего к глобальному потеплению. В будущем неизбежно сокращение потребления органического топлива и его замена другими источниками энергии. Использование ВИЭ наиболее привлекательно, так как оно не нарушает естественного баланса энергии, получаемой нашей планетой. К ВИЭ относятся: солнечная радиация, энергия ветра, энергия рек, приливов и океанских волн, энергия, заключенная в биомассе и органических отходах. Для Украины перспективным является использование ветроэнергетических ресурсов.
В ближайшем будущем ожидается значительный рост использования ВИЭ. В настоящее время доля возобновляемой энергии в энергобалансе Европы составляет 5,4 %. К 2010 году планируется довести этот показатель до 12%.
Энергия ветра известна человечеству не менее 2000 лет; в последние 10 15 лет бурно развивалось ее использование для производства электрической энергии. К настоящему времени в мире установлено более 20000 ветроэлектрических агрегатов, общая мощность которых превышает 16 млн. кВт. Современные ветроэнергетические установки (ВЭУ) имеют мощность от единиц киловатт до нескольких мегаватт и позволяют экономически эффективно с высокой степенью надежности преобразовывать энергию ветра. ВЭУ могут использоваться для различных целей, начиная от заряда аккумуляторных батарей (АБ) и энергоснабжения различных объектов (дома, фермы и пр.) до подачи электроэнергии в сети централизованного электроснабжения.
Энергия ветра в течение длительного времени рассматривается в качестве экологически чистого неисчерпаемого источника энергии. Прежде чем энергия ветра сможет принести значительную пользу, должны быть решены многие проблемы, главные из которых: высокая стоимость ветроэнергетических установок, их способность надежно работать в автоматическом режиме в течение многих лет и обеспечивать бесперебойное электроснабжение. Поэтому, сегодня наиболее важной задачей стоящей перед ветроэнергетикой является снижение удельной стоимости электрооборудования ВЭУ. Одним из путей снижения стоимости является применение более экономичных структур электрооборудования ВЭУ. (1)
Однако, перед разработчиками ЭО возникает ряд специфических трудностей, связанных с наличием в составе ВЭУ ветротурбины (ВТ). Испытание новых систем необходимо проводить в полевых условиях. Кроме того, стохастический характер ветрового потока (ВП) делает затруднительным испытание ВЭУ во всех возможных режимах.
Одним из путей преодоления возникших проблем, является применение имитатора ВТ, т. е. электромеханической системы способной имитировать механические характеристики реальной ВТ при различных заданных скоростях ВП. Такой подход является экономически выгодным, поскольку позволит производить испытания новых видов электрооборудования ВЭУ в лабораторных условиях без выезда на полигон.
1 ПРЕОБРАЗОВАНИЕ ЭНЕРГИИ ВЕТРА С ПОМОЩЬЮ ВЭУ
1.1 Характеристики ветрового потока
Свойства ветра. Ветер – это направленное перемещение воздушных масс. Ветровую энергию можно рассматривать как одну из форм проявления солнечной энергии, потому что Солнце является тем первоисточником, который влияет на погодные явления на Земле. Ветер возникает из-за неравномерного нагрева Солнцем поверхности Земли.
Ветер меняется с течением времени. В большинстве регионов наблюдаются значительные сезонные изменения ветровых потоков. Причем в зимние месяцы скорость ветра обычно выше, чем летом. Дневные изменения скорости ветра наблюдаются, как правило, вблизи морей и больших озер. Утром солнце нагревает землю быстрее, чем воду, поэтому ветер дует в направлении побережья. Вечером же земля остывает быстрее, чем вода, поэтому ветер дует от побережья.
Скорость ветра зависит от высоты над уровнем земли. Близко к земле ветер замедляется за счет трения о земную поверхность. Таким образом, ветры бывают сильнее на больших высотах по отношению к земле. Для сельскохозяйственных полей и пустынных территорий при увеличении высоты над поверхностью земли в два раза наблюдается увеличение скорости ветра приблизительно на 12%.
На скорость ветра оказывают значительное влияние географические условия и характер земной поверхности, включая различные природные и искусственные препятствия, такие, как холмы и пр., а также деревья и здания. По этой причине ВЭУ располагают, по возможности, на возвышенных и удаленных от высоких деревьев, жилых домов и других сооружений местах, т.к. такие препятствия снижают скорость ветра и приводят к завихрениям потока, затрудняющим преобразование энергии ветра.
Среднегодовая скорость ветра VС характеризует ветровой потенциал территории. Это скорость ветра, которая определяется как среднее арифметическое значение всех наблюдаемых скоростей ветра в течение года. Средние скорости ветра могут быть вычислены и для других периодов, например: месячные, дневные, часовые.
Энергия, заключенная в ветре, находится в кубической зависимости от величины скорости ветра. Удвоение скорости ветра дает увеличение энергии в 8 раз. Таким образом, средняя скорость ветра 5 м/с может дать примерно в 2 раза больше энергии, чем ветер со средней скоростью 4 м/с.
Характеристики ветра измеряются на метеостанциях. На основе данных многолетних наблюдений скоростей ветра составляются специализированные карты ветров. (1)
Энергия ветра. Главной особенностью ветровой энергии является неравномерность ее проявления во времени и пространстве. Есть регионы, где средняя за год скорость ветра на высоте 10 м от уровня земли не превышает 3 м/с. Там нельзя рассчитывать на эффективную работу ветроустановок. Однако в стране имеется много мест, где возможность экономически выгодного использования энергии ветра не вызывает сомнений, но конкретный выбор участков для установки ВЭУ требует специального обоснования и проверки.
Кинетическая энергия Е, которой обладает воздушный поток, зависит от его массы m и скорости V может быть определена по формуле:
(1.1)
Если в формулу (1.1) подставить значение массы воздуха, протекающей через ветротурбину двигателя, то получим выражение для его мощности:
(1.2)
где ρ – плотность набегающего воздушного потока;
А0 – ометаемая ветротурбиной поверхность;
V0 – скорость набегающего воздушного потока.
К основным факторам, влияющим на точность оценки энергии ветра, относятся: изменение плотности воздуха в зависимости от высоты над уровнем моря и температуры и соответствие имеющихся данных по ветру ветровым условиям конкретного местоположения ветродвигателя.
Плотность воздуха на уровне моря при нормальных климатических условиях, соответствующих нормальному атмосферному давлению 760 мм рт. ст. и температуре +15 °С, равна ρ = 1,226 кг/м3. В зависимости от высоты над уровнем моря плотность ρ изменяется, снижаясь почти на 10% при высоте 1 км и на 20% при высоте 2,5 км над уровнем моря, что приводит к соответствующему снижению потенциала ветровой энергии. При снижении температуры воздуха плотность ρ воздуха увеличивается, а при повышении – снижается. Так, при понижении температуры воздуха от нормального уровня (+15 оС) на 25 °С (до -10 °С), плотность возрастает на 10%, а при повышении температуры на 25 оС (до +40 °С) — плотность воздуха снижается приблизительно на 7,5%.
Скорость ветра Vi на высоте Нi, если она отличается от высоты, на которой производились измерения, определяется по формуле:
(1.3)
где m = 0,14 – степенной коэффициент для прибрежных зон Западной Европы.
Непрерывная регистрация измерений скорости ветра на метеостанциях в течение многих лет показала, что среднегодовые и средне меся иные значения скорости ветра в конкретном месте варьируют в узком диапазоне. Несмотря на то, что ветер – это случайный процесс, емy присущи определенные закономерности.
Кроме средней скорости ветра большое значение имеет распределение скоростей ветра во времени – частота повторяемости отдельных значений скоростей ветра. В последние 20 лет широкое применение во всем мире получило теоретическое распределение повторяемости скоростей по Вейбуллу, которое дает неплохое совпадение с результатами наблюдений. Дифференциальная повторяемость скоростей ветра по градациям по Вейбуллу ФV имеет следующее выражение:
(1.4)
где V – градация скорости ветра;
β – параметр масштаба, численно близкий к величине среднего значения скорости ветра;
γ – параметр формы кривой распределения.

Рисунок 1.1 – Функция распределения скорости ветра (распределение плотности вероятности)
Чтобы получить значения параметров γ и β, достаточно иметь экспериментальные данные повторяемости скоростей ветра, желательно за возможно больший период наблюдений. Знание параметров распределения β и γ существенно повышает точность расчетов выработки энергии ВЭУ в конкретной местности.
1.2 Производство электроэнергии с помощью ветроэнергетических установок
Использование ветроустановок для производства электроэнергии является наиболее эффективным способом утилизации энергии ветра. Эффективность преобразования механической энергии в электрическую в электрогенераторе составляет обычно 95%, а потери электрической энергии при передаче не превышают 10%.
Из (1.2) видно, что энергия или мощность потока пропорциональна кубу скорости. Однако в механическую работу можно превратить только часть энергии потока, протекающего через ветротурбину. Другая часть энергии теряется на трение воздушных частиц и различные потери, так как ветротурбина оказывает сопротивление движению воздушных частиц. Кроме того, значительная часть энергии содержится в воздушном потоке, уже прошедшем через ветротурбину. Это объясняется тем, что поток за ветротурбиной также имеет некоторую скорость (рис.1.2).

Рисунок 1.2 – Действие силы ветра на ветротурбину
На рис. 1.2 A1 – площадь, ометаемая ветротурбиной, А0 и А2 – площади поперечных сечений проходящего через ветротурбину ветрового потока соответственно до и за ним. Причем сечение А0 расположено за пределами возмущенной ветротурбиной области, а сечение А2 – в месте наименьшей скорости потока. Положение площади сечений А0 и А2 можно определить по результатам экспериментальных измерений поля скоростей в окрестности ветротурбины. Непосредственно в сечении А1 провести такие измерения невозможно из-за вращения ветротурбины.
Скорость потока за ветротурбиной не может быть равна нулю и наилучший режим работы ветродвигателя имеет место, когда скорость непосредственно за ветротурбиной составляет 2/3 от первоначальной скорости потока, набегающего на ветротурбину.
Число, показывающее, какая часть мощности воздушного потока полезно используется ветротурбиной, называется коэффициентом мощности или коэффициентом использования энергии ветра СР.
Тогда мощность воздушного потока за ветротурбиной будет равна:
(1.5)
В лучших промышленных аэрогенераторах коэффициент мощности достигает 0,4. Коэффициент мощности СР характеризует эффективность использования ветрогенератором энергии воздушного потока, проходящего через ометаемую ветротурбиной площадь А1.
Предъявляемые при этом требования к частоте и напряжению вырабатываемой электроэнергии зависят от особенностей потребителей этой энергии. Эти требования жесткие при работе ветроустановок в рамках единой энергосистемы и достаточно мягкие при использовании энергии ВЭУ в осветительных и нагревательных установках. К настоящему времени разработано много проектов ветроэлектрических установок, включая и генераторы к ним, но в будущем с превращением ветроэнергетики в самостоятельную отрасль энергетики, несомненно, появятся принципиально новые конструкции ВЭУ.
При проектировании ветроэлектрических установок надо учитывать следующие их особенности:
1) для обеспечения максимальной эффективности работы ветроколеса следует изменять частоту его вращения при изменении скорости ветра, сохраняя постоянным коэффициент быстроходности, в то же время для максимально эффективной работы электрогенератора необходима практически постоянная частота вращения;
2) механические системы управления частотой вращения ветротурбины достаточно сложны и дороги. Гораздо эффективнее и дешевле управлять частотой его вращения, изменяя электрическую нагрузку электрогенератора;
3) оптимальная частота вращения ветротурбины тем меньше, чем больше его радиус, поэтому только очень малые ветроколеса (радиусом не более 2 м) удается соединять с генератором напрямую. При больших размерах ветротурбины приходится использовать повышающие редукторы, удорожающие ветроустановку и ее обслуживание. Альтернативой редукторам могут стать новые типы многополюсных генераторов, работающих при меньших частотах вращения;
4) в конструкции ветроэлектрической установки предусматривается, как правило, возможность отключения генератора от ветротурбины и вращения его от химического или механического аккумулятора энергии, поэтому систему управления генератором не связывают с работой ветротурбины. При отсутствии такой связи даже при “мягком” соединении генератора с ветротурбиной необходимы специальные демпфирующие устройства, дли того чтобы исключить механические удары, перегрузки и броски напряжений на выходе генератора.
Кроме того, следует учитывать специфические требования, предъявляемые к выходным параметрам ВЭУ. а именно:
а) наиболее благоприятные ветровые условия существуют, как правило, в малонаселенных районах, на островах и в море. Требования к электроэнергии в таких районах весьма специфичны, но почти наверняка ее здесь требуется гораздо меньше, чем в развитых промышленных районах;
б) анализ парка потребителей электроэнергии показывает, что лишь 5 – 10% из них предъявляют определенные требования к ее параметрам (например, к частоте). Это в основном электродвигатели, электронные устройства и осветительные установки. Поэтому целесообразно так строить систему электроснабжения, чтобы она могла обеспечивать потребителей как дешевой электроэнергией с нестабилизированными параметрами (например, для отопления), так и относительно дорогой, но со стабильными параметрами;
в) энергосистемы в сельской местности обычно маломощные и относительно низковольтные (менее 33 кВ), при передаче энергии на большие расстояния возникает много проблем, связанных с ее потерями, поэтому подключение ВЭУ к таким системам нецелесообразно;
г) так как периоды безветрия неизбежны, то для исключения
перебоев в электроснабжении ВЭУ должны иметь аккумуляторы
энергии или быть запараллеленными электроэнергетическими установками других типов.
Совершенно очевидно, что развитие ветроэнергетики будет стимулировать прогресс во всей электроэнергетике.
1.3 Классификация ВЭУ
Современные ВЭУ – это комплекс взаимосвязанного оборудования и сооружений, которые преобразуют энергию ветра в механическую энергию вращающейся ветротурбины, а затем в электрическую энергию.
Основными классификационными признаками структур ВЭУ являются:
- соотношение мощности ВЭУ и мощности энергосистемы;
- тип применяемой ветротурбины;
- тип применяемой электромашины.
1.3.1 Классификация по соотношению мощности ВЭУ и мощности энергосистемы
Согласно этой классификации ВЭУ делятся на три класса.
Класс А. К этому классу относятся ВЭУ, неподключенные к единой энергосистеме. В зависимости от применения, такие ВЭУ обычно комплектуются небольшими аккумулирующими (электроаккумулирующими) устройствами. Частота выходного напряжения, как правило, не стабилизирована. Они применяются в основном для освещения, электропитания сигнальных устройств и средств связи. Мощность таких ВЭУ не более 5 – 10 кВт.
Класс В. Мощность этих ВЭУ соизмерима с мощностью сети. Как правило, такие ВЭУ входят в состав локальных энергосистем отдельных районов, например, островных, отрезанных от основной энергосистемы естественными препятствиями: морем, болотистой местностью и т. д. Наиболее экономично в этом случае комбинированное применение ВЭУ с дизельэлектростанциями. При этом ВЭУ рассматриваются как средство экономии дизельного топлива. Параметры выходного напряжения в таких системах достаточно стабильны. В системах класса В более эффективно применение больших аккумулирующих устройств и сооружений, таких как водородные аккумуляторы и небольшие гидроаккумулирующие станции.
Класс С. Мощность сети значительно превышает установленную мощность ВЭУ. Такие ВЭУ относятся к системной ветроэнергетике. Они способны оказать влияние на состояние энергетического баланса большого региона или даже страны. В классе С целесообразно применение ВЭУ с установленной мощностью от 100 кВт до нескольких мегаватт. При этом обостряются проблемы, связанные с геометрическими размерами, возникают напряженные режимы работы механических частей.
В этом классе возможно достижение наилучших технико-экономических показателей. При случайном характере скорости ветрового потока и потребления электрической энергии необходимо соблюдение баланса мощности. В классах А и В для этой цели необходимы аккумулирующие, либо дополнительные генерирующие устройства, а их стоимость соизмерима со стоимостью ВЭУ. В классе С баланс мощности осуществляется за счет энергосистемы, что значительно экономичнее. Таким образом, наименьшей удельной стоимости ВЭУ можно достичь именно на пути развития системной ветроэнергетики.
1.3.2 Классификация по типу применяемой ветротурбины
В настоящее время применяются две основные конструкции ветроагрегатов (рис. 1.3): горизонтально-осевые и вертикально-осевые ветродвигатели. Оба типа ВЭУ имеют примерно равный КПД, однако наибольшее распространение получили ветроагрегаты первого типа. Мощность ВЭУ может быть от сотен ватт до нескольких мегаватт.

Рисунок 1.3 – Основные виды ветродвигателей
В состав ветродвигателя обоих типов входят следующие основные части:
- ветроколесо (ветротурбина, ротор) – преобразующее энергию набегающего ветрового потока в механическую энергию вращения оси турбины. Диаметр ветроколеса колеблется от нескольких метров до нескольких десятков метров. Частота вращения составляет от 15 до 100 об/мин. Обычно для соединенных с сетью ВЭУ частота вращения ветроколеса постоянна. Для автономных систем с выпрямителем и инвертором – обычно переменная. Ветроколесо содержит лопасти, которые закрепляются в ступице ветроколеса;
- мультипликатор (редуктор) – промежуточное звено между ветроколесом и электрогенератором, который повышает частоту вращения вала ветроколеса и обеспечивает согласование с оборотами генератора. Исключение составляют ВЭУ малой мощности со специальными генераторами на постоянных магнитах; в таких ветроустановках мультипликаторы обычно не применяются;
- башня или мачта (ее иногда укрепляют стальными растяжками) – служит для размещения головки с ветроколесом и мультипликатора на ветер на некоторой высоте относительно уровня земли, что необходимо для производительной работы ветродвигателя и соблюдения требований техники безопасности. У ВЭУ большой мощности высота башни достигает 75 м. Обычно это цилиндрические мачты, хотя применяются и решетчатые башни;
- основание (фундамент) – предназначено для предотвращения падения установки при сильном ветре. (1)
Ветротурбина с горизонтальной осью (рис. 1.4, а). Рассмотрим горизонтально-осевые ветротурбины пропеллерного типа. Основной вращающей силой у колес этого типа является подъемная сила. Относительно ветра ветроколесо в рабочем положении может располагаться перед опорной башней или за ней. При переднем расположении ветротурбина должно иметь аэродинамический стабилизатор или какое-либо другое устройство, удерживающее его в рабочем положении. При заднем расположении башня частично затеняет ветроколесо и турбулизирует набегающий на него поток. При работе колеса в таких условиях возникают циклические нагрузки, повышенный шум и флуктуации выходных параметров ветроустановки. Направление ветра может изменяться довольно быстро, и ветроколесо должно четко отслеживать эти изменения. Поэтому в ВЭУ мощностью более 50 кВт для этой цели используются электрические серводвигатели.

а)

б)
Рисунок 1.4 – Классификация ветротурбин: а) – с горизонтальной осью; б) – с вертикальной осью: 1 – однолопастное колесо; 2 – двухлопастное; 3 – трехлопастное; 4 – многолопастное; 5 – ротор Савониуса; 6 – ротор Дарье
В ветроэлектрогенераторах обычно используются двух- и трехлопастные ветротурбины (рис.1.4), последние отличаются очень плавным ходом. Электрогенератор и редуктор, соединяющий его с ветроколесом, расположены обычно на верху опорной башни в поворотной головке, В принципе их удобнее размешать внизу, но возникающие при этом сложности с передачей крутящего момента обесценивают преимущества такого размещения. Многолопастные колеса, развивающие большой крутящий момент при слабом ветре, используются для перекачки воды и других целей, не требующих высокой частоты вращения ветрового колеса.
Ветроэлектрогенераторы с вертикальной осью (рис. 1.4, б). Ветроэлектрогенерагоры с вертикальной осью вращения вследствие своей геометрии при любом направлении ветра находятся в рабочем положении. Кроме того, такая схема позволяет за счет только удлинения вала установить редуктор с генераторами внизу башни.
Принципиальными недостатками таких установок являются: 1) гораздо большая подверженность их усталостным разрушениям из-за более часто возникающих в них автоколебательных процессов; 2) пульсация крутящего момента, приводящая к нежелательным пульсациям выходных параметров генератора. Из-за этого подавляющее большинство ветроэлектрогенераторов выполнено по горизонтально-осевой схеме, однако исследования различных типов вертикально-осевых установок продолжаются. (4)
Промышленностью выпускаются ветродвигатели двух типов: тихоходные многолопастные и быстроходные малолопастные. Отличительной особенностью тихоходных многолопастных ветродвигателей является способность их трогаться с места, т. е. начинать работать с подключенной нагрузкой при сравнительно слабом ветре, что объясняется наличием большого крутящего момента. Эти двигатели хорошо используют малые скорости ветров, но плохо поддерживают постоянное число оборотов, поэтому они не могут применяться там, где требуется постоянство числа оборотов, как, например, для электроосвещения, но хорошо работают на приводе поршневых насосов с постоянным включением нагрузки. Из-за громоздкости ветроколеса тихоходные ветродвигатели не могут быть изготовлены мощными.
Второй тип ветродвигателей – это быстроходные малолопастные, имеющие ветроколесо с 2 – 3 лопастями. Они могут быть больших размеров и мощностей, вплоть до ветроколеса диаметром в 50 м. Благодаря возможности сравнительно хорошего регулирования числа оборотов эти двигатели, применяются для электрификации и механизации. Кроме того, выпускаются маломощные двигатели с диаметром ветроколеса от 1 до 3,5 м для освещения малых помещений и зарядки аккумуляторов. (5)
1.3.3 Классификация по типу применяемой электромашины
Еще одна из наиболее часто встречающихся классификаций, связана с типом применяемой электрической машины (рис.1.5).

Рисунок 1.5 – Классификация ВЭУ по типу применяемой электрической машины
1.4 Механические характеристики ветротурбин
Механическая характеристика ветротурбины – это зависимость величины развиваемого крутящего момента ветротурбины в функции быстроходности ветротурбины Z, определяемой как отношение величины окружной скорости конца лопасти радиусом R к действующему значению скорости ветра V
(1.6)
Исходными данными для построения механической характеристики ветротурбины является зависимость коэффициента мощности Ср от быстроходности Z: Ср = f(Z) (рис. 1.6).

Рисунок 1.6 – Зависимость Ср = f(Z)
Механическая характеристика ветротурбины, показанная на рис. 1.7, позволяет определить следующие параметры:
- Мпуск. – значение пускового момента при угловой скорости ω = 0;
- Мmax – максимальный момент ветротурбины при заданной скорости ветрового потока;
- Сmax – соответствует режиму максимальной эффективности ветротурбины;
- ω0 – скорость холостого хода ветротурбины при отсутствии момента нагрузки на валу ветротурбины.

Рисунок 1.7 – Механическая характеристика ветротурбины
Необходимо отметить, что у большинства ветротурбин значение пускового момента отлично от нуля. Это означает, что при скорости ветрового потока выше номинальной, ветротурбина не может самостоятельно начать работать. Запустить в работу ВЭУ можно только путем предварительного разгона.
Семейство механических характеристик ветротурбины при постоянной геометрии ветротурбины (рис. 1.8) описывается выражением:
(1.7)
где ρ – плотность воздуха, кг/м3;
VВ – скорость ветрового потока, м/с;
АВТ – эффективная площадь, ометаемая ветротурбиной, м2;
– коэффициент использования ветротурбины энергии ветра (коэффициент мощности);
– быстроходность ветротурбины
При изменении скорости ветрового потока точки Мmax и Сmax образуют линии максимальных моментов и линию оптимального отбора мощности ветротурбины.

Рисунок 1.8 – Семейство механических характеристик ветротурбины
Быстроходность ветротурбин является, возможно, самым важным для их характеристики параметром, зависящим от трех основных переменных: радиуса ометаемой ветротурбиной окружности, его угловой скорости вращения и скорости ветра. Как безразмерная величина она является основным параметром подобия при исследовании и конструировании ветроэлектрогенераторов. (6)
1.5 Имитация поведения реальных ветротурбин
Экспериментальные характеристики ветродвигателей получают либо в аэродинамической трубе, где создается искусственный воздушный поток, либо в природных условиях в ветросиловой лаборатории с башней, оборудованной специальными приборами.
Экспериментальные характеристики ветродвигателей получают по инерционному методу Аэродинамического института. Этот метод основан на законе инерции вращающихся масс. Чтобы сообщить вращающемуся вокруг своей оси телу известное угловое ускорение, необходимо действие на это тело вращающегося момента, величина которого равна моменту инерции тела, в данном случае ветрового колеса. Относительно оси его вращения, умноженному на угловое ускорение, т. е.
(1.8)
где М – вращающий момент;
I – момент инерции вращающегося тела;
– угловое ускорение.
Таким образом, зная угловое ускорение в каждый данный момент времени и момент инерции модели вращающейся ветротурбины, можно определить крутящий момент М = Маэр модели, вызванный внешними силами, т. е. воздушным потоком в аэродинамической трубе.
Определив для каждого момента времени значение угловой скорости ω, находят число модулей Z, которое соответствует полученному крутящему моменту ветряка Маэр, затем строят характеристики Маэр = f(Z) и ξ = f(Z).
Экспериментальные испытания реальных ветротурбин на башне в естественном ветровом потоке ценны и необходимы, потому что получаемые при этом результаты в наибольшей мере отражают работу ветродвигателей в эксплуатации. Воздушный поток в аэродинамической трубе действует на модель с постоянной по величине и направлению скоростью, в то время как ветровой поток, набегающий на ветротурбину в реальных условиях, изменяется и по скорости и по направлению. Кроме того, ветротурбины имеют различные детали на крыльях, поставленные с целью регулирования числа оборотов, и крепления, которые не всегда можно выполнить на модели.
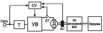
Получение экспериментальных характеристик ветротурбин могут быть использованы для электромеханических систем имитирующих их поведение. Это позволит проводить испытания электрооборудования ВЭУ в лабораторных условиях в сжатые сроки без выезда на специализированные полигоны. Кроме того, система имитации позволит испытать поведение схем электрооборудования ВЭУ во всех возможных режимах. Адаптация системы имитации (имитатора) под конкретную ветротурбину подразумевает его реализацию на базе автоматизированного электропривода (АЭП) с перепрограммируемой микропроцессорной системой управления (МПСУ).
Обобщенная структурная схема ВЭУ приведена на рис. 1.9. АЭП имитатора должен реализовывать механические характеристики различных ветротурбин MД = f(wД, VВ) с учетом мультипликатора (М) при заданных скоростях ветрового потока (ВП). При этом математическое описание параметров ВП может быть получена вероятностными методами.

Рисунок 1.9 – Структурная схема ВЭУ
Одним из возможных направлений разработки АЭП имитатора является его реализация на базе привода постоянного тока (рис. 1.10). Одним из достоинств ДПТ является широкое и плавное регулирование скорости вращения, линейность и однозначность характеристик, отсутствие “самохода” (при снятии сигнала управления), быстродействие.

Рисунок 1.11 – Структурная схема АЭП имитатора ВТ
2 СИЛОВОЙ ПОЛУПРОВОДНИКОВЫЙ ПРЕОБРАЗОВАТЕЛЬ В СИСТЕМЕ ЭЛЕКТРОПРИВОДА ИМИТАТОРА
2.1 Структура электропривода
Электропривод – электромеханическая система, состоящая в общем случае из взаимодействующих электрических преобразователей, управляющих и информационных устройств и устройств сопряжения с внешними сопредельными электрическими, механическими, управляющими и информационными системами, предназначенная для приведения в движение исполнительных органов рабочей машины и управления этим движением в целях осуществления технологического процесса.
Базовым элементом любого электропривода является электрическая машина (электродвигатель), осуществляющая собственно электромеханическое преобразование энергии. Оснащение электропривода силовыми электронными преобразователями электрической энергии и микропроцессорными информационно-управляющими устройствами превращает его в мощный интеллектуальный инструмент автоматизации различных производственных и технологических процессов. Такой привод является регулируемым автоматизированным электроприводом.
Электропривод имеет два канала – силовой и информационный (рис. 2.1). По первому транспортируется преобразуемая энергия (широкие стрелки на рис. 2.1), по второму осуществляется управление потоком энергии, а также сбор и обработка сведений о состоянии и функционировании системы, диагностика ее неисправностей (тонкие стрелки на рис. 2.1).

Рисунок 2.1 – Общая структура электропривода
Силовой канал в свою очередь состоит из двух частей – электрической и механической и обязательно содержит связующее звено – электромеханический преобразователь.
В электрическую часть силового канала входят устройства электрический преобразователь ЭП, передающие электрическую энергию от источника питания (шин промышленной электрической сети, автономного электрического генератора, аккумуляторной батареи и т. п.) к электромеханическому преобразователю ЭМП и обратно и осуществляющие, если это нужно, преобразование электрической энергии.
Механическая часть состоит из подвижного органа электромеханического преобразователя, механических передач и исполнительного органа установки, в котором полезно реализуется механическая энергия. Электромеханический преобразователь ЭМП (электродвигатель), всегда присутствующий в электроприводе, преобразует электрическую энергию (U, I) в механическую (М, ω) и обратно.
Электродвигатели различают:
- по роду тока (постоянного, переменного);
- по количеству и схеме соединения обмоток;
- по конструктивному исполнению.
Наиболее распространенные электродвигатели:
- коллекторные двигатели постоянного тока (ДПТ) с независимым (параллельным), последовательным, смешанным возбуждением;
- двигатели переменного тока асинхронные с короткозамкнутым ротором АД КЗ, асинхронные с фазным ротором АД ФР, синхронные СД.
Электрическая машина работает в результате взаимодействия изменяющихся во времени магнитного поля (потока) и тока в контуре. Что изменяется, не важно:
- в ДПТ – неподвижный магнитный поток полюсов статора и движущаяся обмотка якоря с переменным током;
- в АД – вращающееся магнитное поле статора и вращающаяся, но с другой скоростью, обмотка ротора с током.
В ДПТ обмотки размещены на статоре и на роторе.
Статор ДПТ – индуктор с главными полюсами, на которых размещены обмотки возбуждения, создающие магнитный поток Ф. Здесь же могут быть размещены добавочные полюса и компенсационная обмотка, которые не участвуют в процессе электромеханического преобразования.
Ротор ДПТ – якорь с обмоткой якоря и коллектором. Токоподвод к обмотке якоря обеспечивает щеточный механизм. Коллектор является механическим преобразователем подводимого постоянного тока в переменный ток обмотки якоря.
Механический преобразователь (передача) – редуктор, пара винт-гайка, система блоков, кривошипно-шатунный механизм и т. п. осуществляет согласование момента М и скорости ω двигателя с моментом Мм (усилием Fм) и скоростью ωм рабочего органа технологической машины.
Величины, характеризующие преобразуемую энергию, – напряжения, токи, моменты (силы), скорости называют координатами электропривода.
Основная функция электропривода состоит в управлении координатами, т. е. в их принудительном направленном изменении в соответствии с требованиями обслуживаемого технологического процесса.
Управление координатами должно осуществляться в пределах, разрешенных конструкцией элементов электропривода, чем обеспечивается надежность работы системы. Эти допустимые пределы обычно связаны с номинальными значениями координат, назначенными производителями оборудования и обеспечивающими его оптимальное использование.
Электропривод взаимодействует с системой электроснабжения ил
