Генераторы, шифраторы, дешифраторы диспетчерской централизации
ГЕНЕРАТОРЫ, ШИФРАТОРЫ И ДЕШИФРАТОРЫ ИМПУЛЬСНЫХ ПРИЗНАКОВ
1. Общие сведения
ГЕНЕРАТОРЫ ИМПУЛЬСНЫХ ПРИЗНАКОВ
Для выработки сигнальных импульсов в соответствии с передаваемым сообщением используются генераторы импульсных признаков (модуляторы).
Схемы таких генераторов классифицируют по модулируемому импульсному признаку, т.е. различают генераторы частоты, фазы, амплитуды, длительности, полярности и т.д. В частности, для выработки широко используемых частотных признаков служат генераторы частоты, выполняемые по структуре блокинг-генераторов.
В отличие от рассмотренных тактовых генераторов такие схемы содержат дополнительные элементы, предназначенные для изменения частоты генерации, для согласования генератора с каналом связи, для включения его в работу.
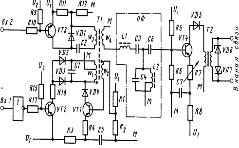
Задающий каскад двухчастотного генератора из системы ДЦ «Нева», используемого для модуляции сигналов ТС (рис. 1), выполнен на транзисторе VT1, транзистор VT2 служит для включения генератора, транзистор VT3 обеспечивает переключение генератора с одной частоты на другую, выходной сигнал формируется каскадом на транзисторе VT4.

Рис. 1. Схема двухчастотного генератора импульсных признаков
При наличии потенциала сигнала 0 на входе Вх1 транзистор VT2 открыт, диоды VD2 и VD3 смещены его коллекторным током
в прямом направлении и тем самым обмотка Wi нагружена на малое сопротивление открытых диодов. В этих условиях незатухающие колебания в контуре w1—С1 возникнуть не могут, и генератор не работает.
Сигнал 1, поданный на вход Bxl, включает генератор, так как VT2 закрывается и исчезает шунтирующее действие на контур диодов VD2 и VD3. Это приводит к возбуждению блокинг-генератора и появлению частоты в канале связи.
Значение частоты, вырабатываемой генератором, зависит от состояния транзистора VT3.
Если он закрыт, то выходной транзистор VT4 управляется частотой, определяемой основным контуром w1—Cl.
При подаче на вход Вх2 потенциала сигнала 1 транзистор VT3 открывается и происходит подключение дополнительного контура W3—С2, что приводит к уменьшению частоты, вырабатываемой генератором. В закрытом состоянии транзистора VT3 сопротивление диода VD1 велико и обмотка w не нагружена. При смещении VD1 коллекторным током VT3 обмотка w2 нагружена на конденсатор С2. С этого момента период колебаний блокинг-генератора определяется суммарным значением емкостей и индуктивностей основного контура {wi—01} и дополнительного (ws—С2).
Напряжение, снимаемое с выходной обмотки w6, управляет выходным транзистором VT4 через полосовой фильтр ПФ на элементах L1, СЗ, С4, L2, С6, исключающий помехи в линии связи во время переходных процессов в генераторе при переключениях.
В отличие от схемы двухчастотного генератора в коллекторную цепь транзистора VT1 четырехчастотного генератора, используемого в системе ДЦ «Нева» для организации сигналов ТУ (рис. 2), включены два колебательных контура (wi—СЗ и mi—С5) на основе трансформаторов Т1 и Т2. В свою очередь каждый из контуров может быть перестроен с основной частоты на другую за счет подключения соответствующего дополнительного конденсатора или С6.
С4
Рис. 2 Схема четырехчастотного генератора
Нормально на внешних входах генератора (Bxl—ВхЗ) присутствует потенциал «О» и обмотка Wg трансформатора Т2 шунтирована через открытые диоды VD4 и VD5. Это означает, что в рабочем состоянии находится только контур Wi—СЗ, он и определяет частоту, вырабатываемую генератором.
Подача сигнала 1 на вход Вх2 приводит к выключению работающего контура и включению контура Wi—С5. Соответственно потенциал «I» на входе Вх1 или ВхЗ приводит к подключению дополнительного конденсатора С4 или С6 к контуру и вызывает понижение вырабатываемой частоты.
В остальном различия в схемах двух- и четырехчастотных генераторов несущественны.
Сложность генераторов импульсных признаков существенно зависит от модулируемых признаков. Например, полярные импульсные признаки часто используют в системах телемеханики из-за простоты реализации и высокой помехоустойчивости.
Нормально на вход Вх2 генератора полярных признаков в системе СКЦ (рис. 3) подан потенциал «О» и в линии сигнал отсутствует. Управление генератором при передаче сигналов производится по обоим входам. Если понизить потенциал только на входе Вх2, то в линию будет послан импульс с трансформатора Т2 (пассивное качество). Одновременное понижение потенциалов на входах Вх1 и Вх2 приводит к открытию транзисторов VT15, VT16, и соответственно посылке импульса, определяемого трансформатором Т1 (активное качество).

Рис.3. Схема генератора полярных импульсов
Вторичные обмотки Т1 и Т2 включены в линию таким образом, что каждая из них образует в линии сигнальный ток противоположного направления (полярности). Максимальная длительность импульса зависит от времени перемагничивания импульсного трансформатора.
Примером наиболее сложного генератора импульсных признаком может служить схема, используемая в ДЦ системы «Луч» для образования импульсов с относительной фазовой модуляцией.
В этой системе для передачи сигналов 0 и 1 используются три значения фазы импульсов (рд, <рв и (рс, различающиеся на 120°.
Сигнальное значение имеет не сама фаза текущего импульса, а ее значение относительно предыдущего. Так, сигналам 1 соответствуют переходы фазы в направлении фд—"фв— (рс фа, а сигналам 0 — обратные переходы (рд—*-(рс—"(рв^фа.
Основу модулятора (рис. 4.) составляют три триггера, предназначенные для запоминания фазы переданного импульса. Из восьми возможных состояний этих триггеров используемыми (разрешенными) являются только три (фаза А—000, фаза В—110, фаза С—101) и они дешифрируются тремя элементами И-НЕ, обозначенными соответственно А, В и С. При случайных переходах тригггеров в запрещенные комбинации происходит их автоматическая установка в состояние 000 с помощью специальной схемы, контролирующей появление на выходах дешифратора состояния . В любой разрешенной комбинации сигнал 1, имеющийся на выходе одного из инвертирующих элементов А, В и С, будет периодически совпадать со значениями сигнала на одном из выходов А, В и С разделителя фаз. Последний непрерывно вырабатывает под воздействием тактовых сигналов три последовательности прямоугольных импульсов с относительным сдвигом фаз на 120°.
Таким образом, при стабильном состоянии триггеров А, В и С в канал связи поступает одна из последовательностей импульсов разделителя фаз, не имеющая сигнального значения.
Для посылки сигнала 1 или 0 необходимо изменить фазу очередного импульса относительно текущего на 120° в одном или другом направлении. Подготовку и осуществление таких переходов производит специальная схема на входах триггеров А, В и С. Эта схема содержит шесть элементов И-НЕ подготовки перехода (переход из одной фазы в другую, осуществляемый данным элементом, соответствует обозначениям на его входе и выходе), а также три исполнительных элемента И-НЕ, определяющих момент переключения триггеров при посылке импульсов сигналов телеуправления (ТУ) или цикловой синхронизации (ЦС).
Каждый элемент подготовки удерживает свой триггер в исходном состоянии в момент смены состояний двух других триггеров. Ситуация определяется сигналом 1 на входе подготовки (передача единицы или нуля) и состоянием триггеров после предыдущего импульса (сигнал 1 на входе А, В или С элемента подготовки). На выходе элемента подготовки, выбранного таким образом, будет сигнал 0 и соответствующий триггер не сможет переключиться при подаче управляющего сигнала от исполнительных элементов.

Рис. 4. Схема модулятора при относительной фазовой модуляции
Нормально на входах исполнительных элементов присутствует сигнал 1, а на выходах—0. Перед посылкой очередного импульса сигнала ТУ или ЦС происходит смена сигнала 1 на 0. Время, в течение которого сохраняется это состояние, является периодом подготовки триггеров к переключению. Само переключение происходит с возвратом исполнительных элементов в исходное состояние. Переключаются те два триггера, у которых на входы С с выходов элементов подготовки не был подан сигнал 0.
Элементы подготовки управляются цепями шифратора, а управление исполнительными элементами осуществляется со стороны узла, контролирующего длительность посылок (узел включения передачи).
Число модуляторов всегда соответствует числу одновременно используемых неперекрывающихся импульсных признаков. Каждый модулятор рассчитан на одну, две или более градаций последовательно используемых признаков.
Любой модулятор посылает в канал связи импульс с признаком, соответствующим передаваемому двоичному сообщению, т. е. вырабатывает одноэлементный сигнал (при распределительной селекции" и частотном разделении) или элемент многоразрядного сигнала.
ШИФРАТОРЫ
В системах телемеханики по способу преобразований исходных данных можно выделить два вида шифраторов: шифраторы импульсных признаков (ШФИП) и шифраторы комбинаций (ШФК).
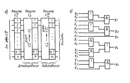
Шифраторы импульсных признаков. Преобразование множества двоичных сообщений п в тождественное ему множество сигналов, соответствующих содержанию регистра сообщений, осуществляют шифраторы импульсных признаков. По сути, ШФИП составляют кодер канала. В зависимости от типа системы эти п разрядов регистров кода могут содержать независимые сообщения или элементы сложного сообщения. Опрос разрядов может происходить одновременно (рис. 4.27,а) или последовательно во времени (рис. 4.27,6).
При параллельной передаче содержания регистра (см. рис. 4.27,а) каждый разряд связан со своим модулятором и обеспечивает перевод модулятора на выработку импульсного признака в соответствии с состоянием разряда.
При последовательной передаче сигналов (см. рис. 4.27,6) используется один модулятор с числом управляющих цепей, соответствующим числу импульсов в сложном сигнале. Каждая такая цепь отражает определенную позицию распределителя, т.е. действует в определенное время, и состояние соответствующей ячейки регистра. В этом случае ШФИП обеспечивает преобразование параллельного кода сообщения, записанного в регистр, в последовательность сигнальных импульсов, отражающих это сообщение. К информационным импульсам могут быть добавлены также специальные служебные импульсы.
В комбинационных системах рассмотренную совокупность цепей управления модулятором принято называть шифратором.
В схеме шифратора релейной системы с полярными импульсными признаками (рис. 4.28) при включении реле ПЛ или МЛ в линию связи посылается ток определенной полярности, т. е. эти реле составляют схему генератора импульсных признаков.

б)

Рис. 5. Функциональная схема шифратора импульсных признаков при параллельной и последовательной передаче элементов сигнала.

Рис. 6. Схема релейного шифратора полярной системы телемеханики
Цепи управления реле составляют шифратор. В каждой из этих цепей (кроме служебной через контакт реле Б) происходит проверка состояния распределителя (реле-счетчики 1—7) и соответствующего реле регистра (реле У и Р). Включение системы происходит контактами реле Г.
Схемы ШФИП с временным разделением сигналов могут различаться видом модулятора (модулятор фазы, частоты, амплитуды и т. п.) и типом элементов (бесконтактных и релейных).
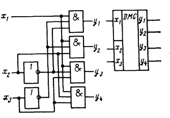
Мультиплексоры (рис. 4.29) обеспечивают управляемое подключение любой входной шины к одной выходной. В данном случае в зависимости от состояния управляющих входов x5 и x6 к выходу может быть подключен любой из входов х1—х4.
Нетрудно заметить, что мультиплексор вполне соответствует правилам выполнения ШФИП и может выполнять его роль. Для этого информационные входы необходимо связать с выходами регистра кода сообщений, а управляющие — с выходами распределителя.
Шифраторы комбинаций. Переход от множества одноэлементных сообщений к эквивалентному множеству многоэлементных, т. е. функцию кодированного представления каждого двоичного сообщения, осуществляют с помощью шифраторов комбинаций.

Рис. 7. Функциональная схема и условное обозначение мультиплексора

Как видно из функциональных структур систем телемеханики, ШФК являются составной частью кодера источника и обеспечивают перевод любого из N = 2n двоичных сообщений в n – разрядный код условленного для кодера канала вида. Обычно используют код с постоянным числом единиц (постоянным весом), т. е. комбинации из п элементов по т, где т — число единиц.
Отсюда общее правило: ШФК представляет собой комбинационную схему, содержащую N входов с т разветвлениями каждый, поданными на п схем ИЛИ, с выхода которых снимается код— комбинации из п элементов по т (рис. 8).
Схемная реализация ШФК обычно очень проста. В релейно-контактных системах на входе каждого разряда регистра кода включается набор (схема ИЛИ) контактов тех реле регистра сообщений (1P—NP), которые будут включаться при записи единицы в данном разряде кода (рис. 9).


Рис. 9. Схема релейного шифратора комбинаций (а) и структура комбинаций (б)
Аналогично в бесконтактных схемах (рис. 10) на вход каждого разряда регистра кода подключена схема ИЛИ (шина с диодами) с входами, подключенными к нужным шинам матрицы состояний регистра сообщений.
При переключении в состояние 1 любого триггера регистра C1N происходит переключение т триггеров регистра кода Сmn, подключенных к соответствующей горизонтальной шине.
После реализации зашифрованной комбинации производится сброс обоих регистров в исходное состояние. С этого момента возможны переключение другого триггера в регистре C1N и кодированная запись этого сообщения в регистре Сmn.
Однако, кроме кодов с постоянным весом, для которых рассмотрены правила выполнения ШФК, в системах телемеханики могут быть использованы и другие коды, в частности, двоичные на все сочетания. Шифратор комбинаций двоичного кода (рис. 11, а) отличается лишь разным числом ответвлений с выходов регистра сообщений в зависимости от номера разряда. В настоящее время ШФК широко выпускаются в интегральном исполнении (рис. 11,б).

Рис. 10. Схема бесконтактного шифратора комбинаций
Шифратор ШФК с большим числом входов и выходов организуется по двухступенчатой схеме (рис. 12).
В системах телемеханики часто возникает необходимость перехода от одного вида кода к другому, например, от простого двоичного к корректирующему коду и т.п. Такие переходы выполняют кодопреобразователи. Они обеспечивают перевод каждой кодовой комбинации одного множества сигналов в эквивалентную ей комбинацию другого множества с измененным числом разрядов. Кодопреобразователи выполняются по структуре, приведенной на рис. 13, а. Такой преобразователь требует предварительного перевода исходной комбинации Сmn в C1N (декодирования), а затем повторного кодирования по новой структуре ШФК, т. е. перехода:
![]()
Однако в тех случаях, когда можно выразить аналитически зависимости каждого элемента преобразованного кода от элементов, преобразуемого, т.е. указать переключательные функции, схема кодопреобразователя сводится к набору комбинационных схем. Число таких схем будет равно числу разрядов в преобразованном коде. На рис. 13. б приведена схема комбинационного преобразователя трехэлементного равномерного кода в пятиэлементный (С25).

ДЕШИФРАТОРЫ ИМПУЛЬСНЫХ ПРИЗНАКОВ
Дешифраторы импульсных признаков (ДШФИП) или декодеры каналов обеспечивают преобразование линейных сигналов на входе демодулятора в дискретные и их запоминание для дальнейшего использования.
При параллельной передаче (рис. 1, а) сигнал поступает одновременно на входы всех демодуляторов (их число равно числу одновременно посылаемых сообщений), к выходам которых постоянно подключены элементы памяти, составляющие приемный регистр декодера.
В случае последовательной передачи сигналов (рис. 1, б) используется один демодулятор, выходы которого с помощью распределителя коммутируются на соответствующие элементы памяти приемного регистра.


Рис. 14. Функциональные схемы дешифраторов импульсных признаков
Вид демодулятора зависит от используемых импульсных признаков, однако, можно выделить следующие характерные функции (рис. 15): оптимальное согласование входа демодулятора с каналом связи; выделение импульсных признаков в сигнале; преобразование параметров выделенных признаков в форму, удобную для последующего анализа и сравнения; сравнение по порогу или с «образцами» сигнала; формирование выходных сигналов демодулятора.

Рис. 15. Структурная схема демодулятора
Базовая цепь транзистора VТ1 двухчастотного демодулятора системы ДЦ «Нева» (рис. 16) согласована по параметрам канала. В коллекторной цепи включены два колебательных контура, настроенных каждый на свою частоту. Поэтому на частоту управления VТ1 откликается один из контуров, а напряжение, возникшее на вторичной обмотке трансформатора контура, выпрямляется и используется для закрытия соответствующего транзистора VТ2 или VТЗ, если по значению превышает напряжение отпирания транзистора.

Рис. 16. Схема двухчастотного демодулятора
После закрытия транзистора происходит формирование выходного сигнала демодулятора для запоминания значения (качества) принятого импульса в приемном регистре.
С началом приема импульсов сигнала происходит включение схемы контроля непрерывности поступления частот сигнала (схема триггера ТП).
Использование более простых импульсных признаков приводит к упрощению схемы демодулятора. На рис. 17. приведена схема демодулятора из системы СКЦ, использующей полярные признаки.

Рис. 17. Схема полярного демодулятора
Ток линейной цепи в соответствии с полярностью проходит по первичной обмотке трансформатора Т1 и Т2. Напряжение вторичной цепи, существующее во время перемагничивания трансформатора, является управляющим для транзисторов VТ2, VТЗ или VТ1. Если оно превышает уровень, заданный напряжением смещения U2, то соответствующий транзистор открывается и далее происходит формирование выходных сигналов для фиксации качества и работы схемы контроля непрерывности, а также для переключения распределителя.
Наиболее сложные импульсные признаки – относительная фазовая манипуляция использованы в ДЦ системы «Луч».
В блоке линейного усилителя (рис. 18, а) происходит предварительная обработка (до выделения фазы включительно) поступающих из канала связи импульсов сигнала, после чего они поступают в блок демодулятора на дальнейшие операции (рис. 18, б).
В блоке усилителя (см. рис. 18, а) сигнальные импульсы после фильтрации, усиления и формирования подаются на входы фазовых детекторов ФДА, ФДВ и ФДС для сравнения с фазами эталонных импульсных последовательностей А, В и С, поступающих из схемы разделителя фаз. В результате сравнения на выходе одного из фазовых детекторов появляется сигнал 1, а на выходах двух других – сигнал 0.
В схеме I с тремя устойчивыми состояниями (см. рис. 18, б) контролируется полнота состояний выходов А, В и С линейного усилителя, т. е. проверяется наличие одной единицы и двух нулей.
![]() |

Рис. 18. Схемы демодулятора относительных фазовых признаков
Выходы трехстабильной схемы I подключены к входам такой же схемы II, проверяющей комплектность инверсных значений выходных сигналов схемы I. После проверки происходит инвертирование выходных сигналов трехстабильной схемы II и запуск одного из трех одновибраторов, предназначенных для оперативного (на один такт) запоминания значения фазы поступившего сигнала.
Одновременно с этим значение фазы подается на входы элементов сравнения, выявляющих направления изменения фазы и формирующих сигналы, соответствующие символам «1» и «О». Три таких элемента предназначены для выявления переходов фазы в направлении А→В→С→А, т. е. при передаче символа «1», а три других – для противоположных переходов при передаче символов «0». Каждый элемент сравнивает текущее значение фазы (сигнал 1 на входе) со значением фазы предыдущего такта (сигнал 1 на другом входе, связанном с шиной А', В' или С'}.
Далее происходит формирование выходных сигналов демодулятора для управления цепями записи в приемный регистр, переключением распределителя и схемой контроля временных параметров поступающих сигналов.
Таким образом, демодуляторы могут занимать значительный объем устройств ДШФИП в сравнении с распределителями и приемными регистрами, входящими в их состав.
Схемы управления записью в приемный регистр ДШФИП реализуются сравнительно просто на любых элементах, так как состоят из набора двухвходовых схем И.
На рис.6 приведена логическая схема так называемого демультиплексора в интегральном исполнении, легко реализующего задачу связи общего выхода демодулятора (х1) с одним из выходов {у1 – у4) в зависимости от состояния управляющих входов (x2, x3). Выход открывается при совпадении единиц на входах схемы И, при этом соответствующий триггер приемного регистра, подключенный к этому выходу, будет переключаться в состояние 1.

Рис. 19. Функциональная схема и условное обозначение демультиплексора
Каскадным соединением таких схем можно получить требуемое число выходов демультиплексора.

