Выбор параметров и анализ режимов электропередачи
В данном курсовом проекте рассматривается электропередача переменного тока сверхвысокого напряжения с одной промежуточной подстанцией, предназначенной для транспорта электрической энергии от удаленной гидроэлектростанции в приёмную систему.
Решаются вопросы, связанные с выбором схемы электропередачи и номинального напряжения её участков, оценивается пропускная способность электропередачи, проводятся расчёты и анализ основных рабочих, послеаварийного и особых режимов работы.
В заключительной части проекта определяются основные технико-экономические показатели.
1. Выбор схемы, номинального напряжения и сечения проводов участков электропередачи
Выбор числа цепей на участках электропередачи производится по условию обоснованно надёжного снабжения энергией потребителей промежуточной подстанции, а также потребителей приёмной системы, обеспечиваемых энергией от ГЭС.
Сопоставляя три заданные величины:
наибольшая мощность, передаваемая от ГЭС Р0 = 1340 МВт;
наибольшая мощность потребителей промежуточной подстанции Рп/ст = 600 МВт;
оперативный резерв мощности, имеющийся в приёмной системе Ррезерв = 470 МВт.
Наметим следующие варианты схемы участков электропередачи:

Рис 1.1. Вариант 1 схемы участков электропередачи.

Рис 1.2. Вариант 2 схемы участков электропередачи.
При длине линий более 400 км, предельный экономический ток для двух смежных марок проводов равен:

где К02 и К01 – удельные капитальные вложения на сооружение ВЛ соответственно с проводами большего и меньшего сечения (1) при учете зональных и поправочных коэффициентов (1);
Ен = 0,12 – коэффициент эффективности капиталовложений;
а – коэффициент ежегодных издержек на амортизацию и обслуживание ВЛ (1);
dРк1 и dРк2 – среднегодовые потери мощности при коронировании проводов большего и меньшего сечения (1);
r02 и r01 – погонные активные сопротивления одного провода соответственно большего и меньшего сечения, вычисляемые по данным табл. 7.6 (1) с введением поправки на среднегодовую температуру воздуха (1);
n - стандартное число проводов в фазе;
Зi и Зii – удельные затраты на возмещение потерь электроэнергии, зависящие от времени потерь и района сооружения ВЛ;
tпотерь – время потерь.
tпотерь = ∑(Рi/Рнб)2∙ti
tпотерь = 122000+0,722500+0,522500+0,321760 = 4008,4 час.
Вариант 1
Линия 750 кВ длиной 630 км (одна цепь).
Iрасч = Pmax. л./(N∙√3∙Uном∙cosφ)
Iрасч = 1340./(1∙√3∙750∙0,99) = 1041,952 А
Fрасч = Iрасч/(n∙jрасч)
Fрасч = 1041,952/(4∙1) = 260.488 мм2
Количество проводов расщеплённой фазы n = 4.
Т. о. выбираем провод 4АС 400/93.
Iдоп = 4∙860 = 3440 А, где
860 А – длительно допустимый ток на один провод фазы из табл. 7.12 (1) (значение взято для ближайшего сечения, т.к. отсутствуют данные)
3440 > 1042, значит, провод по нагреву проходит.
Линия 500 кВ длиной 420 км (одна цепь).
![]()
![]()
Iрасч = Pmax. л./(N∙√3∙Uном∙cosφ) = (P0 – Рпс)./(N∙√3∙Uном∙cosφ)
Iрасч = 740./(1∙√3∙500∙0,98) = 871,917 А
Fрасч = Iрасч/(n∙jрасч)
Fрасч = 871,917 /(3∙1) = 290,639 мм2
Т.к. минимальное сечение провода по условиям короны для напряжения 500 кВ составляет 330/43 мм2 , то учитывая количество проводов расщеплённой фазы n = 3, выбираем провод: 3АС 330/43.
Iдоп = 3∙730 = 2190 А
730 А – длительно допустимый ток на один провод фазы из табл. 7.12 (1) (значение взято для ближайшего сечения, т.к. отсутствуют данные).
2190 > 872 , значит провод по нагреву проходит.
Вариант 2
Линия 500 кВ длиной 630 км (две цепи):
Iрасч = Pmax. л./(N∙√3∙Uном∙cosφ)
Iрасч = 1340./(2∙√3∙500∙0,99) = 781,464 А
Fрасч = Iрасч/(n∙jрасч)
Fрасч = 781,464/(3∙1) = 260,488 мм2
Т.к. минимальное сечение провода по условиям короны для напряжения 500 кВ составляет 330/43 мм2 , то учитывая количество проводов расщеплённой фазы n = 3, выбираем провод: 3АС 330/43.
Iдоп = 3∙730 = 2190 А
730 А – длительно допустимый ток на один провод фазы из табл. 7.12 (1) (значение взято для ближайшего сечения, т.к. отсутствуют данные).
Iав.пер. = 2∙ Iрасч = 1564 А
2190 > 1564 , значит провод по нагреву проходит.
Линия 500 кВ длиной 420 км варианта 2 аналогична линии 500 кВ длиной 420 км варианта 1.
2. Выбор схемы электрических соединений передающей станции и промежуточной подстанции
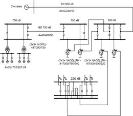
Вариант 1
Ррасч = 1,15∙1340 = 1541 МВт.
Выбираем шесть гидрогенераторов СВ – 712/227 – 24.
Номинальные данные:
Sном.г= 306 МВА, Рном. г = 260 МВт, U ном = 15,75 кВ, cosφ =0,85, Хd = 1,653, Хd’ = 0,424, Хd” = 0,279.
Располагаемая активная мощность ГЭС равна 1560 МВт.
С учётом подключения трех генераторов к одному блочному трансформатору выбираем две группы однофазных трансформаторов 2 3 + 1 ОРЦ 417000/750 со следующими номинальными параметрами:
Sном. тр = 417 МВ∙А, Uвн ном = 787/√3 кВ, Uнн ном = 15,75 кВ,
Δ Рк = 0,8 МВт, ΔРх = 0,4 МВт, Rт = 0,96 Ом, Хт = 69,3 Ом.
При числе присоединений равном трём на напряжении 750 кВ выбираем схему треугольника.
На промежуточной подстанции будет двойная трансформация.
Расчётная мощность первой трансформации:
Sрасч = Р0./(1,4∙cosφп/ст) = 1340./(1.4∙ 0,99) = 966,8 МВ∙А
Выбираем (3∙2 +1) АОДЦТН 417000/750/500 со следующими номинальными параметрами:
![]()
Sном. тр = 417 МВ∙А, Uвн ном = 750/√3 кВ, Uсн ном = 500/√3 кВ, Uнн ном = 15,75 кВ,
Δ Рк = 0,7 МВт, ΔРх = 0,28 МВт, Хт н = 309 Ом, Хт в = 55,1 Ом.
Расчётная мощность второй трансформации:
Sрасч = Рп/ст./(1,4 cosφп/ст) = 600./(1,4∙ 0,99) = 432,9 МВ∙А
Выбираем (3∙2 +1) АОДЦТН 167000/500/220 со следующими номинальными параметрами:
Sном. тр = 267 МВ∙А, Uвн ном = 500/√3 кВ, Uсн ном = 230/√3 кВ, Uнн ном = 11 кВ,
ΔРк = 0,325 МВт, ΔРх = 0,125 МВт, Хт н = 113,5 Ом, Хт в = 61,1 Ом.
На подстанции потребители питаются от шин 220 кВ. Определим количество отходящих линий от РУ 220 кВ, ориентируясь на их натуральную мощность:
n = Рп/ст/135 = 600/135 = 4,4, следовательно принимаем n = 4.
Т. о. на подстанции при первой трансформации принимаем схему треугольника, а при второй трансформации при числе присоединений равном пяти выбираем схему трансформатор – шины с присоединением линий через два выключателя.
На 220 кВ при числе присоединений равном шести выбираем схему одна секционированная система шин с обходной с отдельными секционным и обходными выключателями. В итогесхемаэлектрических соединений для первого варианта электропередачи выглядит с. о.:

Рис.2.1 Схемаэлектрических соединений для первого варианта электропередачи.
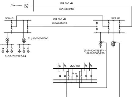
Вариант 2
С учётом подключения трех генераторов к одному блочному трансформатору выбираем трансформаторы ТЦ 1000000/500 со следующими номинальными параметрами:
Sном. тр = 1000 МВ∙А, Uвн ном = 525 кВ, Uнн ном = 15,75 кВ,
ΔРк = 2 МВт, ΔРх = 0,6 МВт, Rт = 0,55 Ом, Хт = 40 Ом.
При числе присоединений равном четырем на напряжении 500 кВ выбираем схему четырехугольника. На промежуточной подстанции остается лишь одна трансформация на 220 кВ, в остальном схемы электрических соединений аналогичны варианту 1 и выглядит следующим образом:

Рис.2.2 Схемаэлектрических соединений для второго варианта электропередачи.
Выбор выключателей на РУ
В цепи генераторов: Imax = 260/(1,73∙15,75∙ 0,85) = 11,213 кА
ВВГ – 20 – 160 /20000 У3
U ном = 20 кВ, I ном = 20 кА, I откл = 160 кА
ОРУ 750 кВ: Imax = 1340/(1,73∙750∙0,99) = 1,042 кА
ВВБ – 750 – 40/3150У1
U ном = 750 кВ, I ном = 3,15 кА, I откл = 40 кА
ОРУ 500 кВ: Imax = 1340/(1,73∙500∙0,99) = 1,563 кА
ВНВ – 500А – 40/3150У1
U ном = 500 кВ, I ном = 3,15 кА, I откл = 40 кА
ОРУ 220 кВ: Imax = 600/(1,73∙220∙0,99) = 1,59 кА
ВВБК – 220Б – 56/3150У1
U ном = 220 кВ, I ном = 3,15 кА, I откл = 56 кА.
3. Технико-экономическое сравнение двух вариантов электропередачи
Экономическим критерием определения наиболее рационального варианта является минимум приведенных затрат, которые вычисляются по следующей формуле:
3= Ен К∑ +И∑ +У, где
Ен – нормативный коэффициент сравнительной эффективности капиталовложений;
Ен = 0,12 (для энергетики срок окупаемости 8 лет);
К∑ - капиталовложения в сеть;
И∑ - издержки всей сети;
У – ущерб.
К∑ = Кл + Кп/ст.
Кл = Ко· ℓ, где
Ко – удельная стоимость сооружения линий,
ℓ – длина линии, км
Кп/ст = Кору + Ктр + Кку + Кпч
В расчете предварительно не учитывается стоимость компенсирующих устройств, т.е. Кку = 0
Кору = Корувн + Корусн
Ктр- капиталовложение трансформаторов,
Кпч – постоянная часть затрат
И∑ = И∑а.о.р.+ И∑потери ээ, где
И∑ - издержки всей сети;
И∑.о.р а.- издержки амортизацию, обслуживание и ремонт;
И∑потери ээ - издержки связанные с потерями электроэнергии.
И∑а.о.р = Иа.о.р.л + И а.о р п/ст
И∑потери ээ =Ипотери ээВЛ + Ипотери тр
Иа.о.р.вл = ал·кл
ал – ежегодные издержки на амортизацию, обслуживание и ремонт воздушных линий в % от капиталовложений.
Ипотери ээ = Ипотери ээВЛ + И∑потери ээтр , где
И а.о р п/ст = а п/ст · К п/ст
Расчет произведём для схем отличающихся частей вариантов схем 1 и 2.
Схема 1
З = Ен· Кå + Иå
Кå = Кå вл + КГЭС + Кп/ст
1) Квл = ко· L
Квл = к0(400))· ℓ1 = 97∙630 = 43470 тыс. руб.
2) КГЭС = Корувн + Ктр +К пч
Корувн = 3·700 = 2100 тыс. руб.
Ктр = 2∙1980 = 3960 тыс. руб.
Кпч = 6800 тыс. руб.
КГЭС = 2100 + 3960 + 6800 = 12860 тыс. руб.
3) Кп/ст = Кору вн 750 +Ктр 750 + К пч 750
Кору вн 750 = 3·700 = 2100 тыс. руб.
Ктр 750 = 2∙2150 = 4300 тыс. руб.
Кп/ст = 2100 + 4300 + 6800 = 13200 тыс. руб.
Тогда Кå = 48500 + 12860 + 13200 = 74560 тыс. руб.
Иå=Иå а.о.р. + Иå потери ээ
Иå а.о.р. = Иå а.о.р.вл + Иå а.о.р. ГЭС + Иå а.о.р.н/ст
Иå а.о.р.вл = 0,028·43470 = 1217,16 тыс. руб.
Иå а.о.р. ГЭС = 0,078·12860 = 1003,08 тыс. руб.
Иå а.о.р.п/ст = 0,084·13200 = 1108,8 тыс. руб.
Иå а.о.р = 1217,16 + 1003,08 + 1108,8 = 3329,04 тыс. руб.
Определим издержки на потери электроэнергии в линии:
1)ΔWл1 = ΔР л1 τ л1·α t, где α t, = 1
ΔP л1= S2мах/ U2ном Rл = 1353,52 /7502 11,97 = 38,98 МВт
τ л1= (0,124 + Тмах./10000)2 8760
Wгод= 1340∙2000 +1340∙0,7∙2500 +1340∙0,5∙2500 +1340∙0,3∙1760 = 7,408∙106 МВт·ч
Тмах = Wгод/Рмах = 7,408∙106/1340 = 5528 час.
τ л1= (0,124 + 5528/10000)2 ·8760 = 4012,59 час
ΔW л1= 38,98 · 4012,59 = 156410,8 МВт·ч
ΔWкор л1 = 160∙630 = 100800 МВт·ч
Ипотери ээВЛ= ЗI∙ΔWл1 + ЗII∙ΔWкор л1 = 2∙10-2∙156410,8 + 1,75∙10-2∙100800 = 4892,2 тыс. руб.
Определим издержки на потери энергии в трансформаторах:
Ипотери ээтр = ЗI∙ΔРк.з(Sнг.мах./Sном.т)2.τ т + ЗII∙ΔР х.х ·8760
1) Т 750/10:
Ипотери ээтр 750/10 = 2∙10-2∙1/2∙0,8∙(1353,5./1251)2 ∙4012,59 + 1,75∙10-2∙2·0,4·8760 = 160,22 тыс. руб.
2) Т 750/500/10:
Ипотери ээтр 750/500 = 2∙10-2∙1/2∙0,7∙(1353,5./1251)2∙ 4012,59 + 1,75∙10-2∙2·0,28∙8760 = 118,73 тыс. руб.
Ипотери ээтр Σ = 160,22 + 118,73 = 278,95 тыс. руб.
Ипотери ээΣ = Ипотери ээВЛ + Ипотери ээтр Σ
Ипотери ээΣ = 4892,2 + 278,95 = 5171,15 тыс. руб.
И∑ = И∑а.о.р.+ И∑потери ээ
И∑ = 3329,04 + 5171,15 = 8500,19 тыс. руб.
У = ω∙Тв∙(Рнб – Ррез )∙εн∙Уов
ω = 0,2∙10-2∙630 = 1,26
εн = (Рнб – Ррез )/Рнб = (1340 – 470)/1340 = 0,649
Тв = 1,7∙10-3
Уов = 4,5 тыс. руб./кВт.
У = 1,26∙1,7∙10-3∙870∙0,649∙4,5∙1000 = 5442,47 тыс. руб.
И тогда окончательно приведенные затраты на схему варианта 1 будут равны:
З = Ен· Кå + Иå + У
З1 = 0,12·74560+ 8500,19 + 5442,47 = 22889,86 тыс. руб.
Схема 2
З = Ен· Кå + Иå + У
Кå = К л1 + КГЭС
1) Кл1 = 2∙к0(500))· ℓ1 = 2∙49,9∙630 = 62874 тыс. руб.
2) КГЭС = Корувн + Ктр +К пч
Корувн = 6·260 = 1560 тыс. руб.
Ктр = 2∙932 = 1864 тыс. руб.
Кпч = 2400 тыс. руб.
КГЭС = 1560 + 1864 + 2400 = 5824 тыс. руб.
Тогда Кå = 62874 + 5824 = 68698 тыс. руб.
Иå=Иå а.о.р. + Иå потери ээ
Иå а.о.р. = Иå а.о.р.вл + Иå а.о.р.ору вн ГЭС
Иå а.о.р.вл = 0,028·62874 = 1760,472 тыс. руб.
Иå а.о.р. ГЭС = 0,078·5824 = 454,272 тыс. руб.
Иå а.о.р = 1760,472 + 454,272 = 2214,744 тыс. руб.
1) Определим издержки на потери электроэнергии в линии:
ΔWл1 = ΔР л1· τ л1 · α t, где α t, = 1
ΔP л1= (S2мах/ U2ном )∙ 0,5Rл = 1353,52 /5002 ·0,5·9,135 = 33,47 МВт
Wгод = 7,408∙106 МВт·ч
Тмах = Wгод/Рмах = 7,408∙106 /1340 = 5528 час.
τ л1= (0,124 + 5528/10000)2 ·8760 = 4012,5 час
ΔW л1= 33,47 · 4012,5 = 134298,37 МВт·ч
ΔWкор л1 = 2∙60∙630 = 75600 МВт·ч
ЗI = 2 коп/(кВт∙час), ЗII = 1,75 коп/(кВт∙час)
Ипотери ээВЛ= ЗI∙ΔWл1 + ЗII∙ΔWкор л1 = 2∙10-2∙134298,37+ 1,75∙10-2∙75600 = 4008,97 тыс. руб.
2) Определим издержки на потери энергии в трансформаторе 500/10:
Ипотери ээтр = ЗI∙ΔР к.з(Sнг.мах./Sном.т)2.τ т + ЗII∙ΔР х.х ·8760
Ипотери ээ тр = 2∙10-2∙1/2∙2(1353,5./2000)2∙4012,5+1,75∙10-2∙2∙0,6·8760 = 220,714 тыс. руб.
Ипотери ээΣ = Ипотери ээВЛ + Ипотери ээтр
Ипотери ээΣ = 4008,97 + 220,714 = 4229,684 тыс. руб.
И∑ = И∑а.о.р.+ И∑потери ээ
И∑ = 2214,744 + 4229,684 = 6444,428 тыс. руб.
И тогда окончательно приведенные затраты на схему варианта 2 будут равны:
З2 = 0,12·68698 + 6444,428 = 14688,188 тыс. руб.
Сравним приведенные затраты для схем 1 и 2
З1 = 22889,86 тыс. руб.. З2 = 14688,188 тыс. руб.
Оценим эту разницу в %: ε = (22889,86 – 14688,188) ·100% /22889,86 = 36%
Т.о. схема 2 обходится значительно дешевле, нежели схема 1, поэтому по технико-экономическим показателям наиболее рациональным вариантом схематического исполнения электропередачи является вариант 2 и весь дальнейший расчёт ведётся именно для этого варианта.

Рис 2.3 Схема замещения электропередачи.
Рассчитаем параметры схемы замещения.
Линия 13АС 330/43.
Сопротивления на одну цепь:
Rл1 = КR∙ℓ∙r0 = (1 – (0,664)2/3)∙630∙0,029 = 15,58 Ом
Xл1 = КХ∙ℓ∙x0 =(1 – (0,664)2/6)∙630∙0,308 = 179,78 Ом
Вл1 = КВ∙ℓ∙b0 =(1 + (0,664)2/12)∙630∙3,6∙10–6 = 2,351 ∙10–3 См
Где 0,664 = β0∙ℓ , где ℓ = 630 км и
![]()
Линия 23АС 330/43.
Сопротивления на одну цепь:
Rл1 = КR∙ℓ∙r0 = (1 – (0,443)2/3)∙420∙0,029 = 11,38 Ом
Xл1 = КХ∙ℓ∙x0 =(1 – (0,443)2/6)∙420∙0,308 = 125,13 Ом
Вл1 = КВ∙ℓ∙b0 =(1 + (0,443)2/12)∙420∙3,6∙10–6 = 1,537∙10–3 См
Где 0,443 = β0∙ℓ , где ℓ = 420 км.
3. Расчёт нормальных, послеаварийного и особых режимов электропередачи





Произведём расчёт линии 2.

Произведём проверку режима:
1) UННдопmin= 10,45кВ НН = 10,46 кВ < UННдопmax=11,55кВ
2) UСНmax = 195,5≤ UСН = 228,731≤ UСНдопmax = 264,5кВ
3) UГдопmin=14,96 кВ < Uг = 15,104 кВ < UГдопmax=16,54 кВ
4) cosφг = 0,956 > cosφгном = 0,85
5) kз1 = 124,5 % >20% ; kз2 = 197,49 % >20%
kз1 = (Рпр1 – Р0)/ Р0 = (U1∙U2/Xл1 – Р0)/Р0 = (525∙515/89,89 – 1340)/1340 = 124,5 %
kз2 = (Рпр2– Р0)/ Р0 = (U2∙Uсис/Xл2– Рсис)/Рсис = (515∙492,533/125,13– 681,421)/681,421 = 197,49 %
Расчёт режима наименьшей передаваемой мощности
По условию в данном режиме, мощности, передаваемые по линиям, составляют 30 % номинальных. Поэтому в режиме НМ отключена одна из цепей на головной ВЛ, одна из групп АОДЦТН 167000/500/220 на промежуточной подстанции, один блок на ГЭС и устройства УПК.



С целью поднятия напряжения на шинах ГЭС и подстанции предусмотрена установка двух групп реакторов 3xРОДЦ – 60/500 в начале головной линии и одной группы в конце.
В данном режиме U1 = 500 кВ.
Зададимся напряжением: U2 = 500 кВ и произведём расчёт режима НМ.



Произведём расчёт линии 2.
Учитывая посадку напряжения на шинах системы, устанавливаем группу реакторов 3хРОДЦ – 60/500.

Произведём проверку режима
1) UННдопmin= 10,45кВ НН = 10,869 кВ < UННдопmax= 11,55кВ
2) UСН = 195,5< UСНmax = 227,826СНдопmax= 264,5кВ
3) UГдопmin=14,96 кВ < Uг = 15,135 кВ < UГдопmax= 16,54 кВ
4) cosφг = 0,98 > cosφгном = 0,85
5) kз1 = 245,9 % >20%; kз2 = 838 %>20%
kз1 =(Рпр1 – Р0)/ Р0 = (U1∙U2/Xл1 – Р0)/Р0 =(500∙500/179,78 – 402)/402 = 245,9 %
kз2 = (Рпр2– Р0)/ Р0 =(U2∙Uсис/Xл2– Рсис)/Рсис=(500∙488,1/125,13 – 207,9)/207,9 = 838 %
Расчёт послеаварийного режима
В качестве послеаварийного режима рассматриваем отключение одной цепи линии Л-1.
При этом по линии Л-1 протекает мощность P0 = 1340 МВт, что больше натуральной мощности линии 500кВ (Pc=852,82МВт), поэтому принимаем напряжение в начале линии U1 = 1,05∙Uном = 525 кВ; учтём резерв и УПК.
Напряжение в конце линии Л-1 принимаем U2 = 490 кВ.






Для выработки необходимой реактивной мощности предусматривается установка двух СК типа КСВБ0-100-11.
В данном случае считаем, что вторая линия генерирует часть своей зарядной мощности на подстанцию, соответственно другая её часть поступает в систему.

Произведём проверку режима:
1) UННдопmin= 10,45кВ НН = 10,524 кВ < UННдопmax=11,55кВ
2) UСН = 195,5 кВ < UСН = 231,364 кВ < UСНдопmax= 264,5кВ
3) UГдопmin=14,96 кВ < Uг = 16,04 кВ < UГдопmax=16,54 кВ
4) cosφгном = 0,961 > cosφгном = 0,85
5) kз1=64,27 % >20 %; kз2=509%>20%
kз1 =(Рпр1 – Р0)/ Р0 = (U1∙U2/Xл1 – Р0)/Р0 =(525∙490/87 –1800)/1800 = 64,27 %
kз2 = (Рпр2– Р0)/ Р0 =(U2∙Uсис/Xл2– Рсис)/Рсис=(490∙481,88/66,82 – 580)/580 = 509 %
Рассчитанные основные рабочие режимы электропередачи требуют установки
УПК 40%, двух синхронных компенсаторов типа КСВБ0-100-11, одной группы реакторов 3∙РОДЦ – 60 в начале линии 1 и трёх групп реакторов 3∙РОДЦ – 60 в начале линии 2
Расчёт режима синхронизации на шинах промежуточной подстанции
![]() |
Рис 3.1 Схема замещения электропередачи в режиме синхронизации на шинах промежуточной подстанции
В этом случае линия головного участка электропередачи включена со стороны станции и отключена со стороны промежуточной подстанции. При этом приемная подстанция питается от приемной системы по второму участку электропередачи. Напряжение на шинах подстанции определяется обычным путем, исходя из того, что синхронизация осуществляется в режиме максимальных нагрузок.
Рассчитаем участок электропередачи система – промежуточная подстанция.
Параметры схемы замещения :

Принимаем Рсистемы = 1,05∙Рп/ст = 1,05∙1100 = 1155 МВт, Uсис = 510 кВ
Р′′л2 = Рсистемы – ΔРк2/2 = 1155 – 6,3/2 = 1151,85 МВт
Q′′л2 = Q′′з2/2 = Uсис2∙Y2/2 = 474,42 Мвар
Определим значение Q′′л2, при котором U2 будет не более 500 кВ.
Q′′л2 = ((Uсис – U2)∙ Uсис – Р′′л2∙R2)/X2 = ((510 – 500)∙510 – 1151,85∙7,015)/66,82
Q′′л2 = – 44,6 Мвар
Устанавливаем в конце второй линии три группы реакторов 3∙РОДЦ – 60 общей мощностью 3∙180∙( Uсис/525)2 = 509,58 Мвар
Q′′л2 = 474,42 – 509,58 = – 35,58 Мвар
Р′л2 = Р′′л2 – (Р′′л22 + Q′′л22)∙ R2/ Uсис2 = 1151,85 – (1151,852 + 35,582)∙ 7,015/ 5102
Р′л2 = 1116 МВт
Q′л2 = Q′′л2 – (Р′′л22 + Q′′л22)∙ Х2/ Uсис2 = –35,58 – (1151,852 + 35,582)∙ 66,82/ 5102
Q′л2 = – 376,75
U2 = Uсис – ( Р′′л2∙R2+ Q′′л2∙X2)/ Uсис = 510 – (1151,85 ∙7,015– 35,58 ∙66,82)/510
U2 = 498,86 кВ.
Далее проверим напряжения на НН и СН подстанции.
Рат = Р′л2 – ΔРк2/2 = 1116 – 6,3/2 = 1112,85 МВт
Qат = Q′л2 + U22∙Y2/2 = – 376,75 + 498,822∙3, 648∙10-3/2 = 77,1 Мвар



Оставшийся дефицит реактивной мощности покрывают два синхронных компенсатора установленных ранее по условию работы электропередачи в режиме наибольших нагрузок.
Uнн = 11,045 < Umaxск = 11,55 кВ.
Следовательно, режим допустим.
Теперь рассчитаем первый участок электропередачи.
Вторая цепь линии Л-1 отключена, на ГЭС в работе 1 генератор и 1 блочный трансформатор.
Для синхронизации необходимо чтобы напряжения на отключённом конце головного участка и на шинах промежуточной подстанции были равны.
U2 = 498,86 кВ.
U2 = U1/cos(β0∙L) = 525/ cos(1,052∙10–3∙500∙180/3,14) = 607,15 кВ
Для уменьшения напряжения на открытом конце головного участка ставим реакторы в конце головной линии.
Определим необходимое количество этих реакторов:

Т. о. устанавливаем две группы реакторов 3∙РОДЦ – 60.
Тогда

Что равно напряжению на шинах промежуточной подстанции, питающейся от системы.
Определим возможность существования такого режима для генератора.
а) ЛЭП – 1

Qр= 2∙180∙ (U2хх/525)2 = 2∙180∙ (497,868/525)2 = 323,75 Мвар
Q′′л1 = Qр – U2хх2∙Y1/2 = 323,75 – 497,8682∙1,862∙10–3/2 = 92,98 Мвар
Q′л1 = Q′′л1 + Q′′л12∙Х1/ U2хх2 = 92,28 + 92,282∙145/ 497,8682 = 97,26 Мвар
Qл1 = Q′л1 – U12∙Y1/2 = 97,26 – 5252∙1,862∙10–3/2 = –159,35 Мвар
Для уменьшения Uг ставим в начале головной линии одну группу реакторов 3∙РОДЦ – 60 общей мощностью в 180 Мвар.
Тогда Qл1 = –159,35 + 180 = 20,65 Мвар.

Qг = Qл1 + Qл12∙Хт1/ U12 = 20,65 + 20,652∙61,3/5252 = 20,745 Мвар


Iг = 0,764 кА < Iг ном = 10,997 кА
Исследуем возможность самовозбуждения генератора.
Хс = 1/(j∙Y1/2) = 1/( j∙1,862∙10–3/2) = – j∙1074,11 Ом
Хр = j∙ Uном2/Qр = j∙ 5252/180 = j∙1531,25 Ом
Х1 = Zл1+Хс∙Хр/(Хс+Хр)= 9,08+ j∙145– j∙1074,11∙ j∙1531,25/(–j∙1074,11+j∙1531,25)
Х1 = 9,08 – j∙819,26 Ом
Zвнеш=Хс∙Х1/(Хс+Х1) = – j∙1074,11∙(9,08–j∙819,26) /(– j∙1074,11+ 9,08– j∙819,26)
Zвнеш = 0,511 – j∙819,26 Ом
Хd = Хd∙Uном2/Sном + j∙Хт1= j∙1,31∙5002/353 + j∙61,3 = j 989 Ом
Zвн носит емкостной характер => возможно самовозбуждение генератора.
Т.к. Xd= 989 Ом < Xвн = 819,26 Ом, то рабочая точка попадает в зону самовозбуждения.
Для устранения самовозбуждения установим ещё одну группу реакторов
в начале головной линии.
Тогда Qл1 = –159,35 + 360 = 200,65 Мвар.
Qг = Qл1 + Qл12∙Хт1/ U12 = 200,65 + 200,65 2∙61,3/5252 = 209,6 Мвар

Напряжение генератора находится в допустимых пределах.

![]()
Iг =8,04 кА < Iг ном = 10,997 кА
Следовательно, генератор не перегружен по току. Исследуем возможность самовозбуждения генератора.
Хс = 1/(j∙Y1/2) = 1/( j∙1,862∙10–3/2) = – j∙1074,11 Ом
Хр = j∙ Uном2/(2∙Qр) = j∙ 5252/360 = j∙765,625 Ом
Х1 = Zл1+Хс∙Хр/(Хс+Хр)= 9,08+ j∙145– j∙1074,11∙ j∙1531,25/(–j∙1074,11+j∙765,625)
Х1 = 9,08 + j∙2,811 Ом
Zвнеш=Хс∙Х1/(Хс+Х1)+j∙Хт1= – j∙1074,11∙(9,08 + j∙2,811) /(– j∙1074,11+ 9,08 + j∙2,811)
Zвнеш = 3,473 – j∙1738+ j∙61,3 = 0.511 – j∙1677
Хd = Хd∙Uном2/Sном = 1,31∙5002/353 = 927,76 Ом
Zвн носит емкостной характер => возможно самовозбуждение генератора, но т.к. Xd= 989
|

