Выбор основных параметров, расчет и конструирование тепловозов
В курсовой работе производится проектирование пассажирского тепловоза. Определены основные параметры локомотива, приведено обоснование выбора типа передачи мощности и вспомогательного оборудования, параметры и количество вентиляторов охлаждающего устройства.
Произведен расчет рессорного подвешивания, проверяется возможность геометрического вписывания экипажа в кривую заданного радиуса методом параболической диаграммы, выполнена приблизительная компоновка оборудования на тепловозе и его развеска.
В завершение работы производится сравнение проектируемого тепловоза с тепловозом аналогом.
Раздел 1.
ВЫБОР ТИПА ЭНЕРГИТИЧЕСКОЙ УСТАНОВКИ
В качестве тепловоза прототипа принимаем грузовой тепловоз с передачей постоянного тока ТЭП60. Для проектного тепловоза принимаем следующие величины:
.
1.1 Сцепной вес локомотива:

1.2 Число движущих колёсных пар:
![]()
1.3 Касательная мощность секции:
![]()
По тепловозу прототипу ТЭП60 :
, отсюда определяем V2 для проектируемого тепловоза:
![]()
Отсюда находим касательную мощность секции при скорости V2:

1.4 Определяем эффективную мощность секции:
![]()
Расчёт к.п.д. тяговой передачи для тепловоза с переменно-постоянной электрической передачей:
![]()
![]()
Для проектного тепловоза
кВт, поэтому выбираем дизель 1А-5Д49 с величиной эффективной мощности 2264 кВт. Основные технические характеристики указанного типа дизеля (Табл. 2.1.)
Таблица 2.1.Техническая характеристика дизеля
Тип дизеля | Д49 |
| Марка дизеля | 1А-5Д49 |
| Обозначение по ГОСТ | 16ЧН26/26 |
| Номинальная мощность, кВт | 2264 |
| Расположение цилиндров | 16V |
| Диаметр цилиндра, мм | 260 |
| Ход поршня, мм | 260 |
| Частота вращения коленчатого вала, об/мин | |
| номинальная | 1000 |
| минимальная | 350 |
| Среднее эффективное давление, МПа | 1,22 |
| Средняя скорость поршня, м/с | 8,67 |
| Удельный расход топлива, кг/кВт·ч | 0,203 |
| Тепловыделение, кВт | |
| в масло дизеля | 423 |
| в охлаждающую воду | 780 |
| от наддувочного воздуха | 410 |
| Подача насосов, м3/с | |
| масляного | 0,0222 |
| водяного | 0,0222 |
| Габариты дизеля, м | |
| длина | 4,85 |
| ширина | 1,92 |
| высота | 2,9 |
Масса дизеля, кг | 18000 |
Раздел 2.
ОСНОВНЫЕ ХАРАКТЕРИСТИКИ И ВЫБОР КОНСТРУКЦИИ ЭКИПАЖНОЙ ЧАСТИ ЛОКОМОТИВА
2.1 Определение служебной массы локомотива
В предварительных расчетах служебная масса определяется в виде
(кг),
где
– удельный показатель служебной массы, реализованный у эксплуатируемых и рекомендуемый для перспективных локомотивов, кг/кВт. Для тепловоза ТЭП 60, для которого
кг/кВт, получаем
т.
Число колесных пар
.
2.2 Проверка величины статической нагрузки колес на рельсы
![]()
кН для пассажирских локомотивов.
< 225 кН.
2.3 Определение диаметра движущих колес
(мм),
где (2p) – допустимая нагрузка на 1 мм диаметра колеса. Принимается в пределах 0,2…0,27 кН/мм.
мм.
Принимаем стандартный диаметр колес тепловозов – 1050 мм.
2.4 Определение предварительной (ориентировочной) величины длины локомотива по осям автосцепок
Для
кВт длина локомотива может быть расчитана в соответсвии с эмпирическим выражением
(мм).
Получим
![]()
2.5 Определение базы локомотива
Предварительно
, где
– коэффициент, равный 0,5…0,54 для экипажной части длиной
до 20 м.
Получим
.
Раздел 3.
ОПРЕДЕЛЕНИЕ НЕОБХОДИМЫХ ПАРАМЕТРОВ, КОЛИЧЕСТВА И РАЗМЕРОВ ОХЛАЖДАЮЩИХ УСТРОЙСТВ
3.1 Обоснование выбора типа охлаждающего устройства
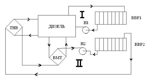
Компромиссным решением, используемым на большинстве типов тепловозов, является открытая двухконтурная система охлаждения (Рис. 3.1.). В двухконтурной системе контур охлаждения элементов дизеля и контур охлаждения наддувочного воздуха и масла разделены. В качестве основного теплоносителя используется вода, циркулирующая в замкнутых системах охлаждения (контурах) с поверхностными теплообменниками. Каждый контур системы оборудован индивидуальным насосом. Это дает возможность раздельного регулирования температуры охлаждающей воды в обоих контурах. На проектируемом тепловозе целесообразно применить данную схему водяного охлаждения.

Рис. 3.1. Двухконтурная схема водяного охлаждения конструкции теплового дизеля
3.2 Расчет числа секций радиатора первого контура охлаждения воды дизеля
Поскольку мы ранее приняли для проектного тепловоза открытую систему охлаждения, то принимаем температуру ![]()
ºС. Температуру охлаждающего воздуха на входе в секции радиаторов принимаем равной
ºС.
- тепловыделение дизеля в охлаждающую воду.
- тепловыделение дизеля в масло.
- тепловыделение дизеля от надувочного воздуха.
Таблица 3.1.
Геометрические параметры серийных секций радиаторов
| Параметр | Водо-воздушные секции | |
| Длина секций по месту крепления | 1356 | 686 |
Рабочая длина трубок между решетками, | 1206 | 535 |
| Фронтальная ширина секции, мм | 152,5 | |
| Глубина секции, мм | 187 | |
Поверхность, омываемая жидкостью, | 3,04 | 1,35 |
Поверхность, омываемая воздухом,
| 29,6 | 13,1 |
Живое сечение для прохода жидкости,
| 0,00132 | |
Живое сечение для прохода воздуха,
| 0,149 | 0,0662 |
| Число трубок в секции | 68 | |
| Расположение трубок в секции | Шахматное | |
| Наружные размеры трубок, мм | 19,5 х 2,2 | |
| Толщина стенок трубок, мм | 0,55 | |
| Число охлаждающих платин | 525 х 2 | 232 х 2 |
| Шаг оребрения, мм | 2,3 | |
| Масса секции, кг | 42,25 | 24,55 |
Расчёт физических параметров теплоносителей (вода, масло, надувочный воздух) рассчитываются по формуле исходя из данных таблицы 2 при данной температуре:
![]()
Коэффициент динамической вязкости определятся по формуле:
![]()
Таблица 2
Плотность
| Теплоёмкость
| Теплопроводность
| Кинематическая вязкость
| |
| Сухой воздух | ||||
| а0 |
| 1004,8 | 0,02442 | 13,28 |
| а1 | 0 | 0 | 0,000102 | |
| а2 | 0 | 0,0000768 | 0,0883 | |
| Дизельное масло М14В | ||||
| а0 | 919,64 | 1754,7 | 0,1291 | 214,7 |
| а1 | 0 | 0 | 0 | 0,0183 |
| а2 | -0,6214 | 3,768 | -0,00007 | -3,85 |
| Вода | ||||
| а0 | 1019,66 | 4118,6 | 0,5611 | 1,032 |
| а1 | 0 | 0 | -0,00001 | 0,000048 |
| а2 | -0,606 | 1,0048 | 0,00221 | -0,012 |
При
физические параметры равны следующим величинам:
-для воздуха при температуре
ºС коэффициент динамической вязкости
Па·с, коэффициент теплопроводности
, Вт/м·К, удельная теплоемкость
Дж/кг·К;
-для воды при температуре ![]()
ºС плотность
кг/м3, коэффициент динамической вязкости
Па·с, удельная теплоемкость
Дж/кг·К, коэффициент теплопроводности
, Вт/м·К, коэффициент кинематической вязкости
м2/с.
Определяем подачу водяного насоса:

Для монтажа холодильника принимаются стандартные секции с длиной активной части 1206 мм. Параметры охлаждающих секций радиаторов (Табл. 3.1.).
3.2.1 Определяем ориентировочное число секций первого контура охлаждения, задавшись величиной Vвд.
,
где
– массовая скорость воды в трубках секции. Принимается в пределах 900…1500 кг/м2·с. В нашем случае принимаем
кг/м2·с.
Массовая скорость воздуха между пластинами оребрения секции находится в пределах 8…14 кг/м2·с. Принимаем в дальнейших расчетах
кг/м2·с.
Тогда
секций.
3.2.2 Определяем число секций радиаторов, исходя из теплорассеивающей способности
,
где
– теплорассеивающая способность секций радиатора при заданных условиях теплообмена, Вт.
где
– теплорассеивающая способность секций радиатора при заданных условиях теплообмена, Вт.
, Вт
В этом выражении неизвестной является величина k – коэффициент теплопередачи секции радиатора
, Вт/м2·К,
где Кi – критерий Кирпичева.
![]()
3.2.3 Определяем числа Рейнольдса для воды и воздуха при выбранных расчетных температурах. Число Рейнольдса характеризует режим течения жидкости или газа
Находим число Рейнольдса для воды при
ºС
,
где dГвд – гидравлический диаметр трубки.
м.
Находим число Рейнольдса для воздуха при температуре
ºС
,
где dГвз – гидравлический диаметр воздушной стороны секции, м.
м.
3.2.4 Определяем величину температурного фактора ![]()
,
где T’вд – абсолютная температура воды на входе в секцию, К.
К.
-абсолютная температура воздуха на входе в секцию
К.
3.2.5 Для полученного ранее значения числа Рейнольдса
, рассчитываем критерий Кирпичева
.
3.2.6 Находим величину теоретического коэффициента теплопередачи
.
3.2.7 Определение необходимого количества секций
Используя уравнение теплового баланса и уравнение теплопередачи, находим необходимое количество секций.

С учетом запаса на загрязнение стенок трубок радиаторов принимаем количество секций равным 12 шт.
3.2.8 Определяем температуру воды на выходе из секций радиаторов:
.
3.2.9 Определяем температуру воздуха на выходе из секций радиаторов:
.
3.2.10 Гидравлическое сопротивление движению воды через водовоздушные секции радиаторов:
.
Для всего контура охлаждения воды дизеля гидравлическое сопротивление движению воды необходимо увеличить в 2,5 раза:
![]()
3.2.11 Определение необходимой мощности на привод водяного насоса
Предварительное значение расхода мощности:
.
где
– расчетный КПД водяного насоса.
Принимаем
, тогда:
.
С учетом ответственности выполняемой функции и обеспечения бесперебойной циркуляции воды в контуре охлаждения, предварительно рассчитанную величину необходимой мощности увеличиваем в 2…3 раза. Если принять двухкратный запас мощности, то для привода водяного насоса необходим двигатель мощностью 8 кВт.
3.3 Расчет числа секций радиатора второго контура охлаждения масла и надувочного воздуха
Исходные данные для дизеля 1А-5Д49:
– производительность водяного насоса;
– температура воды на входе в секции радиатора;
Тепловыделение в масло и надувочный воздух соответственно равны (Табл. 2.1.):
,
.
Для проектируемого дизеля принимаем:
;
- температура охлаждающего воздуха на входе в секции радиатора.
По справочным данным, на основании принятых величин температур, определяем физические параметры теплоносителей:
– для воздуха при температуре
ºС коэффициент динамической вязкости
Па·с, коэффициент теплопроводности
, Вт/м·К, удельная теплоемкость
Дж/кг·К;
– для воды при температуре ![]()
ºС плотность
кг/м3, коэффициент динамической вязкости
Па·с, удельная теплоемкость
Дж/кг·К, коэффициент теплопроводности
, Вт/м·К, коэффициент кинематической вязкости
м2/с.
Для монтажа охлаждающего устройства применяются стандартные секции с длиной активной части 1206 мм.
3.3.1Определение ориентировочного числа секций второго контура охлаждения

где:
– массовая скорость воды в трубках секции. Принимаем ![]()
секций.
3.3.2 Определение числа секций радиаторов исходя из теплорассеивающей способности
,
где
– теплорассеивающая способность секции радиатора при заданных условиях теплообмена, Вт.

где
– коэффициент теплопередачи секции радиатора.
,
где
– критерий Кирпичева.
.
3.3.3 Определение числа Рейнольдса для воды и воздуха
Число Рейнольдса для воды при
:
![]()
Число Рейнольдса для воздуха при
:
![]()
3.3.4 Определение величины температурного фактора
![]()
3.3.5 Определение критерия Кирпичева
![]()
3.3.6 Коэффициент теплопередачи
.
3.3.7 Определение необходимого количества секций
Используя уравнение теплового баланса и уравнение теплопередачи, находим необходимое количество секций.

С учетом запаса на загрязнение стенок трубок радиаторов принимаем количество секций равным 22 шт.
3.3.8 Температура на выходе из секций радиаторов
.
3.3.9 Температура воздуха на выходе из секций радиаторов
.
3.3.10 Гидравлическое сопротивление движению воды через водовоздушные секции радиаторов
.
Для всего контура охлаждения воды дизеля гидравлическое сопротивление движению воды увеличиваем в 2,5 раза:
![]()
3.3.11 Определение необходимой мощности на привод водяного насоса
Предварительное значение расхода мощности:
.
где
– расчетный КПД водяного насоса.
Принимаем
, тогда:
.
С учетом ответственности выполняемой функции и обеспечения бесперебойной циркуляции воды в контуре охлаждения, предварительно рассчитанную величину необходимой мощности увеличиваем в 2…3 раза. Для привода водяного насоса применяем двигатель мощностью 8 кВт.
3.4 Тепловой расчёт водомасляного теплообменника
Используемые на тепловозах водомасляные теплообменники предназначены для охлаждения водой масла дизеля. Для реализации максимального теплосъёма в ограниченных габаритах теплообменника чаще всего применяют противоточно–перекрестное течение жидкостей. Вода проходит по гладким или оребренным с внешней стороны трубкам, завальцованным в трубные доски. Масло, попадающее в теплообменник, ввиду наличия сегментных перегородок, движется поперек трубного пучка, отдавая тепло воде, движущейся по трубкам. Температурные удлинения трубок охлаждающего элемента компенсируются за счет возможности перемещения одной из трубных досок теплообменника.

Рис 3.2 Принципиальная схема конструкции водомасляного теплообменника.
Тепловой расчет сводится к определению величины поверхности охлаждения F теплообменника, а также конструктивных параметров его элементов. В основу методики расчета, как и при определении необходимого количества секций радиаторов, положены уравнения теплопередачи, теплового баланса.
,
где Кт - коэффициент теплопередачи от масла к воде Вт/м2·К, Δt – температурный напор между маслом и водой, ºС.
Тогда расчетная поверхность охлаждения теплообменника
.
В этом выражении неизвестны Кт и Δt. Определению этих величин и посвящается значительная часть расчетов.
В соответствии со схемой теплообменника принимаем: температуру масла на входе в теплообменник
, температуру масла на выходе из теплообменника
,
, внутренний диаметр трубок теплообменника
, наружный диаметр трубок теплообменника
, расстояние между трубками в трубной доске
, количество ходов воды в теплообменнике
.
Рассчитаем величины расходов масла Gм и воды Gв, которые обеспечивают используемые на дизеле насосы, при соответствующих значениях температур теплоносителей.
![]()
![]()
3.4.1 Находим величину средней температуры масла в теплообменнике
![]()
3.4.2 Рассчитываем температуру воды на выходе из теплообменника
![]()
![]()
3.4.3 Находим величину средней температуры воды в теплообменнике
![]()
3.4.4 Используя данные, находим физические параметры теплоносителей при их средних температурах
Для воды при температуре 72,7 С (на основе табличных данных) плотность
, коэффициент динамической вязкости
, удельная теплоёмкость
, коэффициент теплопроводности
, коэффициент кинематической вязкости
.
Для масла при температуре 80,0 С плотность
, теплоёмкость
, коэффициент теплопроводности
, коэффициент кинематической вязкости
.
3.4.5 Выбираем скорость движения охлаждающей воды
в трубках теплообменника в пределах 1,3...2,5 м/с. Принимаем
.
3.4.6 Определяем число Рейнольдса
, критерии Прандтля
(характеризует физические свойства теплоносителей) и Нуссельта
(характеризует интенсивность или режим теплоотдачи) для воды при температуре
.
![]()
![]()
.
3.4.7 Находим коэффициент теплопередачи от внутренней стенки трубки к воде
![]()
3.4.8 Выбираем скорость движения масла Vм между перегородками теплообменника в пределах 1,2...2,0 м/с. Принимаем Vм=1,6 м/с.
3.4.9 Рассчитываем
и
при средней температуре масла в теплообменнике ![]()
![]()
![]()
3.4.10 Из условия, что температура стенки трубки
принимаем
.
3.4.11 При температуре стенки трубки
находим критерии Прандтля и Нуссельта
![]()
, где
В – эмпирический коэффициент. В нашем случае он равен 0,3.
3.4.12 Находим ориентировочное значение коэффициента теплоотдачи от масла к стенке трубки при температуре стенки
![]()
![]()
3.4.13 Определяем расчетное значение температуры стенки трубки
.
Если
( в пределах 2ºС), то принимаем ![]()
Если
значительно отличаются, то необходимо задаться новым значением
и повторить расчет до получения сходимости значений
.

Таким образом, разница между
составляет 1ºС и расчёт можно продолжить.
3.4.14 Рассчитываем коэффициент теплопередачи от масла к охлаждающей воде

3.4.15 Определяем расчётный температурный напор Δt между маслом и водой

3.4.16 Находим предварительное значение
расчетной поверхности охлаждения теплообменника
![]()
Учитывая возможность загрязнения, увеличиваем расчётную поверхность теплообменника в 1,1 раз. Тогда
![]()
3.4.17 Рассчитываем число трубок
в теплообменнике
![]()
3.4.18 Коэффициент заполнения трубной доски должен находиться в пределах
. Принимаем ![]()
3.4.19 Рассчитываем внутренний диаметр
кожуха теплообменника или диаметр трубной доски

3.4.20 Находим расстояние
между трубными досками теплообменника
.
3.4.21 Рассчитываем живое сечение
для прохода масла между перегородками теплообменника
![]()
3.4.22 Находим величину
площади сегмента над перегородками


3.4.23 Находим величину S хорды сегмента над перегородкой
. Величина центрального угла
зависит от отношения
. В рассматриваемом случае величина
. Величина центрального угла
в соответствии с табличными данными составляет 114º. Рассчитываем величину хорды S
![]()
3.4.24 Ширина осреднённого сечения для прохода масла над (или под) сегментными перегородками, в соответствии со схемой составляет
![]()
3.4.25 Расстояние
между сегментными перегородками

3.4.26 Число ходов масла
в водомасляном теплообменнике между се
