Подключение мультиплексора SN74ALS153 в пакете MaxPlusII

Рис. 4.22 Схема подключения мультиплексора SN74ALS151 (КР1533КП2)
Рис. 4.23 Временные диаграммы для SN74ALS153 (КР1533КП7)

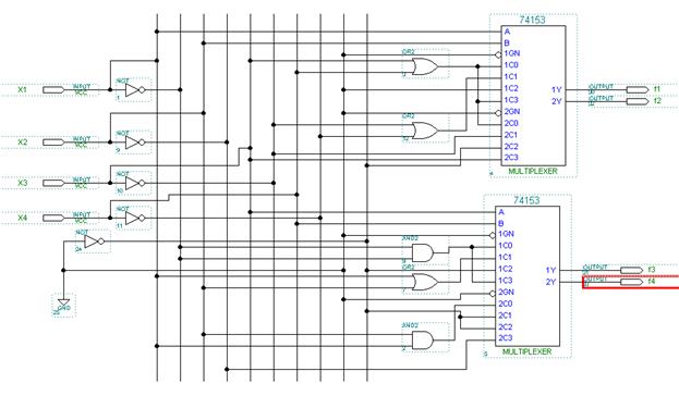
Рис. 4.24 Матрица временных задержек
Программа мультиплексора 4х1
SUBDESIGN multipleksor_4_1
(A1, A2, D[3..0] : INPUT;
Y : OUTPUT;
)
BEGIN
IF A1 == GND THEN
IF A2 == GND THEN
Y = D0;
ELSE Y = D1;
END IF;
ELSE
IF A2 == GND THEN
Y = D2;
ELSE Y = D3;
END IF;
END IF;
END;
Рис. 4.25 Синтез генератора синусоидальной функции в MaxPlusII

Рис. 4.26 Временные диаграммы