Построение ордеров в массах
Изучение архитектурных ордеров рекомендуется проводить последовательно: сначала рассматривать их в общих, крупных чертах (массах), а затем переходить к детальному исследованию каждого ордера.
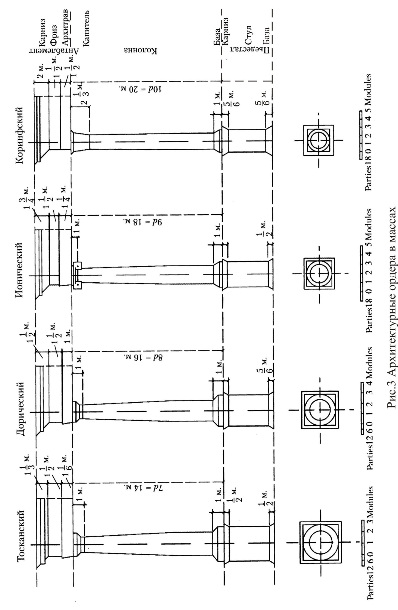
Построение ордеров в массах – это упрощенное их изображение, в котором исключаются мелкие подробности, и все кривые линии условно заменяются прямыми (рис 2, 3).
В связи с тем, что основные пропорции композитного ордера такие же, как и коринфского, а по богатству отделки и оригинальности он мало отличается от ионического и коринфского, подробному анализу подлежат четыре ордера – тосканский, дорический, ионический и коринфский (рис.1).
Все части ордера имеют определенные размеры, которые находятся в строгом взаимном соотношении. Правильное соотношение между высотой колонны и антаблемента зодчие искали в течение многих веков. Изучая эти размеры по сохранившимся древним зданиям, теоретик эпохи ВозрожденияВиньола вывел некоторые средние простые отношения, которые сделались общепринятыми.


По Виньоле высота антаблемента составляет 1/4, а высота пьедестала – 1/3 часть высоты колонны. Следовательно, для определения основных частей ордера надо всю его высоту разделить на 3 неравные части, пропорциональные 1/4:1:1/3 или 3:12:4 (приведя дроби к общему знаменателю). Складывая эти части, получим 19, т.е. разделив всю высоту на 19 частей, 3 верхние части отделяем на антаблемент; 12 средних частей – на колонну и 4 нижних – на пьедестал.
Рассмотрим в отдельности каждую часть, вошедшую в состав ордера.При сравнении представленных в табл. 1 четырех ордеров в массах видно, что тосканская колонна отличается от других типов колонн большей массивностью и тяжеловесностью пропорций. Толщина ее равна 1/7 высоты. Толщина дорической колонны несколько меньше и равняется 1/8 высоты, ионической – 1/9, коринфской – 1/10.
Так как все части ордера по своим размерам зависят одна от другой, здесь нет места абсолютным величинам таким, как метр, сантиметр.
В каждом отдельном случае за единицу меры надо принять какую-либо часть ордера. Такой частью стали считать нижний радиус колонны и назвали эту меру МОДУЛЕМ. Для изображения мелких деталей ордера модуль делится на части, называемые ПАРТАМИ; в тосканском и дорическом ордерах их 12, а в ионическом и коринфском – 18 парт.
Уяснив себе, что такое модуль и пользуясь данными таблицы 1, в которой приведены в модулях размеры основных частей ордера, можно продолжить построение ордеров в массах.
Таблица 1
Построение архитектурных ордеров в массах

Колонна представляет собой круглый столб, несколько утоняющийсякверху.
Это утонение составляет 1/6 часть от нижней толщины колонны и обычно начинается с одной третьей части ее высоты, нижняя же треть колонны делается цилиндрической. Таким образом, верхний диаметр колонны составляет 5/6 нижнего диаметра. При вычерчивании колонны в небольшом масштабе утоняющаяся часть показывается слегка наклонными линиями. При значительном масштабе утонение делается по плавной кривой, называемой ЭНТАЗИСОМ.
Наметив главную среднюю часть колонны, называемую СТЕРЖНЕМ или СТВОЛОМ, можно перейти к построению нижней ее части – БАЗЫ, а затем верхней – КАПИТЕЛИ.
Высота баз у всех ордеров равняется одному модулю. База состоит из двух частей: нижняя часть – квадратная плита – ПЛИНТ – составляет основание базы; верхняя часть – КОЛЬЦО, круглое в плане, – переход от стержня колонны к плинту (рис. 2).
В тосканском и дорическом ордерах кольцо и плинт равны по величине и кольцо в массах изображается наклонной линией, расширяющейся книзу под углом 45°, В ионическом и коринфском ордерах кольцо составляет 2/3 высоты базы и расширение его книзу показывается под углом 60°.
Верхняя часть колонны называется КАПИТЕЛЬЮ.
Высота капителей тосканского и дорического ордеров, как баз, равна одному модулю. Капитель состоит из трех, одинаковой ширины, частей. Верхняя часть – квадратная плита – АБАКА; средняя – круглая в плане в виде полувала – ЭХИН; нижняя – продолжение стержня колонны – ШЕЙКА. Разделив высоту капители на три равные части, следует рассматривать шейку как продолжение стержня колонны; эхин показывается наклонной линией, расширяющейся кверху под углом 45°; абака изображается вертикальной линией непосредственно от наклонной эхина.
Капитель ионического ордера имеет особые спиральные завитки – ВОЛЮТЫ и сильно отличается от других капителей. Она имеет абак и вал, не имеет шейки, а высота капители равняется 2/3 модуля. Построение ее в массах производится следующим образом. Откладывается общая величина капители – 2/3 модуля, а затем абака – 1/6 модуля. На линии низа капители – на расстоянии I модуля от оси колонны находятся центры волют. Условно волюты изображаются в виде прямоугольника. При этом соблюдаются величины удаления сторон прямоугольника от центра волюты: по вертикали вверх – 9 парт, вниз – 7 парт; по горизонтали дальше от оси колонны – 8 парт, ближе к оси – 6 парт. При весьма незначительном модуле допускается волюты изображать в форме квадрата со стороной, равной одному модулю (рис. 4,а).
Высота коринфской капители – 2 и1/3 модуля; 1/3 модуля приходится на абак и 2 модуля на остальную часть капители, имеющую сложную обработку в виде двух рядов листьев и вырастающих из них завитков. Ширина абака составляет три модуля. После откладывания в одну и другую сторону от оси по 11/2 модуля из зафиксированных точек проводят наклонные под углом 45° к оси колонны до пересечения с нижней линией абака, а затем продолжают их до соединения с верхом ствола колонны (рис. 4,б).

Рис.4Капители в массах: а) ионическая; б) коринфская
Переходя к построению антаблемента, необходимо помнить ПРАВИЛО НЕСВЕШИВАЕМОСТИ, состоящее в том, что верхние части архитектурных элементов не должны быть шире нижних, т.е. на всяком изображении угловой колонны вертикальная линия угла антаблемента должна соответствовать продолжению очертания ствола колонны. Те архитектурные части, которые в силу особых причин имеют расширения кверху, не должны нести никакой нагрузки (свешивающаяся часть карниза).
Антаблемент состоит из трех частей: АРХИТРАВА, ФРИЗА И КАРНИЗА.
Архитрав – первая существенная часть антаблемента, представляющая собой горизонтальные балки, которыми перекрывают пространство между колоннами. В первых двух ордерах архитравы имеют очень простую форму и величина их равна 1 модулю. В ионическом ордере эта форма расчленена на три полосы и завершается профилем наверху. Соответственно увеличена высота архитрава – до 1 и 1/4 модуля.
В коринфском ордере архитрав подучил еще большее развитие и имеет высоту 1 и 1/2 модуля. Учитывая, что во всех ордерах в верхней части архитрава имеются выступающие элементы, условно при изображении этой части ордера в массах линия архитрава слегка расширяется кверху. Над архитравом помещается средняя часть антаблемента – фриз. Для всех четырех ордеров фриз показывается вертикальной линией, совпадающей с линией продолжения ствола колонны. Размер фриза выполняется по данным, приведенным в таблице 1.
Над фризом находится верхняя часть антаблемента – карниз.
Это одна из важнейших архитектурных форм, имеющая расширение кверху, которое объясняется особым назначением карнизной части ордера или здания. Если бы стена здания заканчивалась наверху гладко, без каких-либо выступающих частей и от неенепосредственно начиналась бы крыша, то пыль вместе с атмосферной влагой потекла бы с крыши по стенам здания. Во избежание этого в верхней части стены укладываются каменные плиты, выступающие вперед из плоскости стен, и от этих плит начинается крыша. Такие выступающие каменные плиты составляют СВЕШИВАЮЩУЮСЯ ЧАСТЬ КАРНИЗА (рис.5). Благодаря свешивающимся карнизным плитам вода с крыши течет по наружной вертикальной плоскости этих плит вниз, в некотором отдалении от стены. Однако вследствие свойства воды, часть жидкости, отдуваемая ветром, может попадать на стену. Чтобы этого не случилось – в нижней поверхности свешивающейся каменной плиты делается углубление. Капли воды, достигнув выемки в плите, подняться вверх не могут и как слезы капают вниз. Это сходство послужило поводом к тому, чтобы дать желобку в камне название СЛЕЗНИК, а сам камень назвать СЛЕЗНИКОВЫМ КАМНЕМ.

Рис.5 Элементы карниза
Стремление возможно больше выдвинуть вперед эту свешивающуюся часть и обеспечить ей равновесие привело к устройству уширения стены под слезниковыми камнями, которое получило название ПОДДЕРЖИВАЮЩЕЙ ЧАСТИ КАРНИЗА.
Для предохранения от подтеков воды, ярко освещенной солнцем наружной поверхности слезникового камня, часть кровли, находящаяся непосредственно на слезнике, выполняется в виде художественно обработанного желоба. Эта часть карниза называется ВЕНЧАЮЩЕЙ. Обычно она декорирована львиными головами и орнаментом.
Таким образом, карниз состоит из трех частей: поддерживающей, выступающей и венчающей. Величина каждой части карниза указана в таблице. При построении в массах вынос карниза условно принимается равным его ширине, так что самая выступающая точка определяется проведением наклонной линии под углом 45° от нижней части карниза. Средняя часть карниза выступает вперед, имея свес в виде горизонтальной прямой, составляющей нижнюю часть слезникового камня.
Изображение пьедесталов не представляет трудностей и подробно не описывается. Необходимо только помнить, что базы являются очень важными конструктивными частями ордера и ширина пьедестала должна равняться ширине нижней части базы колонны.
Изучив все четыре ордера в главных чертах или в массах, дальнейшее исследование их должно идти по пути рассмотрения отдельных деталей.