Изучение свойств транзисторов с помощью пакета программ Electronics Workbench
Цель работы: изучение основных статических и динамических свойств биполярного и полевого транзисторов.
Краткие теоретические сведения
При изучении свойств биполярных транзисторов обращается внимание на входную и выходные характеристики. Выходная характеристика в схеме с общим эмиттером это зависимость выходного ( коллекторного ) тока от напряжения коллектор - эмиттер при постоянстве тока базы. Измерения производят при разных токах базы, что позволяет получить семейство характеристик. Используя результаты моделирования, рассчитываются входное дифференциальное сопротивление h 11Э , интегральное и дифференциальное значения коэффициента усиления по току в схеме с общим эмиттером (b и h 21Э ) в указанной преподавателем рабочей точке.
В динамике изучается прохождение импульсного сигнала через транзистор в схеме с общим эмиттером и оценивается постоянная времени t a и граничная частота усиления для h 21Б по формуле:
f a = 1/2p t a .
При ступенчатом изменении эмиттерного тока коллекторный начинает меняться спустя некоторое время, которое определяют как время пролёта базы носителями заряда t пр.б. . Только после этого интервала t a определяют как интервал времени, за который коллекторный ток вырастет на 63 % значения своего изменения.
Для полевого транзистора определяют зависимость тока стока от напряжения на затворе, что позволяет оценить значение крутизны характеристики S = DI с / D U з , где DI с - приращение тока стока в ответ на приращение напряжения на затворе D U з .
Порядок выполнения работы
В процессе выполнения работы необходимо по номеру бригады из таблицы 3 выбрать марку используемых активных компонентов, величины предельных значений токов и напряжений, положение рабочей точки, в которой производятся расчёты параметров. Компоненты необходимо выбирать из библиотеки nationl2.
Таблица 3. Варианты заданий
| №бриг | ||||||||||
| Бипол. | марка | 2N2925 | 2N3390 | 2N3391 | 2N3391 | 2N3392 | 2N3394 | 2N3414 | 2N3415 | |
| транзистор | I к= , мА | |||||||||
| Полев. | марка | 2N5517 | 2N5518 | 2N5519 | 2N5520 | 2N5521 | 2N5522 | 2N5523 | 2N5524 | |
| транзистор | I с= , мА | |||||||||
Продолжение таблицы 3. Варианты заданий
| №бриг | |||||||||
| Бипол. | марка | 2N2712 | 2N2714 | 2N2923 | 2N2924 | 2N3903 | 2N4014 | 2N5088 | 2N5551 |
| транзис | I к= , мА | ||||||||
| Полев. | марка | 2N6483 | 2N6484 | 2N6485 | 2N5556 | 2N5557 | 2N5558 | 2N5515 | 2N5516 |
| транзис | I с= , мА |
1. Измерение входных характеристик и параметров биполярных транзисторов.
Составьте схему эксперимента, считая, что максимальный прямой ток через переход эмиттер - база не превышает 0,5 мА, а обратное напряжение на переходе не больше 5 В.
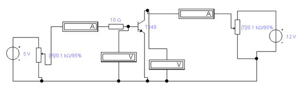
.Для работы необходимо собрать схему исследования. Схема, имеет следующий вид:

Рисунок 14 -Схема цепи для измерения параметров транзисторов.
Чтобы схема начала функционировать, необходимо нажать кнопку в
верхнем правом углу
. Изменяя переменным резистором (при нажатии клавиши <R> сопротивление уменьшается, при нажатии комбинаций клавиш <shift>-<R> сопротивление увеличивается) входное напряжение (Uбэ ) от 0 до 0,9 В, снимите зависимость базового тока ( Iб ) от напряжения база-эмиттер ( Uбэ ) при установке коллекторного напряжения ( Uкэ )
Измерение выполните при двух напряжениях на коллекторе относительно эмиттера: 0 В и 5 В.
Таблица 4. Uкэ=0 В
| Iб | |||||||||
| Uбэ |
Таблица 5. Uкэ=5 В
| Iб | |||||||||
| Uбэ |
Сравните результаты и объясните их.
2.Измерение выходных характеристик и параметров биполярных транзисторов.
Схема для измерения выходных характеристик приведена на рисунке 14.
Характеристики измерьте при двух значениях тока базы Iб=0,1 и 5 mA.
Uкэ=0,1…12 В.
Изменяя переменным резистором (клавиша <T>, или <shift>-<T>) напряжение коллектора (Uкэ ) от 0 до 10 В, снимите зависимость коллекторного тока ( Iк ) от напряжения коллектор-эмиттер ( Uкэ) при установке тока базы ( Iб ) окло 0,1 и 0,2 мА (выходная характеристика транзистора Iк=f(Uкэ).
По данным измерения построить входные и выходные характеристики транзистора.
Определите по характеристикам транзистора графоаналитическим методом параметры транзистора:
Входное сопротивление транзистора Rвх=∆Uбэ/∆Iб;
Выходное сопротивление транзистора Rвых=∆Uкэ/∆Iк;
Коэффициент усиления транзистора β=∆Iк/∆Iб
Таблица 6. Iб= mA
| Iк | |||||||||
| Uкэ |
Таблица 7. Iб= mA
| Iк | |||||||||
| Uкэ |
3. В схеме приведенной на рисунке 14 замените биполярный транзистор на полевой с управляющим p-n переходом и n каналом. Полярность входного источника ЭДС поменяйте на противоположную. Снимите переходную (Iс=f(Uзи)) и две выходные характеристики (Iс=f(Uси)) при Uзи=1 и 2 В.
Таблица 8. Переходная характеристика.
| Iс | |||||||||
| Uзи |
Таблица 9. Выходная характеристика Uзи= 0,1 В.
| Iс | |||||||||
| Uси |
Таблица 10. Выходная характеристика Uзи=0,2 В.
| Iс | |||||||||
| Uси |
Постройте графики переходной и выходных характеристик. Рассчитайте по ним основные характеристики транзистора.
5. Входную характеристику можно получить на экране осциллографа если воспользоваться следующей схемой.

Рисунок 15- Схема для автоматического определения входной характеристики
Необходимо разумным образом выбрать масштаб преобразования преобразователя ток - напряжение Частота функционального генератора выбирается равной 4 Гц. Форма сигнала - синусоидальная или пилообразная Используя измеренные характеристики, рассчитайте указанные в общих сведениях к работе параметры.
Приведите полученные на экране осциллографа графики.

Рисунок 16- Схема для автоматического определения выходной характеристики
Ток базы можно устанавливать изменяя напряжение источника смещения рабочей точки.
Приведите полученные на экране осциллографа графики.
Требования к отчёту по работе
В отчёте должно быть название работы, цель, наименование выполняемого пункта задания, схема эксперимента, результаты в виде копий экрана с определением масштабов по осям, числовые результаты, необходимые при выполнении работы расчётные соотношения, результаты расчётов, выводы как по каждому пункту, так и при сравнении результатов при выполнении нескольких пунктов, если это оговорено заданием.
Контрольные вопросы
1. Дайте определение полевого транзистора.
2. На чем основано управление током в полевом транзисторе?
3. Объясните устройство и принцип действия полевого транзистора с управляющим p-n переходом.
4. Как зависит сопротивление канала от электропроводности полупроводника, площади и длины канала?
5. Какую роль в полевых транзисторах выполняет затвор?
6. Как влияет сечение канала на ток полевого транзистора?
7. Какой полярности напряжение должно подаваться на затвор для эффективного управления током транзистора?
8. Как зависит сечение канала от величины напряжения, приложенного к стоку?
9. Нарисуйте выходные (стоковые) характеристики полевого транзистора с управляющим p-n переходом и объясните их ход.
10. Нарисуйте сток-затворные характеристики полевого транзистора с управляющим p-n переходом и объясните их ход.
11. Как влияет температура окружающей среды на ход сток-затворных и выходных характеристик полевого транзистора с управляющим p-n переходом?
12. Что называется напряжением отсечки?
13. Какой электрический режим полевого транзистора называется режимом насыщения?
14. Какое напряжение стока носит название напряжения насыщения?
15. Какие основные отличия полевых транзисторов с управляющим p-n переходом от биполярных транзисторов Вы знаете?
16. В чем преимущества полевых транзисторов по сравнению с биполярными?
17. Назовите основные статические параметры полевых транзисторов?
18. Поясните методы определения статических параметров полевых транзисторов.