Ой учебный вопрос. Источники и потребители электроэнергии на маломерных судах.
Рис.9.Регулировка зазора в прерывателе.
Рис.8. Схема износа контактов прерывателя.
Рис.7.Положение элементов магнето при правильной установке абриса.
Рис. 3. Конструкция магнето МЛ-10-2С
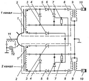
Рис.2.Общий вид магнето МЛ-10-2С
1 — диск; 2 — маховик; 3 — кулачок прерывателя; 4 — катушка зажигания; 5 — прерывательный механизм; 6 — фитиль; 7 — провод высокого напряжения; 8 — основание; 9 — сердечник; 10 — конденсатор; 11 — подушка

1 — маховик; 2 — башмак; 3 — основание; 4 — винт; 5 — трансформатор; 6 — сердечник; 7 — провод; 8 — наконечник; 9 — фитиль; 10 — подвижный контакт; 11 — прерыватель; 12 — винт; 13 — конденсатор; 14 — противовес; 15 — кулачок
На лодочных моторах «Ветерок-8Э» и «Ветерок-123», а также на моторах «Вихрь-электрон» применяется электронная бесконтактная система зажигания. В связи с отсутствием механических контактов электронное магдино не подвержено износу, не требует регулировки и обслуживания, более надежно и долговечно.

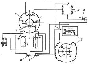
Рис. 4. Электрооборудование подвесного мотора «Вихрь»
1 — катушка питания зажигания; 2 — конденсатор; 3 — кулачок; 4 — прерыватель;
5 — катушка освещения; 6 — высоковольтные трансформаторы; 7 — свечи зажигания; 8 — стартер; 9 — аккумулятор; 10 — кнопка «Стоп» на пульте управления; 11 — кнопка «Пуск» на пульте; 12 — кнопка «Стоп» на поддоне; 13 — блок ВБГ-ЗА
Бесконтактная электронная система зажигания (рис. 5) моторов «Ветерок-8Э» и «Ветерок-12Э» состоит из маховичного магдино с двумя выносными высоковольтными трансформаторами Б-300 и двух свечей зажигания.

Рис. 5. Электрическая схема электронного зажигания
1 — управляющая обмотка катушки зажигания; 2 — накопительная обмотка катушки зажигания; 3, 4, 5 — диоды КД209А; 6 — тиристор КУ202М; 7 — резистор ОМЛТ-0,5 (51 Ом); 8 — конденсатор МБГО (1 мкФ, 400 В); 9 — трансформатор БЗОО; 10 — свеча зажигания; 11 — обмотка катушки освещения; 12 — лампа накаливания
Электронное магдино моторов «Вихрь-электрон» имеет тиристорную схему с накоплением энергии в конденсаторе. На основании магдино установлены катушка освещения для питания бортовой сети судна, генераторные катушки, вырабатывающие энергию для искрообразования и электронный блок с датчиком. Электронный блок системы зажигания моторов «Вихрь-электрон» в отличие от системы моторов «Ветерок-Э» выполнен на бескорпусных элементах, защищен компаундом и, вследствие этого, неремонтопригоден и разборке не подлежит.
ОБСЛУЖИВАНИЕ И РЕМОНТ СИСТЕМЫ ЗАЖИГАНИЯ ЛОДОЧНЫХ МОТОРОВ
Система зажигания «Ветерков» идентична системам зажигания моторов «Москва» (мощностью 10 л. с.) и «Стрела».
Моторы «Ветерок» (выпуска до 1978 г.) укомплектованы маховичным магнето МЛ-10-2С (рис. 154 и 155) и свечами All. Магнитная система маховика состоит из трех магнитов,
собранных в сердечник, который залит в обод маховика. На основании магнето на магнитопроводах закреплены два высоковольтных трансформатора. Между магнитами установлены прерыватели и конденсаторы. Прерыватели работают от кулачка, который шпонкой зафиксирован на коленчатом валу.
Предлагаем рекомендации по тщательной регулировке магнето и ремонту узлов системы зажигания.
Регулировка магнето по абрису. Чтобы получить максимальную величину высокого напряжения во всем диапазоне частот вращения коленвала, размыкание контактов должно происходить в тот момент, когда в первичной цепи индуцируется максимальный ток. В этот момент ось магнитной системы маховика оказывается смещенной на некоторый угол от оси сердечника катушки по ходу вращения мотора. Данный угол называется абрисом (отрывом) магнето; для магнето МЛ-10-2С его величина составляет 7 ± 2°. У большинства деталей магнето: маховика, кулачка прерывателя, прерывателей, магнитопроводов

Рис. 6. Положения метки на корпусе основания магнето (а) и на маховике (б)
а — регулировочная метка; b — ось магнитной системы
несоответствие размеров сказывается на точности положения момента размыкания контактов. Чтобы обеспечить большую точность указанного положения, магнето нужно регулировать по абрису. Для такой регулировки на основании магнето и маховике необходимо нанести метки.
Метки на основании (против каждого магнитопровода) следует нанести по оси сердечников катушек (см. рис. 6, а), метку на маховике — под углом 7° от оси магнитной системы по ходу часовой стрелки, глядя на маховик снизу (см. рис.6, б). При разметке удобно использовать зубчатый венец. Угол между двумя зубьями венца составляет примерно 6°. Перед началом регулировки основание нужно установить в положение «полный газ», затем подтянуть боковой винт крепления основания так, чтобы основание при работе с прерывателями оставалось неподвижным.
Теперь осторожно, не допуская плотной посадки по конусу, наденьте маховик и, вращая его по ходу часовой стрелки, совместите метку на маховике с одной из меток основания. Снимите маховик, ослабьте винт крепления прерывателя и переместите прерыватель так, чтобы конец толкателя коснулся поверхности кулачка, но контакты еще не разомкнулись. Затяните в этом положении винт крепления прерывателя. Проследите, чтобы при креплении прерыватель был максимально развернут по часовой стрелке в пределах зазора направляющего паза. Установив между контактами полоску папиросной бумаги, отверткой плавно разверните прерыватель до размыкания контактов. В момент начала разрыва полоска бумаги освободится.
При вращении прерывателя вокруг точки крепления регулировочный ход толкателя невелик, поэтому не всегда удается достичь момента размыкания (например, в случае, когда текстолитовый толкатель был выставлен недостаточно близко к поверхности кулачка).
Придерживая корпус от возможного перемещения (следовательно, от нарушения регулировки), подтяните винт крепления прерывателя. Прежде чем перейти к следующему прерывателю, проверьте правильность регулировки. Для этого проверните маховик по ходу до момента размыкания отрегулированного контакта. При правильно выполненной регулировке несовпадение меток маховика и основания в момент начала размыкания не должно превышать 1,5 мм. Положение элементов магнето при правильной установке абриса показано на рис. 7.
При регулировке магнето в начальный момент размыкания контактов зазор в прерывателях может колебаться в пределах 0,3— 0,6 мм (рис.8,9). Момент размыкания контактов можно также определить при помощи лампочки и батарейки от карманного фонаря, прерыватель включить в цепь как выключатель.

1 – магнит; 2 – башмак;3 – сердечник катушки; 4 – точка начала размыкания; 5 – маховик; 6 – кромка основания магнето.

а-несовпадение осей контактов; б-перекос контактов; в-правильное расположение контактов;г-износ контактов при несовпадении осей;д-износ контактов при перекосе;е-естественный износ контактов.

Направление перемещения стойки для уменьшения зазора – А, для его увеличения – Б.1-винт крепления стойки; 2-стойка; 3-фитиль.
ЭЛЕКТРООБОРУДОВАНИЕ ЛОДКИ С ПОДВЕСНЫМ МОТОРОМ
Магдино МН-1 на моторах «Прибой» и «Нептун» и МВ-1 на «Вихрях» снабжены генераторными катушками, наводимая в которых ЭДС при наличии внешней нагрузки (лампочки сигнально-отличительных огней и т. п.) создает переменный ток. Мощность, отдаваемая катушками в сеть, при напряжении 12 В составляет не менее 40 Вт при 5000 об/мин и не менее 25 Вт при 4250—4500 об/мин. В связи с этим мощность одновременно включаемых ламп не должна быть ниже мощности, развиваемой магдино. В противном случае лампочки будут работать с перекалом и могут перегореть. По этой же причине не допускается поочередное включение и выключение отдельных ламп — все потребители электроэнергии должны включаться одновременно.
Бортовая сеть включается после запуска мотора, когда его частота вращения достигнет 1000 об/мин. Если установить выпрямитель типа ВУ-1 или ВУ-2, то можно использовать снимаемое напряжение для зарядки аккумуляторной батареи. Полупроводниковый выпрямитель, показанный на рис. 82, может быть собран по мостиковой схеме из четырех диодов Д214-215; годятся также Д231-234; Д241-248; Д304-305. С начала 80-х годов моторы «Вихрь-М» и «Вихрь-30» комплектуются штатным выпрямительным блоком ВБГ-ЗА, рассчитанным на максимальную силу постоянного тока до 7 А и позволяющим осуществлять подзарядку аккумуляторных батарей.

Рис. 10. Принципиальная схема электрооборудования мотора «Вихрь» с электростартером
1 — магдино; 2 — катушки питания зажигания; 3 — генераторная катушка; 4 — катушка зажигания; 5 — выпрямитель; б — аккумуляторная батарея 6СТ42; 7 — стартер; 8 — кнопка «Стоп»; 9 — кнопка «Пуск»

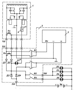
Рис. 11. Принципиальная схема электрооборудования с магнето МГ-101
1 — плата магнето; 2 — контрольно-коммутационный пульт: 3 — тахометр; 4 — датчик температуры ТМ-104; Кн — кнопка «Стоп»; 1Ш — штекерный разъем с 4 контактами; 2Ш — разъем с 7 контактами; В1 — тумблер с нейтральным положением; В2, ВЗ — тумблер; Л1 — сигнальная лампа 12 В, 2 Вт контроля температуры: Л2, ЛЗ, Л4 — лампы ходовых отличительных огней 12 В, 2 Вт, Л5 — лампа освещения; Д1, Д2, ДЗ — диоды Д245; Д4 - диод Д226
На моторах, магнето которых не имеет специальных генераторных катушек («Ветерки», «Москва», «Вихрь» прежних выпусков), для питания бортовой сети могут быть использованы токи, возникающие в первичной обмотке катушки зажигания. Схема подключения сети к магнето, разработанная В. С. Земсковым и И. В. Шафранским, приведена на рис. 11. Схема проверена в работе на моторе «Вихрь-М», оборудованном магнето МТ-101 (без генераторных катушек). Она предусматривает питание ходовых огней с лампами малой мощности, позволяет замерять частоту вращения коленчатого вала двигателя, контролировать его температурный режим. Конструктивно она выполнена в виде отдельного пульта с габаритами 120х110х80 мм и подсоединяется к мотору с помощью штепсельного разъема.
Лампочки ходовых огней и освещения при работающем двигателе питаются от системы зажигания через диоды Д1, Д2, а при выключенном двигателе — от батареи или аккумулятора, причем переключение питания при остановке двигателя происходит автоматически с помощью диода ДЗ. На тахометр питание подается постоянно от батареи через диод Д4.
ПРИБОРЫ ДЛЯ КОНТРОЛЯ РАБОТЫ ПОДВЕСНОГО МОТОРА
Важное значение в обеспечении длительного моторесурса подвесного мотора имеет соблюдение правильного режима его эксплуатации. Прежде всего имеется в виду соответствие мощности, частоты вращения и температурного режима расчетным параметрам мотора.
Для контроля частоты вращения может быть использован тахометр, подобный показанному на рис. 12, в котором используются импульсы тока в

Рис. 12. Принципиальная схема электронного тахометра
Д1 — Д4 — диоды Д808; Д5, Дб — диоды Д2Е; R1 — резистор МЛТ-2,0 560Ом; R2 — резистор МЛТ-0,5 100—500 Ом; С1 — конденсатор МБМ-1, 25 мкФ; С2 — конденсатор КЭМ 25 мкФ 4 В; И — измерительный прибор М24 на 100 мкА
катушке зажигания, возникающие при размыкании контактов прерывателей. С помощью тумблера В1 к входу тахометра подключаются поочередно контакты катушек зажигания обоих цилиндров. Увеличивая частоту вращения, сравнивают показания тахометра, которые при нормальной работе зажигания должны быть одинаковыми.
Контроль температуры двигателя осуществляется с помощью температурного реле типа ТМ-104, встроенного в канал охлаждающей воды на входе глушителя.
При нагреве воды выше 95° С в реле замыкается контакт и на пульте загорается сигнальная лампочка.
Промышленность выпускала две модели комплектов приборов, позволяющих контролировать частоту вращения, скорость лодки и температуру двигателя.
Прибор ДЛМ-1 позволяет контролировать частоту вращения коленчатого вала в пределах 100—6000 ± 200 об/мин и температуру двигателя в пределах 30—100 ± 5°. Контроль частоты вращения основан на измерении частоты импульсов, поступающих от прерывателей системы зажигания. Температура контролируется измерительным мостом, в одном из плеч которого включено термосопротивление, вмонтированное в болт М8. Этот болт может быть установлен в теле двигателя и являться термодатчиком прибора.
Источником питания могут служить переменный ток напряжением 15—30 В, получаемый от генераторных катушек мотора, или постоянный ток напряжением б или 12 В от бортовой сети мотолодки. Могут быть также использованы четыре элемента 373, размещаемые в специальной кассете. Их емкости хватает на 50 часов непрерывной работы прибора.
Другой комплект приборов — тахометр и спидометр для мотолодок — позволяет измерять частоту вращения в диапазоне 500—6000 об/мин с точностью 5 %, скорость лодки — в пределах от 20 до 67 км/ч. Оба прибора смонтированы на пластмассовом щитке, который устанавливается на панели мотолодки. Эти приборы позволяют оперативно, без проведения трудоемких испытаний, с достаточной точностью подобрать элементы гребного винта, соответствующие сопротивлению лодки без превышения максимально допустимой частоты вращения коленчатого вала двигателя. В процессе эксплуатации можно следить за тем, чтобы мощность мотора была постоянной, находить оптимальные глубины погружения и угол откидки подвесного мотора и т. п.
Работа спидометра основана на измерении гидродинамического давления встречного потока воды, набегающего на датчик — капиллярную трубку. Указателем скорости служит манометр, шкала которого отградуирована в единицах скорости.
Тахометр измеряет среднее значение импульсного тока, которое пропорционально частоте вращения коленчатого вала двигателя. Шкала миллиамперметра М-4200 градуирована в оборотах в минуту.
При отсутствии тахометра заводского изготовления может быть выполнен достаточно простой электронный прибор по схеме, приведенной на рис. 84, если подвесной мотор оборудован магнето МН-1 с генераторными катушками системы электроосвещения. Схема позволяет делать замеры в диапазоне 1000—5000 об/мин с погрешностью около 3 %. В качестве индикатора используется микроамперметр М24 со шкалой, градуированной в оборотах в минуту. Переменный ток, снимаемый с обмоток генераторных катушек, через резистор R1 поступает на двусторонний ограничитель напряжения Д1—Д4, в обе ветви которого последовательно включены по два кремниевых стабилитрона Д808. Напряжение в пределах 1,2 В, ограниченное по амплитуде, подается на частотно зависимый детектор (конденсатор С1 и диоды Д5 и Д6), а затем на зажимы измерительного прибора. Для сглаживания пульсации выпрямленного напряжения параллельно прибору включена емкость С2. Резистор R2 служит для регулирования чувствительности прибора.
Тахометр тарируется с помощью механического или электрического тахометра непосредственно на работающем моторе, либо с помощью генераторов низкой частоты типа ГЗ-33 или ГЗ-34 в лабораторных условиях.
Спидометр необходим на мотолодке не меньше, чем тахометр. Если тахометр позволяет подобрать оптимальный гребной винт, соответствующий загрузке мотолодки, и контролировать работу двигателя, то спидометр помогает найти оптимальную центровку лодки, наивыгоднейшее положение мотора на транце по высоте и углу его наклона. Использование тахометра совместно со спидометром позволяет выбрать режим движения, оптимальный с точки зрения экономии топлива. Возрастание скорости лодки далеко не прямо пропорционально увеличению частоты вращения двигателя и во многих случаях эксплуатация двигателя на больших числах оборотов не имеет смысла. Например, при определенной нагрузке лодки «Крым» увеличение числа оборотов двигателя с 3500 до 4500 об/мин приводит к повышению скорости всего на 2 км/ч, т. е. увеличившийся расход топлива оказывается далеко не оправданным.
Спидометр работает по принципу замера гидродинамического давления встречного потока воды — так называемого скоростного напора. Состоит прибор из датчика — металлической капиллярной трубки с внутренним диаметром 1—2мм,направленной отверстием навстречу движению лодки, и индикатора-манометра низкого давления на 1—1,5 кгс/см2, соединенных между собой полиэтиленовой или резиновой трубкой с внутренним диаметром 2—3 мм. Чем больше скорость, тем выше передаваемое на манометр давление. Ориентировочно скорость V можно определить по зависимости
V=50,4 • /Р, км/ч,
где Р — показания манометра, кгс/см2 (численные значения скорости приведены в табл. 2).