Алгоритм построения конечного дерева достижимости.
Каждая i-я вершина дерева связывается с расширенной разметкой m(i). В расширенной разметке число меток в позиции может быть либо неотрицательным целым, либо бесконечно большим. Бесконечное число меток обозначим символом w . (
)
Вершины классифицируются на 4 вида:
граничная, терминальная,
дублирующая, внутренняя.
Граничными являются вершины, которые еще не обработаны алгоритмом.
Алгоритм начинает свою работу с задания начальной разметки. До тех пор, пока имеются граничные вершины, они обрабатываются алгоритмом.
Пусть x - граничная вершина, которую необходимо обработать, и с которой связана разметка m(x).
1. Если для разметки m(x) на один из переходов неразрешeн, т.е. m(x) тупиковая разметка, то x терминальная вершина.
2. Если в дереве имеется другая вершина y, не являющаяся граничной, и с ней связана разметка m(y)= m(x), то вершина x дублирующая.
3. Для любого перехода tj, из множества T, разрешенных в разметке m(x), создать новую вершину z дерева достижимости. Разметка m(z), связанная с этой вершиной, определяется для каждой позиции рi следующим образом:
i. если m (x)i=w,то m(z)i =w;
ii. если на пути из корня дерева в z есть вершина y такая, что
tj и 
то m (z)i=w ;
iii. в в противном случае 
Дуга, помеченная tj, направлена от вершины х к вершине z. Вершина x переопределяется как внутренняя, вершина z становится граничной.
Когда все вершины дерева становятся терминальными, дублирующими или внутренними, алгоритм останавливается.

Конечное дерево достижимости
П р и м е р 2


Классификация переходов
Переход tj сети Петри С называется потенциально запустимым в маркировке μ, если в R(C,μ) существует маркировка μ', в которой tj разрешен.
Переход активен в маркировке μ, если потенциально запустим во всякой маркировке из R(C, μ).
Категории переходов по уровню активности:
o Уровень 0: Переход tj никогда не может быть запущен.
o Уровень 1: Переход tj потенциально запустим.
o Уровень 2: Для всякого целого n существует последовательность запусков, в которой переход tj присутствует по крайней мере n раз
o Уровень 3: Существует бесконечная последовательность запусков, в которой переход tj присутствует неограниченное число раз.
o Уровень 4: Для всякой μ' из R(C, μ) существует такая последовательность запусков σ, что переход tj разрешен в δ(μ`,σ).
Переход, обладающий активностью уровня 0, называется пассивным.
Переход, обладающий активностью уровня 4, называется активным.
Сеть Петри обладает активностью уровня i, если каждый ее переход обладает активностью уровня i.
П р и м е р 3
Сеть Петри с переходами различных уровней

t0 – пассивный
t1 – первый уровень
t2 – второй уровень
t3 – третий уровень
Некоторые виды сетей Петри:
Временная сеть Петри — переходы обладают весом, определяющим продолжительность срабатывания (задержку).
Стохастическая сеть Петри — задержки являются случайными величинами.
Функциональная сеть Петри — задержки определяются как функции некоторых аргументов, например, количества меток в каких-либо позициях, состояния некоторых переходов.
Цветная сеть Петри — метки могут быть различных типов, обозначаемых цветами, тип метки может быть использован как аргумент в функциональных сетях.
Ингибиторная сети Петри — возможны ингибиторные дуги, запрещающие срабатывания перехода, если во входной позиции, связанной с переходом ингибиторной дугой находится метка.
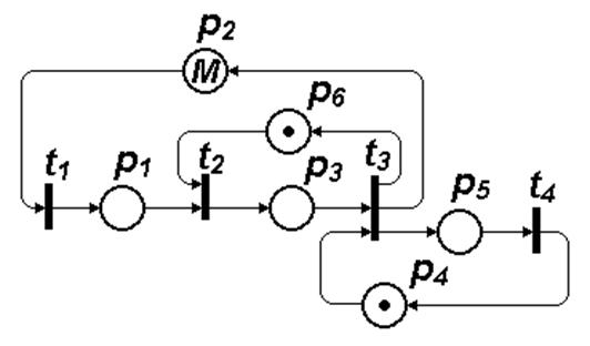
П р и м е р
Процессы возникновения и устранения неисправностей в некоторой технической системе, состоящей из множества однотипных блоков. В резерве имеется один исправный блок; известны статистические данные об интенсивностях возникновения отказов и длительностях таких операций, как поиск неисправностей, замена и ремонт отказавшего блока. Поиск и замену отказавшего блока производит одна бригада, а ремонт замененного блока — другая бригада

M соответствует числу имеющихся в системе блоков.
Переходы:
t1 — отказ блока
— промежуток времени между отказами
t2 — поиск неисправного блока,
— продолжительность поиска
t3 —замена неисправного блока
— продолжительность замены
t4 — окончание ремонта
— продолжительность ремонта.
Упрощенная модель протокола обмена данными между двумя процессами
