Преобразователи формы сигнала.
Лекция №12
Цифро-аналоговые преобразователи (ЦАП)
ЦАП формирует аналоговый сигнал в соответствие с цифровым кодом числа. На рис.12.1 –характеристика преобразования четырехразрядного ЦАП. Здесь:
Uвых =ΔU*K – выходное напряжении ЦАП,
K = (20a0+21a1+22a2+23a3) – входное число в двоичном коде при 4 разрядах, максимум -15.
a0,a1,a2,a3 – значения битов (двоичных разрядов - 0 или 1),
ΔU= Uшк /15 –шаг изменения Uвых,
δU= ΔU / Uшк = 1/15 – шаг преобразования,
Uшк - наибольшее выходное напряжение (шкала преобразования).

Рис.12.1. К принципу действия ЦАП
Выходное напряжение – функция от числа в двоичном коде
Uвых= Uшк /15 *(a0+2a1+4a2+8a3). (12.1)
Аппаратная реализация такой функции достигается с помощью сумматора.
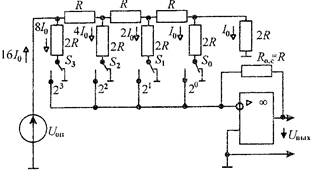
На рис.12.2а. схема цифро-аналогового преобразования (ЦАП), содержащая сумматор на операционном усилителе.

Рис.12.2а. Модель устройства ЦАП с суммированием токов (вариант 1).
Из схемы следует
Uвых= -Uшк Rос *( a0/R0 + a1/R1 + a2/R2 + a3/R3). (12.2)
В модели переменные a0,a1,a2,a3 –получают значения 0 или 1 с помощью ключей S0,S1,S2,S3. Значения 1 соответствуют замкнутым ключам, 0 – разомкнутым.
Для реализации преобразования по уравнению (12.1) необходимо иметь в уравнении (12.2):
Rос / R0 =1/15, R0/R1 =2, R0/R2 =4, R0/R3 =8.
В следующей демонстрации demo13_1 (рис.12.2б) можно видеть принцип ЦАП в действии. Переключая ключи, можно задавать различные числа и получать разные напряжения на выходе. Второй ОУ включен для получения положительного выходного напряжения. На рисунке представлено состояние ключей, при котором a0 = 1, a1 = a2 = a3 = 0, поэтому Uвых= 3/15 = 200 мВ. В реальном ЦАП используются электронные ключи.

Рис.12.2б. demo13_1. Демонстрация работы ЦАП с суммированием токов (вариант 1).
В схемах на рис.12.2, необходимо иметь 5 резисторов с разными сопротивлениями. При реализации ее в интегральной микросхеме это не выгодно. В следующей схеме ЦАП (вариант 2), реализующей тот же принцип суммирования, резисторы имеют только два значения сопротивления. Поэтому она лучше.

Рис.12.3. Пример устройства ЦАП с суммированием токов (вариант 2).
На рис. 12.4а. приведена практическая схема с интегральной микросхемой ЦАП (D/A) и операционным усилителем, которая содержит переключатели на транзисторных ключах и резисторы обратной связи. Операционный усилитель может быть встроен в интегральную схему ЦАП или использоваться внешний, как на рис.12.4а. Вход имеет 10 разрядов, позволяющих формировать числа на входе в большом диапазоне. 
Рис.12.4а. Пример схемы устройства ЦАП.
В следующем примере demo13_2 (рис.12.4б) показывается циклическое преобразование нарастающей числовой последовательности с помощью 8 разрядного ЦАП.

Рис.12.4б. demo13_2. Пример 8 разрядного ЦАП.
В этом примере с течением времени число на входе ЦАП с помощью генератора слова циклически изменяется с шагом 1 от 0 до 256. Поэтому на выходе ЦАП получается периодическая пилообразная кривая. При детальном рассмотрении оказывается, что это не гладкая, а ступенчатая функция с высотой ступеньки 2В/128 = 7.815мВ. Она может быть сглажена дополнительной фильтрацией.

Рис.12.4в. demo13_2. Ступенчатая форма выходного напряжения ЦАП при возрастании числовой последовательности на входе.
Здесь показана идея цифрового генератора аналоговых сигналов.
Максимальная достижимая скорость изменения аналогового сигнала зависит от быстродействия ЦАП.
ЦАП используются для преобразования цифровых сигналов в управляющие аналоговые сигналы и как составная часть АЦП.
Аналого-цифровые преобразователи (АЦП)
АЦП - устройства, преобразующие аналоговую величину в число в цифровом коде. Существует много типов АЦП, основанных на разных алгоритмах. АЦП описывается характеристикой преобразования, аналогичной ЦАП. Отличие в том, что для АЦП аргумент располагается на оси ординат, а функция - на оси абсцисс.
. 
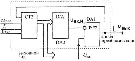
Рис.12.5. К принципу действия АЦП последовательного счета.
В этой схеме:
Uвх – преобразуемое аналоговое напряжение (подается на неинвертирующий вход ОУ),
UвхИ –напряжение, создаваемое с помощью ЦАП D/A.
DA1 (ОУ) – компаратор , - устройство для сравнения напряжений на входах:
+Um при Uвх < UвхИ
Uвых=
-Um при Uвх ≥ UвхИ,
fT – последовательность периодических прямоугольных импульсов,
CT2 –счетчик числа импульсов,
DA2- (D/A) – ЦАП.
После запуска импульсом на входе «Пуск» счетчик начинает подсчет импульсов. Их количество растет и возрастает UвхИ., которое формируется с помощь ЦАП .
По достижении Uвх ≥ UвхИ напряжение Uвых становится отрицательным и счетчик останавливается. На выходе счетчика формируется число- значение измеряемого напряжения.
В непрерывном процессе преобразования циклически повторяется процесс уравновешивания напряжения. Очевидно, что погрешность преобразования зависит от скорости изменения Uвх и длительности цикла. Рассмотренный АЦП имеет небольшую скорость преобразования, поэтому применяется в дешевых цифровых вольтметрах.
На рис. 12.6. приведена схема АЦП с поразрядным уравновешиванием, обладающая меньшим временем преобразования. 
Рис.12.6. К принципу действия АЦП с поразрядным уравновешиванием.
Здесь вместо счетчика включен регистр RG, который по команде «Пуск» устанавливает на выходе число в двоичном коде, начиная с 1 старшего разряда (и 0 в остальных разрядах). ЦАП создает напряжение UвхИ, соответствующее этому значению.
Компаратор сравнивает напряжения UвхИ и Uвх. Если UвхИ <Uвх, то добавляется 1 в младшем разряде, в ином случае сбрасывается 1 в старшем разряде и устанавливается 1 в следующем младшем разряде.
Эта операция повторяется в цикле до уравновешивания в самом младшем разряде.
АЦП используются для преобразования аналоговых электрических сигналов в цифровую форму в измерительных устройствах.