Передаточная характеристика ОУ и коэффициент усиления.
Важная характеристика операционного усилителя – передаточная характеристика, зависимость выходного напряжения от напряжений на одном из входов (или напряжения между входами).
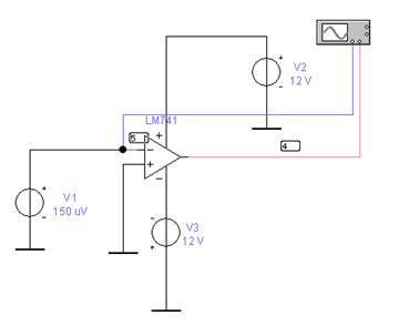
На рис.9.3 приведена схема (demo9_1) для получения передаточной характеристики по инвертирующему входу популярного импортного ОУ LM741 (изображен в схеме треугольником).

Рис.9.3. demo9_1. Схема для получения передаточной характеристики по инвертирующему входу.
В этом опыте источник сигнала V1, напряжение которого изменялось в пределах -150мкВ…+150мкВ, включен между «землей» и инвертирующим входом (узел 5 схемы) ОУ. Двухканальный осциллоскоп подключен входом A к узлу 5 (синяя линия) и входом B – к узлу 3 (выход ОУ, красная линия). ОУ питается от двух источников постоянного напряжения V2 И V3.
Полученная передаточная характеристика приведена на рис.9.4. На кривой вертикальными линиями ограничен линейный участок со значениями Uвх1,мин = -37мкВ, Uвых,макс =11.03В слева и Uвх1,макс =74мкВ, Uвых,мин =10.99В справа. Заметим, что с увеличением входного напряжения выходное напряжение уменьшается, т.е. входное и выходное напряжения противофазные, т.к. вход «инвертирующий»
На линейном участке в интервале Uвх от -37 мкВ до 74 мкВ коэффициент усиления операционного усилителя
KU,инв= (Uвых,макс - Uвых,мин)/( Uвх,мин -Uвх,макс) =
= -(11+10)/(74+37)*106 = -198*103 !!!

Рис.9.4. demo9_1. Передаточная характеристика ОУ по инвертирующему входу.
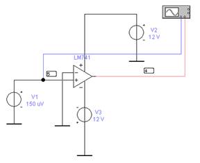
Передаточная характеристика по неинвертирующему входу в demo9_2, получена в схеме на рис.9.5.

Рис.9.5. demo9_2. Схема для получения передаточной характеристики по неинвертирующему входу.
Здесь источник V1, напряжение которого изменяется в интервале -150мкВ…+150мкВ, включен между «землей» и неинвертирующим входом (узел 5 схемы).
Полученная передаточная характеристика приведена на рис.9.6.
На линейном участке значениям Uвх,мин = -75мкВ и Uвх,макс =36мкВ соответствуют Uвых,макс =-11.04В и Uвых,мин =10.94В. На этом участке коэффициент усиления операционного усилителя KU,неинв=( Uвых,макс - Uвых,мин)/(Uвх,макс -Uвх,мин) = 198*103, т.е. равен KU,инв . В этой схеме увеличение напряжения на входе приводит к увеличению выходного напряжения, т.е. входное и выходное напряжения синфазные.

Рис.9.6. demo9_2. Передаточная характеристика ОУ по неинвертирующему входу.
Заметим, что на обеих передаточных характеристиках линейные участки несимметричны по входному напряжению.
На рис. 9.4 Uвх,мин = -37мкВ и Uвх,макс =74мкВ. Середина линейного участка Uвх,ср,= 37мкВ.
На рис. 9.6 Uвх,мин = -75мкВ и Uвх,макс =36мкВ. Середина линейного участка Uвх,ср,= -39мкВ.
Асимметрия вызвана индивидуальными особенностями ОУ, смещение вызывается напряжением смещения ОУ. Смещение компенсируется (при необходимости) включением дополнительных внешних элементов или элементами отрицательной обратной связи.
Источник сигнала можно включить между входами ОУ как в схеме на рис. 9.7 , т.е. изменять напряжение между входами, тогда получим передаточную характеристику аналогичную на рис.4.11. Резисторы R1 и R2 включены для задания начального потенциала входов при отсутствии сигнала

Рис.9.7. demo9_3. Схема для получения передаточной характеристики ОУ при симметричном сигнале (источник подключен к обоим входам)
Передаточная характеристика для этой схемы приведена на рис. 9.8.

Рис.9.8. demo9_3. Передаточная характеристика ОУ при симметричном сигнале (источник подключен к обоим входам)
На рис. 9.8 линейный участок ограничен точками Uвх,мин = -76мкВ, Uвых,мин = -11В и Uвх,макс =34мкВ, Uвых,макс = 11В. KU,неинв=(11 +11)/(34 +76) = 198*103 . В этой схеме передаточная характеристика практически совпадает с передаточной характеристикой на рис.9.6.
Во всех трех случаях выходное напряжение ОУ изменяется в интервале предельных напряжений ОУ -11В…+11В. Это значение близко к напряжениям источников питания ОУ 12В, но меньше их.