Полевые транзисторы.
Следующая группа компонентов на рис. 8.1 –полевые транзисторы. Свойства полевых транзисторов сильно отличаются от свойств биполярных транзисторов тем, что управляющей величиной является не ток, а напряжение. Поэтому полевые (FET) транзисторы имеют весьма большое входное сопротивление.
Полевые транзисторы (ПТ) имеют обычно три вывода: исток, сток и затвор (управляющий электрод). В составе интегральных схем ПТ могут иметь другие выводы. Проводимость канала между истоком и стоком управляется напряжением между затвором и истоком.
В полевом транзисторе нет p-n перехода, который включен в прямом направлении (так в биполярном транзисторе включен переход база- эмиттер). Поэтому ток затвора практически равен нулю.
Бывают p- канальные (проводимостьза счет дырок)и n- канальные (проводимостьза счет электронов)ПТ.
Управляющие затворы бывают двух типов:
- с p-n – переходом (включен в обратном направлении!),
- с изолированным затвором (МОП или МДП - транзисторы),
Каналы могут различаться типами легирования (обогащенный и обедненный) и способом изготовления – встроенный (МДП) или индуцированный (МОП) каналы.
Существует большое разнообразие типов транзисторов, которое объясняется многими возможными комбинациями типов затворов и каналов. Ряд типов транзисторов, которые встроены в интегральные схемы имеют четвертый вывод – «подложку».
На рис.8.2 приведены примеры условных графических обозначений различных ПТ.

Рис.8.2. Примеры УГО полевых транзисторов:
1 и 2 –ПТ с p-n – переходом, соответственно, JFET типа с n – каналом и p – каналом;
3 и 4, 5 и 6 -ПТ трехэлектродные и четырехэлектродные, с обедненным каналом, соответственно;
7 и 8, 9 и 10 - 3-и 4- электродные NMOSFET и PMOSFET, с обогащенными каналами;
11, 12 –арсенид-галиевые, соответственно, с n –и p – каналами GASFET ПТ.
Примеры схемы включения и вольтамперные характеристики полевых транзисторов с p-n переходом приведены на рис. 8.3 и 8.4.

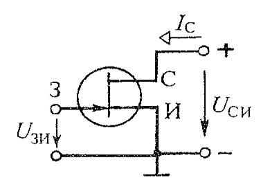
Рис. 8.3. Схема включения полевого транзистора с каналом n-типа “с общим истоком” (З-затвор, И-исток, С- Сток).

Рис. 8.4 . Выходные (а) и передаточные (б) характеристики полевого МДП-транзистора с каналом n-типа.
Выходные характеристики ПТ – зависимости тока стока от напряжения между истоком и стоком при заданном управляющем напряжении между истоком и затвором. Пример реальных характеристик приведен на рис.8.5. Здесь функция – ток стока, аргумент – напряжение источника V1=UИС=0…12В и параметр напряжение источника V2=UЗИ=-2…0В.
Верхняя кривая соответствует UЗИ=0В. При уменьшении управляющего напряжения UЗИ кривые семейства располагаются ниже. При UЗИ=-2В ток стока равен нулю.

Рис. 8.5. Семейство выходных характеристик ПТ.
Переходная характеристика снимается при фиксированном напряжении UИС и изменении управляющего напряжения UЗИ. Пример реальных переходных ВАХ ПТ в демонстрации demo8_2 приведен на рис. 8.6.

Рис.8.6. Семейство переходных характеристик полевого транзистора.
Здесь функция – ток стока. Аргументом является управляющее напряжение UЗИ , которое меняется в источнике V2 пределах -2В…+0.6В, и параметром – напряжение между истоком и стоком UИС в интервале 0…12В с шагом 0.5В (источник V1). Из графиков следует, что влиянием напряжения UИС можно пренебречь, если UИС>3В. Такой же вывод следует из семейства выходных характеристик на рис. 8.5. На переходной характеристике есть линейный участок, на котором связь приращений тока и напряжения может быть выражена крутизной S=dIc/dUзи (мА/В).
При положительном напряжении UИЗ наступает насыщение переходной характеристики, что видно на рис. 8.7. Ток стока не изменяется и ПТ теряет управляющие свойства.

Рис.8.7. (Demo8_2_.) Переходная характеристика ПТ при UИС=12В.
Полевые транзисторы имеют очень малый ток затвора (10-8..10-9 А), поэтому они используются в программируемых постоянных запоминающих устройствах ППЗУ, например во флэш-памяти.
Эти элементы надо особенно защищать от статического электричества. Электрический заряд может накапливаться во входных цепях из-за высокого входного сопротивления. Этот заряд создает электрическое поле в ПТ, которое может вызвать электрический пробой и повреждение ПТ.
Из-за нулевого тока затвора для ПТ входная характеристика не используется.
Полевые транзисторы широко используются для усиления сигналов.
Демонстрационный пример усилителя напряжения (demo8_3) на полевом транзисторе приведен на рис. 8.8.
В этой схеме включены конденсаторы C1 и С2 для передачи сигналов и исключения зависимостей состояния полевого транзистора от цепей источника и приемника Rn сигналов по постоянным составляющим токов и напряжений. Резисторы R1, R2 и Rs устанавливают состояние транзистора по постоянному току. На резисторе Rc формируется выходное напряжение, которое передается на приемник Rn. Конденсатор С3 повышает коэффициент усиления, так как он уменьшает сопротивление участка цепи с резистором R1 по переменной составляющей. На рис.8.8 приведены осциллограммы входного (синяя кривая, правая ось ординат) и выходного (красная кривая, левая ось ординат).

Рис. 8.8 . Схема усилительного каскада с полевым транзистором с общим истоком и осциллограммы входного (синяя, правая ось V) и выходного (красная, левая ось V) напряжений.
Коэффициент усиления по напряжению на частоте 1кГц составляет KU = 1.3В/100мВ = 13. Усилитель изменяет фазу сигнала на 180°.
Постоянная составляющая напряжения между затвором и истоком (UЗИ, П = -832,4мВ) создается делителем напряжения R1-R2 и резистором RИ цепи истока и обеспечивает линейный режим усиления во всем диапазоне изменения входного напряжения..
Состояние полевого транзистора по постоянному току при заданных параметрах элементов усилителя определяется следующим образом.
Так как Iз =0 , то на резисторе R2 постоянное напряжение
UR2 = EC*R2/(R1+R2).
Напряжение между затвором и истоком UЗИ = UR2 –RИIc (UЗИ). Это выражение представим с переменной Ic в виде UЗИ (Ic )= UR2 – RИIc. Слева - функция переходной характеристики, представленная кривой 1 на рис.8.9. Справа линейная ВАХ – прямая линия 2, отсекающая на осях отрезки UR2 и UR2 /RИ. Точка пересечения A определяет постоянные ток «покоя» стока Icп и напряжение «покоя» UЗИ, П.

Рис. 8.9. К определению рабочей точки покоя в цепи затвора.
Постоянное напряжение UCИ,П определяется по выходной характеристике следующим образом. Известное постоянное напряжение UЗИ,Ппозволяет выбрать одну выходную характеристику IC(UCИ,П,UЗИ,П).

Рис.8.11. К определению рабочей точки покоя в цепи стока.
Из контурного уравнения для участка EC, RC, ПТ, RИ следует:
UCИ,П(IC,UЗИ,П) = EC –(RC+ RИ) IC. Это нелинейное уравнение решается графически на рис.8.11. пересечением выходной характеристики 1 и линии нагрузки 2, которая отсекает на осях отрезки EC и EC/(RC+ RИ)
При выборе рабочей точки следуют методике, которая была рассмотрена для усилителя напряжения на биполярном транзисторе.
На рис.8.12 приведены амплитудно-частотная и фазо-частотная характеристики усилительного каскада.

Рис. 8.12. demo8_3. Частотные характеристики усилителя напряжения на полевом транзисторе.
В общем виде частотная характеристика усилителя напряжения на ПТ может быть получена с помощью линейной схемы замещения усилителя по постоянной составляющей, которая приведена на рис.8.13.

Рис.8.13. Схема замещения усилителя напряжения на ПТ в линейном режиме .
В схеме замещения на рис. 8.13 кроме элементов из схемы усилителя на рис.8.8 включены элементы схемы замещения полевого транзистора:
-источник тока iС=SuЗИ, отражающий усилительные свойства ПТ (S – крутизна переходной характеристики ПТ),
- внутреннее сопротивление ПТ Ri, которое определяется наклоном выходных характеристик ПТ Ri= dUСИ/dIC при неизменном напряжении UЗИ,
- емкостный элемент С0, отражающий инерционные свойства транзистора и емкость ПТ между истоком и стоком .
В границах полосы пропускания усилителя реактивными сопротивлениями конденсаторов можно пренебречь. Тогда коэффициент усиления равен (если сопротивление нагрузки усилителя больше эквивалентного выходного сопротивления RЭК
KU= S*RЭК
RЭК=1/(1/Ri+1/Rc+1/Rk).
Из схемы замещения следует, что при низких частотах сигнала сопротивления емкостных элементов С1 и С2 велико и амплитуда напряжения на выходе усилителя UВЫХ,m небольшая. На средних частотах сопротивлением всех емкостных элементов можно пренебречь и UВЫХ,m наибольшее, на высоких частотах сказывается уменьшение сопротивления элемента С0 и UВЫХ,m уменьшается.
Приведенное описание свойств усилителя напряжения на полевом транзисторе показывает общее его сходство с усилителем на биполярном транзисторе. Главное различие – в большой разнице значения входного сопротивления, которое в схеме с ПТ значительно больше.