JK-триггеры
T-триггеры
Т-триггеры (tumble – опрокидываться, кувыркаться), называемые также счётными триггерами, имеют один информационный вход Т. Каждый импульс (спад импульса) на Т-входе (счетном входе) переключает триггер в противоположное состояние.
На рисунке 61 показа условно-графическое обозначение (а) Т-триггера и временные диаграммы работы (б).
| Q n | Т | Q n+1 |

Рисунок 61- а - УГО, б - временные диаграммы и таблица состояний Т-триггера
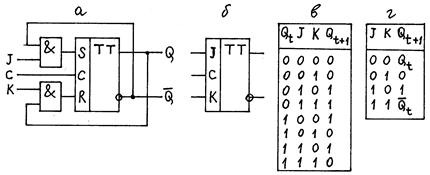
На рисунке 62 изображён универсальный – JК-триггер (от англ. jump – скачок, kеер – держать). Триггер имеет два информационных входа J и К, и тактируемый вход С.
При соответствующем подключении входов, триггер может выполнять функции RS-, D-, T-триггеров, т.е. является универсальным триггером. Кроме того, триггер не имеет запретных комбинаций.
Если J = К = 1 он изменяет свое состояние на противоположное. При J = К = 0 триггер после С-импульса сохраняет предыдущее состояние, при J = 1, К = 0 переходит в «1», а при J = 0, К = 1 – в «0».

Рисунок 62 – JK-триггер: структура (а), УГО (б),
полная (в) и сокращенная (г) таблицы состояний