Описание работы схемы автоматического регулирования тока возбуждения
Схема автоматического регулирования тока возбуждения в зависимости от тока нагрузки
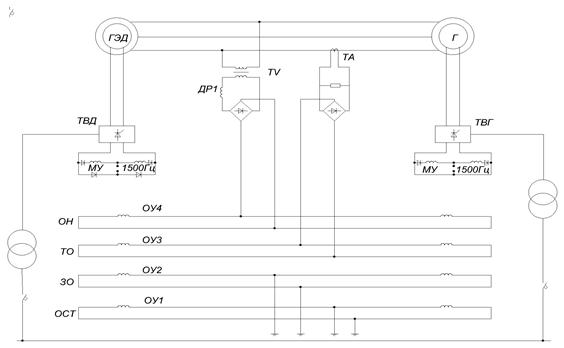
Пример варианта такой схемы приведен на рисунке 7.1.

Рис.7.1.Схема автоматического регулирования тока возбуждения в зависимости от тока нагрузки
Данная схема предназначена для регулирования одновальной ТЭГУ и включает трансформатор тока ТА, трансформатор напряжения ТV, турбину.
Генератор (Г) и ГЭД имеют тиристорные возбудители, которые питаются от судовой сети через разделительные трансформаторы. Тиристорные возбудители управляются магнитными усилителями (МУ) импульсно-фазовым способом. На каждом магнитном усилители происходит суммирование сигналов управления от четырех обмоток:
- обмотки смещения – ОУ1(ОСМ);
- задающей обмотки – ОУ2(ЗО);
- токовой обмотки – ОУ3(ТО);
- обмотки напряжения – ОУ4(ОН).
Обмотка смещения (ОУ1) устанавливает угол открывания тиристоров, равный
, при этом напряжение возбуждения равно 0. Задающие обмотки ЗО (ОУ2) задают напряжения и токи возбуждения генератора и ГЭД, соответствующие номинальному режиму работы и
.
В номинальном режиме м.д.с. токовой обмотки ТО (ОУ3) магнитного усилителя равна и противоположна по направлению м.д.с. обмотки напряжения ОН (ОУ4) и взаимное действие этих обмоток равно 0.
При увеличении момента сопротивления на винте ток в главной цепи возрастает, а напряжение уменьшается. Ток как напряжение уменьшается, то суммарная м.д.с., действия обмоток увеличивается. В результате токи возбуждения и ГЭД возрастают, а
остается равным 1. При уменьшении момента сопротивления происходит обратное действие обмоток магнитных усилителей.
Последовательно с ОУ4 включен дроссель Др., сопротивление которого зависит от частоты. Дроссель служит для компенсации изменения частоты и получения необходимой зависимости между напряжением и частотой при изменении частоты. Данная схема не удовлетворяет современным требованиям по точности работы. Для повышения точности применяются управляющие устройства на операционных усилителях.