Импульсный стабилизатор напряжения на микросхеме LМ2576АDJ
Основное преимущество импульсных стабилизаторов по сравнению с аналоговыми - высокий КПД, поскольку работающий в переключательном режиме регулирующий транзистор рассеивает минимальную мощность. Благодаря этому не требуется большой теплоотвод. Кроме того, в регулируемых стабилизаторах можно осуществить непрерывное перекрытие всего интервала выходного напряжения, без введения под интервалов (без дополнительных переключений), что особенно важно для лабораторных блоков питания.
Современные специализированные микросхемы позволяют значительно упростить импульсные стабилизаторы напряжения и снизить уровень импульсных помех, а применение мощных быстродействующих диодов с барьером Шотки практически решает проблему сквозного тока регулирующего транзистора.
Сегодня такие микросхемы выпускают многие отечественные пред-приятия и зарубежные фирмы. Например, фирма National Semiconductor производит несколько серий микросхем для интегральных импульсных стабилизаторов напряжения. Одна из них - LМ2576.
Микросхемы выпускают в нескольких вариантах: с фиксированными значениями выходного напряжения 3,3, 5, 12, 15 В; с выходным напряже-нием, регулируемым в пределах 1,2...37 В (с индексом ADJ - Adjast), «высо-ковольтный» (НV) вариант (максимальное входное напряжение - 63 В).


Рис. 50
Микросхемы выпускают в нескольких вариантах: с фиксированными значениями выходного напряжения 3,3;5;12;15;В; с выходными напряжением в пределах 1,2…37 В (с индексом ADJ-Adjast), «высоковольтный» (HV) вариант (максимальное входное напряжение – 63 В). На рис. 50 показана структурная схема LM2576, где: 1 - внутренний регулятор, 2 - ON/OFF, 3 - компенсатор ошибки по току,4 - компаратор, 6 – драйвер, 7 – Uоп, 8 – генератор, 9 – сброс, 10 – тепл. защита , 11 - ограничитель; выводы: 1 - вход, 2 – выход, 3,5 – общий, 4 – обратная связь.
Основные технические характеристики микросхем этой серии:
· Максимально допустимое входное напряжение, В…....……… 45
· Интервал входного напряжения, В........................................4,75…40
· Номинальное напряжение сигнала обратной связи, В…....… 1,23
· Интервал напряжения обратной связи, В......................1,217 - 1,243
· Импульсный коммутируемый ток, А……………………...………5,8
· Средний ток, А………………………………………………….....…3
· Частота коммутации, кГц……………………………………...… 52
· КПД,%…………………………………………………………..… 77
· Тепловое сопротивление кристалл-корпус, °С/Вт………....…..……2
· Корпус………………………….……………пластмассовый ТО220-5
В предлагаемом стабилизаторе максимальное выходное напряжение 30 В, оно ограничено допустимым напряжением питания ОУ узла токовой зашиты. Минимальное напряжение - 1,25 В. Максимальный выходной ток - до 3 А. Амплитуда пульсаций на выходе (от пика до пика) при токе нагрузки 1 А не превышает 20 мВ. Выходное сопротивление - не более 0,1 Ом. Остальные электрические параметры соответствуют приведенным справочным данным микросхемы группы Adjast.
Стабилизатор снабжен узлом защиты от перегрузки по току с регулируемым порогом срабатывания. Защита - триггерного типа: повторное включение осуществляется нажатием на кнопку «Пуск». После включения питания для запуска стабилизатора также необходимо нажать на эту кнопку. Минимальный ток срабатывания защиты - не более 100 мА, максимальный - устанавливают в процессе налаживания исходя из конкретных требований к блоку питания.
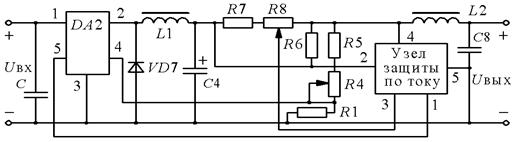
Устройство, схема которого приведена нарис.51, включает собственно стабилизатор и узел защиты от перегрузки по току.
DA1


Рис. 51
Стабилизатор выполнен по типовой схеме включения, приведенной в справочнике фирмы-изготовителя. Напряжение постоянного тока, сглаженное конденсатором С, при открытом транзисторе VT1 ИС DA1 поступает на вход (вывод 1) микросхемы DА1. С ее выхода (вывод 2) импульсное напряжение подается на накопительный дроссель L1 и конденсатор С4. Выходное напряжение на нагрузке сглаживает фильтр L2С8. При выключении регулирующего транзистора микросхемы диод VD7 открывается и накопленная энергия в L1С4 передается в нагрузку.
Сигнал обратной связи через резистивный делитель напряжения R1R4R5 подают на вход обратной связи (вывод 4) микросхемы. Регулируют выходное напряжение двумя переменными резисторами R4,R5. Такое включение обеспечивает высокую точность установки напряжения. Следует подчеркнуть, что напряжение обратной связи снимают не сo выхода стабилизатора, что, на первый взгляд, было бы абсолютно логично. Дело в том, что вносимая фильтром временная задержка приводит к возникновению своего рода ударного самовозбуждения, характер которого зависит от выходного напряжения и нагрузки. И хотя на выходе стабилизатора паразитная генерация малозаметна (ее сглаживает конденсатор С8), такой режим является неприемлемым, поскольку его последствия непредсказуемы.