Лекция 17
Й вариант. Определение крена с помощью измерения горизонтальных углов.
Й вариант. Определение крена по вертикальной нити теодолита.
IV Вопрос. Определение крена вертикальной оси
Геометрическая сущность измерения крена сводится к определению взаимного положения двух точек сооружения, которые по техническим условиям проекта должны лежать на одной отвесной линии.
Определение крена с помощью измерения линейной величины.
Снос положения наблюдаемой точки на основание.

Программа измерений
- подготовить теодолит над опорным знаком
- визируют на осадочную марку (А) и проектируют ее положение к основанию. При КП и КЛ.
-разность между штрихами предыдущего цикла измерений дает величину крена.
Крены стен зданий измеряют с двух сторон.

- определить частные приращения крена с первой станции q1 (аналогичными действиями при сносе положения наблюдаемой точки на основание)
- определить частное приращение крена со второй станции q2
- рассчитать полное приращение крена по правилу параллелограмма

- на схеме указать направление меридиана для характеристики крена по отношению к странам света.

Программа измерений
- установить теодолит в т.А в створе одной из стен и на удалении 20-50 м
- измерить угол γ между маркой В и ориентиров С
- аналогичными действиями измерить угол γ1
- для перехода от градусов к линейным величинам используем формулу


- полное приращение крена определяется как равнодействующая из частных кренов по правилу параллелограмма.
Фотограмметрический метод измерения деформаций
Сущность метода заключается в периодической фототеодолитной съемке сооружений и в сравнении координат его точек в периода предыдущего и текущего циклов наблюдений

Последовательность работ:
I Съемка: - фототеодолиты
- с двух точек (X,Y,H) с соблюдением (выдержкой) требуемого перекрытия
II Измерение снимков: - стереокомпараторы
- стререометры
III Вычисление координат:

из подобия треугольников Т Т" Sп и t"л tп Sп


Из подобия треугольников Т Т' Sл и Sл tлОл
;

Из подобия треугольников Т Т' Sл и tлtл' Sл

IV Вычисление величины деформации
;
; 
________________________________________________________
Точность метода 1:1000 – 1:10 000 от расстояния до объекта.
Достоинство метода: позволяет определять одновременно пространственное положение значительного числа точек, в том числе и недоступных.
Недостаток: высокая стоимость.
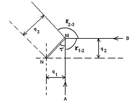
Определение крена вертикальной оси способом трехстворных наблюдений
Схема определения.

NM' – верт. ось сооружения
M'M – отвесная линия
NM – линейная величина крена
A1B1C1 – станции наблюдения
d1d2d3 – расстояния от станций A1B1C1 до основания сооружения
φ1φ2φ3 – угловые величины крена относительно станций АВС
γ12 γ23 – угловые смещения между станциями наблюдения
q1q2q3 – компоненты линий
l1l2l3 – величины крена
Требования при выборе станций
d1d2d3 должны быть больше высоты сооружения
γ12 γ23 должны быть порядка 120º
Полевые измерения
- измерение углов γ12 γ23
- измерение углов φ1φ2φ3 с фиксацией направления отклонения крена (л, п). л - левые створа наблюдений, п – правые створа наблюдений)
- измерение d1d2d3
Камеральные работы
1. Вычислить частные компоненты линейной величины крена



2. Графическое определение общей величины крена
Схема

Последовательность работ
1. Нанести точку М и провести направление АМ
2. Отложить γ12 и провести направление ВМ
3. Отложить γ23 и провести направление СМ
4. Отложить от направлений АМ,ВМ,СМ частные линейные величины крена по створам от станций А,В,С q1,q2,q3 (пунктирные линии)
5. Измерить общую линейную величину крена: - NM
- направление крена τ относительно створа АМ.


Кубовый ярко- зеленый С Побочный 16,17- диоксодибензантрон
