Сумматоры
![]() |
Сумматоры предназначены для суммирования многоразрядных двоичных чисел. Операция суммирования осуществляется поразрядно с использованием одноразрядных суммирующих схем. В каждом разряде суммирование происходит по правилам: 0 + 0 = 0, 0 + 1 = 1, 1 + 0 = 1, 1 + 1 = 0. В последнем случае суммирование двух единиц дает выходное число 10. Появляющаяся при этом единица называется единицей переноса в старший разряд.
Схема, осуществляющая суммирование по этим правилам, называется полусумматором (рис. 8.31, а). Логику ее работы иллюстрирует табл. 8.2.

Сумма Sj = 1 получается при условии, что одно из слагаемых равно единице. Сигнал переноса в следующий разряд Pi+l появляется при условии, что оба слагаемых равны единице. Условное обозначение полусумматора показано на рис. 8.31, б.
![]() |
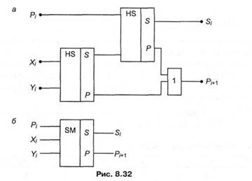
В полном сумматоре суммируются не только слагаемые, но и единицы переноса из предыдущих разрядов. Полный одноразрядный сумматор можно составить из двух полусумматоров и логического элемента ИЛИ (рис. 8.32, а).
![]() |
Условное обозначение одноразрядного сумматора показано на рис. 8.32, б. Логику работы сумматора иллюстрирует табл. 8.3.

Триггеры
Триггеры наряду с логическими элементами являются основными элементами цифровых ИМС. Каждый триггер предназначен для хранения одной единицы информации — бита. Основу триггера составляет кольцо из двух инверторов (рис. 8.33, а), которое принято обозначать в виде электронной защелки (рис. 8.33, б).
![]() |
Выход Q называют прямым, а выход Q — инвертирующим. Электронная защелка может находиться в одном из двух устойчивых состояний: либо Q=0, Q = 1, либо Q = 1, <2 = 0. Перевод триггерной защелки из одного состояния в другое осуществляется путем воздействия на нее управляющих (информационных) импульсов напряжения, выполняющих функции спускового крючка (курка), откуда и произошел термин «триггер» (trigger— курок). В зависимости от способа управления электронной защелкой различают несколько разновидностей триггеров.



