Микропроцессорные системы зажигания

В микропроцессорной системе зажигания применяется электронное управление углом опережения зажигания. Как правило, микропроцессорная система одновре­менно управляет и системой топливоподачи либо полностью (система «Motronic» фирмы «Bosch»), либо каким-либо ее элементом, чаще всего экономайзером при­нудительного холостого хода (автомобиль ВАЗ-21083, ГАЗ-3302 "Газель" и др.).

Центральной частью микропроцессорной системы является контроллер (мик­ро-ЭВМ, микропроцессор).

На рис. 2.8 представлена структурная схема контроллера МС2713 "Электро­ника", применяющаяся на некоторых модификациях автомобилей «Волга», «Га­зель», ЗИЛ-4314, ВАЗ-21083.

 


Рис. 2.8. Структурная схема микропроцессорной системы зажигания

с контролером МС-2713

 

В задачу контроллера входит обработать инфор­мацию, поступающую от датчиков, и в соответствии с ней, установив оптималь­ный для данного режима угол опережения зажигания, дать команду через ком­мутатор на образование искры зажигания. В режиме, принудительного холостого хода контроллером выдается команда на прекращение топливоподачи. Конт­роллер получает информацию от индукционных датчиков: начала отсчета НО, установленного на картере сцепления так, что он генерирует импульс напряже­ния в момент прохождения в его магнитном поле стального штифта, укрепленно­го на маховике, при положении в верхней мертвой точке поршней 1 и 4 цилинд­ров, и датчика угловых импульсов УИ, реагирующего на прохождение зубьев венца маховика и снабжающего контроллер информацией о частоте вращения и угле поворота коленчатого вала двигателя, полупроводникового датчика темпе­ратуры охлаждающей жидкости t порогового типа, информирующего о достиже­нии температуры заданного уровня, датчика разряжения во впускном коллекто­ре Р тензометрического типа, информирующего о нагрузке двигателя.

Для управления экономайзером принудительного холостого хода (ЭПХХ) сигнал поступает с концевого выключателя KB от дроссельной заслонки.

Сигналы с датчиков НО и УИ преобразуются преобразователем сигналов в прямоугольные импульсы с логическими уровнями интегральных микросхем, сигнал с датчика разряжения, величина которого по напряжению пропорцио­нальна разряжению, также преобразуется во временные импульсы.

Система работает следующим образом: в постоянно запоминающем устройстве ПЗУ контроллера записана информация об оптимальном угле опережения зажига­ния в зависимости от частоты вращения коленчатого вала и нагрузки двигателя. Информация записана в двух вариантах - характеристики для холодного (темпе­ратура охлаждающей жидкости ниже 65°С) и прогретого двигателя. Нужная хара­ктеристика выбирается по сигналу с датчика температуры, поступающего на 10-й разряд адреса ПЗУ А10. Процессор Р, выполненный на микросхеме КМ1823ВУ1, формирует сигнал «старт АЦП», по которому устройство ввода-вывода (УВВ) за­пускает преобразователь «напряжение - время» и начинает изменение напряже­ния с датчика загрузки двигателя в цифровой код. По сигналу "Конец преобразо­вания" устанавливается в сети адрес ПЗУ в разрядах А5-А9 с допуском к необхо­димой информации. Начало измерения загрузки двигателя и вычисления угла опе­режения зажигания синхронизировано с импульсом НО. Вычисление угла опере­жения зажигания реализуется процессором по жесткому алгоритму. Когда величи­на вычисленного угла совпадает с углом поворота коленчатого вала, по сигналу с процессора через УВВ включается блок ФИЗ (формирователь импульсов зажигания) на микросхеме КМ1823АП, вырабатывающий импульсы зажигания постоян­ной скважности, подаваемые через ключ СЗ на выход блока управления.

Каналы управления многоканального коммутатора выбираются по сигналу ИЗ, через ключ выбора канала ВК.


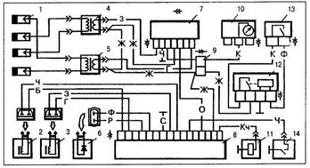
На рис. 2.9 представлена схема соединений микропроцессорной системы ав­томобиля ГАЗ-3302 "Газель".

 

Рис. 2.9. Схема микропроцессорной системы зажигания ГАЗ-3302

с контролером МС-2713-01 и коммутатором 6420.3734:

1 - свечи зажигания; 2 - датчик начала отсчета; 3 - датчик угловых импульсов; 4,5 - катушки зажига­ния; б - датчик температуры; 7 - коммутатор; 8 - контроллер; 9 - штекерная колодка; 10 - комбинация приборов; 11 - электромагнитный клапан экономайзера принудительного холостого хода; 12 - реле разгрузки выключателя зажигания; 13 - выключатель зажигания; 14 - микровыключатель