Арматура котлов
Арматура и контрольно-измерительные приборы котлов
К арматуре котлов относятся: предохранительные устройства, водоуказательные приборы (ВУП), запорные и регулирующие устройства.
Предохранительные устройства.Согласно Правил, каждый котел (сосуд под давлением) должен иметь предохранительное устройство, автоматически выпускающее пар или воду, если их давление превысило допустимую величину. Паровые котлы с давлением до 0,07 МПа защищаются выкидными устройствами в виде гидравлических затворов (рис.45).

Рис. 45. Выкидное приспособление:
1 спускная линия; 2, 3 - трубы гидрозатвора; 4 – контрольный кран; 5 – труба, сообщающаяся с котлом; 6 – отверстия для возврата воды в гидрозатвор; 7 – бак; 8 – труба для выброса пара в атмосферу; 9 – водопровод.
При работе котла с избыточным рабочим давлением 0,07 МПа уровень воды во внутренней трубе гидрозатвора должен быть равен 7 м. (точнее – на 1 м выше, чтобы избежать частых срабатываний затвора при колебаниях давления пара). При повышении давления в котле пар вытесняет воду из внутренней трубы гидрозатвора в бак и выходит из котла в атмосферу. После снижения давления в котле вода снова заполняет затвор, возвращаясь из бака через отверстия в трубе.
При давлении более 0,07 МПа применяются рычажно-грузовые и пружинные предохранительные клапаны прямого действия (рис.46).


Рис. 46. Предохранительные клапаны:
1 – корпус; 2 – седло; 3 – тарелка; 4 – патрубок для отвода пара; 5 – рычаг; 6 – груз; 7 – регулировочный болт; 8 – пружина.
В рычажно-грузовом клапане тарелка запорного органа находится в седле, если силы давления пара меньше сил, создаваемых грузом. При превышении допустимого давления тарелка приподнимается и пар выходит из котла в атмосферу через отводящую трубу, присоединенную к патрубку клапана.
В пружинном клапане пружина прижимает тарелку к клапану, пока давление пара в норме. Затягивая пружину винтом, можно регулировать давление открытия клапана. Рычажно-грузовые и пружинные клапаны применяются при давлении до 4 МПа.
На каждом котле устанавливается не менее двух предохранительных клапанов. Кроме того, по одному предохранительному клапану устанавливается на входе и выходе воды из отключаемого экономайзера.
Клапаны регулируются на открытие при превышении давления на 3-10% от рабочего.
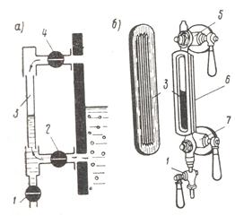
Водоуказательные приборы. Прибор состоит из стекла и труб, соединенных с паровым и водяным объемами котла. В трубах и после стекла установлены краны, которые служат для продувки соединительных труб и самого стекла от возможных загрязнений (рис.47).

Рис. 47. Водоуказательный прибор:
а– схема действия ; б – прибор с плоским рифленым стеклом:
1 – продувочный кран; 2 – водяной кран; 3 – стекло; 4 – паровой кран; 5 – верхняя головка; 6 – оправа; 7 – нижняя головка.
К корпусу, в который вставляется стекло, крепятся металлические указатели высшего и низшего допустимых уровней воды в котле. При давлении до 4 МПа применяются как рифленые, так и плоские стекла (пластины). Рифленая поверхность пластины преломляет свет таким образом, что вода в стекле кажется темной, а пар светлым.
На каждом котле должно быть не менее двух водоуказательных приборов прямого действия.
В водогрейных котлах уровень воды контролируется водопробными кранами, положение которых соответствует предельным значениям уровня воды. Пробный кран устанавливается в верхней части барабана котла, а при его отсутствии – на выходе воды из котла в магистральный трубопровод до запорного устройства.
Запорная и регулирующая арматура котлов.Арматура котла используется для управления работой котлов, посредством включения и отключения отдельных элементов, изменения расходов, давления и температуры рабочих сред.
При диаметрах прохода до 100-150 мм преимущественно применяются вентили (запорно-регулирующие устройства), а при больших диаметрах – задвижки (запорные органы). Для пропуска жидкости в одном направлении используются обратные клапаны.
Согласно требованиям Правил запорная и регулирующая арматура должна иметь четкую маркировку на корпусе, в которой должны быть указаны:
– наименование или товарный знак организации – изготовителя;
– условный проход;
– условное давление и температура среды;
– направление потока среды.
На маховиках арматуры обозначается направление вращения при открывании и закрывании арматуры.
Арматура устанавливается на котлах и присоединительных трубопроводах.
На верхнем барабане котла устанавливаются предохранительные клапаны с выхлопными трубами, водоуказательные приборы и манометры.
На паропроводе, соединяющим котел со сборным паропроводом котельной, вблизи барабана котла устанавливается главный запорный орган, который в котлах паропроизводительностью более 4 т/ч оборудуется дистанционным приводом с
выводом управления на рабочее место машиниста котла.

Рис.48. Задвижка клиновая с невыдвижным шпинделем:
1 – маховик; 2 – втулка; 3 – сальник; 4 – прокладка; 5 – крышка; 6 - шпиндель;
7 – уплотнительная прокладка; 8 – ходовая гайка; 9 – корпус; 10 – затвор; 11 – седло.

Рис. 49. Вентиль запорный фланцевый:
1 – маховик; 2 – ходовая гайка; 3 – сальник; 4 – крышка; 5– шпиндель; 6 – тарелка; 7 – седло; 8 – корпус; 9 – стойка

Рис. 50. Клапан обратный поворотный:
1 – ось; 2 – рычаг; 3 – диск; 4 – корпус; 5 – седло
Питательные трубопроводы подсоединяются к верхнему барабану котла через запорный орган (он ближе к барабану) и обратный клапан. У отключаемого по воде экономайзера обратный клапан и запорный орган устанавливаютсядо и после экономайзера.
У водогрейных котлов запорные органы устанавливаются на входе и выходе воды из котла.
У котлов с давлением более 0,8 МПа на каждом трубопроводе, по которому котловая вода выводится из котла, устанавливается не менее двух запорных органов, либо один запорный и один регулирующий органы.