Порядок выполнения работы
Лабораторная работа №16 Исследование последовательного и параллельного регистров
Цель работы: Построение схем и изучение принципа работы последовательного и параллельного регистров на D-триггерах
Вопросы для самоподготовки
1. Что такое регистры? Каково их назначение?
2. Расскажите об устройстве регистров.
3. Как подразделяются регистры по способу ввода и вывода информации.
4. Как подразделяются регистры по характеру представления информации.
5. Какие триггеры используются для построения регистров.
6. Нарисуйте схему и опишите принцип работы последовательного регистра.
7. Какие функции может выполнять последовательный регистр?
8. Нарисуйте схему и опишите принцип работы параллельного регистра.
9. Нарисуйте схему и опишите принцип работы параллельно-последовательного регистра.
10. Расскажите о реверсивных регистрах.
Порядок выполнения работы
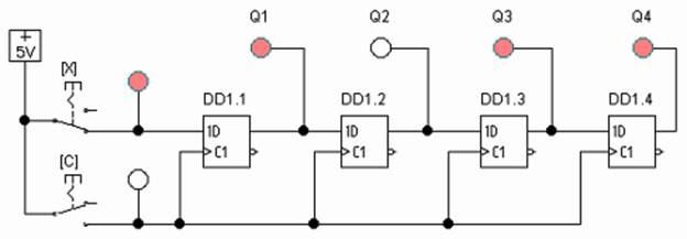
1. Собрать схему последовательного регистра на D-триггерах, изображенную на рисунке 1.

Рисунок 1 – Схема для исследования последовательного регистра
2. Включить схему.
3. При подаче на вход Х логических единиц и нулей кратковременно нажимать клавишу [С] для имитации тактового импульса. Наблюдать, как происходит запись данных в последовательный регистр
4. Собрать схему параллельного регистра (рисунок 2).
Рисунок 2 – Схема для исследования параллельного регистра
5. Подать на входы X, Y и Z трехзначное двоичное число.
6. Кратковременным нажатием клавиши [С] имитировать тактовый импульс.
7. Наблюдать запись числа в параллельный регистр.
8. Сделать вывод.