Конструирование корпусов
В корпусе редуктора размещаются детали зубчатых и червячных передач. При его конструировании должны быть обеспечены прочность и жесткость, исключающие перекосы валов.
Форма корпуса определяется в основном размерами расположенной в корпусе редукторной пары и кинематической схемой редуктора. При этом вертикальные стенки редуктора перпендикулярны основанию, верхняя плоскость крышки корпуса параллельна основанию – редукторная пара вписывается в параллелепипед (рис.2.15).
Поэтому конструирование редукторной пары, валов и подшипниковых узлов, проектные размеры которых предварительно определены в эскизном проекте, выполняется во взаимосвязи с конструированием корпуса.
Корпусные детали обычно имеют довольно сложную форму, поэтому их получают методом литья (в большинстве случаев) или методом сварки (при единичном или мелкосерийном производстве).
Основной материал корпусов - серый чугун не ниже марки СЧ – 45. Рекомендуют толщину стенки корпуса
, отвечающую требованиям технологии литья, необходимой прочности жесткости корпуса, вычислять по формуле
мм
где Т- крутящий момент на выходном валу редуктора, Нм

Рис.2.15.Габаритные размеры корпуса одноступенчатого редуктора:
а) цилиндрический, б) конический, в) червячный
Размеры корпуса определяет число и размеры размещенных в нем деталей, относительное их расположение, значение зазоров между ними. Ориентировочные размеры корпуса были определены при составлении компоновочной схемы и уточнены при разработки конструкции узлов. Теперь следует выполнить их окончательную конструктивную отработку.
Корпуса современных редукторов очерчивают плоскими поверхностями, убирая все выступающие элементы (бобышки подшипниковых узлов, ребра жесткости) внутрь корпуса. Такие корпуса обладают большей жесткостью, повышенной прочностью в местах расположения болтов крепления, уменьшением коробления при старении, возможностью размещения большего объема масла и отвечают современным требованиям технической эстетики. Однако масса корпуса из – за этого несколько возрастает, а литейная оснастка – усложняется.
Ниже рассмотрены общие вопросы конструирования корпусов на примере цилиндрического редуктора. Для других редукторов даны только рекомендации по специфическим вопросам.
На рис.2.16 и 2.17 показаны корпуса цилиндрических одноступенчатых редукторов

Рис.2.16.Корпус современного редуктора

Рис.2.17.Корпус редуктора
Для удобства сборки корпус выполняют разъемным. Плоскость разъема проходит через оси валов. Разработку конструкции начинают с прорисовки контуров нижней (корпуса) и верхней (крышки) частей.
Толщина стенки крышки корпуса
где
- толщина стенки корпуса.

Рис.2.18.Конструктивное оформление внутреннего контура редуктора
Из центра тихоходного вала проводят тонкой линией дугу окружности радиусом
R1=0,5dae2 + a,
где dae2 – наружный диаметр зубчатого колеса; а – зазор (см. выше)
Из центра быстроходного вала проводят дугу радиусом RБ, в которой принимают большее значение из следующих двух :
RБ=0,5dae1 + a, или RБ=0,5D + a,
где dae1 – наружный диаметр зубчатого колеса; D –диаметр отверстия в корпусе под подшипник быстроходного вала.
Для уменьшения массы крышки боковые стенки выполняют наклонными (на рис.2.18. показаны штриховыми линиями). Расстояние между дном корпуса и поверхностью колеса b0 ≈ 4а.
Для осмотра колес и других деталей редуктора и для заливки масла в крышке корпуса предусматривают окно (люк рис.2.17) возможно больших размеров. Форму окна, которое называется смотровым, принимают прямоугольным, реже – круглым.
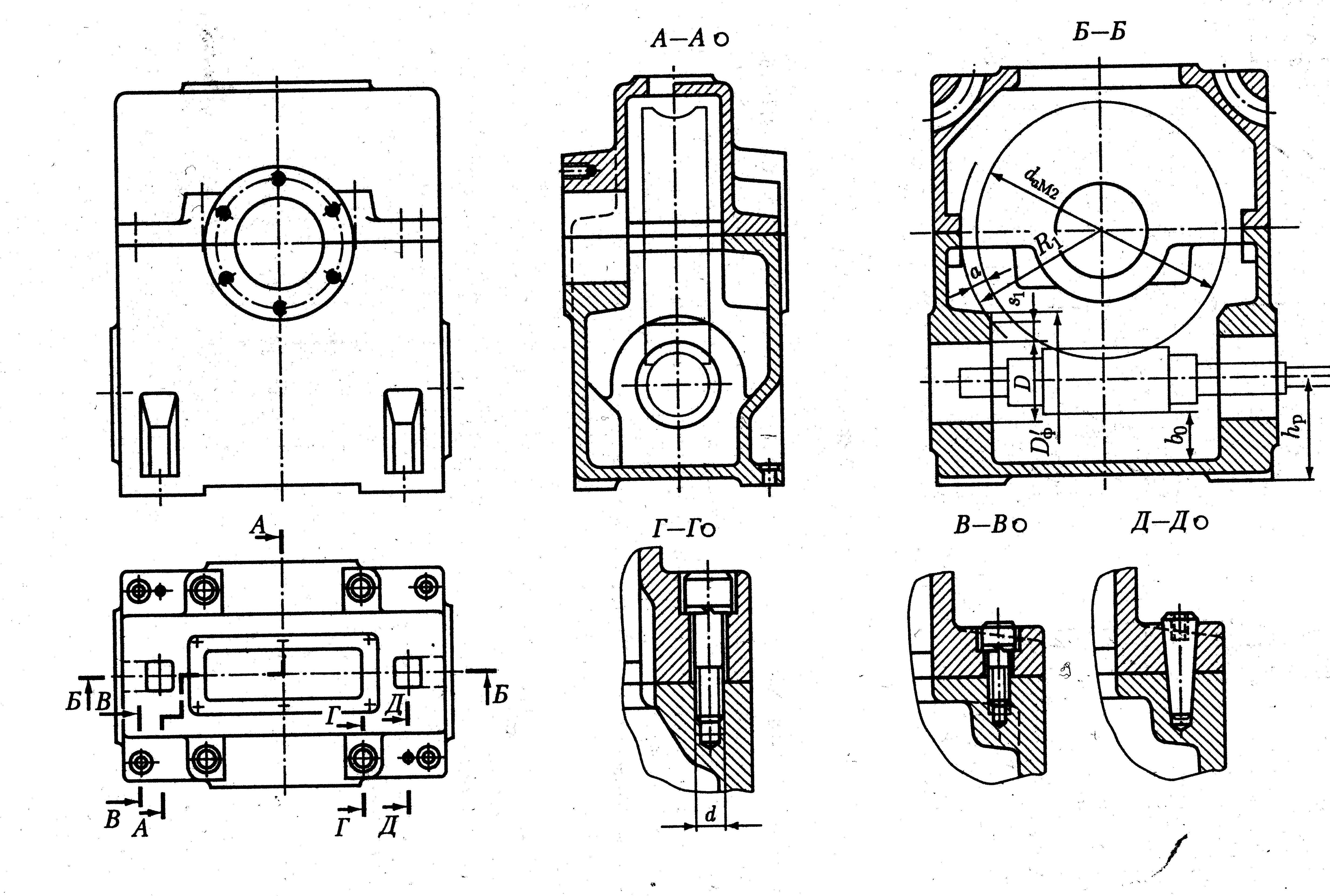
Несмотря на разнообразие форм корпусов, они имеют одинаковые конструктивные элементы – подшипниковые бобышки, фланцы, ребра, соединенные стенками в единое целое, - их конструирование подчиняется некоторым общим правилам. На рис. 2.19 – 2.22 даны различные конструкции корпусов цилиндрического, конического, и червячных редукторов, описание и определение размеров которых производятся в последовательности их рассмотрения.
.
Рис.2.19.Корпус цилиндрического одноступенчатого редуктора

Рис.2.20.Корпус одноступенчатого червячного редуктора с верхним расположением червяка

Рис.2.21.Корпус одноступенчатого червячного редуктора с нижним расположением червяка

Рис.2.22.Корпус червячного одноступенчатого редуктора с боковыми крышками