Выпрямительные приборы
Электромеханические приборы с преобразователями
Высокая чувствительность, точность и малое потребление энергии выгодно отличают магнитоэлектрические приборы от других электромеханических приборов. Ввиду этого стремятся использовать магнитоэлектрические приборы для измерений на переменном токе. Эта задача решается путем преобразования переменного тока в постоянный с последующим его измерением с помощью магнитоэлектрического измерительного механизма.
В качестве преобразователей переменного тока в постоянный используют выпрямительные и термоэлектрические преобразователи, а также преобразователи на электронных элементах (электронных лампах, транзисторах, интегральных микросхемах и т. п.). В соответствии с этим различают выпрямительные, термоэлектрические и электронные приборы.. Электронные приборы будут рассмотрены в разделе 4.5.
Выпрямительные приборы представляют собой соединение выпрямительного преобразователя и магнитоэлектрического измерительного механизма с отсчетным устройством.
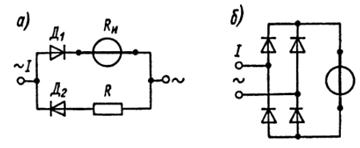
В выпрямительных приборах используют одно- и двухполупе-риодные диодные схемы выпрямления. При использовании схемы однопо-лупериодного выпрямления (рис.4.13,а) через измерительный механизм проходит только одна полуволна переменного тока, а обратная — пропускается через диод Д2 и резистор R. Цепь из диода Д2 и резистора R = RH используют для выравнивания обеих полуволн тока в общей цепи, а также для защиты от пробоя диода Д1 при обратной полуволне напряжения.

Рис.4.13. Схемы однополупериодного (а) и двухполупериодного выпрямления
При использовании схемы двухполупериодного выпрямления выпрямленный ток проходит через измерительный механизм в обе половины периода и, следовательно, чувствительность этих схем выше, чем однополупериодных. На рис.4,б показана наиболее распространенная двухполупериодная схема выпрямления — мостовая.
Выпрямительные свойства диодов характеризуют коэффициентом выпрямления
(4.22)
где Iпр и I0бР — токи, протекающие через диод в прямом и обратном направлении; Rnp и Rобр — соответственно прямое и обратное сопротивление диода. Значение kB зависит от приложенного к диоду напряжения, частоты протекающего тока и температуры окружающей среды.
Если измеряется переменный ток
, то мгновенный вращающий момент измерительного механизма при протекании по его катушке пульсирующего выпрямленного тока 
При использовании выпрямительного прибора в цепи переменного тока промышленной или более высокой частоты отклонение подвижной части измерительного механизма при однополупериодном выпрямлении определяется средним моментом
(4.23)
а при двухполупериодном выпрямлении
(4.24)
где Т — период; Iср — средний измеряемый ток.
Угол поворота подвижной части измерительного механизма при одно- и двухполупериодном выпрямлении соответственно
(4.25)
Из полученных выражений видно, что у выпрямительных приборов отклонение подвижной части пропорционально среднему измеряемому току.
При измерениях в цепях переменного тока обычно нужно знать действующий ток (напряжение). Учитывая, что действующий ток связан с равенством Icр = I/kф , где kф— коэффициент формы кривой тока,
(4.26)
Таким образом, выпрямительный прибор может быть градуирован в действующих значениях тока (напряжения) только для заданной формы кривой (для синусоиды kфс=1,11). Если же форма кривой измеряемого тока (напряжения) отлична от заданной, в показаниях прибора появляется погрешность.
Если коэффициент формы kф известен, то действующий ток несинусоидальной формы, измеренный прибором, градуированным по синусоидальному току, может быть определен по формуле:
(4.27)
Зависимость коэффициента выпрямления диодов от температуры, приложенного напряжения и частоты протекающего тока, а также влияние формы кривой измеряемого тока приводит к значительным погрешностям выпрямительных амперметров и вольтметров. Снижение погрешностей обычно производится путем включения дополнительных элементов коррекции в цепи приборов.
Сочетание магнитоэлектрического измерительного механизма, схемы выпрямления, шунта или добавочного резистора образует выпрямительный амперметр или вольтметр.
Выпрямительные приборы в большинстве случаев выполняют многопредельными и комбинированными. Этими приборами путем переключений элементов прибора с помощью переключателей можно измерять как постоянные, так и переменные токи и напряжения, а также измерять сопротивления по схеме омметра. Верхний предел измерений для выпрямительных приборов, выпускаемых отечественной промышленностью, составляет: тока — от 3 мА до 10 А, напряжения — от 75 мВ до 600 В (предел 75 мВ—только для постоянного напряжения), сопротивления — от 0,5 кОм до 5 МОм.
Из-за нелинейности вольт-амперных характеристик диодов при малых значениях переменных токов (напряжений) шкала в начальной части (0—15 %) неравномерная.
Выпрямительными приборами без частотной компенсации можно пользоваться для измерения токов и напряжений до частот 5000 – 10 000 Гц, в приборах с частотной компенсацией рабочий диапазон частот расширяется до 50 кГц. Точность выпрямительных приборов относительно невысока — класс точности обычно 1,5; 2,5.