Измерительные масштабные преобразователи
Масштабным называют измерительный преобразователь, предназначенный для изменения величины в заданное число раз. К ним относят шунты, делители напряжения, измерительные усилители, измерительные трансформаторы тока и напряжения.
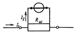
Шунты.
Для уменьшения силы тока в определенное число раз применяют шунты. Например, такая задача возникает в том случае, когда диапазон показаний амперметра меньше диапазона изменения измеряемого тока.
Шунт представляет собой резистор, включаемый параллельно средству измерений, как показано на рисунке. Если сопротивление шунта Rш = R/(n— 1), где R — сопротивление средства измерений; п = I1//I2— коэффициент шунтирования, то ток I2 в п раз меньше тока I1.

Рис.4.1. Схема включения шунта
Шунты изготавливают из манганина. В амперметрах для измерения небольших токов (до 30 А) шунты обычно помещают в корпусе прибора, для измерения больших токов (до 7500 А) применяют наружные шунты. Шунты могут быть многопредельными, т. е. состоящими из нескольких резисторов, или имеющими несколько отводов, что позволяет изменять коэффициент шунтирования. Классы точности шунтов от 0,02 до 0,5.
Делители напряжения
Для уменьшения напряжения в определенное число раз применяют делители напряжения, которые в зависимости от рода напряжения могут быть выполнены на элементах, имеющих чисто активное сопротивление, емкостное или индуктивное сопротивление. Серийно выпускают делители напряжения, предназначенные для расширения пределов измерений компенсаторов постоянного тока. Такие делители выполняют из резисторов на основе манганина. Они имеют нормированные коэффициенты деления и классы точности от 0,0005 до 0,01.

| Рис.4.2. Делитель напряжения | Рис.4.3. Вольтметр с добавочным сопротивлением |
Для увеличения верхнего предела измерения средства измерений, например, предела измерения вольтметра, имеющего внутреннее сопротивление Rv, применяют добавочные резисторы, включаемые последовательно с вольтметром. При этом добавочный резистор и вольтметр образуют делитель напряжения. Сопротивление добавочного резистора определяют по формуле
Rд = = RV [(Ux/Uv) - 1], (4.2)
где Ux — измеряемое напряжение; Uv — падение напряжения на вольтметре; Rv— внутреннее сопротивление вольтметра.
Добавочные резисторы делают из манганиновой проволоки и используют в цепях постоянного и переменного тока (до 20 кГц). Они бывают встраиваемые внутрь прибора и наружные. Серийно выпускают калиброванные добавочные резисторы, применяемые с любым прибором, имеющим указанный номинальный ток. Классы точности калиброванных добавочных резисторов от 0,01 до 1. Добавочные резисторы применяют для преобразования напряжения до 30 кВ. Номинальный ток добавочных резисторов or 0,5 до 30 мА.
Измерительные усилители
Для усиления сигналов постоянного и переменного тока, т. е. для расширения пределов измерения в сторону малых сигналов, применяют измерительные усилители. По диапазону частот усиливаемых сигналов измерительные усилители бывают для постоянного тока и напряжения, низкочастотными (20 Гц ‑ 200 кГц), высокочастотными (до 250 МГц) и селективными, усиливающими сигналы в узкой полосе частот. Измерительные усилители выполняют с нормированной погрешностью коэффициента передачи. Находят применение электронные и фотогальванометрические усилители.
Применение электронных измерительных усилителей позволяет измерять сигналы от 0,1 мВ и 0,3 мкА с погрешностью от 0,1 до 1 %. При меньших усиливаемых токах и напряжениях применяют фотогальванометрические усилители. Для усиления токов и напряжений от источников с большим внутренним сопротивлением используют электрометрические усилители, отличающиеся большим входным сопротивлением (до 1012 Ом). Серийно выпускаемые измерительные усилители имеют унифицированный номинальный выходной сигнал 10 В или 5 мА.