RC-генераторы.
Для получения гармонических колебаний низкой и инфранизкой частот (от нескольких сотен килогерц до долей герц) применяют RC-генераторы.
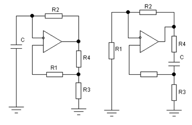
Представленная RС-цепь не осуществляет сдвига по фазе передаваемого сигнала на квазирезонансной частоте, т.е.
. Эта схема включается между выходом усилителя и неинвертирующим входом ОУ. Элементу
и
предназначены для получения требуемого коэффициента усиления. В схеме возникают автоколебания при соотношении
, частота которых определяется формулой
Если
и
, то частоту автоколебаний определяют из соотношения
, причем должно быть выполнено условие
.
Для получения гармонических колебаний с малыми искажениями используют инерционно-нелинейную цепь ООС. Нужный характер нелинейности обеспечивается тогда, когда с ростом амплитуды сигнала уменьшается сопротивление
или увеличивается
. Поэтому вместо
включается миниатюрный полупроводниковый терморезистор или вместо
- металлический терморезистор.
Другое представление схемы:

Мультивибратором называется генератор периодически повторяющихся импульсов прямоугольной формы. Мультивибратор является автогенератором и работает без подачи входного сигнала. Рассматриваемый генератор является симметричным и для него длительность импульса и паузы равны tи=tn=R2C×ln(1+
), при R3=R4 tи=tп=R2C×ln3, период повторения импульсов Тп=(tи+tп)=2tи, скважность Q=
. Изменяя t=R2C и величины R3, R4, можно регулировать длительность, частоту и амплитуду импульсов.
Предположим, что на выходе напряжение +12В, а на неинвертирующем входе +2В. Конденсатор заряжается через
до +2В. Так как напряжение на инвертирующем входе становится больше, чем на неинвертирующем входе, происходит переброс триггера Шмита, на выходе устанавливается максимальное отрицательное напряжение (-12В), на неинвертирующем входе -2В. Конденсатор перезаряжается через
до -2В и т.д.

Активные и пассивные фильтры. Фильтры высоких частот (ФВЧ) и низких частот (ФНЧ). Полосовой и режекторный (заградительный), LC и RC фильтры. Полоса пропускания, полоса заграждения, добротность, затухание, крутизна спада на переходном участке. Фильтры Баттерворта, Бесселя, Чебышева и др. Достоинства и недостатки. Фильтр Салена и Кея. Фильтр с параллельной ОС, универсальный и биквадратный фильтр, гиратор
Фильтры низких частот (ФНЧ) пропускают на выход все частоты, начиная от нулевой (постоянный ток) и до некоторой заданной частоты среза
, и ослабляют все частоты, превышающие
. Диапазон частот от 0 до
называется полосой пропускания, а диапазон частот, превышающих
- полосой подавления. Частота среза – это та частота, при которой напряжение на выходе фильтра падает до уровня 0,707 от напряжения в полосе пропускания (т.е. падает на 3 дБ),
- частота, при которой выходное напряжение на 3 дБ выше, чем выходное напряжение в полосе подавления.

Полосовой фильтр пропускает все частоты в полосе между нижней частотой среза
и верхней
. Все частоты ниже
и выше
ослабляются. Диапазоны частот от
до
и от
до
являются переходными участками.

Фильтры высоких частот (ФВЧ) ослабляют все частоты, начиная от нулевой и до частоты
, и пропускают все частоты, начиная от
и до верхнего частотного предела схемы.
Режекторный полосовой фильтр (заграждения) ослабляет вес частоты между
и
и пропускает все остальные частоты.

Пассивные фильтры построены из катушек индуктивности, конденсаторов и резисторов. Используемые в пассивных фильтрах катушки индуктивности обладают активным сопротивлением, межвитковой емкостью и потерями в сердечнике, что делает их свойства далекими от идеальных.
Активные фильтры содержат в своей конструкции усилитель.
Достоинства активных фильтров:
-
в них используются только R и C, свойства которых ближе к идеальным, чем у L; - относительно дешевы;
- могут обеспечивать усиление в полосе пропускания;
- обеспечивают развязку входа от выхода (высокое входное и низкое выходное сопротивление), следовательно, легко сделать многокаскадными;
- легко настраиваются;
- фильтры для очень низких частот могут быть построены из компонентов с умеренными значениями параметров.
Недостатки:
· нуждаются в источнике питания;
· рабочий диапазон частот ограничен максимальной рабочей частотой ОУ и не превышает несколько МГц.
Фильтры характеризуются порядком или количеством полюсов. Каждый полюс дает ослабление ~ 6 дБ/окт или 20 дБ/дек (в зависимости от типа частотной характеристики фильтра может быть > или < 6 дБ/окт).