Расчет теплопотерь на нагрев инфильтрирующегося воздуха
Определяем расход теплоты на нагрев инфельтрующегося воздуха поступающего в помещение через систему вентиляции
,
где L – расход удаляемого воздуха, м3/ч, принимаемый для жилых зданий 3 м3/ч на 1 м2 площади жилых помещений и 6 м3/ч на 1 м2 площади кухни;
ρ – плотность наружного воздуха, принимаем равной 1 кг/м3;
с – удельная теплоемкость воздуха, принимаем равной 1 кДж /(кг·°С);
tвн – температура внутреннего воздуха в помещении,·°С,
tн - температура наружного воздуха, ·°С,
F – площадь помещения, м2.
Данная величина рассчитывается для всех комнат первого этажа, для последующих этажей она остается неизменной.
Определяем расход теплоты на нагрев инфильтрирующегося воздуха поступающего через неплотности в световых проемах
В качестве учебного проекта инфильтрацию считаем только через световые проемы.
,
где Gi – расход инфильтрующегося воздуха, кг/ч, через ограждающие
конструкции;
k – коэффициент учета встречного теплового потока, принимаемый для окон и балконных дверей с раздельными переплетами равным 0,8, для одинарных окон и окон со спаренными переплетами – 1,0.
Для окон и балконных дверей величину Gi , кг/ч, определяют как
,
где Δрi – разность давлений воздуха, Па, на наружной рн и внутренней поверхностях рвн окон или дверей;
ΣАi – расчетные площади световых окон м2;
Ru – сопротивление воздухопроницанию ограждения, принимаемое 0,26 м2·ч/кг.
Разность давлений воздуха Δ рi , Па, определяем из уравнения
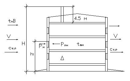
Δ рi = (H – hi ) · (γн – γвн ) + 0,5 · ρ · V2 · (Ce,n – Ce,p) · ki – Pint , Па,
где H – высота здания, м, от уровня земли до устья вентиляционной шахты (в бесчердачных зданиях устье шахты располагают на 1 м выше кровли, в зданиях с чердаком на 4–5 м выше верха чердачного перекрытия);
hi – расстояние, м, от уровня земли до верха окон или балконных дверей, для которых определяется расход воздуха;
γн, γвн – удельные веса наружного и внутреннего воздуха, Н/м2 определяемые по формуле:
и
;
1. V – расчетная скорость ветра, принимаем по СНиП 23-01-99* Строительная климатология для данного города строительства;
Ce,n и Ce,p – аэродинамические коэффициенты здания соответственно для наветренной и подветренной поверхностей.
Для здания прямоугольной формы Ce,n = 0,8, Ce,p = – 0,6;
ki – коэффициент учета изменения скоростного напора ветра в зависимости от высоты здания, принимается при высоте ограждения над поверхностью земли до 5,0 м равным 0,5, при высоте до 10 м – 0,65, до 20 м – 0,85, более 20 м – 1,1.
Pint – условно-постоянное давление воздуха, Па, возникающее при работе вентиляции с искусственным побуждением, для жилых зданий Pint = 0.
Схема расположения описанных параметров приведена на рисунке 7.

Рисунок 7. Схема параметров, определяющих инфильтрацию воздуха через оконный проем
Qинф рассчитывается для помещений первого и последнего этажей, для остальных находится методом линейной интерполяции (т.е. пропорционально).
После расчета сравниваются значения Qвен и Qинф, за расхода теплоты на нагрев инфильтрующегося наружного воздуха принимают большую из этих величин.
Все расчеты заносим в столбец 15 и 16 таблицы 2.