Схемы двухэтажных жилых домов









Назначение помещений: 1-гостиная; 2 – столовая; 3 – кухня; 4 – кухня-столовая; 5 – жилая комната (спальня); 6 – ванная; 7 – санузел; 8 – гардеробная; 9 – веранда; 10 – гараж; 11 – сауна; 12 – бассейн; 13 – бильярдная (тренажерный зал); 14 – совмещенный санузел
Приложение 2
Примеры выполнения архитектурно-строительных чертежей
Экспликация помещений
| № п/п | Наименование | № п/п | Наименование |
| Кухня-столовая | Коридор | ||
| Гостиная | Прихожая | ||
| Санузел | Кладовая |
Рисунок П2.1. Пример выполнения плана 1-го этажа

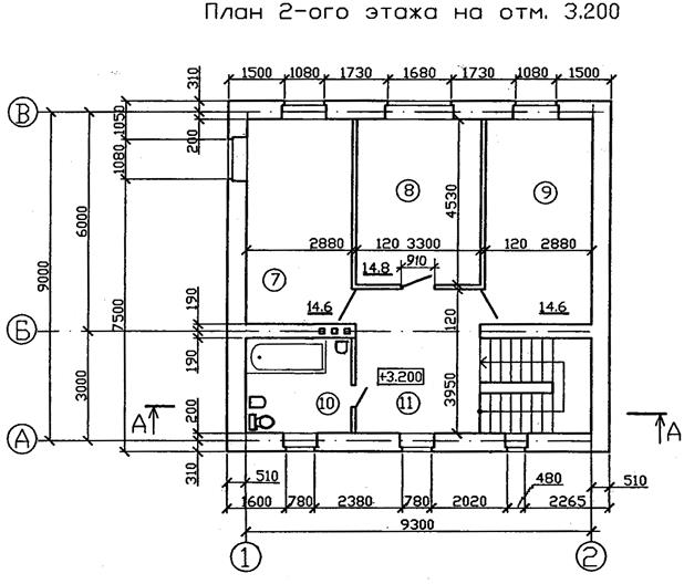
Рисунок П2.2. Пример выполнения плана 2-го этажа (М1:100)
Рисунок П2.3. Пример выполнения плана 2-го этажа (М1:200)