Трансформаторы с фазовым управлением. Принципиальная схема и регулирование режима в тиристорном трансформаторе
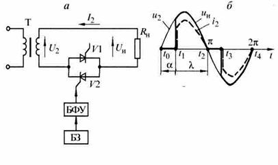
Тиристорным трансформатором (рисунок 3.5) принято называть комбинацию собственно трансформатора Т и полупроводникового регулятора V1, V2 с системой управления. Трансформатор Т служит для понижения сетевого напряжения до необходимого при сварке, иногда также используется для получения необходимой внешней характеристики и регулирования режима. Но обычно две последние функции –формирование характеристики и настройка режима — выполняются тиристорным регулятором. Фазовое управление, отличающее тиристорный трансформатор от ранее рассмотренных трансформаторов с амплитудным регулированием, осуществляется именно полупроводниковым регулятором.
Регулятор может устанавливаться как в первичной, так и во вторичной цепи трансформатора, поэтому его коммутирующие элементы V1 и V2 должны иметь достаточную мощность. В этом качестве чаще всего используются силовые управляемые вентили—тиристоры. В состав регулятора входят также блок фазового управления (БФУ), формирующий импульсные сигналы для включения тиристоров, и блок задания (БЗ), с помощью которого настраивают необходимое значение тока или напряжения.

Рисунок 3.5 – Тиристорный трансформатор: принципиальная схема (а), осциллограммы для трансформатора с нормальным (б) и увеличенным (в) рассеянием
При высоком коэффициенте усиления тиристоров фазовое управление трансформатором выполняется с помощью блоков БФУ и БЗ, собранных из слаботочных электрических элементов. Это придает источнику множество ценных свойств. При электрическом регулировании у трансформатора отсутствуют подвижные части, уменьшаются размеры регулировочных устройств, легко осуществляется дистанционное и программное управление режимом, формируются любые внешние характеристики, обеспечивается снижение напряжения до безопасного при длительном холостом ходе.
Принцип фазового управления проанализируем при работе трансформатора с нормальным рассеянием на линейную активную нагрузку (см. рисунок 3.5). Здесь регулятор включен в цепь вторичной обмотки и имеет два встречно-параллельно соединенных тиристора. При таком соединении один из тиристоров проводит ток в одну сторону, другой — в другую. Поэтому, хотя по каждому тиристору идет выпрямленный ток, в цепи дуги он переменный (рисунок 3.5, б). Предположим, что в первом полупериоде ток может пропускать тиристор V1, анод которого соединен с нижним зажимом трансформатора. Однако тиристор начнет пропускать ток не с момента t0, а с задержкой на электрический угол αв момент t1, когда на его управляющий электрод придет сигнал на отпирание от БФУ. Выключается тиристор только при исчезновении положительного потенциала на его аноде, т.е. в момент t2. Во втором полупериоде с такой же задержкой на угол αв момент t3 включается тиристор V2,выключится он в момент t4.
С увеличением угла управления αинтервал проводимости тиристора λ, сократится, и вместе с ним уменьшится напряжение на выходе тиристорного трансформатора Uи и сварочный ток I2:

Фазовое регулирование режима в тиристорном трансформаторе заключается в изменении угла включения тиристоров, в результате чего изменяется часть напряжения трансформатора, подаваемая на нагрузку.
Импульсная стабилизация (рисунок 3.7), как метод повышения устойчивости горения дуги, наиболее распространена. Кроме основного трансформатора Т1здесь имеется еще импульсный Т2с коэффициентом трансформации около 1. При включении любого из тиристоров V1 или V2по первичной цепи трансформатора Т2проходит кратковременный импульс зарядного тока конденсатора С1, который наводит во вторичной обмотке Т2стабилизирующий импульс тока iи. Достаточный для надежного повторного зажигания импульс напряжения при холостом ходе достигает 500 В, а при нагрузке может иметь амплитуду тока 100 А при длительности до 0,1 мс. Поскольку момент подачи импульса совпадает с моментом включения очередного тиристора, цепь импульсной стабилизации не нуждается в отдельной системе управления.

Рисунок 3.7 – Принципиальная схема (а) и осциллограммы (б) тиристорного трансформатора с импульсной стабилизацией
Искусственные внешние характеристики формируются за счет обратных связей по току и напряжению. Для получения крутопадающих внешних характеристик тиристорный трансформатор дополняют системой автоматического регулирования с отрицательной обратной связью по току (рисунок 3.8). Датчик тока ДТ формирует сигнал, пропорциональный фактическому сварочному току U= kI. Этот сигнал сопоставляется в блоке сравнения БС с сигналом Uдт-Uзтблока БЗ, пропорциональным заданному значению тока. Разность двух сигналов подается в блок фазового управления БФУ и воздействует на угол управления тиристоров а, а затем с помощью тиристорного блока ТБ и на напряжение источника. Например, при увеличении I2 угол α возрастает, что приводит к уменьшению напряжения источника Uи:


Рисунок 3.8 – Блок-схема тиристорного трансформатора
с отрицательной обратной связью по току
Необходимые внешние характеристики формируются в тиристорном трансформаторе естественным образом — в зависимости от индуктивного сопротивления трансформатора, и искусственно — с помощью обратных связей по току и напряжению, вводимых в тиристорный регулятор.
Формирование внешних характеристик в тиристорном выпрямителе
Необходимые (жесткие или крутопадающие) внешние характеристики в тиристорном выпрямителе могут быть сформированы как естественным, так и искусственным способом.
Естественные внешние характеристики имеют наклон, зависящий от сопротивления трансформатора. На рисунок 2.23, б была показана осциллограмма напряжения тиристорного выпрямителя при малом сопротивлении трансформатора. Перейдем теперь к более сложному случаю, когда сопротивление фазы трансформатора X≠0. В этом случае необходимо учитывать затянутую коммутацию, при анализе работы неуправляемых вентилей. На рисунок 2.23, в показана осциллограмма напряжения при затянутой коммутации вентилей. Как и на рисунок 2.23, б, в интервале Θ0—Θ2 в первой группе обмоток работает вентиль V5, потери напряжения иz в интервале Θ0—Θ2 вызваны задержкой включения тиристора V1 на угол α. С момента Θ2 включается вентиль V1, но вентиль V5 в отличие от процессов, показанных на рисунок 2.23, б, не отключается, а продолжает работать благодаря энергии, запасенной в индуктивности обмотки С1. Поэтому в интервале у коммутации от Θ2—Θ3 одновременно работают вентили V5 и VI, и на нагрузку от первой группы обмоток подается напряжение, равное полусумме потенциалов (uс1+ uа1)/2,а отнюдь не потенциал uа1, как было показано на рисунок 2.23, б. Напомним, что во второй группе обмоток в течение всего интервала Θ0—Θ3 работает обмотка В2 с вентилем V6. Таким образом, в тиристорном выпрямителе, как и в диодном, возможен 2-й (двух- трехвентильный) режим работы, т.е. попеременная работа вентилей то по два (V5 и V6 в интервале Θ0—Θ2), то по три (V5, V6 и V1 в интервале Θ2—Θ3). При увеличении сварочного тока Iд, которое вызовет затяжку коммутации γ до 60°, выпрямитель перейдет в 3-й (трехвентильный) режим работы.
Итак, затянутая коммутация приводит к дополнительным потерям напряжения их (рисунок 2.23, е). При увеличении сварочного тока Iдинтервал коммутации γ и потери Ux возрастают, а выпрямленное напряжение UB снижается, как и в случае с диодным выпрямителем:

Следовательно, естественная внешняя характеристика тиристорного выпрямителя при X≠0 — падающая.
Необходимый тип естественной внешней характеристики тиристорного выпрямителя задается конструкцией трансформатора. Жесткие характеристики получаются при использовании трансформатора с нормальным рассеянием, кругопадающие — трансформатора с увеличенным рассеянием.
При нагрузке вступает в работу уравнительный дроссель участок 1. Поскольку реальный трансформатор с нормальным рассеянием имеет небольшое, но все же заметное сопротивление фазы X≠0, то обычно выпрямитель работает во 2-м (двух-трехвентильном) режиме и имеет естественно пологопадающую характеристику 2 (рисунок 2.24, а).

Рисунок 2.24 – Естественные жесткие (а) и крутопадающие (б) внешние характеристики тиристорных выпрямителей
При большом сопротивлении трансформатора внешняя характеристика на участке 3получается крутопадающей (рисунок 2.24, б) при этом выпрямитель работает в 3-м режиме.
Искусственные внешние характеристики формируются за счет обратных связей. В этом случае выпрямитель нужно представить как замкнутую систему автоматического регулирования тока или напряжения (рисунок 2.25). На приведенной функциональной схеме толстой линией выделены элементы, обязательные для любого тиристорного выпрямителя. В силовой части схемы напряжение сети преобразуется трансформатором с нормальным рассеянием и после выпрямления тиристорным блоком и сглаживания фильтром подается на дугу. В слаботочной части блок задания БЗ формирует сигнал задания тока Uзт или напряжения Uзн, а блок фазового управления БФУ передает его к тиристорному блоку, формируя импульсы управления. Для создания системы автоматического регулирования с цепями обратных связей необходимы, кроме того, датчики выпрямленного напряжения и тока, датчик сетевого напряжения, а также блок сравнения БС сигнала задания с сигналом датчика. В конкретной конструкции может быть как одна из показанных пунктирной линией обратных связей, так и несколько.

ДНС – датчик напряжения сети; Т – трансформатор; ТБ – Тиристорный блок; ДН – датчик напряжения; ДТ – датчик тока; Ф – фильтр; БЗТ – Блок задания тока; БЗН – Блок задания напряжения; БС – Блок сравнения; БФУ – Блок фазового управления.
Рисунок 2.25 – Блок-схема тиристорного выпрямителя с обратными связями
Рассмотрим действие системы автоматического регулирования напряжения в выпрямителе с жесткими (пологопадающими) характеристиками. Выпрямленное сварочное напряжение Uв сравнивается в БС с заданным Uзн, и их разность Uзн-Uввоздействует через БФУ на угол управления α тиристоров. Если при снижении напряжения в сети или увеличении нагрузки выпрямленное напряжение понизится, то угол управления уменьшится, в результате чего выпрямленное напряжение возрастет почти до исходной величины:

Таким образом, выпрямленное напряжение стабилизируется, т.е. остается постоянным, независимым от колебаний нагрузки и напряжения сети. На рисунок 2.26, а тонкими линиями показаны естественные пологопадающие, а толстыми — полученные из них искусственные жесткие внешние характеристики, положение которых зависит только от значений заданного напряжения Uзт. Иногда ограничиваются стабилизацией только при колебаниях напряжения сети, в этом случае сигнал задания Uзн сопоставляется с сетевым напряжением Uс.
Для получения крутопадающей внешней характеристики используют действие отрицательной обратной связи по току, когда сигнал задания Uзт сопоставляется с напряжением Uдт датчика, пропорциональным сварочному току Iд. При введении отрицательной обратной связи с ростом тока угол управления тиристоров возрастает, что приводит к снижению выпрямленного напряжения:

На рисунок 2.26, б показано, как из естественных пологопадающих (тонкие линии) формируются искусственные крутопадающие характеристики (толстые линии).

Рисунок 2.26 – Внешние характеристики тиристорного выпрямителя, полученные за счет обратных связей
При введении положительной обратной связи по току можно получить пологовозрастающие, так называемые оптимизированные, внешние характеристики (рисунок 2.26, в). Они полезны при механизированной сварке в углекислом газе, поскольку при любом режиме обеспечивают оптимальное соотношение между сварочным током и напряжением Uд=18+0,04Iд, соответствующее минимальному разбрызгиванию электродного металла.
Искусственные внешние характеристики в тиристорном выпрямителе получаются благодаря обратным связям по напряжению или току. Стабилизация напряжения при жестких внешних характеристиках достигается введением отрицательной обратной связи по сварочному или сетевому напряжению. Крутопадающую характеристику обеспечивает введение отрицательной обратной связи по току.