Електромеханічна пластична обробка
Процес електромеханічної обробки металу може бути реалізований у двох основних видах — електромеханічним згладжуванням (ЕМЗ) та електромеханічною висадкою (ЕМВ).
Суть електромеханічної пластичної обробки (ЕМО) полягає в тому, що на оброблювану поверхню одночасно впливають тиск інструмента, який її деформує, і тепло, яке виникає в результаті проходження електричного струму між інструментом та деталлю. Це викликає зміцнення за рахунок поліпшення як фізико-механічних властивостей поверхневого шару, так і параметрів мікрорельєфу самої поверхні. Інструментом може бути нерухомо закріплена пластина з тороїдальною поверхнею або ролик, що обертається.
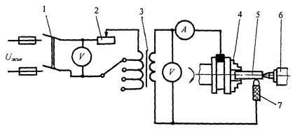
Принципова схема одного із варіантів ЕМО показана на рисунку 4.10.
Напруга мережі електричного струму знижується трансформатором 3. Значення напруги і струму регулюється залежно від площі контакту, вихідної шорсткості і вимог до якості поверхневого шару. Деталь 5 має обертальний рух, а інструмент 7 — поступальний.
Тепловиділення при цьому виді обробки відбувається внаслідок тертя між інструментом та оброблюваною деталлю, а також проходженням через неї електричного струму і деформації металу в поверхневому шарі. В результаті такого комбінованого впливу структура в поверхневому шарі являє собою подрібнений мартенсит. За рахунок виділення карбідної фази поверхневий шар на глибині 0,2…0,25 мм дещо зневуглецьовується. Кількість карбідних включень і їх дисперсність із збільшенням зусилля обкатки зростають, а максимальна величина ступеня наклепу при цьому не перевищує 15…16 %. Міцність поверхневого шару підвищується за рахунок збільшення густини дислокацій і більш рівномірного їх розподілу, збільшення довжини границь субзерен, утворення дислокаційних бар’єрів, створення вторинних фаз, що викликає подрібнення мартенситних голок в загартованій структурі.
|
| Рисунок 4.9 — Схеми вібраційного накатування поверхонь різної геометричної форми: а — циліндрична; б — гвинтова; в, д, е, ж — плоска; з — профільна; і — сферична; к — евольвентна |

Рисунок 4.10 —Принципова схема електромеханічної обробки деталі на токарному верстаті: 1 — вимикач; 2 — регулятор струму; 3 — трансформатор; 4 — патрон; 5 — деталь; 6 — задня бабка; 7 — інструмент
Доцільним є зміцнення на глибину не більше 0,75…1 мм, бо деформуючий вплив інструмента на більш глибокі шари змін у структурі металу не викликає. При обробці роликом, що обертається, глибина зміцнення поверхневого шару з похибкою 10…15% дорівнює
h = KBIU/V , (4.6)
де В — ширина контакту ролика з деталлю, мм;
К — коефіцієнт, що визначає ступінь зміцнення, зумовленого теплотою, яка виділяється при проходженні струму І (для умов обробки площин з глибиною зміцнення 0,4…1,6 мм коефіцієнт К = 3,1۰10-6);
U — напруга, В.
Процес ЕМО з точки зору металознавства, є найбільш схожий із термомеханічною обробкою металів (ТМО).
Розрізняють високотемпературну термомеханічну обробку (ВТМО), де деформування здійснюються при температурі, що вища від порога рекристалізації, і низькотемпературну термомеханічну обробку (НТМО), де деформування здійснюється при температурі нижчій від порога рекристалізації.
За результатами досліджень А.А.Бочвара температура порога рекристалізації чистих металів визначається за формулою: Tp = 0,4 Tn (Tn — температура плавлення металу).
Встановлено, що головною причиною підвищення міцності металу після ТМО є подрібнення структури, пов’язане з дробленням зерен аустеніту при деформуванні, і поява додаткових смуг ковзання. Все це сприяє зменшенню кількості мартенситних голок загартованої структури.
Пластичне деформування супроводжується підвищенням кількості лінійних недосконалостей атомної гратки, або так званих дислокацій, котрі характеризуються зміщенням атомів.
Густина дислокацій (кількість ліній дислокацій на 1 см2 поверхні) у вихідному металі складає приблизно 108 , а ковзання в процесі пластичного деформування призводить до підвищення густини дислокацій до 1010…1012. Підвищення густини дислокацій металу підвищує опір міцності пластично деформованого металу. Тому чим більш в’язкою є сталь, тим більше можливостей існує для підвищення її міцності шляхом пластичного деформування.
Таким чином, ТМО металів являє собою сукупність операцій пластичного деформування, нагрівання і охолодження, в результаті котрих формування кінцевої структури сплаву, а отже і його властивостей, проходить при підвищеній кількості недосконалостей кристалів, створених пластичним деформуванням при високих температурах.
Міцність при ВТМО підвищується за рахунок підвищення густини дислокацій і більш рівномірного їх розподілення, підвищення протяжності границь, субзерен, створення дислокаційних бар’єрів, утворення дисперсних вторинних фаз. Все це сприяє також зменшенню розмірів мартенситних голок в загартованій структурі.
Підвищення густини дислокацій підвищує опір подальшому ковзанню і сприяє підвищенню міцності пластично деформованого металу. Подальше підвищення густини дислокацій призводить до утворення субмікроскопічних тріщин. ВТМО, як правило, є чорновою операцією і пов’язана з глибоким термічним впливом, що не виключає проходження рекристалізаційних процесів, котрі знижують ефект зміцнення.
ЕМО характеризується деякими особливостями:
тепловий і силовий вплив на поверхневий шар здійснюється одночасно, а не послідовно; нагрівання при цьому супроводжується дією значних тисків;
нагрівання поверхневого шару проходить від двох джерел енергії: зовнішнього (теплота тертя) і внутрішнього (теплота, яка виділяється при проходженні струму). Теплота від другого джерела створюється одночасно і миттєво у всьому поверхневому шарі;
тривалість контакту і витримки залежно від поверхні контакту і швидкості обробки дуже мала (вимірюється сотими і тисячними частками секунди);
висока швидкість охолодження визначається інтенсивним відведенням тепла від тонкого поверхневого шару вглиб деталі;
поверхневий шар багаторазово обробляється залежно від кількості робочих ходів.
За ступенем впливу на структуру і властивості поверхневого шару відрізняють наступні режими зміцнення електромеханічним згладжуванням:
жорсткий режим, коли в поверхневому шарі значної глибини утворюється світла зона, а в перехідному шарі відсутня значна пластична деформація; такий режим характеризується фазовими перетворюваннями;
середній режим, коли в поверхневому шарі спостерігається однорідна (темна чи світла) зона, а перехідний шар, що лежить нижче за неї, сильно деформований.
Якщо температура нагріву вище Ас3 (для доевтектоїдних сталей), утворюється світла зона, пов’язана з фазовими перетвореннями, а якщо нижче Ас3 — утворюється темна зона.
Структуроутворення поверхневого шару в основному залежить від співвідношення параметрів режиму обробки.
Навіть у межах глибини світлої зони шару мікротвердість різна, що пояснюється різним силовим і тепловим впливом на окремі перерізи поверхневого шару.
Значне зниження тиску виключає можливість отримання світлої зони поверхневого шару. Необхідними умовами утворення світлої зони є також висока швидкість обробки і температура фазового перетворення. Наявність тиску уповільнює розвиток мартенситних голок в аустенітному зерні, що сприяє отриманню дрібнодисперсної структури. Величина тиску впливає на значення електричного опору контакту. Збільшення тиску знижує опір, а відповідно і електричну потужність та глибину інтенсивного зміцнення. Особливо це стосується випадків, коли сила струму має велику величину, що характерне для зміцнюючих режимів.
Збільшення швидкості нагрівання веде до підвищення твердості. Підвищена твердість при швидкісному нагріванні є наслідком утворення мартенситних кристалів значно менших розмірів порівняно із звичайним загартовуванням. Разом з тим, висока швидкість нагрівання при ЕМО сприяє неповному аустенітному перетворенню. Але під дією високих тисків структура поверхневого шару настільки подрібнюється, що перетворення іде навіть при високих швидкостях.
При достатньо глибокому зміцненні поблизу перехідної зони спостерігаються ділянки фериту і перліту, який не розчинився, що пояснюється зменшенням діючої сили і температури за глибиною поверхневого шару. Чим більш глибоке зміцнення необхідно здійснити, тим з меншими швидкостями обробки потрібно проводити процес.
Особливістю електромеханічної обробки є багатократна термомеханічна дія на поверхневий шар, котра залежить від кількості робочих ходів m
m = lN/S, (4.7)
де l — довжина контакту інструменту з деталлю, мм;
N — кількість робочих ходів;
S — повздовжня подача, мм/об.
Внаслідок того, що швидкість нагрівання при ЕМО дуже висока, повна рекристалізація при повторних робочих ходах пройти не встигає.
запитання для самоконтролю
1 Фізична суть процесу ППД. Які структурні зміни спостерігаються при ППД?
2 Схема процесу алмазного вигладжування. Властивості поверхні після ППД методом вигладжування.
3 Основні технологічні параметри процесу алмазного вигладжування. Їх вплив на шорсткість обробленої поверхні та характер розподілу внутрішніх напружень.
4 Схема та суть процесу дорнування.
5 Схема та класифікація процесів обкатування та розкатування.
6 Конструкція роликів для процесу ППД методом обкатування. З яких матеріалів вони виготовляються?
7 Суть та класифікація процесів дробоструменевого зміцнення. Який дріб використовується при дробоструменевій обробці?
8 Опишіть процес взаємодії дробини із оброблюваною поверхнею при гідродробоструменевій обробці.
9 Основні параметри дробоструменевої обробки. Їх вплив на шорсткість та твердість обробленої поверхні.
10 В яких випадках доцільно застосовувати дробоструменеве зміцнення?
11 Приведіть схему відцентрово-кульової обробки. Основні технологічні параметри цієї технології.
12 Схема та умови використання зміцнення вибуховою хвилею.
13 Класифікація методів вібраційної обробки ППД. Схеми обробки.
14 Суть електромеханічного зміцнення. Схема даного процесу зміцнення.
15 Особливості ЕМО.