Опыт холостого хода.
Описание установки.
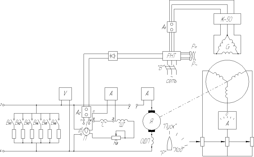
Лабораторный стенд для исследования характеристик трехфазного асинхронного двигателя с фазным ротором помимо собственно двигателя и нагрузочного устройства - электромагнитного тормоза содержит: выключатель питания и пускатель, преобразователь напряжения для регулирования подаваемого к двигателю напряжения, реостат, подключаемый к цепи ротора, а также регулятор тока возбуждения электромагнитного тормоза для изменения нагрузки двигателя. Кроме того, стенд имеет приборы для измерения питающего напряжения, фазных токов, потребляемой мощности, частоты вращения и момента на валу машины.

Рисунок 1 - Схема лабораторного стенда
Опыт холостого хода.
Режим, при котором к обмотке статора подводится напряжение сети, обмотка ротора замкнута, а на валу двигателя отсутствует механическая нагрузка, называется холостым ходом.В этом случае число оборотов ротора практически равно числу оборотов магнитного поля статора.
В режиме холостого хода снимаются зависимости
;
;
. Для этого напряжение, подведенное к статору двигателя с помощью индукционного регулятора (ИР). По мере разгона двигателя ступени пускового реостата постепенно выводят, и по окончании пуска, когда частота вращения ротора близка к синхронной
, реостат должен быть полностью выведен
.
После окончания процесса пуска регулятором напряжения (РН) устанавливают напряжение
и снимают первые показания приборов. Последующие показания приборов снимают при постепенном понижении напряжения U1 до величины U1=0,3 UН. Показания приборов записывают (табл.1).
Целесообразно сделать не менее 8 замеров.
Коэффициент мощности при холостом замыкании:
,
Мощность, потребляемая двигателем при холостом ходе, приходящаяся на три фазы:
.
Здесь α1, α2, α3 – показания ваттметра в делениях; Сw – цена деления ваттметра;
– реактивная составляющая тока холостого хода, А;
Таблица 1.
| № n/n | U0, В | I0, А | P0, Вт | cosφ0 | Iоμ, А | sinφ0 |
| 1,86 | 0,134 | 1,84 | 0,991 | |||
| 94,3 | 1,64 | 0,168 | 1,62 | 0,986 | ||
| 78,7 | 1,34 | 0,197 | 1,31 | 0,980 | ||
| 64,3 | 1,16 | 0,224 | 1,13 | 0,975 | ||
| 48,7 | 1,01 | 0,282 | 0,97 | 0,959 |



Опыт короткого замыкания.
При опыте короткого замыкания ротор двигателя замыкается накоротко и затормаживается. К обмотке статора подводится пониженное напряжение, чтобы ток в статоре не превышал (1,1
1,2)Iн.
При проведении опыта короткого замыкания вначале напряжение индукционного регулятора устанавливают на минимум, затем, путем постепенного увеличения подведенного к двигателю напряжения, увеличивают его ток до Iк = 1,2 Iн и снимают показания приборов.
Мощность короткого замыкания Pк с увеличением напряжения возрастает в квадратичной зависимости, так как потери в обмотках изменяются пропорционально квадрату тока.
Из-за насыщения зубцов полями рассеяния индуктивное сопротивление короткого замыкания xк несколько уменьшается с увеличением тока, поэтому зависимость Iк = f(U1) немного отклоняется от прямолинейной, а зависимость
значительно возрастает.
На основе измерений вычисляются следующии параметры:
Коэффициент мощности при коротком замыкании:
;
Мощность, потребляемая двигателем:
.
Таблица 2.
| № n/n | U, B | Iк, А | α1, дел. | α2, дел. | α3, дел. | Рк, Вт |
|
| 0,120 | |||||||
| 57,7 | 5,5 | 0,120 | |||||
| 52,7 | 0,118 | ||||||
| 48,7 | 4,5 | 0,110 | |||||
| 43,7 | 0,099 |


