Электрооборудование насосных станций поддержания пластового давления
Применение метода поддержания пластового давления обеспечивает повышение веса фонтанной добычи нефти. В систему подготовки закачки воды в нефтяные пласты входят водозаборные сооружения с насосной станцией первого подъема, водоочистные установки, насосные второго и третьего подъемов, насосные станции по закачке и нагнетательные скважины. В качестве насосных станций по закачке воды в нефтяные пласты применяются блочные кустовые насосные станции (БКНС), изготавливаемые на базе центробежных насосных агрегатов ЦНС-180 и ЦНС-500 производительностью 180-700 м /ч (табл. 9.1). Насосные агрегаты оснащены технологическими защитами от перегрева подшипников, падения давления масла в подшипниках, падения давления нагнетания, а также от больших утечек через сальники. Число агрегатов на БКНС - 2, 3, 4, один из которых резервный. Насосные агрегаты оборудуются ЭД серии СТД мощностью 800, 1250, 1600 и 4000 кВт с тиристорным возбудительным устройством ТЕ8-320. Генплан и компоновка БКНС на четыре агрегата приведены на рис. 9.2, 9.3. В блоке низковольтной аппаратуры и управления (рис. 9.4) установлены тиристорные возбудители ТЕ8-320, питающий его трансформатор, щит станции управления и станции автоматического переключения
ШУ8254-32А2. В БКНС предусмотрена установка двухсекционного РУ 6(10) кВ комплексованных из ячеек К-47 с выключателями ВКЭ-10 и ВК-10. Так как в сетке первичных соединений ячейки К-47 отсутствуют шкафы с вентильными разрядниками и шкаф с предохранителями для подключения КТПН 6/0,4 кВ с трансформаторами 250-400 кВА предусмотрена специальная конструкция (рис. 9.5), в которой помещаются трансформатор и предохранители. Типовым проектом предусмотрены три варианта электроснабжения БКНС: по В Л 6(10) кВ с кабельной вставкой; по кабельной линии 6(10) кВ; от КТПБ 35/6(10) кВ, расположенной па территории БКНС. (Один из вариантов электроснабжения БКНС от двух КТПБ 35/6 кВ приведен на рис. 9.6. Питание КНС осуществляется от одной подстанции, от другой - кустов эксплуатационных скважин, дожимных насосных установок и КТПН 6/0,4 кВ. Это позволяет получить остаточное напряжение на шинах 6 кВ подстанций в пределах допустимой.
180-700 м /ч (табл. 9.1). Насосные агрегаты оснащены технологическими защитами от перегрева подшипников, падения давления масла в подшипниках, падения давления нагнетания, а также от больших утечек через сальники. Число агрегатов на БКНС - 2, 3, 4, один из которых резервный. Насосные агрегаты оборудуются ЭД серии СТД мощностью 800, 1250, 1600 и 4000 кВт с тиристорным возбудительным устройством ТЕ8-320. Генплан и компоновка БКНС на четыре агрегата приведены на рис. 9.2, 9.3. В блоке низковольтной аппаратуры и управления (рис. 9.4) установлены тиристорные возбудители ТЕ8-320, питающий его трансформатор, щит станции управления и станции автоматического переключения
ШУ8254-32А2. В БКНС предусмотрена установка двухсекционного РУ 6(10) кВ комплексованных из ячеек К-47 с выключателями ВКЭ-10 и ВК-10. Так как в сетке первичных соединений ячейки К-47 отсутствуют шкафы с вентильными разрядниками и шкаф с предохранителями для подключения КТПН 6/0,4 кВ с трансформаторами 250-400 кВА предусмотрена специальная конструкция (рис. 9.5), в которой помещаются трансформатор и предохранители. Типовым проектом предусмотрены три варианта электроснабжения БКНС: по В Л 6(10) кВ с кабельной вставкой; по кабельной линии 6(10) кВ; от КТПБ 35/6(10) кВ, расположенной па территории БКНС. (Один из вариантов электроснабжения БКНС от двух КТПБ 35/6 кВ приведен на рис. 9.6. Питание КНС осуществляется от одной подстанции, от другой - кустов эксплуатационных скважин, дожимных насосных установок и КТПН 6/0,4 кВ. Это позволяет получить остаточное напряжение на шинах 6 кВ подстанций в пределах допустимой.
180-700 м /ч (табл. 9.1). Насосные агрегаты оснащены технологическими защитами от перегрева подшипников, падения давления масла в подшипниках, падения давления нагнетания, а также от больших утечек через сальники. Число агрегатов на БКНС - 2, 3, 4, один из которых резервный. Насосные агрегаты оборудуются ЭД серии СТД мощностью 800, 1250, 1600 и 4000 кВт с тиристорным возбудительным устройством ТЕ8-320. Генплан и компоновка БКНС на четыре агрегата приведены на рис. 9.2, 9.3. В блоке низковольтной аппаратуры и управления (рис. 9.4) установлены тиристорные возбудители ТЕ8-320, питающий его трансформатор, щит станции управления и станции автоматического переключения
ШУ8254-32А2. В БКНС предусмотрена установка двухсекционного РУ 6(10) кВ комплексованных из ячеек К-47 с выключателями ВКЭ-10 и ВК-10. Так как в сетке первичных соединений ячейки К-47 отсутствуют шкафы с вентильными разрядниками и шкаф с предохранителями для подключения КТПН 6/0,4 кВ с трансформаторами 250-400 кВА предусмотрена специальная конструкция (рис. 9.5), в которой помещаются трансформатор и предохранители. Типовым проектом предусмотрены три варианта электроснабжения БКНС: по В Л 6(10) кВ с кабельной вставкой; по кабельной линии 6(10) кВ; от КТПБ 35/6(10) кВ, расположенной па территории БКНС. (Один из вариантов электроснабжения БКНС от двух КТПБ 35/6 кВ приведен на рис. 9.6. Питание КНС осуществляется от одной подстанции, от другой - кустов эксплуатационных скважин, дожимных насосных установок и КТПН 6/0,4 кВ. Это позволяет получить остаточное напряжение на шинах 6 кВ подстанций в пределах допустимой.
|

1-блок низковольтной аппаратуры и управления; 2-блок дренажных насосов; 3-блок насосного агрегата; 4-РУ 6 (10) кВ; 5-подстанция КТПН-400; 6-блок напорной гребенки с водораспределительным пунктом; 7-блок электрооборудования водораспределительного пункта; 8-резервуар сточных вод

1-блок низковольтной аппаратуры и управления; 2-блок дренажных насосов; 3-блок насосных агрегатов

1-тиристорный возбудитель ТЕ8-320; 2-щиты станций управления; 3-трансформатор питания возбудителя; 4-станция автоматического переклю чения питания типа ШУ8254-32А2

Рис. 9.5. Конструктивная схема подключения разрядников РВРД и КТПН-400 наБКНС 1-КТПН-400; 2- РУ 6 кВ; 3-разрядник РВРД

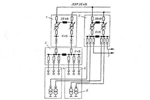
Рис. 9.6. Вариант электроснабжения БКНС
1-подстанция с трансформаторами 6,3 MB А; 2-подстанция с трансформаторами 2,5 МВА; 3-объединенное РУ 6 кВ; 4,5-БКНС с насосами ЦНС; 6-трансформатор 6/0,4 кВ мощностью 160 кВА; 7-промысловые линии 6 кВ
Для закачки поверхностных или пластовых вод в нагнетательные скважины с целью поддержания пластового давления применяют также установки погружных электроцентробежных насосов типа УЭЦП, состоящих из погружного электронасоса (насос и ЭД), кабеля, оборудования устья скважины, трансформатора и комплектного устройства для управления и защиты ЭД. ЭД трехфазный, асинхронный, с коротко-замкнутым ротором, погружной, водонаполненный, с трубчатым холодильником для дополнительной отдачи в окружающую среду теплоты, выделяющейся внутри ЭД во время его работы (табл. 9.2) состоит из статора, ротора, верхней и нижней опор с резиновыми подшипниками с резинометаллическими подпятниками со стальной пятой, узла циркуляции жидкости и трубчатого холодильника. Статор состоит из цилиндрического корпуса, в котором запрессован пакет штампованных листов из электротехнической стали с закрытыми пазами. В пазы пакета заложена обмотка из медных проводов с водостойкой полиэтиленовой изоляцией. Ротор цельнокованный с прямоугольными пазами, в каждый из которых заложены три стержня прямоугольной формы: нижний - из меди, средний - из стали, верхний - из латуни. Подвод электроэнергии к ПЭД осуществляется с помощью кабеля типа КПБК - кабель полиэтиленовый, бронированный круглый, напряжение 3000 В (табл. 9.3). Основные технические данные силовых трансформаторов для УЭЦП приведены в табл. 9.4. Управление и защита ПЭД осуществляются при помощи комплектных устройств КУПНА (табл. 9.5). Для районов с холодным климатом применяют КУПНА500-68М, с умеренным -КУПНА79.

Рис. 9.6. Вариант электроснабжения БКНС
1-подстанция с трансформаторами 6,3 MB А; 2-подстанция с трансформаторами 2,5 МВА; 3-объединенное РУ 6 кВ; 4,5-БКНС с насосами ЦНС; 6-трансформатор 6/0,4 кВ мощностью 160 кВА; 7-промысловые линии 6 кВ
Для закачки поверхностных или пластовых вод в нагнетательные скважины с целью поддержания пластового давления применяют также установки погружных электроцентробежных насосов типа УЭЦП, состоящих из погружного электронасоса (насос и ЭД), кабеля, оборудования устья скважины, трансформатора и комплектного устройства для управления и защиты ЭД. ЭД трехфазный, асинхронный, с коротко-замкнутым ротором, погружной, водонаполненный, с трубчатым холодильником для дополнительной отдачи в окружающую среду теплоты, выделяющейся внутри ЭД во время его работы (табл. 9.2) состоит из статора, ротора, верхней и нижней опор с резиновыми подшипниками с резинометаллическими подпятниками со стальной пятой, узла циркуляции жидкости и трубчатого холодильника. Статор состоит из цилиндрического корпуса, в котором запрессован пакет штампованных листов из электротехнической стали с закрытыми пазами. В пазы пакета заложена обмотка из медных проводов с водостойкой полиэтиленовой изоляцией. Ротор цельнокованный с прямоугольными пазами, в каждый из которых заложены три стержня прямоугольной формы: нижний - из меди, средний - из стали, верхний - из латуни. Подвод электроэнергии к ПЭД осуществляется с помощью кабеля типа КПБК - кабель полиэтиленовый, бронированный круглый, напряжение 3000 В (табл. 9.3). Основные технические данные силовых трансформаторов для УЭЦП приведены в табл. 9.4. Управление и защита ПЭД осуществляются при помощи комплектных устройств КУПНА (табл. 9.5). Для районов с холодным климатом применяют КУПНА500-68М, с умеренным -КУПНА79.
|

Комплектные устройства обеспечивают: работу УЭЦП в ручном и автоматическом режимах; автоматический самозапуск установки при появлении напряжения после его исчезновения с выдержкой времени от 0,5 до 10 мин; отключение работающей установки при увеличении силы тока ЭД более чем на 40-70% выше номинального с выдержкой времени 1,5-0,5 с; отключение установки при перегрузке ЭД по току на 15% выше номинального с выдержкой времени 20 с; отключение установки при срыве подачи жидкости насосом и снижении силы тока ЭД ниже 0,85 1Н с выдержкой времени 20 с; контроль за работой ЭД при помощи амперметра (в том числе регистрирующего) и вольтметра; отключение установки при отклонении напряжения питающей сети выше 10 и ниже 15% номинального значения, если это отклонение приводит к недопустимой перегрузке или недогрузке ЭД по току, с автоматическим самозапуском после восстановления напряжения; непрерывный контроль за сопротивлением изоляции с действием на отключение без выдержки времени при снижении сопротивления изоляции системы ЭД - кабель ниже 30±4 кОм; автоматическую работу установки в зависимости от уровня воды в скважине при установке датчиков уровня воды; невозможность повторного включения установки после срабатывания защит всех видов (за исключением случая понижения напряжения на 15 или повышения на 10% от номинального, приводящего к недопустимой перегрузке или недогрузке ЭД по току); возможность настройки на месте эксплуатации защиты от превышения или снижения силы тока ЭД; наружную световую сигнализацию об аварийном отключении; возможность управления установкой с диспетчерского пункта; возможность подключения программного реле КЭП-12У, поставляемого по отдельному заказу; возможность подключения геофизических приборов на 220 Ви ток до 6А.