Мультивибраторы

Автоколебательным мультивибратором (MB) называется устройство, которое не имеет ни одного устойчивого состояния, а периодически находится в одном из двух квазиустойчивых состояний, переход в которые происходит регенеративно. Мультивибраторы работают в режиме автоколебаний. При этом они генерируют импульсы прямоугольной или близкой к прямоугольной формы, амплитуда, длительность и частота повторения которых зависят от параметров компонентов мультивибратора.

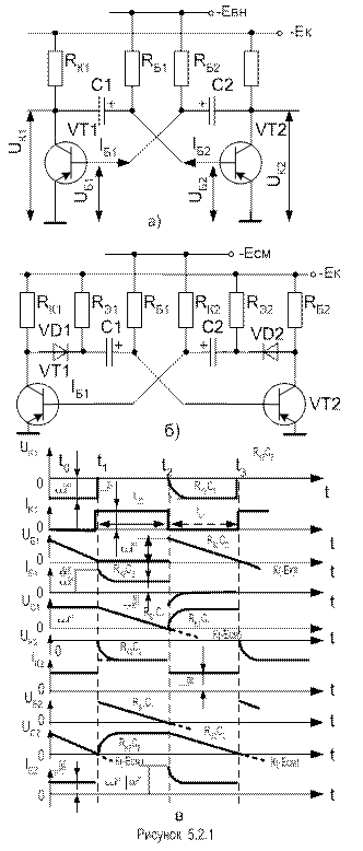
Мультивибратор на дискретных элементах. Простейшая схема MB, выполненного на дискретных элементах, представлена на рис. 5.2.1, а. Она состоит из двух усилителей-инверторов на транзисторах VT1и VT2, соединенных между собой коллекторно-базовыми положительными обратными связями через конденсаторы С1и С2. В качестве времязадающих используются RС-цепи, переходные процессы которых показаны на рис. 5.1.1, в. Работа мультивибратора в течение одного полного периода иллюстрируется временными диаграммами на рис. 5.2.1, б. Для упрощения анализа на этих диаграммах токи ІК0 не учитываются, падение напряжения на открытом транзисторе считается равным нулю, длительность переходных процессов в транзисторах при переключении схемы считается пренебрежимо малой по сравнению с переходными процессами во времязадающих цепях.

Начнем анализ схемы с момента t1. До этого момента транзистор VT1 закрыт и его коллекторное напряжение практически равно- ΕК, коллекторный ток равен нулю (более точно iК1 = IК0, а иК1 = - ΕК + ІК0 RК1). Транзистор VT2открыт и стянут в точку, его коллекторный токiК2 = IКн2, а коллекторное напряжение UК2≈0. Открытое состояние VT2обеспечивается током базы

iБ2 = ІБи2, протекающим от источника Εсм через сопротивление резистора RБ1. Запертое состояние VT1 обеспечивается положительным напряжением конденсатора С2, подключенного через открытый транзистор VT2прямо к эмиттерному переходу транзистора VT1, т.е. иБ1 = иС2.

Конденсатор С1 заряжен через эмиттерный переход открытого транзистора VT2и сопротивление резистора RК1 до напряжения ≈ EК.

Такое состояние схемы устойчиво только временно (квазиустойчиво), поскольку напряжение на конденсаторе С2 не остается постоянным. Конденсатор С2 перезаряжается от напряжения EК к напряжению -Eсм. Однако в момент t1 когда иС2 = uБ1 ≈ 0, транзистор VT1 начинает открываться, его коллекторное напряжение по модулю уменьшается, коллекторный ток возрастает. Базовый ток открытого транзистора VT2 зависит от трех источников напряжения: -E см, uC1≈ ЕКиuК1 (t).

В силу быстротечности процессов переключения напряжение uC1 за это время практически не изменяется и процесс изменения тока базы iБ2 полностью определяется изменением напряжения иК1(t). Уменьшение (по модулю) этого напряжения приводит к уменьшению iБ2 и транзистор VT2 начинает закрываться. Это вызывает уменьшение коллекторного тока iК2 и увеличение (по модулю) коллекторного напряжения uК2, что по цепи обратной связи передается в базу транзистора VT1, вызывая рост его базового тока iБ1 и еще большее его отпирание и т. д. Таким образом, как показано на временных диаграммах (рис. 5.2.1, в), в моментt1 схема практически мгновенно переходит во второе квазиустойчивое состояние, в котором транзистор VT1открыт, а транзистор VT2закрыт. Это состояние обеспечивается тем, что заряженный ранее до напряжения EК конденсатор С1 через открытый транзистор VT1 подключен к базе транзистора VT2, обеспечивая его надежное запирание в течение всего второго квазиустойчивого состояния.

С момента t1начинаются медленные переходные процессы в схеме. Суть их сводится к следующему. Ток базы транзистора VT1 iБ1 сначала скачком увеличивается, так как в первый момент этот ток определяется в основном составляющей, протекающей от источника напряжения ЕК через разряженный конденсатор С2 и резистор RК2, величина сопротивления которого значительно меньше сопротивления резистора RБ2. По мере заряда конденсатора С2 ток базы iБ1 уменьшается до своего квазиустановившегося состояния γ ІБн1, где γ = 1,2 … 1,5. Ток базы транзистора VT2 iБ2 в момент переключения меняет свой знак из-за подключения к эмиттерному переходу запирающего напряжения иС1 конденсатора С1, а по окончании процессов рассасывания объемного заряда базы и заряда паразитных емкостей становится равным нулю.

Напряжение на коллекторе транзистора VT2, несмотря на то, что его коллекторный ток уменьшается скачкообразно до нуля, устанавливается не сразу, а нарастает по экспоненциальному закону с постоянной времени RК2C2. Это объясняется зарядом конденсатора С2через резистор RК2.

Напряжение на конденсаторе С1 иС1 = иБ1 уменьшается по экспо-ненциальному закону с постоянной времени RБ1C1, изменяясь от начальной величины ЕК к напряжению источника смещения - Есм. В момент времени t2 uС1= = uБ10 происходит обратное переключение схемы, ход процессов в течение которого не отличается от рассмотренного.

Недостатком схемы простейшего MB является завал фронтов импульсов коллекторного напряжения. Этот недостаток устранен в схеме (рис. 5.2.1, б). Здесь восстановление заряда конденсаторов С1 и С2 происходит не через коллекторные сопротивления RK1 и RК2, а через специальные зарядные сопротивления Rз1 и Rз2. Диоды VD1 и VD2 не влияют на работу времязадающих цепей RБ1 С1 и RБ2 С2, но препятствуют протеканию зарядного тока в процессе восстановления напряжения на конденсаторах через коллекторные резисторы. Переходные процессы формирования uK1 и иК2 показаны на временных диаграммах (рис. 5.2.1, в) штриховыми линиями.

Рассмотрим основные соотношения, описывающие работу MB, по его эквивалентной схеме для одного из квазиустойчивых состояний (когда VT1 открыт, a VT2 закрыт - рис. 5.2.2). В этой схеме открытый транзистор VT1заменен эквипотенциальной точкой, закрытый транзистор VT2- источником ІКо. Заряженный конденсатор С1 опущен, так как не влияет на процессы, происходящие на этом этапе. Конденсатор С1 перезаряжается.

Квазиустойчивое состояние этой схемы определяется двумя условиями:

1) ток iБ1 должен быть не меньше тока базы насыщения ІБн1;

2) напряжение иБ2 должно быть больше нуля.

Второе условие выполняется самим принципом построения схемы

(uБ2 = uС1 > 0), а для выполнения первого запишем значение базового тока iБ1:

(5.2)

Так как ІБн1= то условие (7 .2) можно переписать в виде

(5.3)

откуда можно определить максимально допустимое значение сопротивления резистора RБ2

(5.4)

Если принять Есм = kEк, то неравенство (5.4) окончательно запишется

RБ2 ≤ βminkRК1 (5.5)

При Eсм = ЕК RБ2 ≤ βminRК1

Временные параметры схемы можно определить, пользуясь уравнением (5.1) и эквивалентной схемой замещения. Величины U(∞), U(0) и Uпор для данной эквивалентной схемы принимают значения:

U(∞) = Eсм + ІК0RБ1;(5.6)

U(0) = -(-EК + ІК0RК1);(5.7)

Uпор = 0(5.8)

Подставляя значение U(∞), U(0) и Uпор в уравнение (5.1), получим длительность импульса на выходе транзистора

return false">ссылка скрыта

(5.9)

где τ1 = RБ1C1.

Учитывая, что RБ1 >> RК1, и обозначив = υ, получим

. (5.10)

Здесь величина υ является фактором теплового тока, характеризующим отношение последнего к насыщающему току базы.

Аналогично для второго полупериода

, (5.11)

где τ2 = RБ2С2.

Если тепловой ток ІК0 очень мал (кремниевые транзисторы или низкая рабочая температура), а напряжение Eсм = EК, то формулы (5.10) и (5.11) упрощаются:

tи1 = τ1ℓn2 ≈ 0.7С1R1; (5.12)

tи2 =τ2ℓn2 ≈ 0.7С2R2; (5.13)

В полностью симметричном мультивибраторе, в котором RБ1 = R Б2 = R; C1 = C2 = C,длительности полупериодов будут одинаковыми и полный период равен

T = tи1 + tи2 = 2RCℓn (5.14)

В факторе υ скрыта температурная зависимость длительности генерируемых импульсов, а следовательно, и рабочей частоты. С увеличением температуры возрастает ток ІК0, т. е. фактор υ, длительность импульсов уменьшается, а рабочая частота возрастает.

Регулировать частоту колебаний мультивибратора, как видно из формул (5.10) и (5.11), можно, изменяя постоянные времени τ1 и τ2 или коэффициент k, т. е. значение напряжения смещения Eсм. Наиболее предпочтительно регулировать частоту изменением емкости конденсаторов С1 и С2, так как при этом не изменяются квазиустановившиеся режимы работы транзисторов. Однако изготовление конденсаторов с переменной емкостью является сложной задачей. Поэтому при необходимости изменять частоту в широком диапазоне используют ступенчатое подключение конденсаторов, разбивая весь диапазон регулирования на поддиапазоны, а внутри каждого поддиапазона регулируют величину напряжения смещения или величину сопротивлений резисторов RБ1 и RБ2. Следует отметить, что при изменении Есм изменяется частота колебания мультивибратора без изменения скважности. При изменении же постоянных времени τ1 и τ2, независимо друг от друга, изменяются и частота, и скважность генерируемых импульсов.