ЦВ, исп. Метод двойного интегрирования.

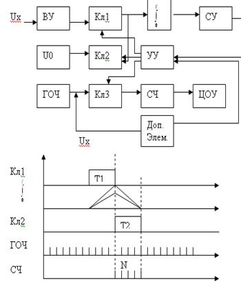
Ux*T1=U0*T2 Ux=U0*T2/T1=U0*N2*T0/N1*T0=U0*N2/N1
Здесь образуются два временных интервала в течение цикла измерения. Длительность цикла измерения устанавливается кратно периоду помехи. Это приводит к повышению помехоустойчивости вольтметров.
Где - интегратор.
Принцип работы: В момент времени Т1 на вход интегратора подаётся напряжение Ux в результате на выходе интегратора образуется напряжение определённой величины см. график. После этого на вход интегратора подаётся U0- опорное напряжение в обратной полярности до тех пор пока напряжение на выходе интегратора не станет равным нулю.
И измеряемое напряжение пропорционально U0 и отношению между Т1 и Т2, которые соответственно пропорциональны N1 и N2. В остальном же по работа по схеме аналогично с вольтметром с время- импульсным преобразованием.