Автоматизация процессов сборки изделий.

Сборочные процессы в механосборочном производстве характеризуются высокой трудоёмкостью, достаточно большим объёмом ручных работ, а также недостаточной механизацией и автоматизацией. Трудоёмкость сборочных работ в среднем в машиностроении составляет 25-30%, в приборостроении 40-50% всей трудоёмкости изготовления изделия.

В общем случае процесс сборки содержит следующие основные операции:

1. Ориентация с требуемой точностью опорных поверхностей деталей, подлежащих сборке и находящихся в любом положении на рабочем месте.

2. Захват детали и перемещение её в пространстве к сопрягаемой детали.

3. Базирование детали подлежащей монтажу с требуемой точность относительно поверхностей сопрягаемой детали.

4. Присоединение устанавливаемой детали к ранее смонтированной с требуемой точностью.

Таким образом, для осуществления автоматической сборки необходимо иметь сборочную машину, которая на основе заложенной в ней программы производит все перечисленные выше действия, заменяя сборщика и решая при этом пространственную задачу. Следовательно, в общем случае любая сборочная машина должна решать пространственную задачу сборки с помощью размерных цепей, замыкающими звеньями которых являются расстояния или относительные повороты поверхностей сопрягаемых при сборке деталей. Таким образом, для разработки автоматической сборочной машины следует использовать все положения теорий кинематических и размерных цепей, а также все методы достижения требуемой точности.

 
 

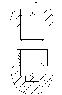
Большое значение для обеспечения возможности автоматической сборки имеет определённость базирования детали. В качестве примера рассмотрим схемы различных соединений валика и втулки при разных способах базирования. При их соединении сопряжение возможно в случае определённости базирования обеих деталей, при которых смещение осей не превышает наименьшей величины зазора плюс удвоенная величина фаски валика.

Неопределённость базирования вызывает необходимость предусматривать мероприятия по исключению этого явления в процессе сборки. Наиболее удачен способ базирования в том случае, когда сборочными базами являются поверхности сопряжения. В этом случае можно обеспечить минимальную погрешность установки.


 
 

Состав технологического процесса автоматической сборки.

Основные операции автоматической сборки выполняются на следующих переходах:

1. Загрузка сопрягаемых деталей в бункерные или другие загрузочные устройства и подача их в захватывающие, отсекающие и подающие устройства в предварительно или окончательно ориентированном виде.

2. Захват, отсекание и подача сопрягаемых деталей в ориентирующее и базирующее устройство сборочного приспособления.

3. Ориентация с требуемой точностью относительного положения поверхностей сопрягаемых деталей на базирующих сборочных устройствах.

4. Соединение и фиксация сопряженных деталей с требуемой точностью.

5. Контроль требуемой точности относительного положения сопряженных деталей или сборочной единицы.

6. Выгрузка и транспортирование готовой сборочной единицы.

Процесс сопряжения представляет собой этап, при котором производится сборка, т.е. одна или несколько деталей соединяются с основной базирующей, обычно неподвижной деталью.

Процесс фиксации достигнутой точности сопряжения в зависимости от типа соединения может иметь или не иметь дополнительных сборочных операций (стопорение и т.д.).

Контроль наличия сопрягаемых деталей на сборочных и базирующих устройствах и контроль требуемой точности относительного положения сопряженных деталей являются необходимыми элементами сборочных устройств, от которых зависит качество сборки и работоспособность сборочных устройств. Наличие контроля позволяет своевременно устранять возникшие в процессе сборки дефекты бункерных, отсекающих и подающих устройств и обычно при отсутствии хотя бы одной детали работа сборочного устройства останавливается.

Из всего многообразия соединений, входящих в сборочные единицы выделяются типовые соединения детали по цилиндрическим и коническим поверхностям (40%), резьбовым (20-25%) и плоским поверхностям (10-12%).

Сборку типовых, наиболее распространенных изделий можно рассматривать как ряд типовых задач соединения деталей по перечисленным видам поверхностей. При разработке последовательности технологического процесса автоматизированной сборки изделия в первую очередь производится анализ технических требований на изготовление изделия, сборку которого предполагается автоматизировать. Анализируются те требования, которые в той или иной степени могут оказать влияние на процесс автоматической сборки, на выполнение отдельных сборочных операций и качество сборки в целом. В ходе анализа выясняется возможность автоматизации сборки изделия. Собираемое изделие разбивается на отдельные сборочные единицы и соединяемые по отдельности детали и разрабатывается маршрутная карта и технологическая схема автоматической сборки.

Технологическая схема автоматической сборки определяет базовую деталь, ее перемещение по позициям сборки, выбор загрузочных и других устройств, устанавливает последовательность выполнения всех переходов и операций. Одновременно производится анализ сборочной единицы и составляющих ее отдельных элементов на технологичность с точки зрения автоматической их сборки. Большая роль при разработке технологического процесса автоматической сборки принадлежит собираемости деталей сборочных единиц.

Условия собираемости деталей – такие условия, максимально допустимого несовпадения или несовмещения поверхностей соединяемых деталей, при которых сопряжение возможно, например, при соединении деталей по их цилиндрическим поверхностям должны быть установлены допустимые смещения осей и их относительные повороты. При отсутствии гарантированного зазора в сопряжении, относительный поворот осей или поверхностей сопрягаемых деталей должен быть минимальным, т.е. таким, который допускается погрешностью изготовления поверхностей исполнительных и базирующих устройств, но при этом должно соблюдаться обязательно следующее условие: в процессе сопряжения одна из деталей должна иметь возможность смещения и поворота в пределах ее относительного положения для полного совпадения осей или полного смещения сопрягаемых поверхностей.

Выбор метода достижения точности в процессе автоматизации сборки.

При автоматизации сборки могут применяться различные методы достижения точности. От правильности выбора метода зависит качество сборки и работоспособность сборочного устройства.

Наиболее удобен для автоматизации сборки метод полной взаимозаменяемости.

Применение метода неполной взаимозаменяемости вызывает в процессе автоматизации определённые трудности (расширение допуска, повышение риска получения брака). Метод достаточно эффективен при условии равенства количества деталей в одноименных размерных группах за определенный цикл производства. Это возможно в том случае, если закон распределения размеров сопрягаемых деталей соответствует закону стабильности технологического процесса за достаточно большой промежуток времени.

В процессе автоматизации сборки может применяться метод пригонки. Автоматизированная окончательная обработка одной из сопрягаемых деталей по фактически полученному размеру другой детали позволяет в ряде случаев автоматизировать процесс пригонки. Данный метод применяется при сборке высокоточных изделий, например плунжерных пар топливных насосов. Точность автоматизированной пригонки зависит только от точности измерительных средств и станков, осуществляющих пригонку.


 
 

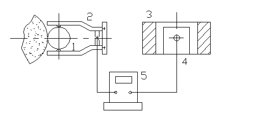
Рассмотрим схему пригоночного шлифования.

1 – обрабатываемый вал;

2 – измерительная скоба;

3 – втулка;

4 – пробка пневматического контрольного устройства;

5 – отсчетное устройство.

При использовании метода регулировки с неподвижным компенсатором из всех деталей, собираемых с помощью автоматов, измеряется только одна, а остальные измеряются автоматически, непосредственно в процессе сборки. По такому методу осуществляется автоматическая сборка шарико- и роликоподшипников. Роль неподвижных компенсаторов выполняют шарики.

Использование при автоматической сборке подвижных компенсаторов вызывает ее усложнение, т.к. это связано с автоматическим измерением величины замыкающего звена и способом компенсации его погрешностей. Метод применяется в том случае, когда определяется положение одной детали относительно другой, например, при автоматическом ввинчивании шпилек или болтов в корпусную деталь, автоматически учитывается их высота.