Пневматические схемы тормозного оборудования. 3 страница
При зарядке тормозной сети воздух из ГР поступает в питательную магистраль (ПМ), откуда через устройство блокировки тормозов (БТ) № 367 подходит к поездному крану машиниста (КМ) № 395, который обеспечивает зарядку уравнительного резервуара (УР) объемом 20 л. и крану вспомогательного локомотивного тормоза (КВТ) № 254. По отводам ПМ сжатый воздух через разобщительный кран 3 и фильтр (Ф) № Э-114 подходит к электропневматическому клапану автостопа (ЭПК) № 150, а также через клапан максимального давления (КМД) № ЗМД к реле давления (РД) № 304. КМД понижает давление питательной магистрали с 9,0 кгс/см2 до 5,0 кгс/см2.
Через КМ сжатый воздух поступает в тормозную магистраль (ТМ), из которой имеются отводы к скоростемеру (СЛ), через разобщительный кран 4 к ЭПК и через разобщительный кран 5 к воздухораспределителю (ВР) № 483. Через ВР из тормозной магистрали происходит зарядка запасного резервуара (ЗР) объемом 55 л. На отводе ТМ установлено также реле давления воздуха (РДВ) типа АК-11Б.
При падении давления в ТМ ниже 2,7 – 3,2 кгс/см2 контакты РДВ размыкаются и обеспечивают перевод тягового генератора тепловоза в режим холостого хода. Таким образом, РДВ исключает приведение тепловоза в движение при давлении в ТМ менее 4,5 кгс/см2.
Тормозная магистраль может сообщаться с питательной магистралью через обратный клапан КО2 № Э-175 и разобщительный кран 1 (кран холодного резерва), который открывается только в случае пересылки тепловоза в недействующем (холодном) состоянии. При движении тепловоза с составом или при следовании резервом разобщительный кран 1 закрыт.
При торможении КВТ воздух из питательной магистрали через устройство блокировки тормозов БТ поступает в магистраль тормозных цилиндров (МТЦ) и далее в тормозные цилиндры (ТЦ) первой тележки. Из МТЦ сжатый воздух поступает также в управляющую камеру реле давления (повторителя) РД, которое срабатывает на торможение и наполняет ТЦ второй тележки из питательной магистрали через КМД. Отпуск тормоза производится постановкой ручки КВТ в поездное положение. При этом через КВТ выходит в атмосферу воздух из ТЦ первой тележки и из управляющей камеры реле давления РД, которое в свою очередь опорожняет в атмосферу ТЦ второй тележки.
При снижении давления в ТМ поездным краном машиниста КМ воздухораспределитель ВР срабатывает на торможение и пропускает сжатый воздух из ЗР в импульсную магистраль ПМ, к которой подключен «ложный тормозной цилиндр», - резервуар -компенсатор РКР объемом 5 л. По импульсной магистрали воздух проходит в КВТ, который срабатывает как повторитель. и сообщает питательную магистраль с ТЦ первой тележки и с управляющей камерой реле давления РД. Реле давления срабатывает на торможение и наполняет ТЦ второй тележки из ПМ через КМД. Для обеспечения отпуска тормозов необходимо установить ручку КМ в положение I или II. При этом давление в ТМ повышается и ВР, сработав на отпуск, выпускает воздух в атмосферу из импульсной магистрали, а кран вспомогательного тормоза КВТ - из ТЦ первой тележки и управляющей камеры РД. Реле давления, в свою очередь, выпускает воздух в атмосферу из ТЦ второй тележки.
На каждой тележке тепловоза установлено по шесть тормозных цилиндров № 553 диаметром 8".
Для вождения соединенных поездов тепловоз оборудован устройством пневматической синхронизации работы кранов машиниста. Это устройство включает в себя магистраль синхронизации (МСТ) с соединительным рукавом и трехходовой кран 6, соединенный штуцерами с КМ и УР.
При управлении тормозами соединенного поезда по системе синхронизации на локомотиве в середине состава концевой рукав магистрали синхронизации соединяют с тормозной магистралью хвостового вагона и открывают концевые краны. Трехходовой кран 6 устанавливают в положение «Синхронизация включена», а ручку крана машиниста КМ переводят в IV положение и закрепляют специальной скобой для исключения перемещения ее в положения I, IIи III. Таким образом, уравнительный резервуар УР сообщается через кран 6 с атмосферой, а полость над уравнительным поршнем крана машиниста КМ с тормозной магистралью хвостового вагона первого поезда. Следовательно, изменение давления воздуха в ТМ первого поезда вызывает перемещение уравнительного поршня КМ локомотива, находящегося в середине соединенного поезда, что, в свою очередь, приводит к торможению или к отпуску тормозов.
Для следования тепловоза в холодном состоянии в одной кабине блокировка тормозов БТ должна быть включена, ручка крана машиниста КМ установлена в положение экстренного торможения, а крана вспомогательного локомотивного тормоза - в поездное положение. Во второй кабине устройство блокировки тормозов выключают, а ручки КМ и КВТ устанавливают в VI положение. Комбинированные краны на БТ в обеих кабинах устанавливают в положение двойной тяги, разобщительные краны 3 и 4 к ЭПК перекрывают. На каждой секции необходимо установить ВР на средний режим торможения, перекрыть разобщительный кран 3 между третьим и четвертым ГР и открыть кран холодного резерва 1. Скоростемеры и пневматические цепи вспомогательных аппаратов должны быть отключены от источников сжатого воздуха соответствующими разобщительными кранами, концевые краны питательной магистрали закрыты, а соединительные рукава ПМ сняты.
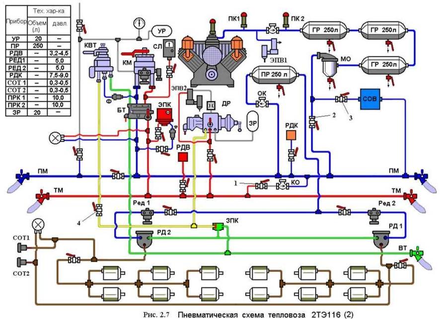
Пневматическая схема (рис. 2.7) тепловозов 2ТЭ116 последующих выпусков (до № 1540) подверглась существенной модернизации. Один из главных резервуаров объемом 250 л стал выполнять функции питательного резервуара (ПР). Он подключен к питательной магистрали через обратный клапан КО3 № Э-175. Питательный резервуар ПР обеспечивает наполнение ТЦ в случае саморасцепа секций тепловоза.
На тепловозе установлена система осушки сжатого воздуха (СОВ), которая может быть отключена разобщительным краном 3.
Объем запасного резервуара ЗР уменьшен до 20 л. Реле давления (РД1, РД2) установлены на каждой тележке. Сжатый воздух к обоим реле давления подводится из питательного резервуара через соответствующие редукторы давления (РЕД1, РЕД2) № 348, которые понижают давление ПМ до 5,0 кгс/см2.
К трубопроводам тормозных цилиндров подключены сигнализаторы отпуска тормозов (датчики-реле давления) СОТ1, СОТ2 типа Д250Б. Их контакты в цепи сигнальных ламп замыкаются при давлении в ТЦ более 0,4 кгс/см2.
Кран вспомогательного локомотивного тормоза КВТ включен по независимой схеме, для чего разобщительный кран 4 закрывают. Отпуск тормозов локомотива при заторможенном составе осуществляется кнопкой, расположенной на пульте машиниста. Нажатием этой кнопки подается питание на электропневматический вентиль ЭПВ2, который через дроссель (Др) вытекает воздух из рабочей камеры воздухораспределителя в тормозную магистраль. Для получения ступенчатого отпуска тормозов локомотива при заторможенном составе ВР должен быть включен на горный режим отпуска.
При торможении КВТ воздух из ПМ проходит в магистраль вспомогательного тормоза (МВТ) и далее через переключательный клапан № 3ПК поступает в управляющие камеры реле давления РД1 и РД2, которые, сработав на торможение, наполняют из питательного резервуара ТЦ обеих тележек.

При снижении давления в ТМ поездным краном машиниста КМ воздухораспределитель ВР срабатывает на торможение и через переключательный клапан № 3ПК сообщает ЗР с управляющими камерами реле давления РД1 и РД2, которые, в свою очередь наполняют из ПР тормозные цилиндры обеих тележек.
Торможение секций при их саморасцепе или при разъединении соединительных рукавов между секциями обеспечивается срабатыванием на торможение воздухораспределителя при падении давления в ТМ и дальнейшим наполнением ТЦ из питательного резервуара ПР, воздух из которого не может выйти в атмосферу, благодаря наличию обратного клапана КОЗ.
Конструктивные изменения внесены также и в систему пневматической синхронизации работы кранов машиниста. Магистраль синхронизации объединена с питательной магистралью и снабжена двумя разобщительными кранами 5и 6, а вместо трехходового крана используется стоп-кран 7. Таким образом, при управлении тормозами соединенного поезда по системе синхронизации на локомотиве в середине состава концевой рукав питательной магистрали соединяют с тормозной магистралью хвостового вагона и открывают концевые краны. Разобщительный кран 6 перекрывают, кран 5 открывают, а ручку крана ~ устанавливают в положение синхронизации.
Включение КВТ по независимой схеме несколько изменило порядок подготовки тепловоза к следованию в холодном состоянии.
Для этого необходимо в обеих кабинах установить ручки КМ в положение экстренного торможения, а ручки КВТ в крайнее тормозное (VI) положение, выключить устройство блокировки тормозов БТ, установить комбинированный кран этого устройства в положение двойной тяги и перекрыть разобщительные краны на ЭПК. На каждой секции установить ВР на средний режим торможения и равнинный режим отпуска, перекрыть разобщительный кран 2 и открыть кран холодного резерва 1. Скоростемеры и пневматические цепи вспомогательных аппаратов должны быть отключены от источников сжатого воздуха соответствующими разобщительными кранами, концевые краны питательной магистрали закрыты, а соединительные рукава ПМ сняты.
После подготовки тепловоза к следованию в недействующем состоянии все ручки разобщительных кранов должны быть опломбированы.
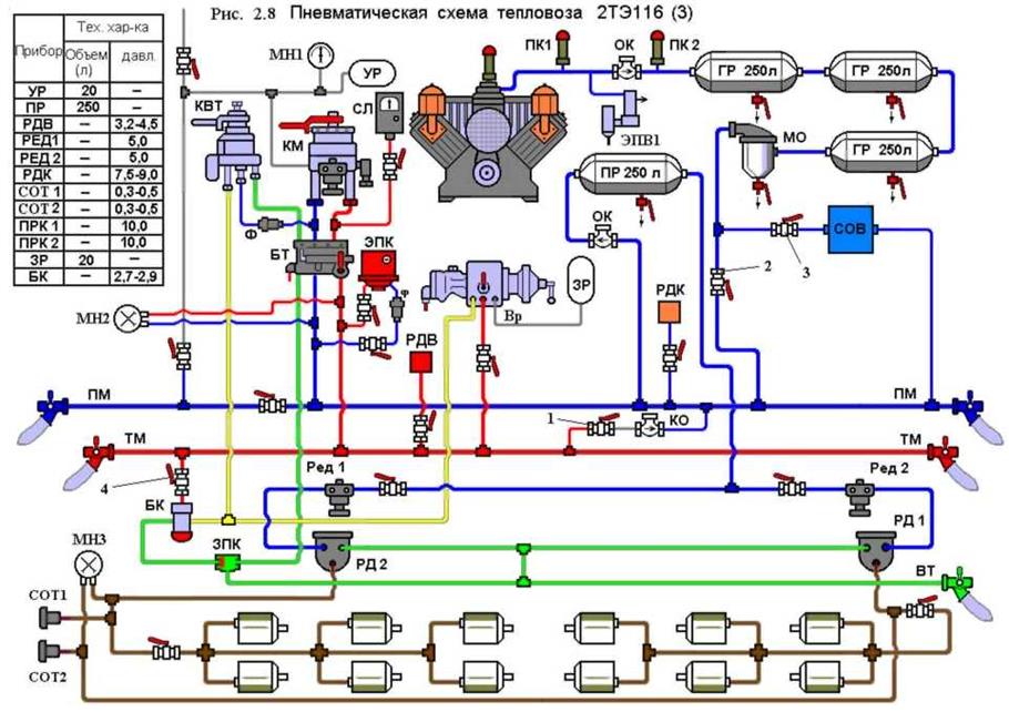
Пневматическая схема тепловозов 2ТЭ116 последующих выпусков (рис. 2.8) с № 1540 дополнена блокировочным клапаном (БК), обеспечивающим самоторможение секций при саморасцепе. Установка блокировочного клапана обусловлена тем, что кран вспомогательного локомотивного тормоза на этих локомотивах включен по повторительной схеме. Вместо реле давления (повторителей) № 304 используются реле давления № 404.

Блокировочный клапан подключен к отводу ТМ через разобщительный кран 4 и соединен, с оной стороны, с импульсной магистралью ИМ, а с другой стороны, через переключательный клапан № 3ПК с управляющим камерам РД1 и РД2.
В случае снижения давления в тормозной магистрали ТМ до 2,7 – 2,9 кгс/см2 (например, при саморасцепе секций) срабатывает на торможение воздухораспределитель ВР и сообщает ЗР с импульсной магистралью. При этом блокировочный клапан БК открывает проход воздуха из ИМ через переключательный клапан № 3ПК в управляющие камеры реле давления РД1 и РД2. Реле давления, сработав на торможение, наполняют ТЦ обеих тележек воздухом из питательного резервуара ПР. Поскольку питательный резервуар соединен с ПМ через обратный клапан КО2, то при разъединении межсекционных рукавов воздух из ПР в атмосферу не уходит. Объем ПР позволяет обеспечить в ТЦ давление около 2,0 кгс/см2. Нормальная работа блокировочного клапана восстанавливается при повышении давления в тормозной магистрали более 3,0 кгс/см2.
Тепловозы 2ТЭ116 с реостатным тормозом дополнительно оборудованы редуктором давления № 348, отрегулированным на давление 2,0 – 2,2 кгс/см2 и установленным в пневматической цепи замещения реостатного тормоза, электроблокировочный клапаном, исключающим совместное действие электрического и пневматического тормоза, датчиком-реле давления, отключающим реостатный тормоз при давлении в ТЦ более 1,4 кгс/см2, а также электропневматическими вентилями блокировки тормоза и замещения тормоза.
Схема пневматического тормозного оборудования электровоза ЭП-1.Пассажирский электровоз переменного тока ЭП-1 оборудован пневматическим автоматическим, электропневматическим. прямодействующим (неавтоматическим), ручным и электрическим (рекуперативным) тормозом.
На электровозе (рис. 2.9)установлены два основных двухцилиндровых двухступенчатых мотор-компрессора (К) типа ВУ 3,5/10-1450. Компрессоры через два обратных клапана (К01, КО2) № 3-155 нагнетают сжатый воздух в три последовательно соединенных главных резервуара (ГР) общим объемом 1020 л и далее через разобщительный кран 15 в питательную магистраль (ПМ). Главные резервуары оборудованы дистанционно управляемыми выпускными клапанами (ЭПВ1, ЭПВ2, ЭПВЗ) типа КП-110. На напорном трубопроводе между компрессорами и ГР установлены два предохранительных клапана (КП1, КП2) № Э-216. отрегулированные на давление 10,0 кгс/см2, а также разгрузочные клапаны (ЭПВ4, ЭПВ5) типа КР-1. Обратные клапаны КО1, КО2 служат для разгрузки клапанов компрессоров после их остановки от давления воздуха главных резервуаров, а разгрузочные клапаны ЭПВ4, ЭПВ5 предназначены для обеспечения облегченного запуска электродвигателей компрессоров при каждом их включении. Разгрузочные клапаны в момент щека компрессоров сообщают с атмосферой участок трубопровода между компрессором и обратным клапаном.

Работой электродвигателей компрессоров управляет один из двух регуляторов давления РГД1 или РГД2 (датчиков-реле давления типа ДЕМ102-1-02-2), установленных на отводе ПМ. РГД автоматически включает электродвигатель компрессора при давлении воздуха в ГР 7,5 кгс/см2 и отключает его при давлении в ГР 9,0 кгс/см2. На электровозе предусмотрена возможность включения в работу обоих компрессоров как одновременно, так и поочередно.
Для очистки сжатого воздуха, поступающего из ГР в питательную магистраль, на ней установлены два влагосборника (ВО1, ВО2) № 116. На ПМ установлен также датчик избыточного давления (ДТ5) типа СТЭК-1-0,5Н. Из ПМ воздух поступает к приборам и устройствам, расположенным в обеих кабинах управления: через устройства блокировки тормозов (БТ) № 367 А к поездным кранам машиниста (КМ1, КМ2) № 395М-4-01-2 и к кранам вспомогательного локомотивного тормоза (КВТ1, КВТ2) № 254, через разобщительные краны 1 к электропневматическим клапанам автостопа (ЭПК) № 150, через разобщительные краны 2 и редукторы давления (РЕД1) № 348, отрегулированные на давление 1,0 кгс/см2, к ручным пневматическим клапанам (на рисунке не показаны) системы омывки лобовых стекол. Через кран машиниста происходит зарядка уравнительного резервуара (УР) объемом 20 л.
Из питательной магистрали сжатый воздух через обратный клапан (КОЗ) № Э-175 поступает в питательный резервуар (ИР) объемом 150 л и через разобщительные краны 3 и 4 в резервуар управления (РУ) объемом 150 л. На трубопроводе к РУ между разобщительными кранами 3 и 4 подключен отвод к вспомогательному компрессору типа ВВ 0,05/7-1000 и резервуару главного выключателя (на рисунке вспомогательный компрессор и резервуар главного выключателя не показаны). Из резервуара управления через фильтр (Ф) № Э-114 и редуктор давления (РЕД2) № 348, отрегулированный на давление 5.0 кгс/см2, сжатый воздух проходит в цепи управления токоприемниками и электропневматическими аппаратами.
Из питательного резервуара через разобщительный кран 5, открытый в рабочем состоянии электровоза, сжатый воздух подходит к реле давления (РД4) - повторителю № 404. В рабочем состоянии электровоза разобщительный кран 8 закрыт, поэтому воздух из ИР к редуктору давления (РЕД5) № 348 не поступает, а проходит по трубопроводу к реле давления (РД1, РД2, РДЗ) № 404, установленным на каждой тележке. Из питательного резервуара через разобщительный кран 6, фильтр (Ф) № Э-114и редуктор давления (РЕДЗ) № 348, отрегулированный на давление 7,0 кгс/см2, сжатый воздух поступает к пневматическому устройству (ПУ1) типа УПН-3, а через разобщительный кран 7, фильтр Ф и редуктор давления (РЕД4) № 348, отрегулированный на давление 1,7 кгс/см2, к пневматическому устройству (ПУ2)типа УПН-3. Пневматическое устройство УПН-З предназначено для дистанционного управления подачей сжатого воздуха и включает в себя электромагнитный вентиль ЭВ-5, состоящий из электромагнита и распределительной клапанной коробки.
Через поездной кран машиниста (КМ1илиКМ2) и устройство блокировки тормозов БТ сжатый воздух из ПМ доходит в тормозную магистраль (ТМ), откуда через воздухораспределитель (ВР) № 292М (в комплекте с электровоздухораспределителем № 305) происходит зарядка запасного резервуара (ЗР) объемом 5,5 л. На трубопроводе от ВР к ЗР установлены выпускные клапаны 13 (№ 31). Из ТМ через разобщительные краны 9 воздух поступает к ЭПК автостопа, а также к сигнализаторам давления (ДС1) № 115А и к разобщительным кранам 10, оборудованных электрическими блокировками (БЭ) типа БЭ-37. Электрическая блокировка БЭ служит для включения экстренного торможения с поста помощника машиниста с одновременным отключением тягового режима и включением песочниц и звукового сигнала.
На тормозной магистрали имеются также отводы к скоростемерам, установленным в каждой кабине управления (на рисунке не показаны).
На трубопроводе ТМ установлены пневматические выключатели управления (ВУП1, ВУП2) типа ПВУ-5 и датчик избыточного давления (ДТ6) типа СТЭК-1-0,5Н. ВУП1 разбирает схему рекуперативного торможения при снижении давления в тормозной магистрали менее 2,7 – 2,9 кгс/см2, а замыкает свои контакты при давлении в ТМ 4,5 - 4,8 кгс/см2. ВУП2 исключает возможность приведения электровоза в движение при давлении в ТМ менее 4,5 -4,8 кгс/см2.
Тормозная магистраль может сообщаться с питательной через обратный клапан (КО4) № Э-175 и разобщительный кран 11 (кран холодного резерва). При движении тепловоза с составом или при следовании резервом разобщительный кран 11 закрыт.
Электровоз оборудован системой автоматического управления тормозами (САУТ). В состав этой системы входят электропневматические приставки 206 с датчиками давления (ДТ1, ДТ2) типа ДДХ-И-1,00, которыми оснащены краны машиниста, и датчики давления (ДТЗ, ДТ4) типа ДДХ-И-1,00, установленные на трубопроводе между реле давления РД4 и переключательным клапаном (ПК1) типа 5-2 У1. Указанные датчики преобразуют давление сжатого воздуха в электрический сигнал, который через систему электронных блоков поступает на приставку крана машиниста.
При торможении краном вспомогательного тормоза (КВТ1 или КВТ2) сжатый воздух из ПМ через устройство блокировки тормозов БТпоступает в магистраль вспомогательного тормоза (МВТ) и далее через переключательный клапан (ПКЗ) типа 5-2 У1 в управляющие камеры реле давления (повторителей) РД1, РД2, РДЗ. Реле давления срабатывают на торможение и из питательного резервуара ПР наполняют тормозные цилиндры (ТЦ) соответствующей тележки. На каждой тележке установлено по два ТЦ диаметром 14".
Отпуск тормоза выполняется постановкой ручки КВТ в поездное положение. При этом управляющие камеры повторителей РД1, РД2, РДЗ сообщаются с атмосферой непосредственно через КВТ, а реле давления, сработав на отпуск, опорожняют в атмосферу тормозные цилиндры соответствующей тележки.
Разобщительный кран 12, установленный на МВТ, в рабочем состоянии электровоза закрыт.
Для сигнализации наполнения ТЦ каждой тележки на их трубопроводах установлены сигнализаторы отпуска тормозов (СОТ1, СОТ2, СОТЗ) - пневматические выключатели управления типа ПВУ-5, которые замыкают свои контакты при давлении в ТЦ 1,1 -1,3 кгс/см2. Кроме того, на трубопроводе ТЦ первой тележки также установлены пневматические выключатели управления (ВУПЗ, ВУП4) типа ПВУ-5. ВУПЗразбирает схему электрического тормоза при повышении давления воздуха в ТЦ более 1,3 - 1,5 кгс/см2, а ВУП4 обеспечивает подачу песка под колесные пары электровоза при торможении с давлением в ТЦ 2,8 - 3,2 кгс/см2 и скорости движения более 10 км/ч. Подача песка прекращается при снижении давления в ТЦ до 1,5 – 1,7 кгс/см2.
При торможении КМ (пневматикой или ЭПТ) срабатывает на торможение воздухораспределитель (ВР № 292) или электровоздухораспределитель (ЭВР № 305) и сообщает ЗР с управляющей камерой РД4. На трубопроводе от ВР к реле давления РД4 установлены ложный тормозной цилиндр (ЛТЦ) объемом 16 л, а также выпускной клапан 14 (№31) и сигнализатор давления (ДС2) №115 А.
Повторитель РД4 срабатывает на торможение и через переключательный клапан ПК1, электропневматический клапан (ЭПВ6) типа КПЭ-9 и переключательные клапаны ПК2, ПКЗ начинает пропускать сжатый воздух из питательного резервуара ПР в управляющие камеры реле давления РД1, РД2, РДЗ. Последние также срабатывают на торможение и из питательного резервуара ПР наполняют тормозные цилиндры соответствующей тележки.
Электропневматический клапан ЭПВ6 выполняет функции электроблокировочного клапана, и при неработающем электрическом тормозе его электромагнитная катушка питания не получает, а, следовательно, сжатый воздух может беспрепятственно проходить по участку трубопровода между переключательными клапанами ПК1 и ПК2.
При постановке ручки КМ в положения I или II срабатывает на отпуск ВР (или ЭВР) и через свою клапанную систему сообщает с атмосферой управляющую камеру РД4 и ЛТЦ. Реле давления РД4, в свою очередь, срабатывает на отпуск и через переключательные клапаны ПКЗ, ПК2, ПК1 сообщает с атмосферой управляющие камеры повторителей РД1, РД2, РДЗ, которые опорожняют в атмосферу тормозные цилиндры соответствующих тележек.
Ложный тормозной цилиндр искусственно увеличивает объем управляющей камеры повторителя РД4, что, в свою очередь, обеспечивает определенную предельную величину давления, которое установится в тормозных цилиндрах при соответствующей разрядке тормозной магистрали при пневматическом торможении или при торможении ЭПТ.
Выпускные клапаны 13 и 14 предназначены для отпуска тормоза электровоза вручную. Разобщительный кран 12, установленный на МВТ, обеспечивает выпуск воздуха из ТЦ всех тележек только в том случае, если электровоз заторможен краном вспомогательного тормоза.
Отпуск тормоза электровоза независимо от состава можно осуществить нажатием специальной кнопки на пульте машиниста. При этом получает питание катушка электропневматического клапана ЭПВ6, благодаря чему последний перекрывает проход воздуха от ВР в управляющие камеры РД1, РД2, РДЗ одновременно сообщая их с атмосферой через свою клапанную систему. Этой же кнопкой снимается питание с отпускного и тормозного вентилей электровоздухораспределителя.
Для получения максимального тормозного эффекта на электровозе предусмотрено двухступенчатое нажатие тормозных колодок:
1-я ступень - при служебном торможении поездным краном машиниста или краном вспомогательного локомотивного тормоза с давлением в тормозных цилиндрах 3,8 – 4,0 кгс/см2;
2-я ступень - при экстренном пли автостопном торможении со скорости более 55 км/ч с давлением в тормозных цилиндрах 7,0 кгс/см2. При экстренном или автостопном торможении и скорости движения более 55 км/ч замыкаются контакты ДТ6, которые совместно с контактами сигнализатора давления ДС1 (при автостопном торможении) или ДС2 (при торможении краном машиниста), замыкающимися при давлении 0,3 – 0,4 кгс/см2, подают питание на электромагнитный вентиль пневматического устройства ПУ1. Устройство ПУ1 через разобщительный кран 6, переключательные клапан ПК1, электропневматический клапан ЭПВ6 и переключательные клапаны ПК2, ПКЗначинает пропускать сжатый воздух из ПР под давлением 7,0 кгс/см2 в управляющие камеры повторителей РД1, РД2, РДЗ, которые обеспечивают в ТЦ каждой тележки соответствующее давление. При этом переключательный клапан ПК1 перекрывает проход воздуха в управляющие камеры реле давления РД1, РД2, РДЗ от воздухораспределителя, который обеспечивает максимальное давление в своем трубопроводе 3,8 – 4,0 кгс/см2.