И основные эксплуатационные характеристики инверторов
ФЕДЕРАЛЬНОЕ ГОСУДАРСТВЕННОЕ БЮДЖЕТНОЕ
ОБРАЗОВАТЕЛЬНОЕ УЧРЕЖДЕНИЕ ВЫСШЕГО
ПРОФЕССИОНАЛЬНОГО ОБРАЗОВАНИЯ
«ДОНСКОЙ ГОСУДАРСТВЕННЫЙ ТЕХНИЧЕСКИЙ
УНИВЕРСИТЕТ»
(ДГТУ)
Кафедра «Радиоэлектроника»
Руденко Н.В.
ЛЕКЦИЯ № 5
Тема лекции: «Инверторы»
по дисциплине «электропитание и элементы
электромеханики»
Ростов-на-Дону
ЛЕКЦИЯ № 5
Тема лекции: «Инверторы»
Учебные вопросы
1. Назначение, классификация, принцип действия и основные эксплуатационные характеристики инверторов.
2. Электромагнитные процессы и основные расчетные соотношения в транзисторном инверторе.
3. Электромагнитные процессы в тиристорном автономном инверторе тока.
Литература
1. Бушуев В. М., Деминский В. А. Электропитание устройств и систем телекоммуникаций: учеб. пособие для вузов. - М.: Горячая линия - Телеком, 2011. - с. 7 – 56.
Назначение, классификация, принцип действия
и основные эксплуатационные характеристики инверторов
Назначение инверторов. На практике часто возникает задача преобразования постоянного напряжения в переменное напряжение. Процесс преобразования постоянного тока в переменный получил наименование инвертирования, а устройства, осуществляющие это преобразование, называются инверторами. Термин “инвертирование” происходит от латинского слова invercio - переворачивание, перестановка. Впервые этот термин в преобразовательной технике был применен для обозначения процесса, обратного выпрямлению, и характеризовал процесс, при котором поток электрической энергии источника постоянного тока поочередно изменял свое направление на обратное таким образом, что в приемнике протекал переменный ток. Таким образом, устройства, преобразующие электрическую энергию постоянного тока в электрическую энергию переменного тока с постоянной или регулируемой частотой, называются инверторами.
Необходимость применения такого типа устройства возникает в следующих случаях:
- когда единственным источником электрической энергии в РЭС является химический источник тока, а некоторые приемники требуют для электропитания только переменного тока;
- при необходимости преобразовать переменное напряжение одной частоты в переменное напряжение другой частоты (более высокой);
- при необходимости повысить качество выпрямленного напряжения путем преобразования выпрямленного напряжения промышленной частоты в переменное напряжение повышенной частоты с последующим его выпрямлением для уменьшения коэффициента пульсаций (в ППН).
Физическая сущность процесса инвертирования постоянного тока состоит в том, что посредством применения полупроводниковых переключателей, соединенных в схему инвертирования, и соответствующим чередованием замкнутого и разомкнутого их состояния осуществляется такое подключение резистора нагрузки к источнику постоянного тока, которое обеспечивает изменение направления тока в этом резисторе, подобное протеканию по нему переменного тока. Путем такого преобразования создается возможность электропитания приемников переменного тока от первичного источника электрической энергии постоянного тока.
Классификация инверторов.Инверторы принято классифицировать по ряду признаков:
- по числу импульсов противоположной полярности за период выходного напряжения;
- по схеме преобразования (инвертирования);
- по числу фаз вторичной обмотки трансформатора;
- по типу применяемых переключающих вентильных устройств (ключей);
- по способу управления или коммутации переключающими устройствами.
По числу импульсов противоположной полярности за период выходного напряжения различают однотактные и двухтактные инверторы. В однотактных инверторах в приемник за период изменения выходного напряжения из первичной сети постоянного напряжения передается один импульс. В двухтактных инверторах за один период изменения выходного напряжения таких импульсов напряжения передается два.
Под схемой преобразования (инвертирования) понимают схему соединения вентильных элементов и элементов для их коммутации, а также трансформатора и в отдельных случаях входного или выходного фильтра. Работа инвертора и его технико-экономические показатели в основном определяются схемой инвертирования, от которой зависят: форма кривой выходного напряжения; форма кривой потребляемого тока; внешняя (или нагрузочная) характеристика; КПД инвертора; допустимое изменение коэффициента мощности нагрузки (указываемого обычно по основной гармонике напряжения на нагрузке); максимальное или мгновенное значения тока нагрузки, определяющие для большинства схем порог устойчивой работы инвертора.
На практике находят применение следующие схемы инвертирования:
- однофазная однотактная (рис. 5.1);
- однофазная двухтактная (рис. 5.2);
- однофазная мостовая (рис. 5.3);
- трехфазная однотактная с нулевым выводом (рис. 5.4, а);
- трехфазная мостовая (рис. 5.4, б).
В зависимости от требований, предъявляемых к инверторам со стороны их приемников, они могут быть с трансформаторным и бестрансформаторным (гальваническим) выходами. Как правило, трансформаторная схема применяется в тех случаях, когда необходимо изменить величину выходного напряжения относительно напряжения источника питания или обеспечить электрическую развязку цепей постоянного и переменного тока. Примеры схем обоих типов приведены на рис. 5.2, а, б.
По числу фаз вторичной обмотки трансформатора различают однофазные, двухфазные и трехфазные инверторы.
По типу переключающих вентильных устройств (ключей) различают транзисторные и тиристорные инверторы. Транзисторные инверторы применяют для получения выходной мощности от 20...50 Вт до 1000 Вт. При большей выходной мощности (от 1 до 100 кВт и более), особенно при большом первичном напряжении применяются тиристорные инверторы.
В зависимости от способа управления или коммутации переключающими устройствами различают два основных класса инверторов:
- инверторы с самовозбуждением или автономные инверторы;
- инверторы с независимым возбуждением (ведомые сетью).
Автономный инвертор - это полупроводниковый инвертор, в котором коммутация полупроводниковых приборов осуществляется под действием напряжения, обусловленного элементами, входящими в состав полупроводникового инвертора (ГОСТ 23414-84).
Ведомый инвертор - это полупроводниковый инвертор, в котором коммутация полупроводниковых приборов осуществляется под действием напряжения, обусловленного внешними по отношению к полупроводниковому инвертору источниками электрической энергии (ГОСТ 23414-84).
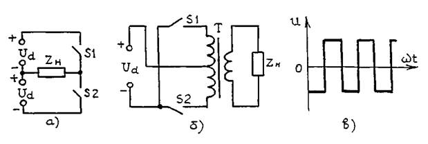
Принцип инвертирования и схемы инвертирования. На схемах инверторов (рис.5.1,а – рис. 5.4) цифрами обозначены условные номера ключей-прерывателей. В однофазной однотактной схеме (рис. 5.1,а) при замыкании ключа S1 источник питания подключается непосредственно к нагрузке. При периодическом замыкании и размыкании ключа на приемнике получим импульсы напряжения прямоугольной формы (рис. 5.1,б). Длительность импульсов напряжения и их частота следования полностью определяется режимом работы ключа. Для выделения переменной составляющей напряжения в такой схеме целесообразно применить трансформатор.
|
Рисунок 5.1 - Однофазная однотактная схема инвертора (а)
и временная диаграмма выходного напряжения (б)
Аналогичным образом работает однофазная двухполупериодная схема с нулевым выводом (рис. 5.2, а, б). Различия состоят только в том, что ключи S1 и S2 замыкаются не одновременно, а поочередно таким образом, когда замкнутому состоянию ключа S1 соответствует разомкнутое состояние ключа S2 и наоборот, т.е. ключи работают в противофазе. 
Рисунок 5.2 - Однофазные двухтактные схемы с нулевым выводом:
а) бестрансформаторная; б) трансформаторная;
в) временная диаграмма выходного напряжения
Если интервалы времени замкнутого и разомкнутого состояния ключей S1 и S2 одинаковы, то в нагрузке получим переменное напряжение прямоугольной формы.
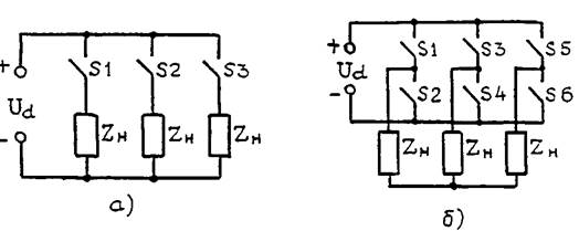
В мостовой схеме инвертора (рис. 5.3) для получения переменного напряжения на выходе необходима одновременная коммутация двух ключей S1 и S4 или S2 и S3.

Рисунок 5.3 - Однофазная мостовая схема

Рисунок 5.4. Трехфазные схемы инвертирования:
а – с нулевым выводом; б- трехфазная мостовая схема
На рис. 5.4 представлены более сложные схемы, обеспечивающие преобразование постоянного напряжения в трехфазное.
Автономные инверторы тока и напряжения.В зависимости от характера протекания электромагнитных процессов в схемах автономных инверторов их дополнительно подразделяют на три основных типа:
- инверторы тока;
- инверторы напряжения;
- резонансные инверторы.
Это разделение носит условный характер. За определяющий признак при этом принимается проводимость цепи постоянного тока со стороны непосредственно преобразующей части (например, со стороны тиристоров) относительно переменной составляющей выходного напряжения. Рассматривая далее простейшие схемы автономных инверторов (рис.8.5), нужно помнить, что на них показаны как бы механические ключи. Реально же используются электронные ключи, автоматически обеспечивающие самовозбуждение инверторов.
Рассмотрим автономные инверторы тока и напряжения, получающие питание от источника постоянного напряжения Ud (рис. 5.5). В цепи постоянного тока первого инвертора (рис. 5.5,а) включен дроссель Ld с большой индуктивностью. Наличие такого дросселя обеспечивает электромагнитную инерционность процесса изменения тока в неразветвленной части схемы в паузах между переключениями ключевых элементов S1...S4 ток можно условно считать неизменным, постоянным, а бросками тока в моменты переключения можно пренебречь.
Процесс коммутации в этих условиях и воспринимается как инвертирование тока, а само преобразовательное устройство называется инвертором тока.
В схеме (рис.5.5,б) источник постоянного напряжения подключен непосредственно к ключевым элементам, которые периодически с изменением полярности автоматически подключают это напряжение к приемнику. В результате приемник питается как бы от источника переменного напряжения. Такая схема классифицируется как инвертор напряжения. Ток приемника в этом случае должен носить обычно активный либо индуктивный характер (если на выходе инвертора не установлены специальные фильтры с конденсаторами). При емкостном характере нагрузки из-за скачкообразного изменения напряжения имеют место всплески токов, что ухудшает работу инвертора.
В резонансных инверторах, содержащих и конденсаторы, приемник, имеющий большую индуктивность, образует с емкостными элементами схемы инвертора колебательный контур с резонансом напряжений. При этом собственная частота контура должна быть выше или равна рабочей частоте инвертора. Такие инверторы имеют близкую к синусоидальной форму напряжения и тока в приемнике и применяются для получения переменного напряжения или тока повышенной частоты (более 1000 Гц).

Рисунок 5.5 - Автономные мостовые инверторы:
а - инвертор тока; б – инвертор напряжения;
в, г – временные диаграммы
Таким образом, сущность процесса инвертирования заключается в как бы периодическом подключении приемника или первичной обмотки трансформатора к источнику постоянного тока с одной и той же полярностью в однотактных или с противоположной полярностью в двухтактных схемах инверторов.
Характеристики инверторов. Основными характеристиками, которые позволяют сравнивать между собой различные схемы инверторов, являются:
а) зависимость величины выходного напряжения инвертора от величины напряжения питания постоянного тока при заданном токе приемника:
Uвых = f (Ud) при Iвых = const;
б) зависимость частоты выходного напряжения инвертора от величины напряжения питания при заданном токе нагрузки:
f = j(Ud) при Iвых = const;
в) внешняя характеристика инвертора - зависимость выходного напряжения инвертора от величины тока приемника при неизменном напряжении питания:
Uвых = f (Iвых) при Ud = const;
г) выходное сопротивление инвертора (внутреннее), которое определяется по внешней характеристике инвертора:

где DUвых - изменение напряжения на выходе инвертора;
DIвых - изменение тока приемника инвертора.
д) величина выходной мощности инвертора Pвых;
е) коэффициент полезного действия инвертора.
h= Pвых / Pвх ;
Все указанные характеристики для реального инвертора могут быть получены экспериментальным путем.