Строительство фундаментов на местности покрытой водой.
Строительство фундаментов на местности, которая покрыта водой, тяжелее, чем на суходоле.
К основным особенностям производства работ на местности, покрытой водой относятся:
- особенные способы разбивочных работ;
- необходимость иметь специальные средства и сооружения для устройства ограждений, для доставки к каждому фундаменту материалов, механизмов, рабочих;
- применение специальных конструкций для ограждения котлованов и фундаментов от внешней воды в период строительства;
- использование методов подводной разработки грунта и подводного бетонирования.
Строительство фундаментов и опор мостов может производится зимой, когда ледяной покров будет служить временным настилом для транспортировки материалов и пр. В летнее время при небольшой глубине воды устраиваются временные мостики на сваях, или ряжевых опорах. При значительной глубине воды рациональнееоказываются временные мостики на понтонах. На судоходных реках строительство ведется с плавучих средств.
Ограждение котлованов.
Перемычки
Для ограждения места постройки фундамента на водотоках от поверхностных вод используют специальные временные сооружения – перемычки.
Конструкции перемычек разнообразные. Область применения перемычек зависит от глубины водотока и скорости течения воды, а также от размеров котлована и его глубины.
В дорожном строительстве наиболее распространены:
- грунтовые перемычки;
- однорядные и двухрядные деревянные шпунтовые перемычки с грунтовым заполнением;
- однорядные перемычки из металлического шпунта;
- ряжевыее перемычки из деревянных брусьев и другие.
Грунтовые перемычки
Принимаются при скорости течи воды менее 1 м/сек.. При больших скоростях наружные откосы закрепляются мощением.
Грунтовые перемычки устраивают из глинистых и песчаных грунтов (рис.1 ). При проектировании таких перемычек прозводят расчеты устойчивости откосов, грунтов основания и фильтрационные расчеты.

Рис.1
Недостатки их :
- легкая размываемость откосов;
- большой объем привозного грунта;
- значительная степень стеснения русла реки.
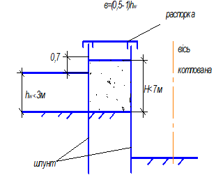
Однорядные деревянные шпунтовые перемычки

Рис.2
Двухрядные деревянные шпунтовые перемычки с грунтовым заполнением.
Однорядные и двухрядные (рис.3) шпунтовые перемычки устраиваются когда скорость течения воды превышает 1м/сек., глубина воды 3-5 м и отсутствует пригодный грунт для грунтовых перемычек.

Рис.3
Грунтовая засыпка уменьшает водопроницаемость деревянной шпунтовой стенки, а внутренний шпунтовый ряд служит ограждением котлована ниже дна водоема. Две шпунтовые стенки соединяется между собой системой растяжек и распорок. Расчет шпунтовых стенок прозводится как гибких подпорных стен.
Перемычки из металлического шпунта.
Перемычки устраиваются однорядными, так как обладают высокой водонепроницаемостью (рис.4). Глубина воды – до 12м. После возведення фундамента металлический шпунт извлекается и может быть использоваться несколько раз.

Рис.4
Разработка грунта и бетонирование фундамента.
В тех случаях, когда земляные работы ведутся в котловане, огражденном перемычками и при водоотливе, производство работ аналогично производству работ по возведенню фундаменту на суше, в иных случаях используется подводная разработка грунта и подводное бетонирование.
Подводная разработка грунта
При постройке фундаментов опор мостов котлованы имеют сравнительно небольшие размеры в плане и работы ведутся, как правило, с применением креплений стен котлована. В таких условиях для подводной разработки грунта принимают грейферы, гидроэлеватори, эрлифты.
Грейферные ковши могут подвешиваться к стрелам экскаваторов и кранов различных конструкций. Грейферами двух и многолопастными могут разрабатываться любые грунты.
Для разработки более прочного грунта применяют ковши с зубьями.
Разработку несвязных, малосвязных супесей и илистых грунтов выполняют гидроэлеваторами и эрлифтами. Разработка суглинков и глин гидроэлеваторами и эрлифтами возможна при предварительном разжижении этих грунтов с помощью подмывных труб.
Принцип работы иідроэлеватора (рис.5): напорная струя воды, выходя из насадки (1) с большой сскоростью, создает в камере (2) вакуум, под действием которого по всасывающей трубе (3) в камеру смешения поступает пульпа. Далее пульпа идет в диффузор (4) и наверх.

Рис.5
Эрлифт работает (рис.6) при помощи сжатого воздуха, нагнетаемого в камеру (6) компрессором. Воздух, который выходит через отверстие в пульповоде, смешивается с водой и пульпой, благодаря чему удельный вес смеси становится меньше удельного веса воды. Создается разность давлений, под действием которой смесь воздуха с водой поднимается вверх, засасывая грунт. Хорошо работает при большой глубине воды.

Рис.6
Подводное бетонирование
Производится в огражденном котловане. Чаще всего подводным способом бетонируется только нижняя часть фундамента (подушка). Затем производится водоотлив и остальная часть бетона укладывается насухо.
Лучший и наиболее распространенный метод подводного бетонирования – метод ВПТ – вертикально перемещающейся труыа (рис.7).
В котловане устанавливается одна или несколько металлических труб диаметром 200-300 с воронкой. Пробка нужна при начале бетонирования для предотвращения вымывания цемента из бетона. Бетонирование производится путем строго вертикального подъема трубы и непереривной подачи бетона в трубу. Конец трубы всегда должен находиться в бетоне на глубине 0,8 -1,5м.

Рис.7
1 – бетонолитна труба;
2 – воронка;
3 – подводный бетон;
4 – пробка из мешковины;
5 – двухстворчатый клапан.
Тема: ИСКУССТВЕННЫЕ ОСНОВАНИЯ
Вопрос:
1. Общие положения.
2. Методы укрепления грунтов.
1. Общие положения
При строительстве на сильносжимаемых и малопрочных грунтах, когда устройство фундаментов мелкого заложения на естественной основании становится нерациональным, производят или укрепление этих грунтов, или применяют фундаменты глубокого заложения. Вопрос о том, какому варианту отдать предпочтение решается на основе сравнения технико – экономических показателей.
Существуют много способов укрепления грунтов. Выбор способа укрепления также производится путем сравнениям вариантов по технико – экономическим показателям с учетом области применения каждого метода.
Искусственное уплотнение грунтов широко применяется в основаниях фундаментов различных промышленных, гражданских, гидротехнических и других сооружений, а также при возведении насыпей железных и автомобильных дорог, при строительстве аэродромов.
2. Методы укрепления почв.
Общие сведения
Существующие методы упрочнения грунтов можно разделить на три группы: механические, физические, химические.
К механическим относятся: трамбование и виброуплотнение грунтов, замена грунтов основания более прочными грунтами, глубинное уплотнение грунтовыми и песчаными сваями, применение шпунтовых ограждений.
К физическим относятся: уплотнение грунтов при помощи понижения УГВ (уровня грунтовых вод) и вертикальный дренаж основания.
К химическим относятся: цементация, силикатизация, смолизация, битумизация, а также электрохимическое и термическое закрепление грунтов.
Увеличить прочность и уменьшить сжимаемость грунтов можно либо за счет уменьшения пористости грунтов, либо путем увеличения сцепления между частицами скелета грунта .
Уменьшение пористости достигается чаще всего механическими методами: трамбованием, виброуплотнением и пр.
Увеличение сцепления между частицами скелета создается химическими методами или термообработкой.
Для упрочнения водонасыщенных грунтов применяется водопонижение и дренаж.
. Механические методы
Поверхностное уплотнение грунтов.
Поверхностное уплотнение грунтов применяют при уплотнении маловлажных и влажных почв из степенью водонасыщения Sr ‹ 0,7.
- Уплотнение на глубину 0,1 – 0,35м осуществляется гладкими и кулачковыми катками, легкими трамбовками.
- Для уплотнения на глубину 0,5 – 0,7м рыхлых грунтов, песчаных и крупнообломочных применяют виброплиты и виброкатки.
- Если нужно уплотнение на большую глубину применяют трамбование тяжелыми трамбовками, которые подвешены к крану на базе экскаватора, трактора или копра.
Трамбовка весом 2 – 4т, которую бросают из высоты 4-5м, дает уплотнение на 1,5 – 2,2 м.
Трамбовки весом 5–7т, которые сбрасывают из высоты 6 – 8м, дают уплотнение до 3,5м.
Следует учитывать, что при трамбовании плотность грунта значительно увеличивается в верхних слоях и уменьшается с глубиной. Достаточно уплотненной считается толща грунта, у подошвы которой плотность равна проектной.
Величина понижения основания от одного удара называется отказом при уплотнении трамбованием:
Для глинистых грунтов – 1...2 см, для песков – 0,5 – 1см.
Общая осадка – 40 – 60см.
Уплотнение следует выполнять при оптимальной влажности грунта.
Оптимальная влажность глинистых грунтов
Wопт = Wр + (1..3%), (1)
Если влажность менее оптимальнойпроизводится доувлажнение. Требуемое количество воды:
, (2)
где W – естественная влажность;
Wопт – оптимальная влажность;
hуп – толщина слоя уплотнения;
F – площадь зоны, которая плотнится;
hупл = к*d
где d – диаметр трамбовки;
к = 1,55 для песка;
к = 1,45 – для суглинка.
Трамбование выполняется через 12 – 24 часа после проникания воды в грунт.
Для контрольного определения толщины уплотненного слоя отрывается шурф, из которого через 0,25м отбираются монолиты (образцы).
Устройство песчаных подушек.
Песчаные подушки широко используются для замены сильно сжимаемых грунтов в основании фундаментов и в качестве подготовки искусственного основания на водонасыщенных глинистых грунтах.
Песчаные подушки применяются в следующих целях:
1. Для уменьшения осадки фундаментов сооружений, если Епесч.подушки > чем Еупл.грунта. Модуль деформаций песчаной подушки 1,2..2,0кПа.
2. Для увеличения устойчивости фундаментов, если прчностные характеристики (С,
)песчаной подушки больше, чем у грунтов основания.
3. Для более равномерной осадки соседних фундаментов за счет перераспределения напряжений на лежащие под подушкой грунты.
4. Для уменьшения глубины заложения фундаментов.
5. Для замены пучинистых грунтов.
6. Для укрепления глинистых водонасыщенных грунтов, залегающих ниже песчаной подушки, за счет дренирования воды в песчаную подушку.
Толщина подушек от 0,5м до 6м из среднего и крупного песка.
Минимальная толщина песчаной подушки определяется из условия, чтобы осадка песчаной подушки и нижележащих грунтов была бы меньше предельно допустимой для данного сооружения.
Методы возведення песчаных подушек должны обеспечить максимальную плотность песка в теле подушки.
Глубинное уплотнение грунтов.
Сущность глубинного уплотнения заключается в том, что в грунт основания на определеннуюглубину внедряется уплотнитель. При этом происходит уменьшение объема порового пространства вокруг уплотнителя на величину, равную объему уплотнителя, погруженного в грунт.
Глубинное уплотнение производится путем устрорйства свай.
Рациональные сваи:
- грунтовые сваи – в макропористых просадочных грунтах ;
- песчаные – в водонасыщенных глинистых грунтах, рыхлых песках и заторфованих грунтах;
- известковые, шлаковые – в водонасыщенных глинистых грунтах.
Грунтовые сваи устраивают двумя способами:
1) в грунт погружают пустотелую трубу с закрытым концом. Затем трубу вытаскивают и полученную скважину заполняют уплотненным грунтом;
2) в грунт опускают удлиненный заряд взрывчатого вещества (ВВ), который после взрыва уплотняет грунт. Воронки также заполняют уплотненным грунтом.
Песчаные сваи применяют для глубинного уплотнения сильно сжимаемых грунтов.
Вибратором или молотом в грунт внедряется инвентарная стальна труба с открывающимся нижним концом. На конец надето кольцо. Затем в трубу засыпается песок и труба медленно при вибрировании вынимается, получается свая.
Глубина уплотнения до 18м.
. Физические методы.
Используются для уплотнения водонасыщенных глинистых грунтов.
Одном из методов искусственного улучшения оснований является предварительное обжатие грунтов давлением, равным или большим чем давление от фундаментов сооружения.
Осуществляется либо пригрузкой в виде насыпи, либо понижением уровня грунтовых вод в водонасыщенных грунтах.
Сложность при уплотнении насыпью или пригрузкой с водоснижением заключается в том, что при отсыпке высоких насыпей грунт может выпирать на поверхность, так как водонасыщенный грунт слабо сопротивляется сдвигу. Предотвращение – ускорение консолидации грунтов с помощью дрен.
1. Вертикальные дрены. Ускорение процесса консолидации и уплотнения глинистых грунтов производится с помощью вертикальных дрен. В толще уплотненного грунта делаются вертикальные песчаные дрены, при помощи опускания обсадной трубы с последующим заполнением песком. В отличии от песчаных свай стремятся, чтобы грунт у дрен не плотнялся вокруг них. Глубина уплотнения до 25м, сверху устраивается песчаная подушка.
2. При необходимости обжатия грунта в пределах большей площади в водонасыщенных грунтах используют обжатие грунта понижением уровня грунтовых вод. Площадь окружается иглофильтрами или колодцами, из которых откачивают воду. Преимущество – можно обжать слои грунта на глубину до 35м.
3. Электроосмос. Повышение проникаемости грунтов. При пропускании через глинистый грунт постоянного тока в грунте происходит перемещение воды к катоду. Катодом является иглофильтр, через который откачивают воду.
. Химические методы.
Это методы, при которых повышение прочности и уменьшение сжимаемости грунта происходит за счет увеличения сцепления между частицами. Это термический способ, силикатизация, цементация, глинизация и др.
Термической способ.
Применяется для маловлажных глинистых грунтов, имеющих высокую проницательность (кф > i* 10-5 м/сек.) обычно при просадочных макропористых грунтах.
В пробуренные скважины подается горячий воздух, создается высокая температура 300 - 400º и более до 900º. Скважины герметически закрываются. Происходит спекание частиц между собой.