Порядок выполнения эксперимента
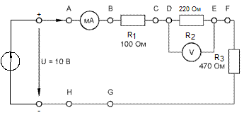
· Соберите цепь согласно схеме (рис. 4.7.2. Поочередно включая амперметр (мультиметр или виртуальный прибор) между точками разрыва A – B, C – D, E – F и G – H, измерьте токи вдоль всей последовательной цепи.
· Затем измерьте частичные напряжения (падения напряжения) между точками B - C, D - E, F - G, а также полное напряжение цепи между точками B – G. Все измеренные величины занесите в табл. 4.7.1.

Рис. 4.7.2
Таблица 4.7.1
| Ток, мА | Падения напряжения, В | Полное напряжение, В | |||||
| Точки цепи | Точки цепи | Точки цепи | |||||
| A-B | C-D | E-F | H-G | B-C | D-E | F-G | B-G |
Вопрос: Каковы падения напряжения по отношению к сопротивлениям соответствующих резисторов?
Ответ:……….
Параллельное соединение резисторов