ЛАБОРАТОРНАЯ РАБОТА № 29
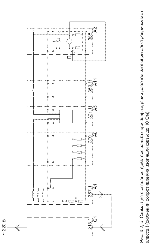
8.2 Работа защиты при повреждении основной изоляции электроприемника класса I
ЦЕЛЬ РАБОТЫ: Работа защиты при повреждении основной изоляции электроприемника класса I.
ПОРЯДОК ПРОВЕДЕНИЯ РАБОТЫ:
Ø Собрать схему согласно методическим указаниям по выполнению лабораторных работ.
Ø Выполнить необходимые эксперименты.
Ø На основании полученных результатов выполнить задания:
| |
| _____________________________________________________________ | |
| ____________________________________________________________________________________________________________________________________________________________________________________________________________________________________________________ | |
| _____________________________________________________________ | |
| _____________________________________________________________ | |
| _____________________________________________________________ | |
| _____________________________________________________________ | |
| _____________________________________________________________ | |
| _____________________________________________________________ | |
| _____________________________________________________________ | |
| _____________________________________________________________ | |
| _____________________________________________________________ | |
| _____________________________________________________________ | |
| _____________________________________________________________ | |
| _____________________________________________________________ | |
| _____________________________________________________________ | |
| _____________________________________________________________ |

