ЛАБОРАТОРНАЯ РАБОТА № 21
5.3 Работа защиты при повреждении основной изоляции электроприемника класса I
ЦЕЛЬ РАБОТЫ: Работа защиты при повреждении основной изоляции электроприемника класса I.
ПОРЯДОК ПРОВЕДЕНИЯ РАБОТЫ:
Ø Собрать схему согласно методическим указаниям по выполнению лабораторных работ.
Ø Выполнить необходимые эксперименты.
Ø На основании полученных результатов выполнить задания:
| № | Задано | Измерено | ||||
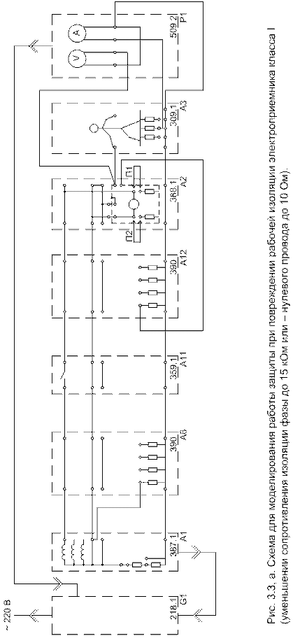
| Уменьшении сопротивления изоляции фазы до 15 к Ом или – нулевого провода 10 Ом | ||||||
| Rобуви | I, А | U, В | ||||
| 1. | 1 кОм | |||||
| 2. | 10 кОм | |||||
| 3. | 100 кОм | |||||
| 4. | «П1» | |||||
| 5. | «П2» | |||||
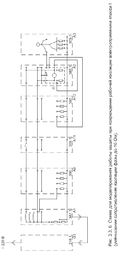
| Уменьшении сопротивления изоляции фазы до 10 к Ом | ||||||
| 6. | Rобуви | I, А | U, В | |||
| 7. | 1 кОм | |||||
| 8. | 10 кОм | |||||
| 9. | 100 кОм | |||||
| 10. | П |
КОНТРОЛЬНЫЕ ВОПРОСЫ
1. Расскажите правила техники безопасности при работе на лабораторном стенде.
2. Функции измерителя мощностей.
3. Функции блока мультиметров.
4. По величине тока судите о наличии или отсутствии защиты при повреждении основной изоляции электроприемника.
| Ввывод: |
|
| _____________________________________________________________ | |
| ____________________________________________________________________________________________________________________________________________________________________________________________________________________________________________________ | |
| _____________________________________________________________ | |
| _____________________________________________________________ | |
| _____________________________________________________________ | |
| _____________________________________________________________ | |
| _____________________________________________________________ | |
| _____________________________________________________________ | |
| _____________________________________________________________ | |
| _____________________________________________________________ | |
| _____________________________________________________________ | |
| _____________________________________________________________ | |
| _____________________________________________________________ | |
| _____________________________________________________________ | |
| _____________________________________________________________ | |
| _____________________________________________________________ |


6. ЗАЩИТА ЧЕЛОВЕКА ОТ ПОРАЖЕНИЯ ЭЛЕКТРИЧЕСКИМ ТОКОМ В ЭЛЕКТРОУСТАНОВКАХ ДО 1000 В С СИСТЕМОЙ ЗАЗЕМЛЕНИЯ TN-C ПРИ ИЗОЛИРОВАННЫХ ОТ ЗЕМЛИ КОРПУСАХ ЭЛЕКТРОПРИЕМНИКОВ